Yanmar 4Jh4 Hte Parts Catalog
Yanmar 4Jh4 Hte Parts Catalog - The true relationship is not a hierarchy but a synthesis. Cultural Significance and Preservation Details: Focus on capturing the details that make your subject unique. Adjust the seat so that you can comfortably operate the accelerator and brake pedals with a slight bend in your knees, ensuring you do not have to stretch to reach them. My entire reason for getting into design was this burning desire to create, to innovate, to leave a unique visual fingerprint on everything I touched. His stem-and-leaf plot was a clever, hand-drawable method that showed the shape of a distribution while still retaining the actual numerical values. Indeed, there seems to be a printable chart for nearly every aspect of human endeavor, from the classroom to the boardroom, each one a testament to the adaptability of this fundamental tool. The template had built-in object styles for things like image frames (defining their stroke, their corner effects, their text wrap) and a pre-loaded palette of brand color swatches. Fractals are another fascinating aspect of mathematical patterns. The Enduring Relevance of the Printable ChartIn our journey through the world of the printable chart, we have seen that it is far more than a simple organizational aid. Each chart builds on the last, constructing a narrative piece by piece. The other side was revealed to me through history. For a year, the two women, living on opposite sides of the Atlantic, collected personal data about their own lives each week—data about the number of times they laughed, the doors they walked through, the compliments they gave or received. A digital chart displayed on a screen effectively leverages the Picture Superiority Effect; we see the data organized visually and remember it better than a simple text file. While the scientific community and a vast majority of nations embraced its elegance and utility, the immense industrial and cultural inertia of the English-speaking world, particularly the United States, ensured the powerful persistence of the Imperial system. Your vehicle is equipped with a manual tilt and telescoping steering column. Aesthetic Appeal of Patterns Guided journaling, which involves prompts and structured exercises provided by a therapist or self-help resource, can be particularly beneficial for those struggling with mental health issues. The catalog ceases to be an object we look at, and becomes a lens through which we see the world. Journaling as a Tool for Goal Setting and Personal Growth Knitting is also finding its way into the realms of art and fashion. It's a puzzle box. By providing a comprehensive, at-a-glance overview of the entire project lifecycle, the Gantt chart serves as a central communication and control instrument, enabling effective resource allocation, risk management, and stakeholder alignment. A low-resolution file will appear blurry or pixelated when printed. 36 The daily act of coloring in a square or making a checkmark on the chart provides a small, motivating visual win that reinforces the new behavior, creating a system of positive self-reinforcement. When a company's stated values on a chart are in direct conflict with its internal processes and reward systems, the chart becomes a hollow artifact, a source of employee disillusionment. Activate your hazard warning flashers immediately. Learning about concepts like cognitive load (the amount of mental effort required to use a product), Hick's Law (the more choices you give someone, the longer it takes them to decide), and the Gestalt principles of visual perception (how our brains instinctively group elements together) has given me a scientific basis for my design decisions. A professional doesn’t guess what these users need; they do the work to find out. This scalability is a dream for independent artists. They can filter the criteria, hiding the rows that are irrelevant to their needs and focusing only on what matters to them. They are talking to themselves, using a wide variety of chart types to explore the data, to find the patterns, the outliers, the interesting stories that might be hiding within. The first major shift in my understanding, the first real crack in the myth of the eureka moment, came not from a moment of inspiration but from a moment of total exhaustion. The most creative and productive I have ever been was for a project in my second year where the brief was, on the surface, absurdly restrictive. So my own relationship with the catalog template has completed a full circle. The continuously variable transmission (CVT) provides exceptionally smooth acceleration without the noticeable gear shifts of a traditional automatic transmission. Every element on the chart should serve this central purpose. It is a story of a hundred different costs, all bundled together and presented as a single, unified price. To do this, always disconnect the negative terminal first and reconnect it last to minimize the risk of sparking. A truly effective comparison chart is, therefore, an honest one, built on a foundation of relevant criteria, accurate data, and a clear design that seeks to inform rather than persuade. It is important to remember that journaling is a personal activity, and there is no right or wrong way to do it. The key at every stage is to get the ideas out of your head and into a form that can be tested with real users. We began with the essential preparatory steps of locating your product's model number and ensuring your device was ready. We can show a boarding pass on our phone, sign a contract with a digital signature, and read a book on an e-reader. A good document template will use typography, white space, and subtle design cues to distinguish between headings, subheadings, and body text, making the structure instantly apparent. At the other end of the spectrum is the powerful engine of content marketing. It is a master pattern, a structural guide, and a reusable starting point that allows us to build upon established knowledge and best practices. To ignore it is to condemn yourself to endlessly reinventing the wheel. There is the cost of the factory itself, the land it sits on, the maintenance of its equipment. They are a powerful reminder that data can be a medium for self-expression, for connection, and for telling small, intimate stories. This business model is incredibly attractive to many entrepreneurs. Professionalism means replacing "I like it" with "I chose it because. A well-designed chart is one that communicates its message with clarity, precision, and efficiency. Within these pages, you will encounter various notices, cautions, and warnings. Creativity thrives under constraints. Virtual and augmented reality technologies are also opening new avenues for the exploration of patterns. 26 For both children and adults, being able to accurately identify and name an emotion is the critical first step toward managing it effectively. Countless beloved stories, from ancient myths to modern blockbusters, are built upon the bones of this narrative template. If the 19th-century mail-order catalog sample was about providing access to goods, the mid-20th century catalog sample was about providing access to an idea. It is a sample of a new kind of reality, a personalized world where the information we see is no longer a shared landscape but a private reflection of our own data trail. The printed page, once the end-product of a long manufacturing chain, became just one of many possible outputs, a single tangible instance of an ethereal digital source. These exercises help in developing hand-eye coordination and control over your drawing tool. The prominent guarantee was a crucial piece of risk-reversal. A template can give you a beautiful layout, but it cannot tell you what your brand's core message should be. However, the rigid orthodoxy and utopian aspirations of high modernism eventually invited a counter-reaction. Sellers create pins that showcase their products in attractive settings. These platforms have taken the core concept of the professional design template and made it accessible to millions of people who have no formal design training. Creating a good template is a far more complex and challenging design task than creating a single, beautiful layout. The same is true for a music service like Spotify. This stream of data is used to build a sophisticated and constantly evolving profile of your tastes, your needs, and your desires. Students use templates for writing essays, creating project reports, and presenting research findings, ensuring that their work adheres to academic standards. Printable wall art has revolutionized interior decorating. The technical specifications of your Aeris Endeavour are provided to give you a detailed understanding of its engineering and capabilities. When I looked back at the catalog template through this new lens, I no longer saw a cage. The template is not the opposite of creativity; it is the necessary scaffolding that makes creativity scalable and sustainable. Regardless of the medium, whether physical or digital, the underlying process of design shares a common structure. They are acts of respect for your colleagues’ time and contribute directly to the smooth execution of a project. Pull out the dipstick, wipe it clean with a cloth, reinsert it fully, and then pull it out again. The world is saturated with data, an ever-expanding ocean of numbers. 55 A well-designed org chart clarifies channels of communication, streamlines decision-making workflows, and is an invaluable tool for onboarding new employees, helping them quickly understand the company's landscape. These templates are the echoes in the walls of history, the foundational layouts that, while no longer visible, continue to direct the flow of traffic, law, and culture in the present day.Fuel Injection Pump 12967151950 for Yanmar Marine Engine 4JH4TE 4JH4HTE
Yanmar 4JH4 HTE PDF Diesel Engine Engines
Manuel YANMAR 3JH44JH4HTE
Yanmar Service Kit 4JH3TE/THE/DTE/ 4JH4TE/HTE
Yanmar Type 4JH4HTE Right Side View Rear View PDF Pump Diesel
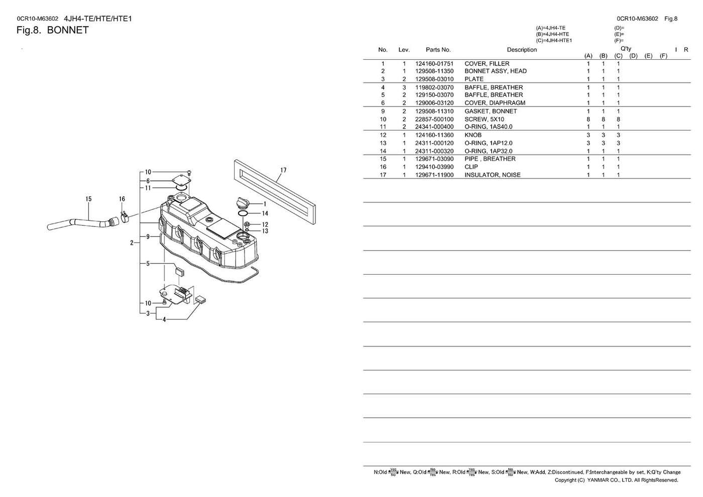
Yanmar 4JH4 family Illustrated part catalog Vmarine
Yanmar 4JH Complete 250 Hour Service Kit Everything Required To
Yanmar 4JH4 family Illustrated part catalog Vmarine
Yanmar 4JH4 Parts Catalog PDF Valve Washer (Hardware)
4JH4TE Yanmar
4JH4TE Yanmar
Yanmar 4JH Complete 250 Hour Service Kit Everything Required To
Buy and download Yanmar 3JH4E 4JH4E 4JH4TE 4JH4HTE Service Manual
Yanmar O'Ring 12967244150 Heat Exchanger 4JH4TE; 4JH4HTE.
Yanmar 4JH4HTE Parts and Exploded Views
Parts for YANMAR 4JH4TE/HTE/HTE1
Parts for YANMAR 4JH4TE/HTE/HTE1
Yanmar 4jh4Hte (Manual) PDF
Yanmar 4JH4 Complete 2000 Hour/BiYearly Service Kit
4JH4TE YANMAR Marine International
Yanmar 4JH4TELR Diesel Engine Technical Sheet MARINE DIESEL BASICS
Fuel Injection Pump 12967151950 for Yanmar Marine Engine 4JH4TE 4JH4HTE
4JH4HTE YANMAR Marine International
4JH4HTE YANMAR Marine International
4JH4TE Yanmar
4JH4HTE YANMAR Marine International
Yanmar Diesel Engine Parts
4JH4TE YANMAR Marine International
Yanmar 4JH4HTE 110 sailing4ever Robin & Iris
Service Kit for Yanmar 4JH4TE, 4JH4HTE, marineparts.eu
Yanmar Diesel Engine 4JHE 4JHTE Parts Manual
4JH4TE Yanmar
4JH4HTE YANMAR Marine International
Yanmar Marine Engine 3jh4e 4jh4e 4jh4te 4jh4hte Service Repair
Related Post:






























