Yamaha F115 Parts Catalog
Yamaha F115 Parts Catalog - This is incredibly empowering, as it allows for a much deeper and more personalized engagement with the data. A designer who only looks at other design work is doomed to create in an echo chamber, endlessly recycling the same tired trends. A personal budget chart provides a clear, visual framework for tracking income and categorizing expenses. 1 Furthermore, prolonged screen time can lead to screen fatigue, eye strain, and a general sense of being drained. Additionally, integrating journaling into existing routines, such as writing before bed or during a lunch break, can make the practice more manageable. The choice of yarn, combined with an extensive range of stitch patterns and techniques, allows knitters to create items that are truly one-of-a-kind. The materials chosen for a piece of packaging contribute to a global waste crisis. They make it easier to have ideas about how an entire system should behave, rather than just how one screen should look. To engage with it, to steal from it, and to build upon it, is to participate in a conversation that spans generations. Finally, it’s crucial to understand that a "design idea" in its initial form is rarely the final solution. 35 A well-designed workout chart should include columns for the name of each exercise, the amount of weight used, the number of repetitions (reps) performed, and the number of sets completed. It can use dark patterns in its interface to trick users into signing up for subscriptions or buying more than they intended. Consumers were no longer just passive recipients of a company's marketing message; they were active participants, co-creating the reputation of a product. A print template is designed for a static, finite medium with a fixed page size. It is the difficult, necessary, and ongoing work of being a conscious and responsible citizen in a world where the true costs are so often, and so deliberately, hidden from view. 61 Another critical professional chart is the flowchart, which is used for business process mapping. He didn't ask what my concepts were. From the intricate patterns of lace shawls to the cozy warmth of a hand-knitted sweater, knitting offers endless possibilities for those who take up the needles. In the academic sphere, the printable chart is an essential instrument for students seeking to manage their time effectively and achieve academic success. Visual Learning and Memory Retention: Your Brain on a ChartOur brains are inherently visual machines. A KPI dashboard is a visual display that consolidates and presents critical metrics and performance indicators, allowing leaders to assess the health of the business against predefined targets in a single view. The oil level should be between the minimum and maximum marks on the dipstick. These genre templates provide a familiar structure that allows the creator to focus on innovating within that framework, playing with the conventions or subverting them to create something fresh. It collapses the boundary between digital design and physical manufacturing. The early days of small, pixelated images gave way to an arms race of visual fidelity. Perhaps the sample is a transcript of a conversation with a voice-based AI assistant. They guide you through the data, step by step, revealing insights along the way, making even complex topics feel accessible and engaging. The Industrial Revolution was producing vast new quantities of data about populations, public health, trade, and weather, and a new generation of thinkers was inventing visual forms to make sense of it all. A budget chart can be designed with columns for fixed expenses, such as rent and insurance, and variable expenses, like groceries and entertainment, allowing for a comprehensive overview of where money is allocated each month. 73 While you generally cannot scale a chart directly in the print settings, you can adjust its size on the worksheet before printing to ensure it fits the page as desired. Understanding how light interacts with objects helps you depict shadows, highlights, and textures accurately. This makes the printable an excellent tool for deep work, study, and deliberate planning. Data visualization was not just a neutral act of presenting facts; it could be a powerful tool for social change, for advocacy, and for telling stories that could literally change the world. They rejected the idea that industrial production was inherently soulless. It offers advice, tips, and encouragement. The bar chart, in its elegant simplicity, is the master of comparison. So whether you're a seasoned artist or a curious beginner, why not pick up a pencil or a pen and explore the beauty of black and white drawing for yourself? Another essential aspect of learning to draw is experimentation and exploration. We have crafted this document to be a helpful companion on your journey to cultivating a vibrant indoor garden. I wish I could explain that ideas aren’t out there in the ether, waiting to be found. They are in here, in us, waiting to be built. We will begin with the procedure for removing the main spindle assembly, a task required for bearing replacement. We see it in the monumental effort of the librarians at the ancient Library of Alexandria, who, under the guidance of Callimachus, created the *Pinakes*, a 120-volume catalog that listed and categorized the hundreds of thousands of scrolls in their collection. Between the pure utility of the industrial catalog and the lifestyle marketing of the consumer catalog lies a fascinating and poetic hybrid: the seed catalog. 66While the fundamental structure of a chart—tracking progress against a standard—is universal, its specific application across these different domains reveals a remarkable adaptability to context-specific psychological needs. 85 A limited and consistent color palette can be used to group related information or to highlight the most important data points, while also being mindful of accessibility for individuals with color blindness by ensuring sufficient contrast. The enduring power of this simple yet profound tool lies in its ability to translate abstract data and complex objectives into a clear, actionable, and visually intuitive format. Users import the PDF planner into an app like GoodNotes. But the price on the page contains much more than just the cost of making the physical object. They wanted to see the details, so zoom functionality became essential. The value chart, in its elegant simplicity, offers a timeless method for doing just that. The visual clarity of this chart allows an organization to see exactly where time and resources are being wasted, enabling them to redesign their processes to maximize the delivery of value. Hinge the screen assembly down into place, ensuring it sits flush within the frame. It remains, at its core, a word of profound potential, signifying the moment an idea is ready to leave its ethereal digital womb and be born into the physical world. To adjust it, push down the lock lever located under the steering column, move the wheel to the desired position, and then pull the lever back up firmly to lock it in place. The universe of the personal printable is perhaps the most vibrant and rapidly growing segment of this digital-to-physical ecosystem. It considers the entire journey a person takes with a product or service, from their first moment of awareness to their ongoing use and even to the point of seeking support. These technologies have the potential to transform how we engage with patterns, making them more interactive and participatory. The simple, accessible, and infinitely reproducible nature of the educational printable makes it a powerful force for equitable education, delivering high-quality learning aids to any child with access to a printer. By writing down specific goals and tracking progress over time, individuals can increase their motivation and accountability. In simple terms, CLT states that our working memory has a very limited capacity for processing new information, and effective instructional design—including the design of a chart—must minimize the extraneous mental effort required to understand it. 4 This significant increase in success is not magic; it is the result of specific cognitive processes that are activated when we physically write. It’s about understanding that your work doesn't exist in isolation but is part of a larger, interconnected ecosystem. But it wasn't long before I realized that design history is not a museum of dead artifacts; it’s a living library of brilliant ideas that are just waiting to be reinterpreted. With this newfound appreciation, I started looking at the world differently. It requires a leap of faith. In a professional context, however, relying on your own taste is like a doctor prescribing medicine based on their favorite color. It starts with low-fidelity sketches on paper, not with pixel-perfect mockups in software. I was being asked to be a factory worker, to pour pre-existing content into a pre-defined mould. It was a tool for education, subtly teaching a generation about Scandinavian design principles: light woods, simple forms, bright colors, and clever solutions for small-space living. The template has become a dynamic, probabilistic framework, a set of potential layouts that are personalized in real-time based on your past behavior. This isn't a license for plagiarism, but a call to understand and engage with your influences. A thin, black band then shows the catastrophic retreat, its width dwindling to almost nothing as it crosses the same path in reverse. As you read, you will find various notes, cautions, and warnings. Your first step is to remove the caliper. The TCS helps prevent wheel spin during acceleration on slippery surfaces, ensuring maximum traction. This is the magic of what designers call pre-attentive attributes—the visual properties that we can process in a fraction of a second, before we even have time to think. By representing a value as the length of a bar, it makes direct visual comparison effortless. 81 A bar chart is excellent for comparing values across different categories, a line chart is ideal for showing trends over time, and a pie chart should be used sparingly, only for representing simple part-to-whole relationships with a few categories.Yamaha F115XB F115 115 hp 1.8L (25" Driveshaft XL)(Gray
Yamaha F115 Wiring Diagram Wiring Diagram
Yamaha engine parts for outboard motor, marineparts.eu
Yamaha Jet Drive 115HP OEM Parts Diagram for Repair Kit F115
Repair kit for 2004 Yamaha F115 U.S.A. sales region, , 10712715691524
Yamaha F115 Parts Diagram and Maintenance Guide
Yamaha Jet Drive 115HP OEM Parts Diagram for Main Housing F115
Yamaha Outboard 2003 OEM Parts Diagram for Lower Casing Drive 1 (F115
Yamaha F115TLRB/TXRB/TJRB/LF115TXRB 2003 STEERING 2 (F115) buy
Yamaha F115/LF115TRY 2000 parts lists and schematics
Yamaha F115/LF115TRY 2000 parts lists and schematics
Lower casing & drive 1 for 2016 Yamaha F115 Europe (060) sales region
Yamaha F115 onderdelen diagram en handleiding
Optional Parts 1 for 2017 Yamaha F115 U.S.A. sales region, , 15325295
Optional Parts 3 for 2017 Yamaha F115 U.S.A. sales region, , 15325297
Yamaha F115/LF115TRY 2000 parts lists and schematics
Yamaha F115/LF115TRY 2000 parts lists and schematics
Electrical 2 for 2008 Yamaha F115 Europe (060) sales region, Dark
Yamaha F115/LF115TRY 2000 parts lists and schematics
Exploring the Yamaha 115 Parts Diagram A Guide to Understanding Your
Yamaha F115 onderdelen diagram en handleiding
Scheduled Service Parts for 2016 Yamaha F115 U.S.A. sales region
5,194 Me gusta, 18 comentarios Industrial Technologies (industrial
2003 Yamaha F115 Parts Diagram and Replacement Guide
Yamaha 4 Stroke Parts
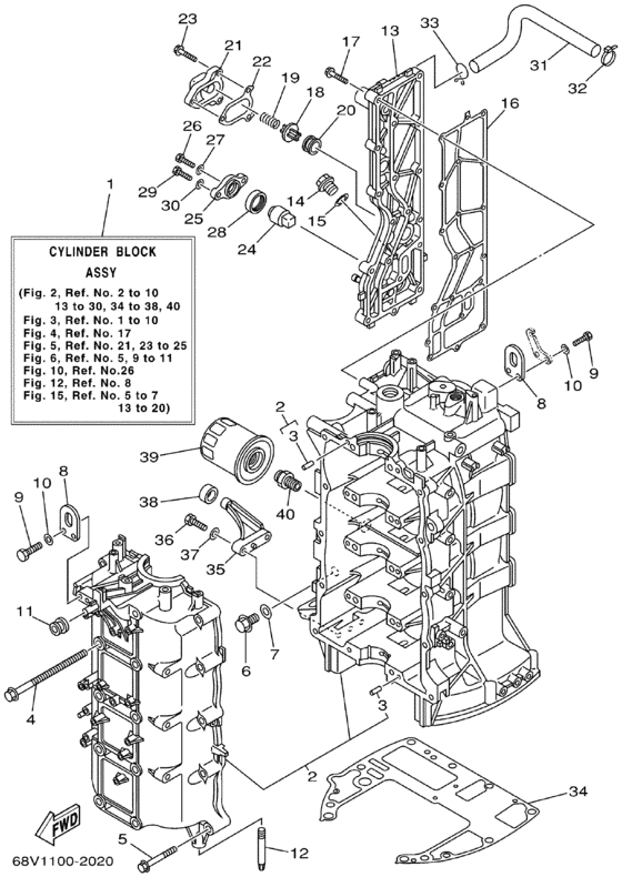
Cylinder crankcase for 2002 Yamaha F115 U.S.A. sales region
Yamaha F115/LF115TRY 2000 parts lists and schematics
Optional parts 1 for 2013 Yamaha F115 Europe (080) sales region, Dark
JLM Marine Boat Parts Limited
Yamaha F115/LF115TRY 2000 parts lists and schematics
Power trim & tilt assy for 2007 Yamaha F115 U.S.A. sales region
2005 Yamaha F115 Parts Diagram and Replacement Guide
YAMAHA F115 OIL CHANGE AND MAINTENANCE KITS
2005 Yamaha F115 Parts Diagram and Replacement Guide
Related Post:


































