Pfc Catalog
Pfc Catalog - The most profound manifestation of this was the rise of the user review and the five-star rating system. The control system is the Titan Control Interface Gen-4, featuring a 15-inch touchscreen display, full network connectivity, and on-board diagnostic capabilities. It creates a quiet, single-tasking environment free from the pings, pop-ups, and temptations of a digital device, allowing for the kind of deep, uninterrupted concentration that is essential for complex problem-solving and meaningful work. An educational chart, such as a multiplication table, an alphabet chart, or a diagram of a frog's life cycle, leverages the principles of visual learning to make complex information more memorable and easier to understand for young learners. For showing how the composition of a whole has changed over time—for example, the market share of different music formats from vinyl to streaming—a standard stacked bar chart can work, but a streamgraph, with its flowing, organic shapes, can often tell the story in a more beautiful and compelling way. It is at this critical juncture that one of the most practical and powerful tools of reason emerges: the comparison chart. Intricate printable box templates allow hobbyists to create custom packaging, and printable stencils are used for everything from cake decorating to wall painting. The professional design process is messy, collaborative, and, most importantly, iterative. This appeal is rooted in our cognitive processes; humans have an innate tendency to seek out patterns and make sense of the world through them. This was a profound lesson for me. Suddenly, graphic designers could sell their work directly to users. Using the steering wheel-mounted controls, you can cycle through various screens on this display to view trip computer information, fuel economy data, audio system status, navigation turn-by-turn directions, and the status of your vehicle's safety systems. In many cultures, crochet techniques and patterns are handed down through generations, often accompanied by stories and memories. It is the silent partner in countless endeavors, a structural framework that provides a starting point, ensures consistency, and dramatically accelerates the journey from idea to execution. 48 This demonstrates the dual power of the chart in education: it is both a tool for managing the process of learning and a direct vehicle for the learning itself. 9 For tasks that require deep focus, behavioral change, and genuine commitment, the perceived inefficiency of a physical chart is precisely what makes it so effective. The true purpose of imagining a cost catalog is not to arrive at a final, perfect number. We have explored its remarkable versatility, seeing how the same fundamental principles of visual organization can bring harmony to a chaotic household, provide a roadmap for personal fitness, clarify complex structures in the professional world, and guide a student toward academic success. Whether you are changing your oil, replacing a serpentine belt, or swapping out a faulty alternator, the same core philosophy holds true. This forced me to think about practical applications I'd never considered, like a tiny favicon in a browser tab or embroidered on a polo shirt. This journey is the core of the printable’s power. The internet is a vast resource filled with forums and videos dedicated to the OmniDrive, created by people just like you who were willing to share their knowledge for free. The template represented everything I thought I was trying to escape: conformity, repetition, and a soulless, cookie-cutter approach to design. At the same time, contemporary designers are pushing the boundaries of knitting, experimenting with new materials, methods, and forms. In the vast lexicon of visual tools designed to aid human understanding, the term "value chart" holds a uniquely abstract and powerful position. "Do not stretch or distort. It has been designed for clarity and ease of use, providing all necessary data at a glance. In an age where digital fatigue is a common affliction, the focused, distraction-free space offered by a physical chart is more valuable than ever. It’s unprofessional and irresponsible. With the device open, the immediate priority is to disconnect the battery. Ultimately, perhaps the richest and most important source of design ideas is the user themselves. But I'm learning that this is often the worst thing you can do. I'm fascinated by the world of unconventional and physical visualizations. The heart of the Aura Smart Planter’s intelligent system lies in its connectivity and the intuitive companion application, which is available for both iOS and Android devices. It proved that the visual representation of numbers was one of the most powerful intellectual technologies ever invented. The modern economy is obsessed with minimizing the time cost of acquisition. A printable chart is an excellent tool for managing these other critical aspects of your health. 47 Furthermore, the motivational principles of a chart can be directly applied to fitness goals through a progress or reward chart. 39 Even complex decision-making can be simplified with a printable chart. It is, perhaps, the most optimistic of all the catalog forms. My own journey with this object has taken me from a state of uncritical dismissal to one of deep and abiding fascination. These criteria are the soul of the chart; their selection is the most critical intellectual act in its construction. The most creative and productive I have ever been was for a project in my second year where the brief was, on the surface, absurdly restrictive. This ensures the new rotor sits perfectly flat, which helps prevent brake pulsation. These fragments are rarely useful in the moment, but they get stored away in the library in my head, waiting for a future project where they might just be the missing piece, the "old thing" that connects with another to create something entirely new. A simple sheet of plastic or metal with shapes cut out of it, a stencil is a template that guides a pen or a paintbrush to create a consistent letter, number, or design. A chart was a container, a vessel into which one poured data, and its form was largely a matter of convention, a task to be completed with a few clicks in a spreadsheet program. History provides the context for our own ideas. This is the single most critical piece of information required to locate the correct document. It can inform hiring practices, shape performance reviews, guide strategic planning, and empower employees to make autonomous decisions that are consistent with the company's desired culture. 61 Another critical professional chart is the flowchart, which is used for business process mapping. The brief was to create an infographic about a social issue, and I treated it like a poster. It is, perhaps, the most optimistic of all the catalog forms. The template has become a dynamic, probabilistic framework, a set of potential layouts that are personalized in real-time based on your past behavior. This was a feature with absolutely no parallel in the print world. There is often very little text—perhaps just the product name and the price. They give you a problem to push against, a puzzle to solve. 20 This small "win" provides a satisfying burst of dopamine, which biochemically reinforces the behavior, making you more likely to complete the next task to experience that rewarding feeling again. Next, adjust the steering wheel. Place the old pad against the piston and slowly tighten the C-clamp to retract the piston until it is flush with the caliper body. An organizational chart, or org chart, provides a graphical representation of a company's internal structure, clearly delineating the chain of command, reporting relationships, and the functional divisions within the enterprise. 25 The strategic power of this chart lies in its ability to create a continuous feedback loop; by visually comparing actual performance to established benchmarks, the chart immediately signals areas that are on track, require attention, or are underperforming. These pre-designed formats and structures cater to a wide range of needs, offering convenience, efficiency, and professional quality across various domains. Even our social media feeds have become a form of catalog. A product with hundreds of positive reviews felt like a safe bet, a community-endorsed choice. Our working memory, the cognitive system responsible for holding and manipulating information for short-term tasks, is notoriously limited. The feedback loop between user and system can be instantaneous. It is a language that crosses cultural and linguistic barriers, a tool that has been instrumental in scientific breakthroughs, social reforms, and historical understanding. This includes toys, tools, and replacement parts. The number is always the first thing you see, and it is designed to be the last thing you remember. This iterative cycle of build-measure-learn is the engine of professional design. When it is necessary to test the machine under power for diagnostic purposes, all safety guards must be securely in place. Once the problem is properly defined, the professional designer’s focus shifts radically outwards, away from themselves and their computer screen, and towards the user. These systems are engineered to support your awareness and decision-making across a range of driving situations. It’s the process of taking that fragile seed and nurturing it, testing it, and iterating on it until it grows into something strong and robust. It sits there on the page, or on the screen, nestled beside a glossy, idealized photograph of an object. " It uses color strategically, not decoratively, perhaps by highlighting a single line or bar in a bright color to draw the eye while de-emphasizing everything else in a neutral gray. An object was made by a single person or a small group, from start to finish. Art, in its purest form, is about self-expression. 64 This is because handwriting is a more complex motor and cognitive task, forcing a slower and more deliberate engagement with the information being recorded.Epcos PFC Catalog 14 Download Free PDF Capacitor Transformer
Brake pads • PFC Brakes Performance Friction
Epcos PFC Catalog 28 PDF Capacitor Components
PFC V3 11.19" x .75" Unbedded Brake Rotors JOES Racing Products
How to Make Tall Modules using our PFC Catalog in 2020 Designs YouTube
PFC Katalog PP PDF Ac Power Force
FSP SFX 400W 40060GHS 80mm Active PFC
PFC Chokes PTR HARTMANN
PFC BRAKES Racing Parts, Catalogs & Products
PFC
2512179 PFC 7751 XL Superlite Brake Pads
PFC
760801021_7642615.PDF Datasheet Download
Liquide de Freins PFC Race RH665 (500 mL) Distributeur Officiel PFC
Give your feedback on the new PEFC RED II standards PEFC Programme
PFC Catalog Introduction Session 3 YouTube
PFC BRAKES Racing Parts, Catalogs & Products
PFC Anodized ZR94 Brake Calipers JOES Racing Products
PFC Performance Friction Brake Pads Lotus Elise, Exige
Liquide de Freins PFC Route RH605 (500 mL) Distributeur Officiel PFC
PFC Katalog PDF PDF Ac Power Capacitor
PFC ZR94 Brake Calipers JOES Racing Products
Product catalog PFC measuring instruments TDK Electronics TDK Europe
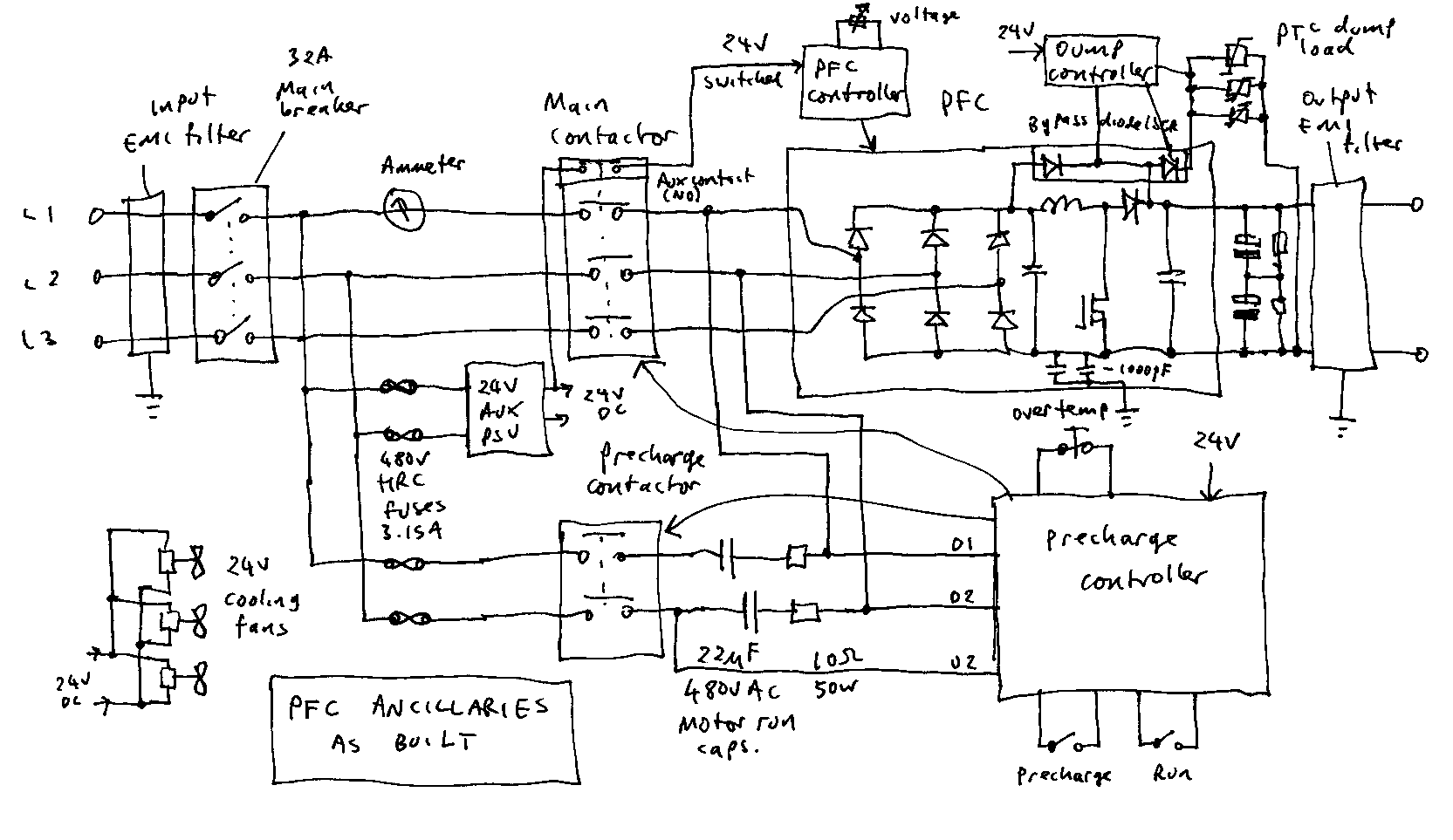
Pfc Circuit Diagram Pdf
Epcos PFC Catalog 63 PDF Capacitor Electrical Equipment
PFC BRAKES Racing Parts, Catalogs & Products
MISUMI South East Asia Industrial Configurable Components Supply
PFC BRAKES Racing Parts, Catalogs & Products
PFC Anodized ZR94 Brake Calipers JOES Racing Products
PFC product catalog Capacitor contactors TDK Electronics TDK Europe
PFC product catalog Capacitor contactors TDK Electronics TDK Europe
PFC BRAKES Racing Parts, Catalogs & Products
PFC
PFC
マインズMiNesマインズ PFCブレーキパッド激安、格安v、最安HIRANO TIREオンラインカタログ
Related Post:






.jpg)

.jpg)


















.jpg)
