Omc Trolling Motor Parts Catalog
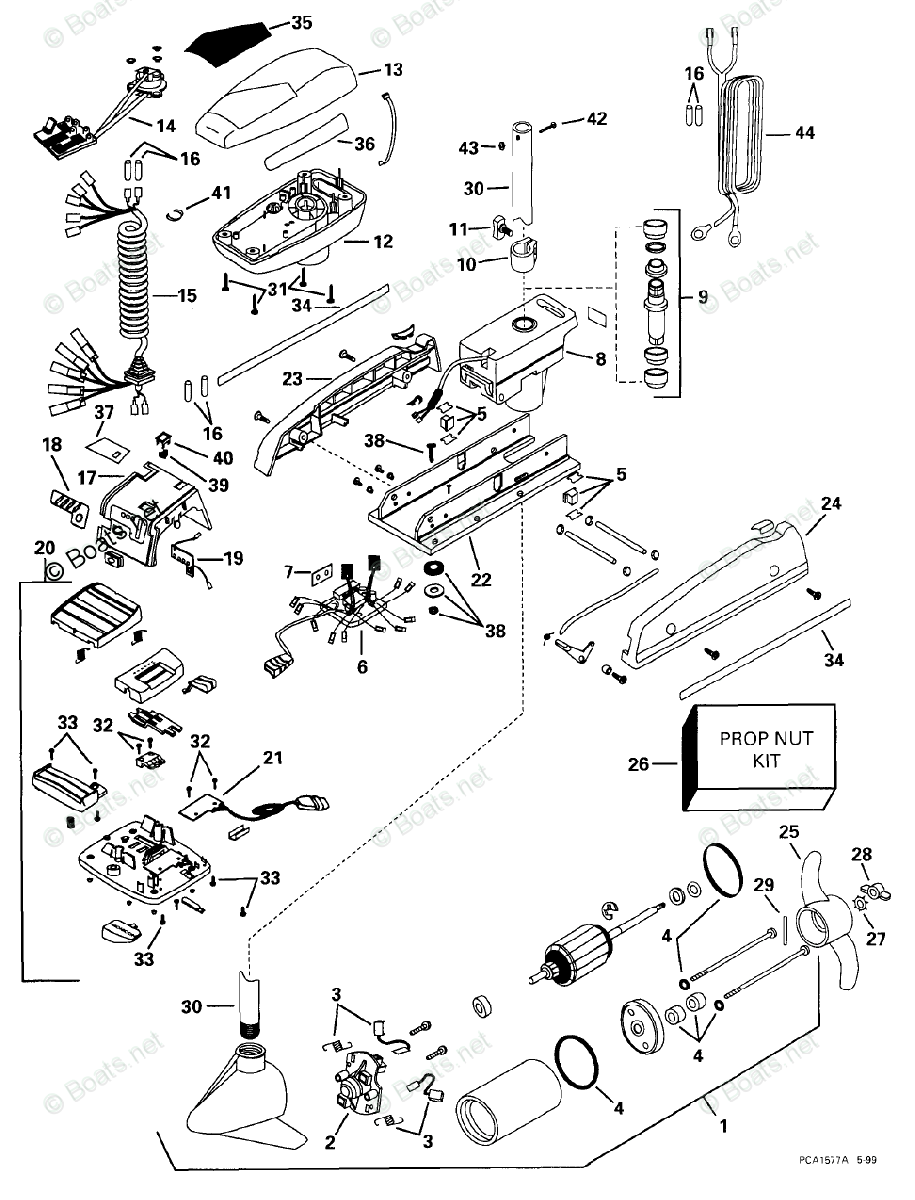
Omc Trolling Motor Parts Catalog - It's a single source of truth that keeps the entire product experience coherent. They are easily opened and printed by almost everyone. We see it in the development of carbon footprint labels on some products, an effort to begin cataloging the environmental cost of an item's production and transport. It allows for immediate creative expression or organization. They are a reminder that the core task is not to make a bar chart or a line chart, but to find the most effective and engaging way to translate data into a form that a human can understand and connect with. A chart was a container, a vessel into which one poured data, and its form was largely a matter of convention, a task to be completed with a few clicks in a spreadsheet program. For more engaging driving, you can activate the manual shift mode by moving the lever to the 'M' position, which allows you to shift through simulated gears using the paddle shifters mounted behind the steering wheel. Comparing cars on the basis of their top speed might be relevant for a sports car enthusiast but largely irrelevant for a city-dweller choosing a family vehicle, for whom safety ratings and fuel efficiency would be far more important. A chart is a form of visual argumentation, and as such, it carries a responsibility to represent data with accuracy and honesty. This realization led me to see that the concept of the template is far older than the digital files I was working with. The intricate designs were not only visually stunning but also embodied philosophical and spiritual ideas about the nature of the universe. It’s a simple trick, but it’s a deliberate lie. The catalog becomes a fluid, contextual, and multi-sensory service, a layer of information and possibility that is seamlessly integrated into our lives. It contains comprehensive information on everything from basic controls to the sophisticated Toyota Safety Sense systems. The rise of voice assistants like Alexa and Google Assistant presents a fascinating design challenge. Inevitably, we drop pieces of information, our biases take over, and we default to simpler, less rational heuristics. This is a messy, iterative process of discovery. It is a mirror reflecting our values, our priorities, and our aspirations. A more expensive coat was a warmer coat. Types of Online Templates For those who create printable images, protecting their work is equally important. Dividers and tabs can be created with printable templates too. The legendary Sears, Roebuck & Co. How does a person move through a physical space? How does light and shadow make them feel? These same questions can be applied to designing a website. This cross-pollination of ideas is not limited to the history of design itself. It tells you about the history of the seed, where it came from, who has been growing it for generations. A comprehensive student planner chart can integrate not only study times but also assignment due dates, exam schedules, and extracurricular activities, acting as a central command center for a student's entire academic life. This increases the regenerative braking effect, which helps to control your speed and simultaneously recharges the hybrid battery. The fuel tank has a capacity of 55 liters, and the vehicle is designed to run on unleaded gasoline with an octane rating of 87 or higher. What are the materials? How are the legs joined to the seat? What does the curve of the backrest say about its intended user? Is it designed for long, leisurely sitting, or for a quick, temporary rest? It’s looking at a ticket stub and analyzing the information hierarchy. It is a mindset that we must build for ourselves. The price of a piece of furniture made from rare tropical hardwood does not include the cost of a degraded rainforest ecosystem, the loss of biodiversity, or the displacement of indigenous communities. Alongside this broad consumption of culture is the practice of active observation, which is something entirely different from just looking. It might be a weekly planner tacked to a refrigerator, a fitness log tucked into a gym bag, or a project timeline spread across a conference room table. Its order is fixed by an editor, its contents are frozen in time by the printing press. Each sample, when examined with care, acts as a core sample drilled from the bedrock of its time. A click leads to a blog post or a dedicated landing page where the creator often shares the story behind their creation or offers tips on how to best use it. A chart idea wasn't just about the chart type; it was about the entire communicative package—the title, the annotations, the colors, the surrounding text—all working in harmony to tell a clear and compelling story. It is a document that can never be fully written. 8 This significant increase is attributable to two key mechanisms: external storage and encoding. But how, he asked, do we come up with the hypotheses in the first place? His answer was to use graphical methods not to present final results, but to explore the data, to play with it, to let it reveal its secrets. Parents can design a beautiful nursery on a modest budget. Beyond a simple study schedule, a comprehensive printable student planner chart can act as a command center for a student's entire life. This free manual is written with the home mechanic in mind, so we will focus on tools that provide the best value and versatility. This number, the price, is the anchor of the entire experience. It allows you to see both the whole and the parts at the same time. Similarly, a sunburst diagram, which uses a radial layout, can tell a similar story in a different and often more engaging way. Beauty, clarity, and delight are powerful tools that can make a solution more effective and more human. The catalog ceases to be an object we look at, and becomes a lens through which we see the world. Understanding the Basics In everyday life, printable images serve numerous practical and decorative purposes. It is a mental exercise so ingrained in our nature that we often perform it subconsciously. The safety of you and your passengers is of primary importance. This manual presumes a foundational knowledge of industrial machinery, electrical systems, and precision machining principles on the part of the technician. A soft, rubberized grip on a power tool communicates safety and control. It ensures absolute consistency in the user interface, drastically speeds up the design and development process, and creates a shared language between designers and engineers. It is a conversation between the past and the future, drawing on a rich history of ideas and methods to confront the challenges of tomorrow. No idea is too wild. Her work led to major reforms in military and public health, demonstrating that a well-designed chart could be a more powerful weapon for change than a sword. Professionalism means replacing "I like it" with "I chose it because. This isn't a license for plagiarism, but a call to understand and engage with your influences. It was four different festivals, not one. These are the subjects of our inquiry—the candidates, the products, the strategies, the theories. In a CMS, the actual content of the website—the text of an article, the product description, the price, the image files—is not stored in the visual layout. The center of the dashboard houses the NissanConnect infotainment system with a large, responsive touchscreen. This has empowered a new generation of creators and has blurred the lines between professional and amateur. There are no shipping logistics to handle. It is a piece of furniture in our mental landscape, a seemingly simple and unassuming tool for presenting numbers. The first transformation occurs when the user clicks "Print," converting this ethereal data into a physical object. 89 Designers must actively avoid deceptive practices like manipulating the Y-axis scale by not starting it at zero, which can exaggerate differences, or using 3D effects that distort perspective and make values difficult to compare accurately. Because this is a hybrid vehicle, you also have an inverter coolant reservoir in addition to the engine coolant reservoir. But the revelation came when I realized that designing the logo was only about twenty percent of the work. It’s asking our brains to do something we are evolutionarily bad at. Charting Your Inner World: The Feelings and Mental Wellness ChartPerhaps the most nuanced and powerful application of the printable chart is in the realm of emotional intelligence and mental wellness. Drawing is a fundamental form of expression and creativity, serving as the foundation for many other art forms. In an era dominated by digital tools, the question of the relevance of a physical, printable chart is a valid one. The seatback should be adjusted to a comfortable, upright position that supports your back fully. In music, the 12-bar blues progression is one of the most famous and enduring templates in history. Moreover, visual journaling, which combines writing with drawing, collage, and other forms of visual art, can further enhance creativity. Furthermore, learning to draw is not just about mastering technical skills; it's also about cultivating creativity and imagination.OMC Trolling Motor 12 Volt OEM Parts Diagram for INTRUDER 44 FP
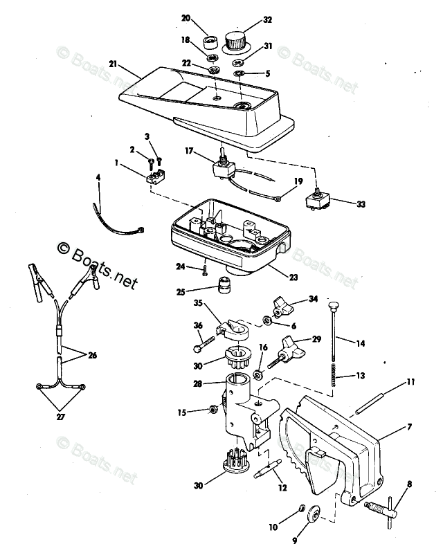
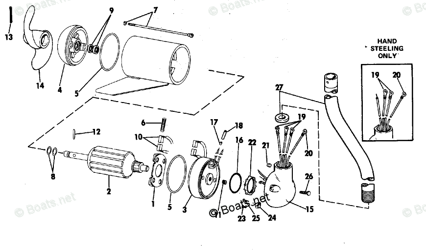
OMC Trolling Motor 24 Volt OEM Parts Diagram for Steering Housing Group
OMC Trolling Motor 24 Volt OEM Parts Diagram for BFL2PD
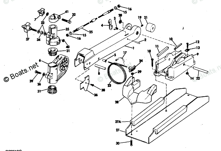
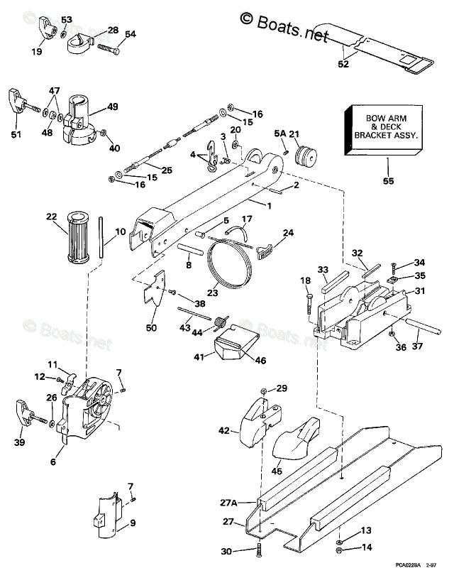
OMC Trolling Motor 24 Volt OEM Parts Diagram for Bow Arm And Deck
NOS 438987 OMC Evinrude Johnson Electric Trolling Outboard Parts
NOS 438986 OMC Evinrude Johnson Electric Trolling Outboard Parts
OMC Trolling Motor 24 Volt OEM Parts Diagram for SCOUT 30 H
OMC Trolling Motor 12 Volt OEM Parts Diagram for Steering Housing Group
1993 OMC JOHNSON EVINRUDE ELECTRIC OUTBOARD TROLLING MOTOR PARTS
OMC Trolling Motor 24 Volt OEM Parts Diagram for INTRUDER 74 FP
OMC Trolling Motor 24 Volt OEM Parts Diagram for BFL4TM 42 IN
OMC Trolling Motor 24 Volt OEM Parts Diagram for SEAQUEST 74HP
NOS 438987 OMC Evinrude Johnson Electric Trolling Outboard Parts
OMC Trolling Motor 24 Volt OEM Parts Diagram for Pedal Group
OMC Trolling Motor 24 Volt OEM Parts Diagram for Bow Arm & Deck Bracket
1964 OMC Evinrude Outboard Motor Parts List Catalog Accessories Green
OMC Trolling Motor 12 Volt OEM Parts Diagram for Bow Arm & Deck Bracket
OMC Trolling Motor 24 Volt OEM Parts Diagram for Bow Arm And Deck
OMC Trolling Motor 12 Volt OEM Parts Diagram for Steering Housing Group
OMC Trolling Motor 12 Volt OEM Parts Diagram for Bow Arm And Deck
1992 OMC JOHNSON EVINRUDE ELECTRIC OUTBOARD TROLLING MOTOR PARTS
OMC Trolling Motor 12 Volt OEM Parts Diagram for INTRUDER 54HP
OMC Parts Catalog Evinrude Johnson 20HP 1984 Download or Purchase
OMC Trolling Motor 24 Volt OEM Parts Diagram for Transom Mount Model
OMC Trolling Motor 24 Volt OEM Parts Diagram for Steering Housing Group
OMC Trolling Motor 12 Volt OEM Parts Diagram for Steering Housing Group
438982 OMC Evinrude Johnson Electric Trolling Outboard Parts Catalog
OMC Trolling Motor 12 Volt OEM Parts Diagram for Motor And Adaptor
OMC Trolling Motor 24 Volt OEM Parts Diagram for EFC 54 F
NOS 438986 OMC Evinrude Johnson Electric Trolling Outboard Parts
OMC Parts Catalog Evinrude Johnson 20HP 1986 Download or Purchase
NOS 438987 OMC Evinrude Johnson Electric Trolling Outboard Parts
OMC Trolling Motor Parts 24 Volt OEM Parts Diagram for Steering Housing
OMC Trolling Motor 12 Volt OEM Parts Diagram for Motor Group
Related Post:


































