Om 906 La Parts Catalog
Om 906 La Parts Catalog - 58 A key feature of this chart is its ability to show dependencies—that is, which tasks must be completed before others can begin. The implications of this technology are staggering. It’s crucial to read and understand these licenses to ensure compliance. There they are, the action figures, the video game consoles with their chunky grey plastic, the elaborate plastic playsets, all frozen in time, presented not as mere products but as promises of future joy. Even something as simple as a urine color chart can serve as a quick, visual guide for assessing hydration levels. It’s the understanding that the power to shape perception and influence behavior is a serious responsibility, and it must be wielded with care, conscience, and a deep sense of humility. For cleaning, a bottle of 99% isopropyl alcohol and lint-free cloths or swabs are recommended. For times when you're truly stuck, there are more formulaic approaches, like the SCAMPER method. " We see the Klippan sofa not in a void, but in a cozy living room, complete with a rug, a coffee table, bookshelves filled with books, and even a half-empty coffee cup left artfully on a coaster. A Sankey diagram is a type of flow diagram where the width of the arrows is proportional to the flow quantity. It considers the entire journey a person takes with a product or service, from their first moment of awareness to their ongoing use and even to the point of seeking support. Ensure your seat belt is properly fastened, with the lap belt snug and low across your hips and the shoulder belt crossing your chest. These entries can be specific, such as a kind gesture from a friend, or general, such as the beauty of nature. This inclusivity has helped to break down stereotypes and challenge the perception of knitting as an exclusively female or elderly pastime. Create a Dedicated Space: Set up a comfortable, well-lit space for drawing. It was also in this era that the chart proved itself to be a powerful tool for social reform. A study chart addresses this by breaking the intimidating goal into a series of concrete, manageable daily tasks, thereby reducing anxiety and fostering a sense of control. It can create a false sense of urgency with messages like "Only 2 left in stock!" or "15 other people are looking at this item right now!" The personalized catalog is not a neutral servant; it is an active and sophisticated agent of persuasion, armed with an intimate knowledge of your personal psychology. 23 This visual evidence of progress enhances commitment and focus. These bolts are high-torque and will require a calibrated torque multiplier for removal. Then came typography, which I quickly learned is the subtle but powerful workhorse of brand identity. You will feel the pedal go down quite far at first and then become firm. It allows for easy organization and searchability of entries, enabling individuals to quickly locate past reflections and track their progress over time. We can now create dashboards and tools that allow the user to become their own analyst. This journey from the physical to the algorithmic forces us to consider the template in a more philosophical light. It’s about understanding that a chart doesn't speak for itself. The initial spark, that exciting little "what if," is just a seed. A conversion chart is not merely a table of numbers; it is a work of translation, a diplomatic bridge between worlds that have chosen to quantify reality in different ways. So, we are left to live with the price, the simple number in the familiar catalog. These include controls for the audio system, cruise control, and the hands-free telephone system. It makes the user feel empowered and efficient. The arrangement of elements on a page creates a visual hierarchy, guiding the reader’s eye from the most important information to the least. Focusing on positive aspects of life, even during difficult times, can shift one’s perspective and foster a greater sense of contentment. The static PDF manual, while still useful, has been largely superseded by the concept of the living "design system. I'm fascinated by the world of unconventional and physical visualizations. At the same time, augmented reality is continuing to mature, promising a future where the catalog is not something we look at on a device, but something we see integrated into the world around us. The goal isn't just to make things pretty; it's to make things work better, to make them clearer, easier, and more meaningful for people. 8 to 4. The freedom from having to worry about the basics allows for the freedom to innovate where it truly matters. This redefinition of the printable democratizes not just information, but the very act of creation and manufacturing. More advanced versions of this chart allow you to identify and monitor not just your actions, but also your inherent strengths and potential caution areas or weaknesses. 1 Furthermore, studies have shown that the brain processes visual information at a rate up to 60,000 times faster than text, and that the use of visual tools can improve learning by an astounding 400 percent. A comprehensive student planner chart can integrate not only study times but also assignment due dates, exam schedules, and extracurricular activities, acting as a central command center for a student's entire academic life. 39 By writing down everything you eat, you develop a heightened awareness of your habits, making it easier to track calories, monitor macronutrients, and identify areas for improvement. This was a recipe for paralysis. The work of creating a design manual is the quiet, behind-the-scenes work that makes all the other, more visible design work possible. The price we pay is not monetary; it is personal. The catalog's demand for our attention is a hidden tax on our mental peace. The catalog is no longer a static map of a store's inventory; it has become a dynamic, intelligent, and deeply personal mirror, reflecting your own past behavior back at you. The online catalog is the current apotheosis of this quest. In these instances, the aesthetic qualities—the form—are not decorative additions. The vehicle is powered by a 2. Remove the chuck and any tooling from the turret that may obstruct access. It is a digital fossil, a snapshot of a medium in its awkward infancy. You could filter all the tools to show only those made by a specific brand. The principles they established for print layout in the 1950s are the direct ancestors of the responsive grid systems we use to design websites today. It is a digital fossil, a snapshot of a medium in its awkward infancy. The process for changing a tire is detailed with illustrations in a subsequent chapter, and you must follow it precisely to ensure your safety. Research conducted by Dr. To mitigate these issues, individuals can establish dedicated journaling times and use apps with robust security features. Our professor framed it not as a list of "don'ts," but as the creation of a brand's "voice and DNA. Remove the chuck and any tooling from the turret that may obstruct access. If your vehicle's 12-volt battery is discharged, you will not be able to start the engine. The integrity of the chart hinges entirely on the selection and presentation of the criteria. While the "free" label comes with its own set of implicit costs and considerations, the overwhelming value it provides to millions of people every day is undeniable. The procedures outlined within these pages are designed to facilitate the diagnosis, disassembly, and repair of the ChronoMark unit. In the vast digital expanse that defines our modern era, the concept of the "printable" stands as a crucial and enduring bridge between the intangible world of data and the solid, tactile reality of our physical lives. It collapses the boundary between digital design and physical manufacturing. The most profound manifestation of this was the rise of the user review and the five-star rating system. It is a discipline that demands clarity of thought, integrity of purpose, and a deep empathy for the audience. It transforms abstract goals, complex data, and long lists of tasks into a clear, digestible visual format that our brains can quickly comprehend and retain. This wasn't a matter of just picking my favorite fonts from a dropdown menu. It is a catalogue of the common ways that charts can be manipulated. But I now understand that they are the outcome of a well-executed process, not the starting point. The main real estate is taken up by rows of products under headings like "Inspired by your browsing history," "Recommendations for you in Home & Kitchen," and "Customers who viewed this item also viewed. A headline might be twice as long as the template allows for, a crucial photograph might be vertically oriented when the placeholder is horizontal. The currently selected gear is always displayed in the instrument cluster. The digital tool is simply executing an algorithm based on the same fixed mathematical constants—that there are exactly 2. As individuals gain confidence using a chart for simple organizational tasks, they often discover that the same principles can be applied to more complex and introspective goals, making the printable chart a scalable tool for self-mastery. They see the project through to completion, ensuring that the final, implemented product is a faithful and high-quality execution of the design vision.MercedesBenz OM 906 LA / OM906LA LKW Motor Engine truck part TrucksNL
MB / OM 906 Mercedes Benz Engine Rebuild Kits & Parts HDKits
Engines Mercedes OM906LA OM926LA KrutilVertel
BASE FILTRO ACEITE MERCEDES BENZ OM906 SUDIPARTS
OM 906 LA[1]
MercedesBenz OM 906 LA / OM906LA LKW Motor Engine truck part TrucksNL
Mercedes Benz OM 906 LA Engine truck part
Engine specifications for Mercedes OM906LA, characteristics, oil
MERCEDES ATEGO OM 906 LA EU3 Gergolas Truck Service & Spare Parts
MercedesBenz OM906LA / OM 906 LA Motor Engines truck parts TrucksNL
MERCEDES ATEGO OM 906 LA EU3 Gergolas Truck Service & Spare Parts
MERCEDES ATEGO OM 906 LA EU3 Gergolas Truck Service & Spare Parts
BELT V2040MM OM906LA DC221528
MercedesBenz Motor OM 906 LA II engine and parts for sale, 6474658
MercedesBenz Motor OM 906 LA II Engine truck part TrucksNL
Mercedes Engine OM 906 LA.E3A/1 AC 401 / div. Superstructure
Used Mercedes OM906LA Fan Clutch/Hub for sale Hialeah Florida United
Ремень поликлиновой Mercedes OM 906 LA OM 926 LA 8PK1980HD DAYCO купить
MERCEDES ATEGO OM 906 LA EU3 Gergolas Truck Service & Spare Parts
MercedesBenz PLD unit OM 906 LA Electronics truck part TrucksNL
MercedesBenz Motor OM 906 LA II/1 Engine truck part TrucksNL
MercedesBenz Motor OM 906 LA II Engine truck part TrucksNL
Water Pump [Dual Thermostat] OM 906 / 924 / 926 LA
MercedesBenz OM 906 LA Engine truck part TrucksNL
MercedesBenz OM 906 LA / OM906LA LKW Motor Engine truck part TrucksNL
Mercedes Benz OM906LA Engine Service Repair Manual .pdf
MercedesBenz OM 906 LA / OM906LA LKW Motor Engine truck part TrucksNL
CYLINDER HEAD COVER MERCEDES OM 906 LA&(906980)
MercedesBenz OM 906 LA / OM906LA LKW Motor Engine truck part TrucksNL
MercedesBenz OM 906 LA / OM906LA LKW Motor Engine truck part TrucksNL
Mercedes Benz OM906LA Diesel Engine Service Manual .pdf
Mercedes Benz OM906LA Diesel Engine Service Manual .pdf
Mercedes Benz Om906La / Om926La MDJC MANUALES DE TALLER
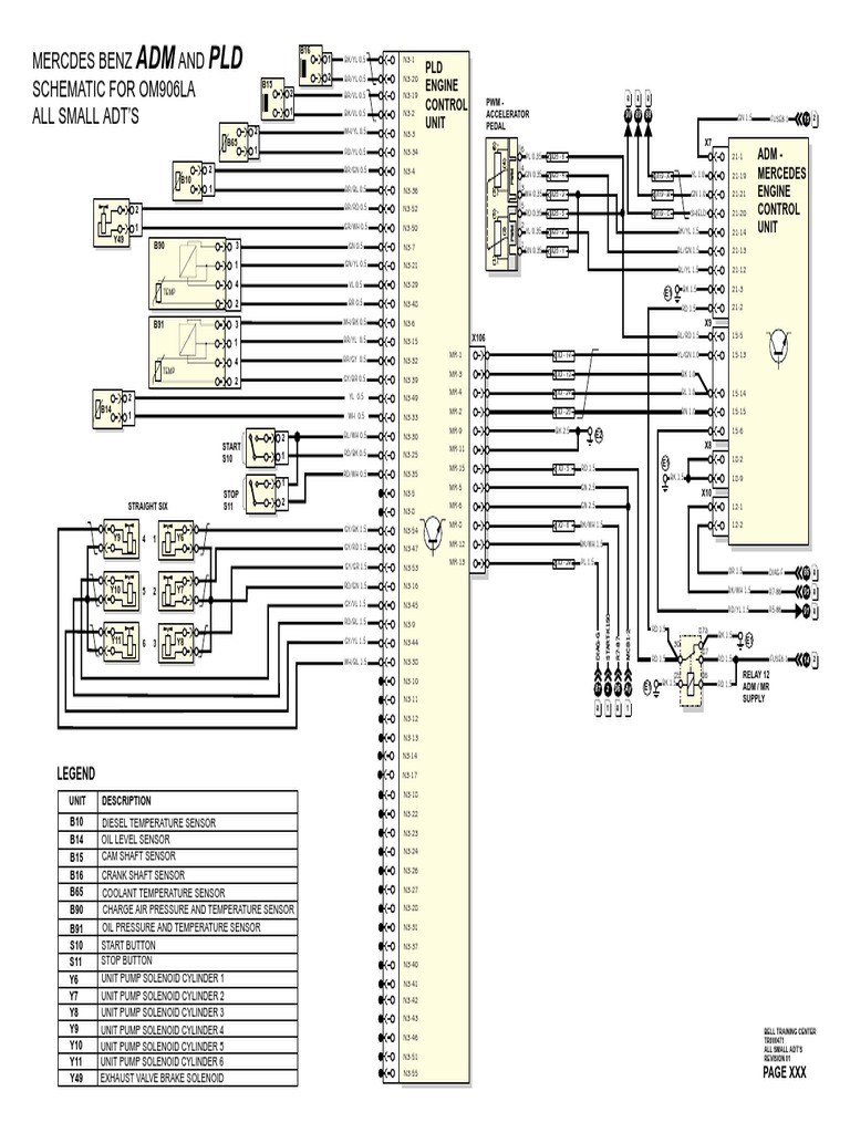
ADM PLD Mercdes Benz AND Schematic For Om906La All Small Adt'S PDF
Engine specifications for Mercedes OM906LA, characteristics, oil
Related Post:





















![Water Pump [Dual Thermostat] OM 906 / 924 / 926 LA](https://www.shop.memoparts.com/img/product/MB9062006301_1-Z.jpg)










