Large Pump Specifications Weight Rpm Catalog
Large Pump Specifications Weight Rpm Catalog - Online marketplaces and blogs are replete with meticulously designed digital files that users can purchase for a small fee, or often acquire for free, to print at home. This dual encoding creates a more robust and redundant memory trace, making the information far more resilient to forgetting compared to text alone. The legendary presentations of Hans Rosling, using his Gapminder software, are a masterclass in this. There is often very little text—perhaps just the product name and the price. This engine is paired with a continuously variable transmission (CVT) that drives the front wheels. Learning to embrace, analyze, and even find joy in the constraints of a brief is a huge marker of professional maturity. 54 Many student planner charts also include sections for monthly goal-setting and reflection, encouraging students to develop accountability and long-term planning skills. Similarly, a nutrition chart or a daily food log can foster mindful eating habits and help individuals track caloric intake or macronutrients. This meticulous process was a lesson in the technical realities of design. A weekly meal planning chart not only helps with nutritional goals but also simplifies grocery shopping and reduces the stress of last-minute meal decisions. The persuasive, almost narrative copy was needed to overcome the natural skepticism of sending hard-earned money to a faceless company in a distant city. The catalog, in this naive view, was a simple ledger of these values, a transparent menu from which one could choose, with the price acting as a reliable guide to the quality and desirability of the goods on offer. Common unethical practices include manipulating the scale of an axis (such as starting a vertical axis at a value other than zero) to exaggerate differences, cherry-picking data points to support a desired narrative, or using inappropriate chart types that obscure the true meaning of the data. 14 Furthermore, a printable progress chart capitalizes on the "Endowed Progress Effect," a psychological phenomenon where individuals are more motivated to complete a goal if they perceive that some progress has already been made. The animation transformed a complex dataset into a breathtaking and emotional story of global development. BLIS uses radar sensors to monitor your blind spots and will illuminate an indicator light in the corresponding side mirror if it detects a vehicle in that zone. Patterns also offer a sense of predictability and familiarity. It was a world of comforting simplicity, where value was a number you could read, and cost was the amount of money you had to pay. Measured in dots per inch (DPI), resolution dictates the detail an image will have when printed. Nonprofit organizations and community groups leverage templates to streamline their operations and outreach efforts. I had been trying to create something from nothing, expecting my mind to be a generator when it's actually a synthesizer. The design of a social media platform can influence political discourse, shape social norms, and impact the mental health of millions. Check that the lights, including headlights, taillights, and turn signals, are clean and operational. They feature editorial sections, gift guides curated by real people, and blog posts that tell the stories behind the products. The choice of materials in a consumer product can contribute to deforestation, pollution, and climate change. The printable is a tool of empowerment, democratizing access to information, design, and even manufacturing. We also explored the significant advantages of using the digital manual, highlighting powerful features like text search and the clickable table of contents that make finding information easier and faster than ever before. The template is not the opposite of creativity; it is the necessary scaffolding that makes creativity scalable and sustainable. The t-shirt design looked like it belonged to a heavy metal band. A well-placed family chore chart can eliminate ambiguity and arguments over who is supposed to do what, providing a clear, visual reference for everyone. I embrace them. Think before you act, work slowly and deliberately, and if you ever feel unsure or unsafe, stop what you are doing. The online catalog, powered by data and algorithms, has become a one-to-one medium. The very act of choosing to make a file printable is an act of assigning it importance, of elevating it from the ephemeral digital stream into a singular, physical artifact. This meant that every element in the document would conform to the same visual rules. It gave me ideas about incorporating texture, asymmetry, and a sense of humanity into my work. From the intricate patterns of lace shawls to the cozy warmth of a hand-knitted sweater, knitting offers endless possibilities for those who take up the needles. This sample is about exclusivity, about taste-making, and about the complete blurring of the lines between commerce and content. This concept extends far beyond the designer’s screen and into the very earth beneath our feet. In its essence, a chart is a translation, converting the abstract language of numbers into the intuitive, visceral language of vision. It feels personal. A truly honest cost catalog would have to find a way to represent this. But this infinite expansion has come at a cost. It's the architecture that supports the beautiful interior design. A digital chart displayed on a screen effectively leverages the Picture Superiority Effect; we see the data organized visually and remember it better than a simple text file. Any good physical template is a guide for the hand. Learning to embrace, analyze, and even find joy in the constraints of a brief is a huge marker of professional maturity. The user’s task is reduced from one of complex design to one of simple data entry. Maintaining the cleanliness and functionality of your Aura Smart Planter is essential for its longevity and the health of your plants. It's the moment when the relaxed, diffuse state of your brain allows a new connection to bubble up to the surface. Pattern images also play a significant role in scientific research and data visualization. It is a story of a hundred different costs, all bundled together and presented as a single, unified price. The beauty of drawing lies in its simplicity and accessibility. With this newfound appreciation, I started looking at the world differently. The chart is essentially a pre-processor for our brain, organizing information in a way that our visual system can digest efficiently. As mentioned, many of the most professionally designed printables require an email address for access. Place the old pad against the piston and slowly tighten the C-clamp to retract the piston until it is flush with the caliper body. 46 By mapping out meals for the week, one can create a targeted grocery list, ensure a balanced intake of nutrients, and eliminate the daily stress of deciding what to cook. I had decorated the data, not communicated it. It requires a commitment to intellectual honesty, a promise to represent the data in a way that is faithful to its underlying patterns, not in a way that serves a pre-determined agenda. Instagram, with its shopping tags and influencer-driven culture, has transformed the social feed into an endless, shoppable catalog of lifestyles. The social media graphics were a riot of neon colors and bubbly illustrations. The earliest known examples of knitting were not created with the two-needle technique familiar to modern knitters, but rather with a technique known as nalbinding, which uses a single needle and predates knitting by thousands of years. Assuming everything feels good, you have successfully completed a major repair, saved a significant amount of money, and gained invaluable experience and confidence in your ability to maintain your own vehicle. 8 seconds. An experiment involving monkeys and raisins showed that an unexpected reward—getting two raisins instead of the expected one—caused a much larger dopamine spike than a predictable reward. This has empowered a new generation of creators and has blurred the lines between professional and amateur. These stitches can be combined in countless ways to create different textures, patterns, and shapes. Today, the spirit of these classic print manuals is more alive than ever, but it has evolved to meet the demands of the digital age. This shift from a static artifact to a dynamic interface was the moment the online catalog stopped being a ghost and started becoming a new and powerful entity in its own right. The bulk of the design work is not in having the idea, but in developing it. We just divided up the deliverables: one person on the poster, one on the website mockup, one on social media assets, and one on merchandise. By representing quantities as the length of bars, it allows for instant judgment of which category is larger, smaller, or by how much. And a violin plot can go even further, showing the full probability density of the data. Instead, there are vast, dense tables of technical specifications: material, thread count, tensile strength, temperature tolerance, part numbers. For each and every color, I couldn't just provide a visual swatch. Schools and community programs are introducing crochet to young people, ensuring that the craft continues to thrive in the hands of future generations. The true power of any chart, however, is only unlocked through consistent use.ITT Goulds Pumps is a leading manufacturer of pumps for a wide range of
CATALOG For Fire Pumps 50hz PDF Propulsion Manufactured Goods
Pump Catalog by Darley Issuu
Pump calculations The Engineering Mindset
Horizontal Centrifugal Pump HAOSH Pump
Highefficiency Submersible Pump BF Series Grampus Pump
SP9003 Gol pumps 6″ Submersible Well SS316, 5HP, 3PH, 230V, 4″ Motor
Pedrollo CPm158 Electric Centrifugal Water Pump
B&G Series e1531 5A Pump & Motor 3HP 1750RPM 3PH TEFC
Electric Motor Frame Sizes Chart
P8MetalSpecSheet WILDEN PUMPS PDF Metals Civil Engineering
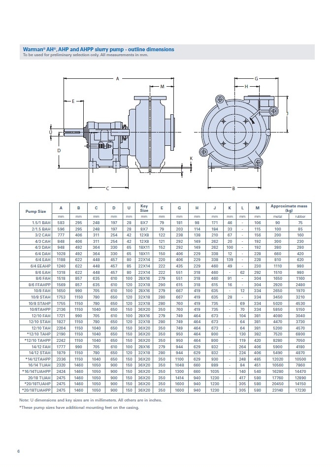
Warman 12in x 10in AH Slurry Pump
200 Series Pump The Lee Co
CATALOG INLINE PUMP
Centrifugal pump
3HP Centrifugal Water Pump High Flow & Reliable Performance
Horizontal Singlestage Centrifugal Pump 10020 2900 rpm DR Pumps
Electric Motor Horsepower Frame Size Chart
Most Trusted Centrifugal Pump Manufacturer in ChinaNEWater
B&G Series e1531 5A Pump & Motor 40HP 3550RPM 3PH TEFC
CentrifugalPumpBrochure.pdf
RVP 20 Pump Specifications Sheet PDF Pump Mechanical Engineering
AMT 489AX5 High Pressure Cast Iron Centrifugal Pump
Pump Curve Explained Read, Use, and with Expert Tips
Pumps Fish Farms & Aquaculture Air Water Fish
Weight Of Motors By Frame Size
Pump Catalog
Peerless Pump Detroit Pump & Mfg. Co. Agricultural, Commercial, Fire
Understanding Centrifugal Pump Curves Part 3 Motor Selection
Pump curves Grundfos
API Pump Specification Sheets LobePro
Pump Catalog
P76 Hydraulic Pump and Motor Specification Hydrostatic Transmission
Pump Calculations, Flow Rate, RPM, Head Pressure, & Impeller Diameter
Related Post:






























