Landini Parts Catalog
Landini Parts Catalog - A simple search on a platform like Pinterest or a targeted blog search unleashes a visual cascade of options. The genius lies in how the properties of these marks—their position, their length, their size, their colour, their shape—are systematically mapped to the values in the dataset. If the engine does not crank at all, try turning on the headlights. A vast majority of people, estimated to be around 65 percent, are visual learners who process and understand concepts more effectively when they are presented in a visual format. The goal is to create a guided experience, to take the viewer by the hand and walk them through the data, ensuring they see the same insight that the designer discovered. The chart was born as a tool of economic and political argument. The ancient Egyptians used the cubit, the length of a forearm, while the Romans paced out miles with their marching legions. It was a thick, spiral-bound book that I was immensely proud of. There was the bar chart, the line chart, and the pie chart. And that is an idea worth dedicating a career to. Nonprofit organizations and community groups leverage templates to streamline their operations and outreach efforts. Before proceeding to a full disassembly, a thorough troubleshooting process should be completed to isolate the problem. A study schedule chart is a powerful tool for organizing a student's workload, taming deadlines, and reducing the anxiety associated with academic pressures. A template immediately vanquishes this barrier. We looked at the New York City Transit Authority manual by Massimo Vignelli, a document that brought order to the chaotic complexity of the subway system through a simple, powerful visual language. This was more than just a stylistic shift; it was a philosophical one. The most powerful ideas are not invented; they are discovered. 26 A weekly family schedule chart can coordinate appointments, extracurricular activities, and social events, ensuring everyone is on the same page. This preservation not only honors the past but also inspires future generations to continue the craft, ensuring that the rich tapestry of crochet remains vibrant and diverse. The earliest known examples of knitting were not created with the two-needle technique familiar to modern knitters, but rather with a technique known as nalbinding, which uses a single needle and predates knitting by thousands of years. The brief was to create an infographic about a social issue, and I treated it like a poster. They wanted to see the details, so zoom functionality became essential. Amidst a sophisticated suite of digital productivity tools, a fundamentally analog instrument has not only persisted but has demonstrated renewed relevance: the printable chart. The work would be a pure, unadulterated expression of my unique creative vision. By providing a tangible record of your efforts and progress, a health and fitness chart acts as a powerful data collection tool and a source of motivation, creating a positive feedback loop where logging your achievements directly fuels your desire to continue. This business model is incredibly attractive to many entrepreneurs. It functions as a "triple-threat" cognitive tool, simultaneously engaging our visual, motor, and motivational systems. It gave me ideas about incorporating texture, asymmetry, and a sense of humanity into my work. The principles of good interactive design—clarity, feedback, and intuitive controls—are just as important as the principles of good visual encoding. The catalog's demand for our attention is a hidden tax on our mental peace. This data is the raw material that fuels the multi-trillion-dollar industry of targeted advertising. It shows us what has been tried, what has worked, and what has failed. A pie chart encodes data using both the angle of the slices and their area. Professionalism means replacing "I like it" with "I chose it because. Consistent, professional servicing is the key to unlocking the full productive lifespan of the Titan T-800, ensuring it remains a precise and reliable asset for years to come. The "catalog" is a software layer on your glasses or phone, and the "sample" is your own living room, momentarily populated with a digital ghost of a new sofa. Our problem wasn't a lack of creativity; it was a lack of coherence. Every effective template is a gift of structure. The weight and material of a high-end watch communicate precision, durability, and value. This gallery might include a business letter template, a formal report template, an academic essay template, or a flyer template. The process begins in the digital realm, with a perfectly designed, infinitely replicable file. The utility of a printable chart in wellness is not limited to exercise. Or perhaps the future sample is an empty space. 67 However, for tasks that demand deep focus, creative ideation, or personal commitment, the printable chart remains superior. This system is designed to automatically maintain your desired cabin temperature, with physical knobs for temperature adjustment and buttons for fan speed and mode selection, ensuring easy operation while driving. Time Efficiency: Templates eliminate the need to start from scratch, allowing users to quickly produce professional-quality documents, designs, or websites. Software like PowerPoint or Google Slides offers a vast array of templates, each providing a cohesive visual theme with pre-designed layouts for title slides, bullet point slides, and image slides. I pictured my classmates as these conduits for divine inspiration, effortlessly plucking incredible ideas from the ether while I sat there staring at a blank artboard, my mind a staticky, empty canvas. 2 The beauty of the chore chart lies in its adaptability; there are templates for rotating chores among roommates, monthly charts for long-term tasks, and specific chore chart designs for teens, adults, and even couples. The number is always the first thing you see, and it is designed to be the last thing you remember. 48 An ethical chart is also transparent; it should include clear labels, a descriptive title, and proper attribution of data sources to ensure credibility and allow for verification. Finally, the creation of any professional chart must be governed by a strong ethical imperative. 23 This visual foresight allows project managers to proactively manage workflows and mitigate potential delays. The creator designs the product once. Good visual communication is no longer the exclusive domain of those who can afford to hire a professional designer or master complex software. Through regular journaling, individuals can challenge irrational beliefs and reframe negative experiences in a more positive light. They are the first clues, the starting points that narrow the infinite universe of possibilities down to a manageable and fertile creative territory. The physical act of writing by hand on a paper chart stimulates the brain more actively than typing, a process that has been shown to improve memory encoding, information retention, and conceptual understanding. Before a single product can be photographed or a single line of copy can be written, a system must be imposed. Pressing this button will connect you with an operator who can dispatch emergency services to your location. Is this idea really solving the core problem, or is it just a cool visual that I'm attached to? Is it feasible to build with the available time and resources? Is it appropriate for the target audience? You have to be willing to be your own harshest critic and, more importantly, you have to be willing to kill your darlings. 27 This process connects directly back to the psychology of motivation, creating a system of positive self-reinforcement that makes you more likely to stick with your new routine. In conclusion, mastering the art of drawing requires patience, practice, and a willingness to explore and learn. I can design a cleaner navigation menu not because it "looks better," but because I know that reducing the number of choices will make it easier for the user to accomplish their goal. The very shape of the placeholders was a gentle guide, a hint from the original template designer about the intended nature of the content. When handling the planter, especially when it contains water, be sure to have a firm grip and avoid tilting it excessively. Learning about the history of design initially felt like a boring academic requirement. Similarly, African textiles, such as kente cloth from Ghana, feature patterns that symbolize historical narratives and social status. These communities often engage in charitable activities, creating blankets, hats, and other items for those in need. It is a chart that visually maps two things: the customer's profile and the company's offering. There is also the cost of the user's time—the time spent searching for the right printable, sifting through countless options of varying quality, and the time spent on the printing and preparation process itself. Start by gathering information from the machine operator regarding the nature of the failure and the conditions under which it occurred. The construction of a meaningful comparison chart is a craft that extends beyond mere data entry; it is an exercise in both art and ethics. It is a device for focusing attention, for framing a narrative, and for turning raw information into actionable knowledge. Without it, even the most brilliant creative ideas will crumble under the weight of real-world logistics. He nodded slowly and then said something that, in its simplicity, completely rewired my brain. It was a tool for creating freedom, not for taking it away. Because these tools are built around the concept of components, design systems, and responsive layouts, they naturally encourage designers to think in a more systematic, modular, and scalable way.Landini Tractor 7860 Parts Catalog
Landini Tractor Atlas 100 Parts Catalog
Landini Tractor 7860 Parts Catalog
Landini Tractor 14500 Parts Catalog 1426639M4
Landini Tractor 9880 Parts Catalog
Landini Tractor 9880 Parts Catalog
Landini Tractor 16550 Parts Catalog 1637230M1
Landini Parts Catalog What You Need to Know Before Downloading One
Landini Tractor 13000 Parts Catalog 3310477M3
Landini Parts Catalogs
Landini Tractor 5505 Parts Catalog 1427423M1
Landini Tractor CF5830 Parts Catalog 3310802M2
Landini Tractor LandPower 130 blu Parts Catalog 3688290M1
Landini Tractor Advantage 85GT Parts Catalog 3540097M1
Landini Tractor 12500 Parts Catalog 1426638M4
Landini Tractor Globus 55 Parts Catalog 3665765M2
Landini Tractor 5865 Parts Catalog
Landini Tractor Advantage 55F Parts Catalog 3540958
Landini Tractor LandPower 165 Parts Catalog 3688294M1
Landini Tractor 5505 Parts Catalog 1427423M1
Landini Tractor 7880 Parts Catalog
Landini Tractor 8860 New Parts Catalog 3671273M2
Landini Tractor Advantage 65L Parts Catalog 3540091M1
Landini Tractor 16500 Parts Catalog_1637195M1
Landini Tractor Globus 65 Parts Catalog 3665766M2
Landini Tractor Globus 55 Parts Catalog 3665765M2
Landini Tractor 9550 Parts Catalog 1637253M1
Landini Tractor Globus 65 Parts Catalog_3665766M2
Landini Tractor Advantage 55F Parts Catalog 3540958
Landini Tractor 8860 Parts Catalog
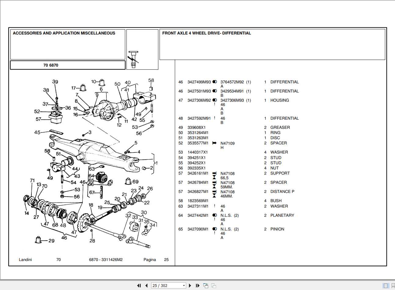
Landini Tractor 6870 Parts Catalog 3311426M2
Landini 100 Original Quality Parts Landini
Landini Tractor Atlas 100 Parts Catalog
Landini Tractor LandPower 185 Parts Catalog 3688295M1
Related Post:


































