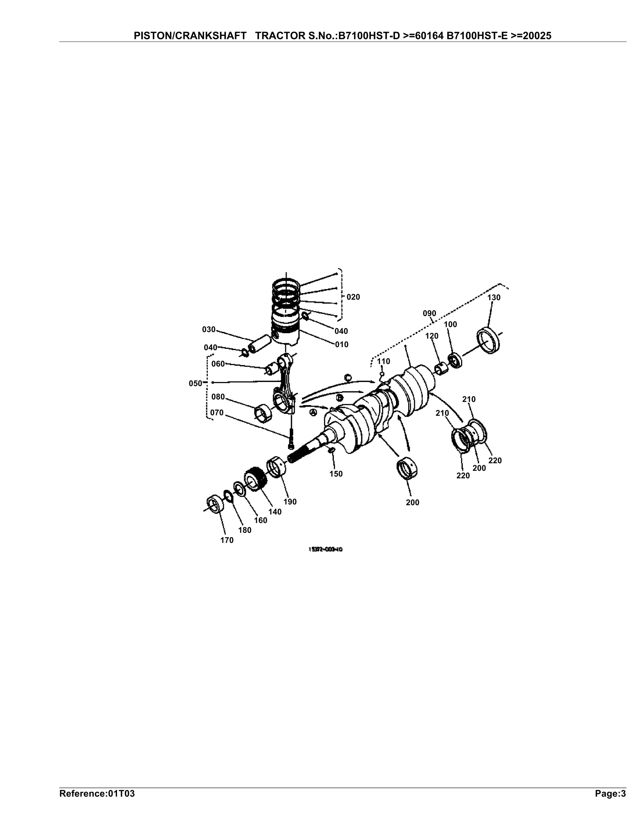
Kubota B7100Hst D Parts Catalog New
Kubota B7100Hst D Parts Catalog New - This requires the template to be responsive, to be able to intelligently reconfigure its own layout based on the size of the screen. They were clear, powerful, and conceptually tight, precisely because the constraints had forced me to be incredibly deliberate and clever with the few tools I had. I've learned that this is a field that sits at the perfect intersection of art and science, of logic and emotion, of precision and storytelling. The very accessibility of charting tools, now built into common spreadsheet software, has democratized the practice, enabling students, researchers, and small business owners to harness the power of visualization for their own needs. The "Recommended for You" section is the most obvious manifestation of this. It can use dark patterns in its interface to trick users into signing up for subscriptions or buying more than they intended. They were pages from the paper ghost, digitized and pinned to a screen. Nonprofit and Community Organizations Future Trends and Innovations Keep Learning: The art world is vast, and there's always more to learn. Here, the imagery is paramount. They are designed to optimize the user experience and streamline the process of setting up and managing an online store. What is the first thing your eye is drawn to? What is the last? How does the typography guide you through the information? It’s standing in a queue at the post office and observing the system—the signage, the ticketing machine, the flow of people—and imagining how it could be redesigned to be more efficient and less stressful. You can find items for organization, education, art, and parties. This new awareness of the human element in data also led me to confront the darker side of the practice: the ethics of visualization. This surveillance economy is the engine that powers the personalized, algorithmic catalog, a system that knows us so well it can anticipate our desires and subtly nudge our behavior in ways we may not even notice. By mimicking the efficient and adaptive patterns found in nature, designers can create more sustainable and resilient systems. I wanted a blank canvas, complete freedom to do whatever I wanted. The evolution of the template took its most significant leap with the transition from print to the web. 71 This principle posits that a large share of the ink on a graphic should be dedicated to presenting the data itself, and any ink that does not convey data-specific information should be minimized or eliminated. The layout is clean and grid-based, a clear descendant of the modernist catalogs that preceded it, but the tone is warm, friendly, and accessible, not cool and intellectual. 65 This chart helps project managers categorize stakeholders based on their level of influence and interest, enabling the development of tailored communication and engagement strategies to ensure project alignment and support. 2 By using a printable chart for these purposes, you are creating a valuable dataset of your own health, enabling you to make more informed decisions and engage in proactive health management rather than simply reacting to problems as they arise. The advantages of using online templates are manifold. But Tufte’s rational, almost severe minimalism is only one side of the story. Finally, the creation of any professional chart must be governed by a strong ethical imperative. In an academic setting, critiques can be nerve-wracking, but in a professional environment, feedback is constant, and it comes from all directions—from creative directors, project managers, developers, and clients. Similarly, one might use a digital calendar for shared appointments but a paper habit tracker chart to build a new personal routine. To learn the language of the chart is to learn a new way of seeing, a new way of thinking, and a new way of engaging with the intricate and often hidden patterns that shape our lives. For these customers, the catalog was not one of many shopping options; it was a lifeline, a direct connection to the industrializing, modern world. If you get a flat tire while driving, it is critical to react calmly. A study schedule chart is a powerful tool for organizing a student's workload, taming deadlines, and reducing the anxiety associated with academic pressures. Flanking the speedometer are the tachometer, which indicates the engine's revolutions per minute (RPM), and the fuel gauge, which shows the amount of fuel remaining in the tank. An architect uses the language of space, light, and material to shape experience. The caliper piston, which was pushed out to press on the old, worn pads, needs to be pushed back into the caliper body. The work of empathy is often unglamorous. Now, we are on the cusp of another major shift with the rise of generative AI tools. The most common and egregious sin is the truncated y-axis. It was a triumph of geo-spatial data analysis, a beautiful example of how visualizing data in its physical context can reveal patterns that are otherwise invisible. Adjust the seat forward or backward so that you can fully depress the pedals with a slight bend in your knees. 48 This demonstrates the dual power of the chart in education: it is both a tool for managing the process of learning and a direct vehicle for the learning itself. I still have so much to learn, so many books to read, but I'm no longer afraid of the blank page. This hamburger: three dollars, plus the degradation of two square meters of grazing land, plus the emission of one hundred kilograms of methane. The template has become a dynamic, probabilistic framework, a set of potential layouts that are personalized in real-time based on your past behavior. Can a chart be beautiful? And if so, what constitutes that beauty? For a purist like Edward Tufte, the beauty of a chart lies in its clarity, its efficiency, and its information density. A client saying "I don't like the color" might not actually be an aesthetic judgment. Caricatures take this further by emphasizing distinctive features. The most creative and productive I have ever been was for a project in my second year where the brief was, on the surface, absurdly restrictive. A good interactive visualization might start with a high-level overview of the entire dataset. A box plot can summarize the distribution even more compactly, showing the median, quartiles, and outliers in a single, clever graphic. Traditional techniques and patterns are being rediscovered and preserved, ensuring that this rich heritage is not lost to future generations. Teachers and parents rely heavily on these digital resources. Gallery walls can be curated with a collection of matching printable art. This meant finding the correct Pantone value for specialized printing, the CMYK values for standard four-color process printing, the RGB values for digital screens, and the Hex code for the web. It is a record of our ever-evolving relationship with the world of things, a story of our attempts to organize that world, to understand it, and to find our own place within it. The most fundamental rule is to never, under any circumstances, work under a vehicle that is supported only by a jack. Whether you are changing your oil, replacing a serpentine belt, or swapping out a faulty alternator, the same core philosophy holds true. For many applications, especially when creating a data visualization in a program like Microsoft Excel, you may want the chart to fill an entire page for maximum visibility. The brief is the starting point of a dialogue. These systems are engineered to support your awareness and decision-making across a range of driving situations. We have seen how it leverages our brain's preference for visual information, how the physical act of writing on a chart forges a stronger connection to our goals, and how the simple act of tracking progress on a chart can create a motivating feedback loop. This gives you an idea of how long the download might take. Set up still lifes, draw from nature, or sketch people in various settings. Things like naming your files logically, organizing your layers in a design file so a developer can easily use them, and writing a clear and concise email are not trivial administrative tasks. It’s about understanding that your work doesn't exist in isolation but is part of a larger, interconnected ecosystem. It considers the entire journey a person takes with a product or service, from their first moment of awareness to their ongoing use and even to the point of seeking support. 96 The printable chart has thus evolved from a simple organizational aid into a strategic tool for managing our most valuable resource: our attention. He nodded slowly and then said something that, in its simplicity, completely rewired my brain. The website we see, the grid of products, is not the catalog itself; it is merely one possible view of the information stored within that database, a temporary manifestation generated in response to a user's request. The seatback should be adjusted to an upright position that provides full support to your back, allowing you to sit comfortably without leaning forward. 64 This deliberate friction inherent in an analog chart is precisely what makes it such an effective tool for personal productivity. We are constantly working to improve our products and services, and we welcome your feedback. The myth of the lone genius is perhaps the most damaging in the entire creative world, and it was another one I had to unlearn. Users can simply select a template, customize it with their own data, and use drag-and-drop functionality to adjust colors, fonts, and other design elements to fit their specific needs. Yet, the allure of the printed page remains powerful, speaking to a deep psychological need for tangibility and permanence. 10 Research has shown that the brain processes visual information up to 60,000 times faster than text, and that using visual aids can improve learning by as much as 400 percent. Use only these terminals and follow the connection sequence described in this manual to avoid damaging the sensitive hybrid electrical system. A red warning light indicates a serious issue that requires immediate attention, while a yellow indicator light typically signifies a system malfunction or that a service is required. Pay attention to proportions, perspective, and details. The evolution of technology has transformed the comparison chart from a static, one-size-fits-all document into a dynamic and personalized tool. This requires the template to be responsive, to be able to intelligently reconfigure its own layout based on the size of the screen. They are often messy, ugly, and nonsensical.Kubota B7100HstD Old Type Tractor Parts Assembly Manual Catalog
Kubota B7100HstD Old Type Tractor Service Repair Manual Parts Catalog
Kubota B7100 HST Tractor Parts Manual 4WD Hydrostat New Type Assembly
Kubota B7100HSTD New Type Parts Manual PDF
Kubota b7100hst d new type tractor parts assembly manual catalog
Kubota B7100HSTD Old Type Parts Manual PDF
Kubota B7100HstD New Type Tractor Parts Assembly Manual Catalog
Kubota b7100 hst d new type tractor parts catalogue manual PDF
Kubota B7100HstD Old Type Tractor Parts Assembly Manual Catalog
Kubota b7100hst d old type tractor parts assembly manual catalog
Kubota b7100 hst d new type tractor parts catalogue manual PDF
Kubota B7100HST Tractor Parts Catalog Farm Manuals Fast
Kubota b7100hst e new type tractor parts assembly manual catalog
KUBOTA B7100HSTD NEW TYPE TRACTOR SERVICE REPAIR MANUAL PARTS CATALOG
Heavy Equipment Parts & Accessories KUBOTA B7100HSTD NEW TYPE TRACTOR
Kubota Tractor B7100HSTD NEW TYPE Parts Manual
Kubota B7100HstD Old Type Tractor Parts Assembly Manual Catalog
Kubota b7100hst d new type tractor parts assembly manual catalog
Kubota b7100 hst d new type tractor parts catalogue manual PDF
Heavy Equipment Parts & Accessories KUBOTA B7100HSTD NEW TYPE TRACTOR
Kubota B7100HstD New Type Tractor Service Repair Manual Parts Catalog
Kubota b7100 hst d old type tractor parts catalogue manual PDF
Kubota b7100hst d new type tractor parts assembly manual catalog
Kubota B7100HSTD_60164 Parts Catalogue
Kubota B7100HstD Old Type Tractor Parts Assembly Manual Catalog
Kubota B7100HSTD New Type Parts Manual PDF
Kubota B7100HSTD New Type Parts Manual PDF
Kubota b7100 hst d new type tractor parts catalogue manual PDF
Kubota B7100HstD Old Type Tractor Parts Assembly Manual Catalog
Kubota b7100hst e new type tractor parts assembly manual catalog
Kubota Tractor B7100HSTD NEW TYPE Parts Manual
Kubota B7100 Parts Manual 3 Point Arms Hitch Linkage Kit 70641 Fits
Kubota B7100HSTD New Type Parts Manual PDF
Kubota B7100HSTD_60164 Parts Catalogue
Kubota B7100HstD New Type Tractor Service Repair Manual Parts Catalog
Related Post:

































