Kollmorgen Servo Motor Catalog
Kollmorgen Servo Motor Catalog - While the 19th century established the chart as a powerful tool for communication and persuasion, the 20th century saw the rise of the chart as a critical tool for thinking and analysis. 70 In this case, the chart is a tool for managing complexity. It is a mindset that we must build for ourselves. 52 This type of chart integrates not only study times but also assignment due dates, exam schedules, extracurricular activities, and personal appointments. But a professional brand palette is a strategic tool. The "catalog" is a software layer on your glasses or phone, and the "sample" is your own living room, momentarily populated with a digital ghost of a new sofa. More advanced versions of this chart allow you to identify and monitor not just your actions, but also your inherent strengths and potential caution areas or weaknesses. Adult coloring has become a popular mindfulness activity. 10 Ultimately, a chart is a tool of persuasion, and this brings with it an ethical responsibility to be truthful and accurate. Whether it's a political cartoon, a comic strip, or a portrait, drawing has the power to provoke thought, evoke emotion, and spark conversation. It’s about building a beautiful, intelligent, and enduring world within a system of your own thoughtful creation. The early days of small, pixelated images gave way to an arms race of visual fidelity. The Organizational Chart: Bringing Clarity to the WorkplaceAn organizational chart, commonly known as an org chart, is a visual representation of a company's internal structure. It is a compressed summary of a global network of material, energy, labor, and intellect. This sample is about exclusivity, about taste-making, and about the complete blurring of the lines between commerce and content. This document is not a factory-issued manual filled with technical jargon and warnings designed to steer you towards expensive dealership services. It provides consumers with affordable, instant, and customizable goods. The choice of time frame is another classic manipulation; by carefully selecting the start and end dates, one can present a misleading picture of a trend, a practice often called "cherry-picking. There is the cost of the factory itself, the land it sits on, the maintenance of its equipment. This was a revelation. A true cost catalog would need to list a "cognitive cost" for each item, perhaps a measure of the time and mental effort required to make an informed decision. We have also uncovered the principles of effective and ethical chart design, understanding that clarity, simplicity, and honesty are paramount. The craft was often used to create lace, which was a highly prized commodity at the time. The typography and design of these prints can be beautiful. This digital foundation has given rise to a vibrant and sprawling ecosystem of creative printables, a subculture and cottage industry that thrives on the internet. Adjust the seat forward or backward so that you can fully depress the pedals with a slight bend in your knees. Within these paragraphs, you will find practical, real-world advice on troubleshooting, diagnosing, and repairing the most common issues that affect the OmniDrive. It is a mirror. Apply the brakes gently several times to begin the "bedding-in" process, which helps the new pad material transfer a thin layer onto the rotor for optimal performance. If a warning lamp illuminates, do not ignore it. It is a conversation between the past and the future, drawing on a rich history of ideas and methods to confront the challenges of tomorrow. The X-axis travel is 300 millimeters, and the Z-axis travel is 1,200 millimeters, both driven by high-precision, ground ball screws coupled directly to AC servo motors. Businesses leverage printable images for a range of purposes, from marketing materials to internal communications. 24 By successfully implementing an organizational chart for chores, families can reduce the environmental stress and conflict that often trigger anxiety, creating a calmer atmosphere that is more conducive to personal growth for every member of the household. They are the cognitive equivalent of using a crowbar to pry open a stuck door. Of course, embracing constraints and having a well-stocked mind is only part of the equation. The faint, sweet smell of the aging paper and ink is a form of time travel. 42The Student's Chart: Mastering Time and Taming DeadlinesFor a student navigating the pressures of classes, assignments, and exams, a printable chart is not just helpful—it is often essential for survival and success. For any issues that cannot be resolved with these simple troubleshooting steps, our dedicated customer support team is available to assist you. A skilled creator considers the end-user's experience at every stage. This eliminates the guesswork and the inconsistencies that used to plague the handoff between design and development. The act of crocheting for others adds a layer of meaning to the craft, turning a solitary activity into one that brings people together for a common good. A website theme is a template for a dynamic, interactive, and fluid medium that will be viewed on a dizzying array of screen sizes, from a tiny watch face to a massive desktop monitor. Printable images integrated with AR could lead to innovative educational tools, marketing materials, and entertainment options. Neurological studies show that handwriting activates a much broader network of brain regions, simultaneously involving motor control, sensory perception, and higher-order cognitive functions. A user can search online and find a vast library of printable planner pages, from daily schedules to monthly overviews. You write down everything that comes to mind, no matter how stupid or irrelevant it seems. The cheapest option in terms of dollars is often the most expensive in terms of planetary health. To get an accurate reading, park on a level surface, switch the engine off, and wait a few minutes for the oil to settle. By plotting the locations of cholera deaths on a map, he was able to see a clear cluster around a single water pump on Broad Street, proving that the disease was being spread through contaminated water, not through the air as was commonly believed. But within the individual page layouts, I discovered a deeper level of pre-ordained intelligence. These intricate, self-similar structures are found both in nature and in mathematical theory. They are integral to the function itself, shaping our behavior, our emotions, and our understanding of the object or space. The template had built-in object styles for things like image frames (defining their stroke, their corner effects, their text wrap) and a pre-loaded palette of brand color swatches. It was a window, and my assumption was that it was a clear one, a neutral medium that simply showed what was there. The online catalog can employ dynamic pricing, showing a higher price to a user it identifies as being more affluent or more desperate. Our boundless freedom had led not to brilliant innovation, but to brand anarchy. It was hidden in the architecture, in the server rooms, in the lines of code. I now understand that the mark of a truly professional designer is not the ability to reject templates, but the ability to understand them, to use them wisely, and, most importantly, to design them. Thank you for choosing Aeris. The title, tags, and description must be optimized. The amateur will often try to cram the content in, resulting in awkwardly cropped photos, overflowing text boxes, and a layout that feels broken and unbalanced. In recent years, the very definition of "printable" has undergone a seismic and revolutionary expansion with the advent of 3D printing. You are prompted to review your progress more consciously and to prioritize what is truly important, as you cannot simply drag and drop an endless list of tasks from one day to the next. The simple, physical act of writing on a printable chart engages another powerful set of cognitive processes that amplify commitment and the likelihood of goal achievement. Safety is the utmost priority when undertaking any electronic repair. This was a recipe for paralysis. This simple failure of conversion, the lack of a metaphorical chart in the software's logic, caused the spacecraft to enter the Martian atmosphere at the wrong trajectory, leading to its complete destruction. The persistence and popularity of the printable in a world increasingly dominated by screens raises a fascinating question: why do we continue to print? In many cases, a digital alternative is more efficient and environmentally friendly. It does not plead or persuade; it declares. A good template feels intuitive. 47 Creating an effective study chart involves more than just listing subjects; it requires a strategic approach to time management. A 2D printable document allows us to hold our data in our hands; a 3D printable object allows us to hold our designs. Printable maps and diagrams are useful for geography and science. It was a tool for decentralizing execution while centralizing the brand's integrity. Building Better Habits: The Personal Development ChartWhile a chart is excellent for organizing external tasks, its true potential is often realized when it is turned inward to focus on personal growth and habit formation.gearmotor series_catalog PDF
SERVO MOTOR AND DRIVES Automation ExpoSouth
AKM Servomotor Selection Guide S4W Italy PDF Electric
PMA2401050B02 servo system motor Hong Kong
Catalog Download Free PDF Electric Motor Programmable
PM Servomotor AKM44GANCNDB01 gebraucht, 1.175,63
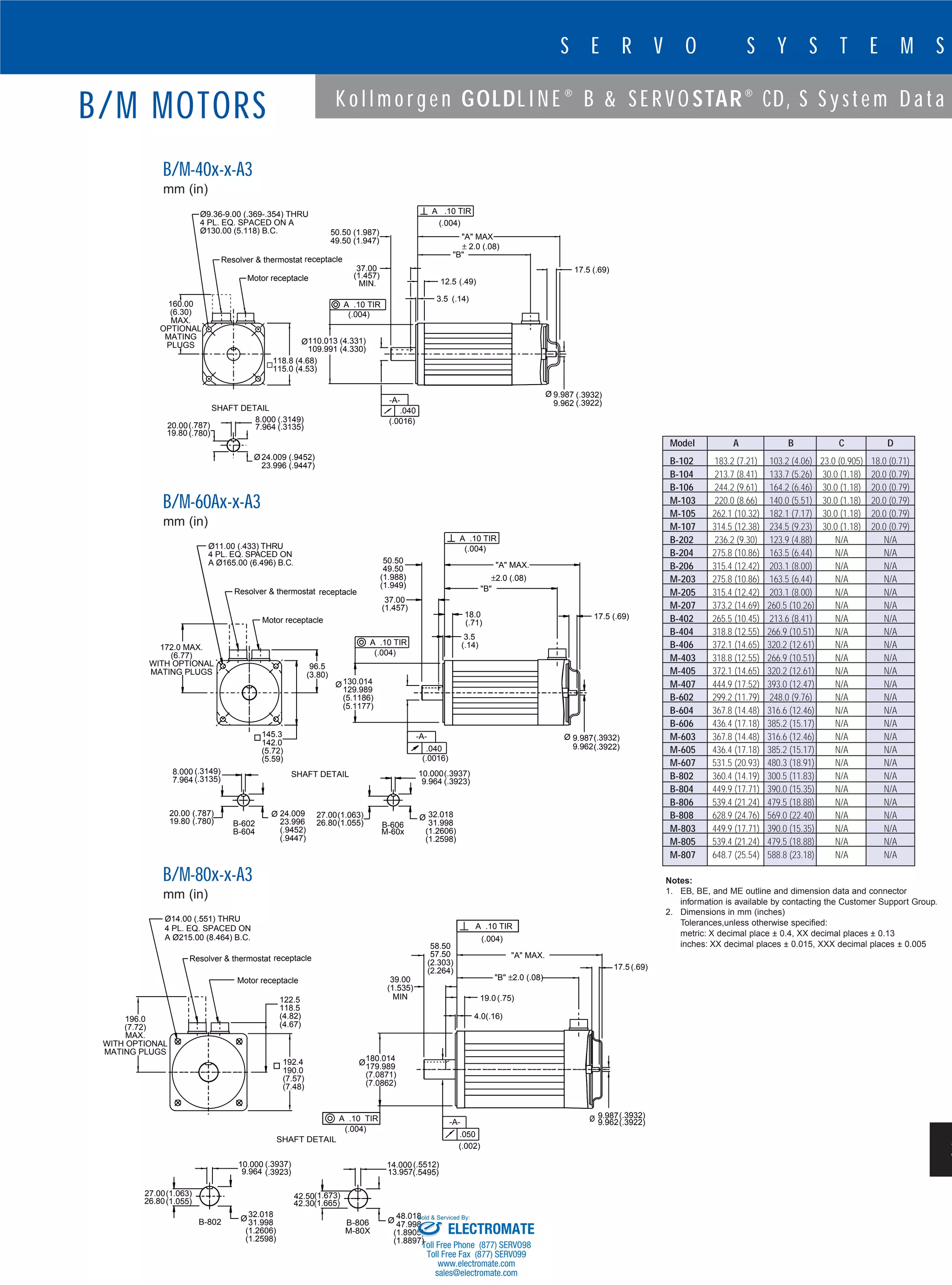
b with_servo_star_s_and_cd_tb_catalog PDF
Servo Motors Latest Price, Dealers & Retailers in India
Servostar CD Series2 Catalog PDF Electric Motor Amplifier
Distributor Servo Motors, Drives, Motion Controllers Page 1
motor, servo motor, akm servo motor
News debuts EKM Series Brushless AC Servo Motors
AKM2G Series Brushless Servo Motors from Servo2Go
gearmotor series_catalog PDF
AKM Servomotor Selection Guide With AKD Servo Drive Systems
Servo Motor Catalog Catalog Library
pma series_catalog PDF
Động Cơ Servomotor CÓ SẴN Hotline 0913
8000 RPM 7.5 KW Servo Motors, 64 V at ₹ 50000 in Chennai
Akm22Eans2R02 Servomotor Ip54 320 Vdc 8000 Rpm 0.58 Kw 40°C
b with_servo_star_s_and_cd_tb_catalog PDF
Servo Motor AKM41HACSN202 320 VDC 24V Ribhu
motor series_catalog PDF
b with_servo_star_s_and_cd_tb_catalog PDF
Servo Motors Latest Price, Dealers & Retailers in India
servo systems_2011_catalog PDF
AC Servo Motor Servo Repair International, Inc.
AKM33HACCNR01 DC servo motors iAutomation Online
Preview AKM22EACC2R00, Servomotor NEU
00N0613M03 N6M4 Servo Disc DC Motor
AKM42C (400 V) Brushless Servo Motors Electromate Inc
motor series_catalog PDF
AKM2G Servomotoren jetzt als Niedervoltversion für 24V und
Related Post:



























