John Deere 670 Parts Catalog
John Deere 670 Parts Catalog - We covered the process of initiating the download and saving the file to your computer. Principles like proximity (we group things that are close together), similarity (we group things that look alike), and connection (we group things that are physically connected) are the reasons why we can perceive clusters in a scatter plot or follow the path of a line in a line chart. And now, in the most advanced digital environments, the very idea of a fixed template is beginning to dissolve. This is a critical step for safety. The rise of interactive digital media has blown the doors off the static, printed chart. The braking system consists of ventilated disc brakes at the front and solid disc brakes at the rear, supplemented by the ABS and ESC systems. They are the product of designers who have the patience and foresight to think not just about the immediate project in front of them, but about the long-term health and coherence of the brand or product. The template is no longer a static blueprint created by a human designer; it has become an intelligent, predictive agent, constantly reconfiguring itself in response to your data. " It was so obvious, yet so profound. Safety is the utmost priority when undertaking any electronic repair. We have explored the diverse world of the printable chart, from a student's study schedule and a family's chore chart to a professional's complex Gantt chart. It forces us to define what is important, to seek out verifiable data, and to analyze that data in a systematic way. A good template feels intuitive. It’s a checklist of questions you can ask about your problem or an existing idea to try and transform it into something new. They will use the template as a guide but will modify it as needed to properly honor the content. It was a vision probably pieced together from movies and cool-looking Instagram accounts, where creativity was this mystical force that struck like lightning, and the job was mostly about having impeccable taste and knowing how to use a few specific pieces of software to make beautiful things. Therefore, a critical and routine task in hospitals is the conversion of a patient's weight from pounds to kilograms, as many drug dosages are prescribed on a per-kilogram basis. This phenomenon represents a profound democratization of design and commerce. The industry will continue to grow and adapt to new technologies. Remove the dipstick, wipe it clean, reinsert it fully, and then remove it again to check the level. The website was bright, clean, and minimalist, using a completely different, elegant sans-serif. A professional might use a digital tool for team-wide project tracking but rely on a printable Gantt chart for their personal daily focus. They are integral to the function itself, shaping our behavior, our emotions, and our understanding of the object or space. The object itself is often beautiful, printed on thick, matte paper with a tactile quality. As individuals gain confidence using a chart for simple organizational tasks, they often discover that the same principles can be applied to more complex and introspective goals, making the printable chart a scalable tool for self-mastery. They produce articles and films that document the environmental impact of their own supply chains, they actively encourage customers to repair their old gear rather than buying new, and they have even run famous campaigns with slogans like "Don't Buy This Jacket. The printable is the essential link, the conduit through which our digital ideas gain physical substance and permanence. In our digital age, the physical act of putting pen to paper has become less common, yet it engages our brains in a profoundly different and more robust way than typing. Pressing this button will connect you with an operator who can dispatch emergency services to your location. The blank canvas still holds its allure, but I now understand that true, professional creativity isn't about starting from scratch every time. The product is shown not in a sterile studio environment, but in a narrative context that evokes a specific mood or tells a story. The use of proprietary screws, glued-in components, and a lack of available spare parts means that a single, minor failure can render an entire device useless. But this infinite expansion has come at a cost. But this infinite expansion has come at a cost. Marketing departments benefit significantly from graphic design templates, which facilitate the creation of eye-catching advertisements, social media posts, and promotional materials. " is not a helpful tip from a store clerk; it's the output of a powerful algorithm analyzing millions of data points. Every piece of negative feedback is a gift. It is the catalog as a form of art direction, a sample of a carefully constructed dream. All of these evolutions—the searchable database, the immersive visuals, the social proof—were building towards the single greatest transformation in the history of the catalog, a concept that would have been pure science fiction to the mail-order pioneers of the 19th century: personalization. Practice drawing from photographs or live models to hone your skills. Erasers: Kneaded erasers and vinyl erasers are essential tools. How does the brand write? Is the copy witty and irreverent? Or is it formal, authoritative, and serious? Is it warm and friendly, or cool and aspirational? We had to write sample copy for different contexts—a website homepage, an error message, a social media post—to demonstrate this voice in action. 13 A famous study involving loyalty cards demonstrated that customers given a card with two "free" stamps were nearly twice as likely to complete it as those given a blank card. They can then write on the planner using a stylus. I know I still have a long way to go, but I hope that one day I'll have the skill, the patience, and the clarity of thought to build a system like that for a brand I believe in. A low-resolution image may look acceptable on a screen but will fail as a quality printable artifact. They were beautiful because they were so deeply intelligent. The enduring power of this simple yet profound tool lies in its ability to translate abstract data and complex objectives into a clear, actionable, and visually intuitive format. The system records all fault codes, which often provide the most direct path to identifying the root cause of a malfunction. The cost of any choice is the value of the best alternative that was not chosen. More often, they are patterns we follow, traced from the ghost template laid down by our family dynamics and the societal norms we absorbed as children. This world of creative printables highlights a deep-seated desire for curated, personalized physical goods in an age of mass-produced digital content. Where a modernist building might be a severe glass and steel box, a postmodernist one might incorporate classical columns in bright pink plastic. Every element on the chart should serve this central purpose. Kitchen organization printables include meal planners and recipe cards. It questions manipulative techniques, known as "dark patterns," that trick users into making decisions they might not otherwise make. The globalized supply chains that deliver us affordable goods are often predicated on vast inequalities in labor markets. Sometimes it might be an immersive, interactive virtual reality environment. Our goal is to make the process of acquiring your owner's manual as seamless and straightforward as the operation of our products. This statement can be a declaration of efficiency, a whisper of comfort, a shout of identity, or a complex argument about our relationship with technology and with each other. The PDF's ability to encapsulate fonts, images, and layout into a single, stable file ensures that the creator's design remains intact, appearing on the user's screen and, crucially, on the final printed page exactly as intended, regardless of the user's device or operating system. The Mandelbrot set, a well-known example of a mathematical fractal, showcases the beauty and complexity that can arise from iterative processes. It is a digital fossil, a snapshot of a medium in its awkward infancy. What are the materials? How are the legs joined to the seat? What does the curve of the backrest say about its intended user? Is it designed for long, leisurely sitting, or for a quick, temporary rest? It’s looking at a ticket stub and analyzing the information hierarchy. Furthermore, they are often designed to be difficult, if not impossible, to repair. He famously said, "The greatest value of a picture is when it forces us to notice what we never expected to see. They rejected the idea that industrial production was inherently soulless. Educators and students alike find immense value in online templates. A strong composition guides the viewer's eye and creates a balanced, engaging artwork. The very same principles that can be used to clarify and explain can also be used to obscure and deceive. And now, in the most advanced digital environments, the very idea of a fixed template is beginning to dissolve. By creating their own garments and accessories, knitters can ensure that their items are made to last, reducing the need for disposable fashion. The card catalog, like the commercial catalog that would follow and perfect its methods, was a tool for making a vast and overwhelming collection legible, navigable, and accessible. By mastering the interplay of light and dark, artists can create dynamic and engaging compositions that draw viewers in and hold their attention. Her most famous project, "Dear Data," which she created with Stefanie Posavec, is a perfect embodiment of this idea. Before delving into component-level inspection, the technician should always consult the machine's error log via the Titan Control Interface. The manual will be clearly labeled and presented as a downloadable link, often accompanied by a PDF icon. Templates for invitations, greeting cards, and photo books add a personal touch to special occasions and memories. 96 The printable chart, in its analog simplicity, offers a direct solution to these digital-age problems. The faint, sweet smell of the aging paper and ink is a form of time travel.John Deere 670G Motor Graders (SN 1DW670GX_ _F656526) Parts Catalog
John Deere 670A AND 672A MOTOR GRADERS Parts Catalog Machine Catalogic
John Deere 670 770 870 970 1070 Tractor Service Manual
John Deere 670C 670CH 672CH SERIES II GRADERS Parts Catalog Machine
John Deere 670A, 672A Motor Grader Repair TM1188 PDF
John Deere S670 Combine (Worldwide Edition, S.N. 765253785000) Parts
John Deere 670 Motor Graders Parts Catalog Manual PC1519
John Deere 670 Motor Graders Parts Catalog Manual PC1519
John Deere Motor Grader 670G Parts Catalog PC10100S ES
Used John Deere 670 Tractor Parts EQ33067 All States Ag Parts
John Deere 670G, 670GP Motor Graders (SN E634380 656525) Parts
John Deere 670G, 670GP grader pdf parts catalog ES
John Deere 670B, 672B Motor Graders Parts Catalog Manual PC2063
John Deere 670G Motor Graders (SN 1DW670GX_ _F656526) Parts Catalog
John Deere 670 Motor Grader Parts Catalog PC1519 eBay
John Deere 670B, 672B Motor Graders Parts Catalog Manual PC2063
John Deere 670 and 770 Compact Utility Tractor Parts Catalogue Manual
John Deere JD670 MOTOR GRADER Parts Catalog Machine Catalogic
John Deere CORN HEAD 670 AND 870 Parts Catalog, 46 OFF
John Deere 670D 672D MOTOR GRADERS Parts Catalog PC9448 Jan07
John Deere 670C 670CH 672CH SERIES II GRADERS Parts Catalog Machine
John Deere Parts Catalog [Updated Spring 2021]
John Deere 670 Rake, Hay Parts Catalog Manual Pdf Download Service
John Deere 670 Ca8 Parts Catalog Manual
John Deere 670D 672D MOTOR GRADERS Parts Catalog PC9448 Jan07
John Deere Parts Catalog Download Free PDF Motor Vehicle Land
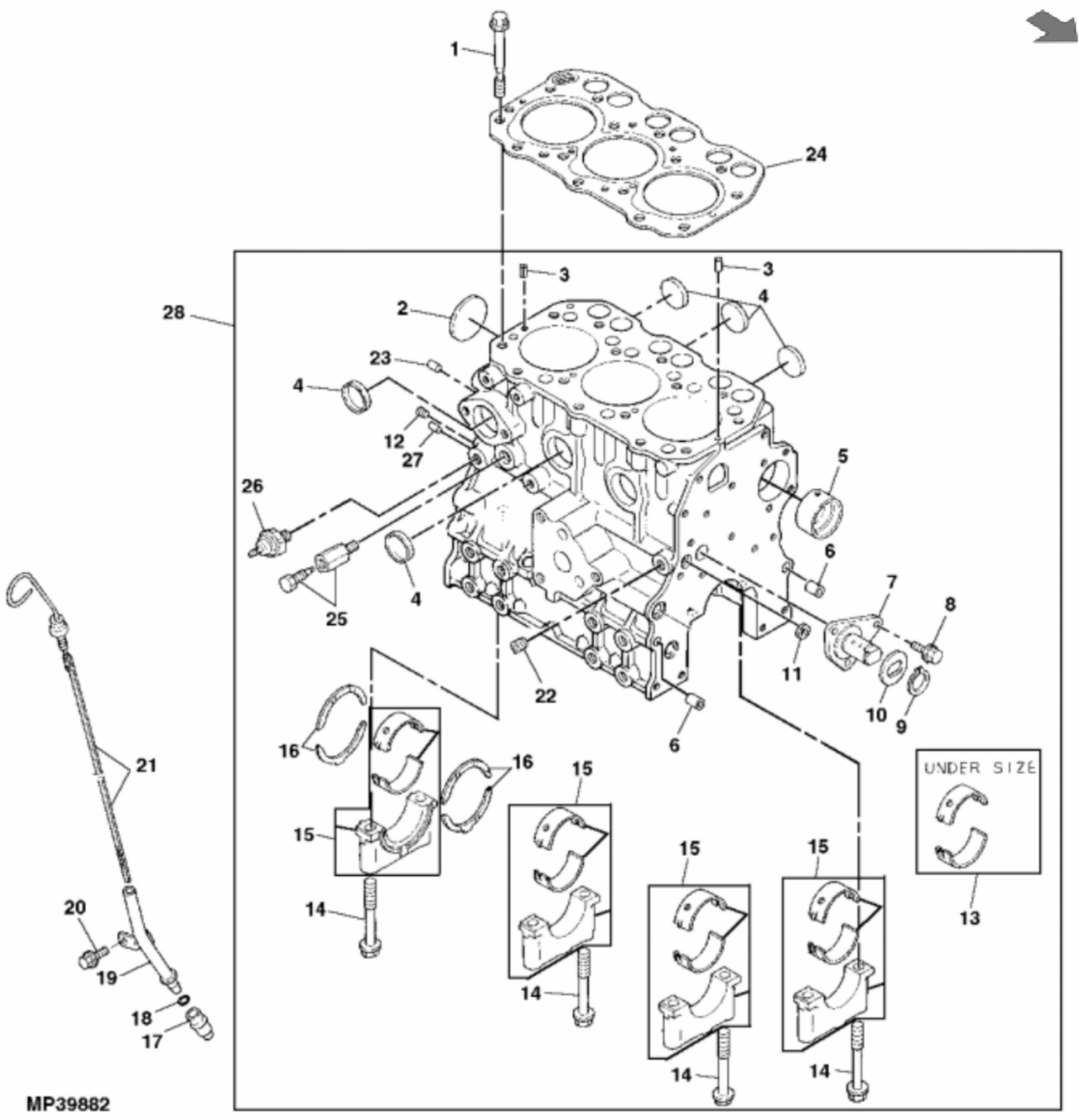
Exploring the Components Visualizing John Deere 670 Parts Configuration
Exploring the Components Visualizing John Deere 670 Parts Configuration
670 TRACTOR, COMPACT UTILITY Power Beyond, Attachment EPC John Deere
Diagram of John Deere 670 Hay Rake Parts
John Deere 670 Parts Diagram and Breakdown
John Deere 670G, 670GP grader pdf parts catalog PT
John Deere 670G 670GP Motor Grader Parts Catalog PC15122
John Deere 670D 672D MOTOR GRADERS Parts Catalog Machine Catalogic
670D GRADER, MOTOR Circle Drive With Clutch EPC John Deere DE20695 CF
Related Post:





 Parts Catalog (PC11895).png?itok=ZlBixH1c)


























