John Deere 2653A Parts Catalog
John Deere 2653A Parts Catalog - The spindle bore has a diameter of 105 millimeters, and it is mounted on a set of pre-loaded, high-precision ceramic bearings. 85 A limited and consistent color palette can be used to group related information or to highlight the most important data points, while also being mindful of accessibility for individuals with color blindness by ensuring sufficient contrast. A study chart addresses this by breaking the intimidating goal into a series of concrete, manageable daily tasks, thereby reducing anxiety and fostering a sense of control. The same is true for a music service like Spotify. Instead of flipping through pages looking for a specific topic, you can use the search tool within your PDF reader to find any word or phrase instantly. Of course, this new power came with a dark side. These pre-designed formats and structures cater to a wide range of needs, offering convenience, efficiency, and professional quality across various domains. I see it now for what it is: not an accusation, but an invitation. As a designer, this places a huge ethical responsibility on my shoulders. You could see the vacuum cleaner in action, you could watch the dress move on a walking model, you could see the tent being assembled. You ask a question, you make a chart, the chart reveals a pattern, which leads to a new question, and so on. " This was another moment of profound revelation that provided a crucial counterpoint to the rigid modernism of Tufte. Whether you're a beginner or an experienced artist looking to refine your skills, there are always new techniques and tips to help you improve your drawing abilities. A search bar will appear, and you can type in keywords like "cleaning," "battery," or "troubleshooting" to jump directly to the relevant sections. When the story is about composition—how a whole is divided into its constituent parts—the pie chart often comes to mind. I had to choose a primary typeface for headlines and a secondary typeface for body copy. But a great user experience goes further. The online catalog, in its early days, tried to replicate this with hierarchical menus and category pages. There are actual techniques and methods, which was a revelation to me. You could see the sofa in a real living room, the dress on a person with a similar body type, the hiking boots covered in actual mud. The introduction of the "master page" was a revolutionary feature. Beyond the realm of internal culture and personal philosophy, the concept of the value chart extends into the very core of a business's external strategy and its relationship with the market. One of the most frustrating but necessary parts of the idea generation process is learning to trust in the power of incubation. This legacy was powerfully advanced in the 19th century by figures like Florence Nightingale, who famously used her "polar area diagram," a form of pie chart, to dramatically illustrate that more soldiers were dying from poor sanitation and disease in hospitals than from wounds on the battlefield. And then, a new and powerful form of visual information emerged, one that the print catalog could never have dreamed of: user-generated content. It felt like being asked to cook a gourmet meal with only salt, water, and a potato. A scientist could listen to the rhythm of a dataset to detect anomalies, or a blind person could feel the shape of a statistical distribution. At its most basic level, it contains the direct costs of production. The model is the same: an endless repository of content, navigated and filtered through a personalized, algorithmic lens. It cannot exist in a vacuum of abstract principles or aesthetic theories. While sometimes criticized for its superficiality, this movement was crucial in breaking the dogmatic hold of modernism and opening up the field to a wider range of expressive possibilities. Creating a good template is a far more complex and challenging design task than creating a single, beautiful layout. You can simply click on any of these entries to navigate directly to that page, eliminating the need for endless scrolling. If the system detects an unintentional drift towards the edge of the lane, it can alert you by vibrating the steering wheel and can also provide gentle steering torque to help guide you back toward the center of the lane. This is where you will input the model number you previously identified. These are the cognitive and psychological costs, the price of navigating the modern world of infinite choice. The very act of choosing to make a file printable is an act of assigning it importance, of elevating it from the ephemeral digital stream into a singular, physical artifact. It felt like cheating, like using a stencil to paint, a colouring book instead of a blank canvas. At first, it felt like I was spending an eternity defining rules for something so simple. There are actual techniques and methods, which was a revelation to me. A printable chart is inherently free of digital distractions, creating a quiet space for focus. This means you have to learn how to judge your own ideas with a critical eye. The digital revolution has amplified the power and accessibility of the template, placing a virtually infinite library of starting points at our fingertips. We have explored its remarkable versatility, seeing how the same fundamental principles of visual organization can bring harmony to a chaotic household, provide a roadmap for personal fitness, clarify complex structures in the professional world, and guide a student toward academic success. A designer decides that this line should be straight and not curved, that this color should be warm and not cool, that this material should be smooth and not rough. We know that in the water around it are the displaced costs of environmental degradation and social disruption. We are pattern-matching creatures. While sometimes criticized for its superficiality, this movement was crucial in breaking the dogmatic hold of modernism and opening up the field to a wider range of expressive possibilities. These aren't just theories; they are powerful tools for creating interfaces that are intuitive and feel effortless to use. These templates are not inherently good or bad; they are simply the default patterns, the lines of least resistance for our behavior. How does a user "move through" the information architecture? What is the "emotional lighting" of the user interface? Is it bright and open, or is it focused and intimate? Cognitive psychology has been a complete treasure trove. We are paying with a constant stream of information about our desires, our habits, our social connections, and our identities. They are flickers of a different kind of catalog, one that tries to tell a more complete and truthful story about the real cost of the things we buy. It sits there on the page, or on the screen, nestled beside a glossy, idealized photograph of an object. Most of them are unusable, but occasionally there's a spark, a strange composition or an unusual color combination that I would never have thought of on my own. The system supports natural voice commands, allowing you to control many features simply by speaking, which helps you keep your hands on the wheel and your eyes on the road. I had to define the leading (the space between lines of text) and the tracking (the space between letters) to ensure optimal readability. It highlights a fundamental economic principle of the modern internet: if you are not paying for the product, you often are the product. At its most basic level, it contains the direct costs of production. An idea generated in a vacuum might be interesting, but an idea that elegantly solves a complex problem within a tight set of constraints is not just interesting; it’s valuable. " I could now make choices based on a rational understanding of human perception. To look at this sample now is to be reminded of how far we have come. 8While the visual nature of a chart is a critical component of its power, the "printable" aspect introduces another, equally potent psychological layer: the tactile connection forged through the act of handwriting. Reconnect the battery connector and secure its metal bracket with its two screws. A more expensive toy was a better toy. You just can't seem to find the solution. It contains important information, warnings, and recommendations that will help you understand and enjoy the full capabilities of your SUV. The "shopping cart" icon, the underlined blue links mimicking a reference in a text, the overall attempt to make the website feel like a series of linked pages in a book—all of these were necessary bridges to help users understand this new and unfamiliar environment. Once you have designed your chart, the final step is to print it. You can use a single, bright color to draw attention to one specific data series while leaving everything else in a muted gray. For larger appliances, this sticker is often located on the back or side of the unit, or inside the door jamb. The creative brief, that document from a client outlining their goals, audience, budget, and constraints, is not a cage. The goal is to provide power and flexibility without overwhelming the user with too many choices. Creativity is stifled when the template is treated as a rigid set of rules to be obeyed rather than a flexible framework to be adapted, challenged, or even broken when necessary. A Sankey diagram is a type of flow diagram where the width of the arrows is proportional to the flow quantity. Furthermore, they are often designed to be difficult, if not impossible, to repair. 19 A printable chart can leverage this effect by visually representing the starting point, making the journey feel less daunting and more achievable from the outset. " While we might think that more choice is always better, research shows that an overabundance of options can lead to decision paralysis, anxiety, and, even when a choice is made, a lower level of satisfaction because of the nagging fear that a better option might have been missed. This process of "feeding the beast," as another professor calls it, is now the most important part of my practice. 52 This type of chart integrates not only study times but also assignment due dates, exam schedules, extracurricular activities, and personal appointments.Used John Deere 2653A Turf / Golf Parts EQ36733 All States Ag Parts
John Deere 2653A 3WD PARTS MACHINE Cutter Parts Online
Fuel Filter AM875142 for John Deere Mower F915 2243 2653A 2653
John Deere 2653A Diesel Professional Utility Mower TM1554
Repair for 2653A Diesel John Deere Professional Utility Mower Technical
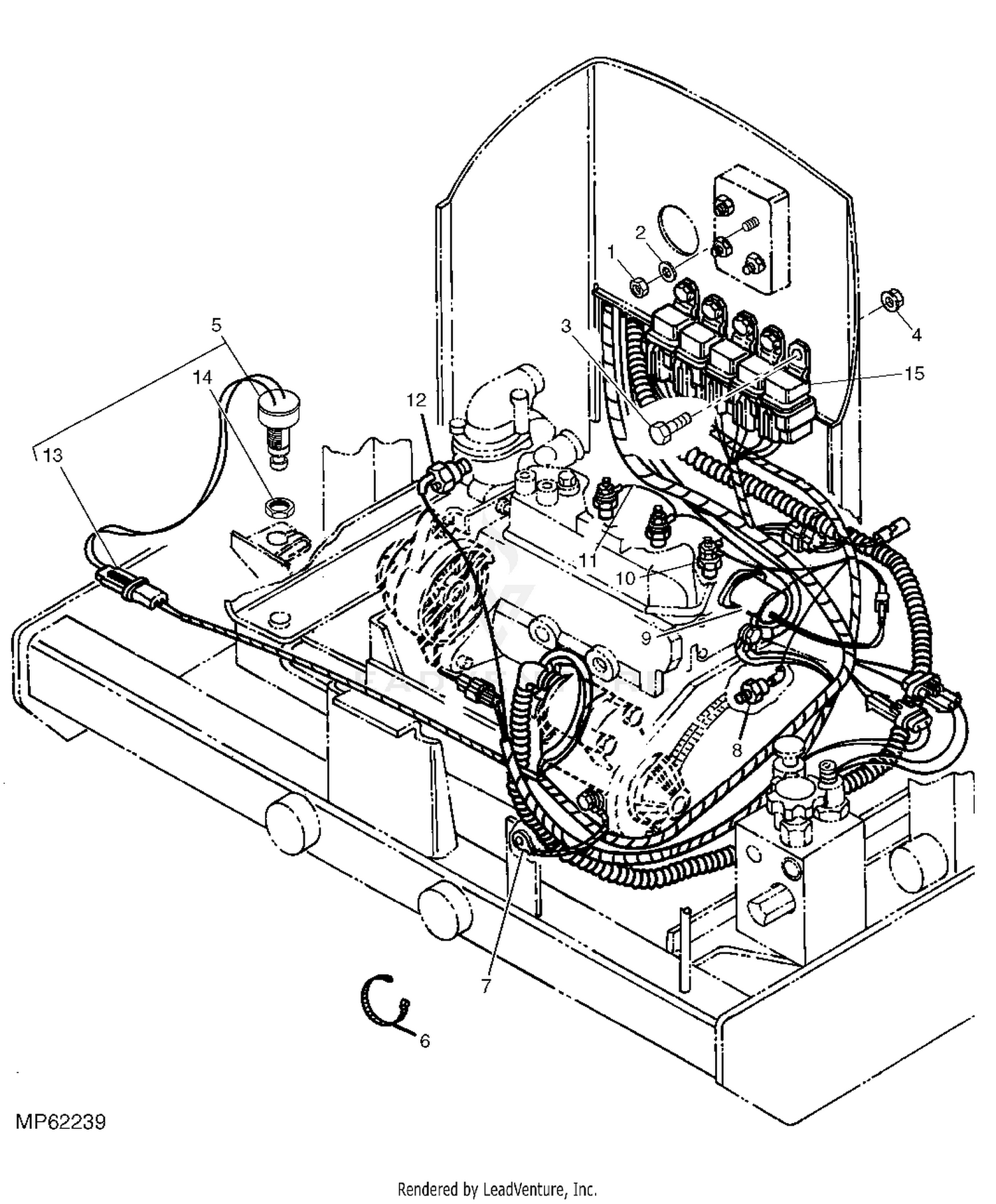
John Deere 2653A Parts Diagram Breakdown
John Deere 2653A Parts Diagram Breakdown
John Deere 2653A Diesel Professional Utility Mower Operator Manual OMMT6743
ARIMain WEINGARTZ
John Deere 2653, 2653A Utility Mower Repair Technical Manual
John Deere Parts Catalog Download Free PDF Motor Vehicle Land
John Deere 2653A Diesel Professional Utility Mower Operator Manual OMMT6743
John Deere 2653A Parts Machine
John Deere 2653A Utility Mower John Osman Groundcare
John Deere 2653A Diesel Professional Utility Mower Technical Manual
John Deere 2653A Mower Professional Utility Parts Catalog Manual
John Deere 2653A Diesel Professional Utility Mower TM1554
John Deere 2653A Diesel Professional Utility Mower Technical Manual
John Deere 2653A ride on utility cylinder mower Farol
John Deere Parts Catalog [Updated Spring 2021]
John Deere 2653A Diesel Professional Utility Mower OMMT6751 Operation
John Deere Diesel Professional Utility Mower 2653A Technical Manual TM1554
Starter Motor AM878176 AM878813 for John Deere F915 2500A 2653A 330 332
Parts only John Deere 2653A Assiter Auctioneers
John Deere Diesel Professional Utility Mower 2653A Technical Manual TM1554
John Deere 2653A Triple mower
Starter Motor AM878176 AM878813 for John Deere F915 2500A 2653A 330 332
John Deere 2653A Diesel Professional Utility Mower (Serial No. 050001
John Deere 2653A Diesel Professional Utility Mower Technical Manual
John Deere 2653, 2653A Utility Mower Repair Technical Manual
Unveiling the Wiring Schematic of John Deere 2653a
Wonderful John Deere 2653a Parts Range Hood Over Island Stove
Starter Motor AM878176 AM878813 for John Deere F915 2500A 2653A 330 332
John Deere has launched its first ever printed parts catalogue
John Deere 2653, 2653A Utility Mower Repair Technical Manual
Related Post:





























