John Deere 1025R Parts Catalog Brakes
John Deere 1025R Parts Catalog Brakes - It can help you detect stationary objects you might not see and can automatically apply the brakes to help prevent a rear collision. As I navigate these endless digital shelves, I am no longer just a consumer looking at a list of products. If it senses that you are unintentionally drifting from your lane, it will issue an alert. There’s a wonderful book by Austin Kleon called "Steal Like an Artist," which argues that no idea is truly original. The low ceilings and warm materials of a cozy café are designed to foster intimacy and comfort. One theory suggests that crochet evolved from earlier practices like tambour embroidery, which was popular in the 18th century. His stem-and-leaf plot was a clever, hand-drawable method that showed the shape of a distribution while still retaining the actual numerical values. A red warning light indicates a serious issue that requires immediate attention, while a yellow indicator light typically signifies a system malfunction or that a service is required. Use a wire brush to clean them thoroughly. The chart is a brilliant hack. The responsibility is always on the designer to make things clear, intuitive, and respectful of the user’s cognitive and emotional state. The Science of the Chart: Why a Piece of Paper Can Transform Your MindThe remarkable effectiveness of a printable chart is not a matter of opinion or anecdotal evidence; it is grounded in well-documented principles of psychology and neuroscience. Measured in dots per inch (DPI), resolution dictates the detail an image will have when printed. By regularly reflecting on these aspects, individuals can gain a deeper understanding of what truly matters to them, aligning their actions with their core values. The psychologist Barry Schwartz famously termed this the "paradox of choice. They are a powerful reminder that data can be a medium for self-expression, for connection, and for telling small, intimate stories. The hydraulic system operates at a nominal pressure of 70 bar, and the coolant system has a 200-liter reservoir capacity with a high-flow delivery pump. 29 A well-structured workout chart should include details such as the exercises performed, weight used, and the number of sets and repetitions completed, allowing for the systematic tracking of incremental improvements. This approach transforms the chart from a static piece of evidence into a dynamic and persuasive character in a larger story. Our consumer culture, once shaped by these shared artifacts, has become atomized and fragmented into millions of individual bubbles. It is a sample of a utopian vision, a belief that good design, a well-designed environment, could lead to a better, more logical, and more fulfilling life. " The role of the human designer in this future will be less about the mechanical task of creating the chart and more about the critical tasks of asking the right questions, interpreting the results, and weaving them into a meaningful human narrative. A heat gun set to a low temperature, or a heating pad, should be used to gently warm the edges of the screen for approximately one to two minutes. Once the problem is properly defined, the professional designer’s focus shifts radically outwards, away from themselves and their computer screen, and towards the user. It is a process of observation, imagination, and interpretation, where artists distill the essence of their subjects into lines, shapes, and forms. We have crafted this document to be a helpful companion on your journey to cultivating a vibrant indoor garden. It is a simple yet profoundly effective mechanism for bringing order to chaos, for making the complex comparable, and for grounding a decision in observable fact rather than fleeting impression. The history of the template is the history of the search for a balance between efficiency, consistency, and creativity in the face of mass communication. Now, we are on the cusp of another major shift with the rise of generative AI tools. The static PDF manual, while still useful, has been largely superseded by the concept of the living "design system. In the era of print media, a comparison chart in a magazine was a fixed entity. 2 More than just a task list, this type of chart is a tool for encouraging positive behavior and teaching children the crucial life skills of independence, accountability, and responsibility. His argument is that every single drop of ink on a page should have a reason for being there, and that reason should be to communicate data. The pressure in those first few months was immense. From its humble beginnings as a tool for 18th-century economists, the chart has grown into one of the most versatile and powerful technologies of the modern world. Intermediary models also exist, where websites host vast libraries of free printables as their primary content, generating revenue not from the user directly, but from the display advertising shown to the high volume of traffic that this desirable free content attracts. In the digital realm, the nature of cost has become even more abstract and complex. catalog, circa 1897. Does the proliferation of templates devalue the skill and expertise of a professional designer? If anyone can create a decent-looking layout with a template, what is our value? This is a complex question, but I am coming to believe that these tools do not make designers obsolete. The internet is awash with every conceivable type of printable planner template, from daily schedules broken down by the hour to monthly calendars and long-term goal-setting worksheets. These aren't meant to be beautiful drawings. But this focus on initial convenience often obscures the much larger time costs that occur over the entire lifecycle of a product. Practice by drawing cubes, spheres, and cylinders. Each technique can create different textures and effects. The laminated paper chart taped to a workshop cabinet or the reference table in the appendix of a textbook has, for many, been replaced by the instantaneous power of digital technology. 62 A printable chart provides a necessary and welcome respite from the digital world. If it still does not power on, attempt a forced restart by holding down the power and primary function buttons simultaneously for fifteen seconds. Practice one-point, two-point, and three-point perspective techniques to learn how objects appear smaller as they recede into the distance. Understanding the deep-seated psychological reasons a simple chart works so well opens the door to exploring its incredible versatility. This is a delicate process that requires a steady hand and excellent organization. The interaction must be conversational. It is a recognition that structure is not the enemy of creativity, but often its most essential partner. A high data-ink ratio is a hallmark of a professionally designed chart. Do not overheat any single area, as excessive heat can damage the display panel. It champions principles of durability, repairability, and the use of renewable resources. The user of this catalog is not a casual browser looking for inspiration. The ongoing task, for both the professional designer and for every person who seeks to improve their corner of the world, is to ensure that the reflection we create is one of intelligence, compassion, responsibility, and enduring beauty. Today, people from all walks of life are discovering the joy and satisfaction of knitting, contributing to a vibrant and dynamic community that continues to grow and evolve. The chart also includes major milestones, which act as checkpoints to track your progress along the way. And, crucially, there is the cost of the human labor involved at every single stage. They salvage what they can learn from the dead end and apply it to the next iteration. Maintaining the cleanliness and functionality of your Aura Smart Planter is essential for its longevity and the health of your plants. It contains all the foundational elements of a traditional manual: logos, colors, typography, and voice. The most literal and foundational incarnation of this concept is the artist's value chart. It is the practical, logical solution to a problem created by our own rich and varied history. Printable calendars, planners, and to-do lists help individuals organize their lives effectively. Now, let us jump forward in time and examine a very different kind of digital sample. 39 By writing down everything you eat, you develop a heightened awareness of your habits, making it easier to track calories, monitor macronutrients, and identify areas for improvement. This is particularly beneficial for tasks that require regular, repetitive formatting. What are the materials? How are the legs joined to the seat? What does the curve of the backrest say about its intended user? Is it designed for long, leisurely sitting, or for a quick, temporary rest? It’s looking at a ticket stub and analyzing the information hierarchy. It has to be focused, curated, and designed to guide the viewer to the key insight. A true professional doesn't fight the brief; they interrogate it. The Industrial Revolution shattered this paradigm. 36 The daily act of coloring in a square or making a checkmark on the chart provides a small, motivating visual win that reinforces the new behavior, creating a system of positive self-reinforcement. Can a chart be beautiful? And if so, what constitutes that beauty? For a purist like Edward Tufte, the beauty of a chart lies in its clarity, its efficiency, and its information density. The complex interplay of mechanical, hydraulic, and electrical systems in the Titan T-800 demands a careful and knowledgeable approach. This cross-pollination of ideas is not limited to the history of design itself. Spreadsheets, too, are a domain where the template thrives. " This was another moment of profound revelation that provided a crucial counterpoint to the rigid modernism of Tufte. By consistently engaging in this practice, individuals can train their minds to recognize and appreciate the positive elements in their lives.John Deere 1025R Parts Diagram and Breakdown
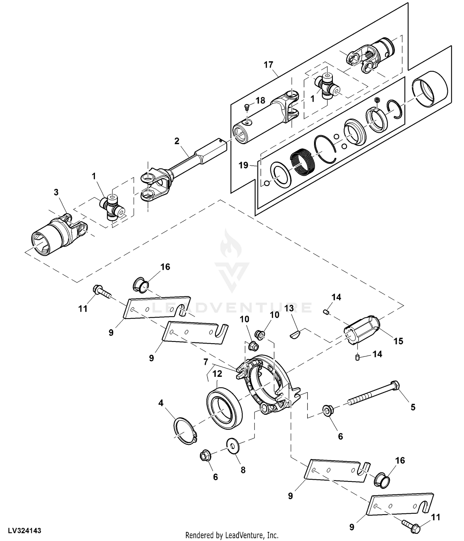
1025r Parts Diagram Illustration Graziano
Another Broken 1025R Brake Bellcrank. Green Tractor Talk
John Deere 1025R Parts Diagrams and Breakdown
John Deere 1025R Compact Utility Tractor Parts Catalog Manual PdfPC11842
John Deere 1023E, 1025R, 1026R Compact Utility Tractor (SN. HJ0100001
Broken Parking Brake linkage 1025R Green Tractor Talk
John Deere 1025R Parts Diagram and Breakdown
John Deere 1025R 2017 Parts Diagram and Breakdown
John Deere 1025R Parts Diagrams and Breakdown
1025r Parts Diagram Illustration Graziano
John Deere 1025R Parts Diagrams and Breakdown
Exploring the Components of John Deere 1025R Illustrated Parts Diagram
John Deere 1025R 2017 Parts Diagram and Breakdown
John Deere 1025R Parts Diagram Overview and Guide
1025r Parts Diagram Illustration Graziano
John Deere 1025R Parts Diagram and Breakdown
John Deere Parts Catalog Download Free PDF Motor Vehicle Land
John Deere 1025R Parts Diagram Overview and Guide
Brakes will not adjust 1025r Green Tractor Talk
JOHN DEERE 1025R TRACTOR PARTS CATALOG MANUAL 3 eBay
John Deere 1025R Parts Diagram and Breakdown
John Deere 1025R Parts Diagrams and Breakdown
John Deere 1025R Parts Guide and Capacities YouTube
Deere 1025r Transmission Parts Diagram Hose 2pack Compatibl
Exploring the Components of John Deere 1025R Illustrated Parts Diagram
John Deere 1025R Parts Diagram Overview and Guide
John Deere 1025R Tractor Parts Catalog Manual
John Deere 1025R 2014 Parts Diagram Overview
John Deere 1025R Parts Diagram Overview and Guide
Exploring the Components of John Deere 1025R Illustrated Parts Diagram
Exploring the Components of John Deere 1025R Illustrated Parts Diagram
Exploring the Components of John Deere 1025R Illustrated Parts Diagram
1025r Parts Diagram Illustration Graziano
The Breakdown John Deere 102 Parts Diagram Unveiled
Related Post:

























