Honda Eu2000I Generator Parts Catalog
Honda Eu2000I Generator Parts Catalog - It’s a simple trick, but it’s a deliberate lie. Before you begin, ask yourself what specific story you want to tell or what single point of contrast you want to highlight. It is best to use simple, consistent, and legible fonts, ensuring that text and numbers are large enough to be read comfortably from a typical viewing distance. Disconnect the hydraulic lines leading to the turret's indexing motor and clamping piston. It was an idea for how to visualize flow and magnitude simultaneously. A study schedule chart is a powerful tool for taming the academic calendar and reducing the anxiety that comes with looming deadlines. The typography is the default Times New Roman or Arial of the user's browser. If necessary, it may also provide a gentle corrective steering input to help you get back into your lane. The allure of drawing lies in its versatility, offering artists a myriad of techniques and mediums to explore. This is the template evolving from a simple layout guide into an intelligent and dynamic system for content presentation. The printable is a tool of empowerment, democratizing access to information, design, and even manufacturing. This shift has fundamentally altered the materials, processes, and outputs of design. The interior rearview mirror should provide a panoramic view of the scene directly behind your vehicle through the rear window. With your model number in hand, the next step is to navigate to our official support website, which is the sole authorized source for our owner's manuals. Pattern recognition algorithms are employed in various applications, including image and speech recognition, enabling technologies such as facial recognition and voice-activated assistants. The hands-free liftgate is particularly useful when your arms are full. There are no smiling children, no aspirational lifestyle scenes. A database, on the other hand, is a living, dynamic, and endlessly queryable system. Sellers must provide clear instructions for their customers. Building Better Habits: The Personal Development ChartWhile a chart is excellent for organizing external tasks, its true potential is often realized when it is turned inward to focus on personal growth and habit formation. The people who will use your product, visit your website, or see your advertisement have different backgrounds, different technical skills, different motivations, and different contexts of use than you do. The printable planner is a quintessential example. Now, I understand that the blank canvas is actually terrifying and often leads to directionless, self-indulgent work. This document serves as the official repair manual for the "ChronoMark," a high-fidelity portable time-capture device. His concept of "sparklines"—small, intense, word-sized graphics that can be embedded directly into a line of text—was a mind-bending idea that challenged the very notion of a chart as a large, separate illustration. Following seat and steering wheel adjustment, set your mirrors. This was a catalog for a largely rural and isolated America, a population connected by the newly laid tracks of the railroad but often miles away from the nearest town or general store. During the journaling process, it is important to observe thoughts and feelings without judgment, allowing them to flow naturally. Many resources offer free or royalty-free images that can be used for both personal and commercial purposes. This model imposes a tremendous long-term cost on the consumer, not just in money, but in the time and frustration of dealing with broken products and the environmental cost of a throwaway culture. 48 An ethical chart is also transparent; it should include clear labels, a descriptive title, and proper attribution of data sources to ensure credibility and allow for verification. Activate your hazard warning flashers immediately. The outside mirrors should be adjusted using the power mirror switch on the driver's door. A designer can use the components in their design file, and a developer can use the exact same components in their code. When replacing seals, ensure they are correctly lubricated with hydraulic fluid before installation to prevent tearing. In the real world, the content is often messy. It is a mirror that can reflect the complexities of our world with stunning clarity, and a hammer that can be used to build arguments and shape public opinion. 42Beyond its role as an organizational tool, the educational chart also functions as a direct medium for learning. This entire process is a crucial part of what cognitive scientists call "encoding," the mechanism by which the brain analyzes incoming information and decides what is important enough to be stored in long-term memory. A user can search online and find a vast library of printable planner pages, from daily schedules to monthly overviews. The myth of the hero's journey, as identified by Joseph Campbell, is perhaps the ultimate ghost template for storytelling. This understanding naturally leads to the realization that design must be fundamentally human-centered. The legendary presentations of Hans Rosling, using his Gapminder software, are a masterclass in this. It has become the dominant organizational paradigm for almost all large collections of digital content. The experience of using an object is never solely about its mechanical efficiency. The process of achieving goals, even the smallest of micro-tasks, is biochemically linked to the release of dopamine, a powerful neurotransmitter associated with feelings of pleasure, reward, and motivation. Competitors could engage in "review bombing" to sabotage a rival's product. I began to learn about its history, not as a modern digital invention, but as a concept that has guided scribes and artists for centuries, from the meticulously ruled manuscripts of the medieval era to the rational page constructions of the Renaissance. The most successful designs are those where form and function merge so completely that they become indistinguishable, where the beauty of the object is the beauty of its purpose made visible. 1 Furthermore, prolonged screen time can lead to screen fatigue, eye strain, and a general sense of being drained. When performing any maintenance or cleaning, always unplug the planter from the power source. This structure, with its intersecting rows and columns, is the very bedrock of organized analytical thought. Inevitably, we drop pieces of information, our biases take over, and we default to simpler, less rational heuristics. This is a type of flowchart that documents every single step in a process, from raw material to finished product. By transforming a digital blueprint into a tangible workspace, the printable template provides the best of both worlds: professional, accessible design and a personal, tactile user experience. It's a way to make the idea real enough to interact with. A true cost catalog for a "free" social media app would have to list the data points it collects as its price: your location, your contact list, your browsing history, your political affiliations, your inferred emotional state. A flowchart visually maps the sequential steps of a process, using standardized symbols to represent actions, decisions, inputs, and outputs. To learn to read them, to deconstruct them, and to understand the rich context from which they emerged, is to gain a more critical and insightful understanding of the world we have built for ourselves, one page, one product, one carefully crafted desire at a time. This sample is a powerful reminder that the principles of good catalog design—clarity, consistency, and a deep understanding of the user's needs—are universal, even when the goal is not to create desire, but simply to provide an answer. In Europe, particularly in the early 19th century, crochet began to gain popularity. These new forms challenge our very definition of what a chart is, pushing it beyond a purely visual medium into a multisensory experience. The Project Manager's Chart: Visualizing the Path to CompletionWhile many of the charts discussed are simple in their design, the principles of visual organization can be applied to more complex challenges, such as project management. The rise of voice assistants like Alexa and Google Assistant presents a fascinating design challenge. The tactile and handmade quality of crochet pieces adds a unique element to fashion, contrasting with the mass-produced garments that dominate the industry. Looking back now, my initial vision of design seems so simplistic, so focused on the surface. Exploring the Japanese concept of wabi-sabi—the appreciation of imperfection, transience, and the beauty of natural materials—offered a powerful antidote to the pixel-perfect, often sterile aesthetic of digital design. This is when I encountered the work of the information designer Giorgia Lupi and her concept of "Data Humanism. To do this, you can typically select the chart and use a "Move Chart" function to place it on a new, separate sheet within your workbook. In the vast lexicon of visual tools designed to aid human understanding, the term "value chart" holds a uniquely abstract and powerful position. It brings order to chaos, transforming daunting challenges into clear, actionable plans. The wheel should be positioned so your arms are slightly bent when holding it, allowing for easy turning without stretching. While you can create art with just a pencil and paper, exploring various tools can enhance your skills and add diversity to your work. It is selling not just a chair, but an entire philosophy of living: a life that is rational, functional, honest in its use of materials, and free from the sentimental clutter of the past. This was the direct digital precursor to the template file as I knew it. Using a smartphone, a user can now superimpose a digital model of a piece of furniture onto the camera feed of their own living room. Our working memory, the cognitive system responsible for holding and manipulating information for short-term tasks, is notoriously limited. " It is, on the surface, a simple sales tool, a brightly coloured piece of commercial ephemera designed to be obsolete by the first week of the new year. Someone will inevitably see a connection you missed, point out a flaw you were blind to, or ask a question that completely reframes the entire problem. This system is the single source of truth for an entire product team.Exploring the Inner Workings of the Honda EU2000i Generator A Parts
Exploring the Inner Workings of the Honda EU2000i Generator A Parts
Honda EU2000i Generator Parts Diagram Overview
Honda Generators EU2000I AA VIN EAAJ1036878 TO EAAJ 1169999 OEM
Exploring the Inner Workings of the Honda EU2000i Generator A Parts
EU2000i Carburetor for Honda Generator EB2000i EU2000i With
Honda EU2000i Generator Parts Breakdown
Honda EU2000i A (EAAJ) Honda Generator, Made in Japan (SN EAAJ
Honda EU2000i Generator Parts Diagram Overview
Exploring the Inner Workings of a Honda 2000 Generator A Detailed
Honda Generator EU2000i Parts Diagram and Breakdown
Alamia,Inc. Genuine Honda OEM Parts, EU2000i Generator, Maintenance
Honda EU2000i T1 A4 (EACT) Honda Generator, Made in Thailand (SN
Honda EU2000i Generator Maintenance Guide Honda Lawn Parts Blog
Honda EU2000i Generator Parts Diagram Guide
Honda EU2000i Generator Parts Breakdown
Understanding and Using the Honda EU2000i Generator Parts Diagram
Honda EU2000i A (EAAJ) Honda Generator, Made in Japan (SN EAAJ
Honda Power Products Parts Parts look up and information
Honda Power Products Parts Parts look up and information
Honda Eu2000 Parts Diagram Honda EU 2000 Generator Maintenance
Honda EU2000i T1 A1 (EACT) Honda Generator, Made in Thailand (SN
Honda Generators EU2000I AA VIN EAAJ1036878 TO EAAJ 1169999 OEM
Honda EU2000i Generator Parts Diagram Guide
Honda EU2000i AC (EAAJ) Honda Generator, Made in Japan (SN EAAJ
Get Started with Your Honda EU2000i Generator Honda Lawn Parts Blog
Understanding and Using the Honda EU2000i Generator Parts Diagram
Understanding and Using the Honda EU2000i Generator Parts Diagram
YUMBO spare parts catalog for генератора HONDA EU2000I A FRONT COVER
Exploring the Inner Workings of the Honda EU2000i Generator A Parts
Honda EU2000i AC (EAAJ) Honda Generator, Made in Japan (SN EAAJ
Honda Generator EU2000i Parts Diagram and Breakdown
Honda Generators EU2000I AA VIN EAAJ1036878 TO EAAJ 1169999 OEM
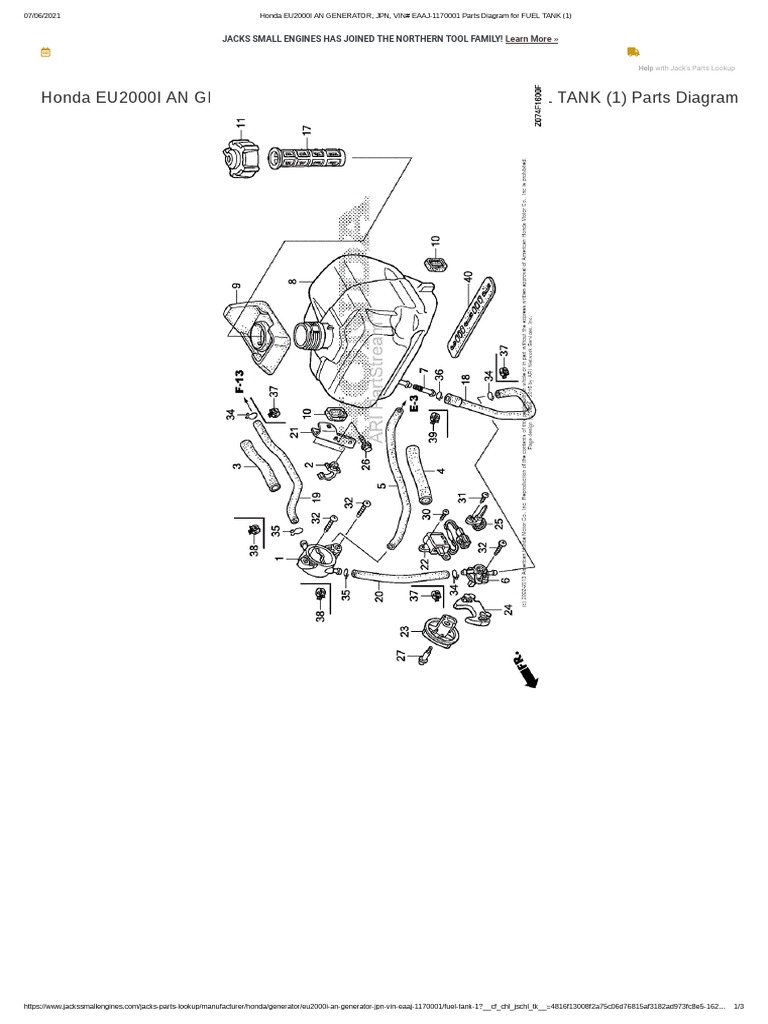
Honda EU2000I AN GENERATOR, JPN, VIN EAAJ1170001 Parts Diagram For
Honda EU2000i AC (EAAJ) Honda Generator, Made in Japan (SN EAAJ
Related Post:































