Hendrickson Intraax Parts Catalog
Hendrickson Intraax Parts Catalog - By providing a tangible record of your efforts and progress, a health and fitness chart acts as a powerful data collection tool and a source of motivation, creating a positive feedback loop where logging your achievements directly fuels your desire to continue. For a chair design, for instance: What if we *substitute* the wood with recycled plastic? What if we *combine* it with a bookshelf? How can we *adapt* the design of a bird's nest to its structure? Can we *modify* the scale to make it a giant's chair or a doll's chair? What if we *put it to another use* as a plant stand? What if we *eliminate* the backrest? What if we *reverse* it and hang it from the ceiling? Most of the results will be absurd, but the process forces you to break out of your conventional thinking patterns and can sometimes lead to a genuinely innovative breakthrough. It was a window, and my assumption was that it was a clear one, a neutral medium that simply showed what was there. A low or contaminated fluid level is a common cause of performance degradation. Her charts were not just informative; they were persuasive. The main spindle is driven by a 30-kilowatt, liquid-cooled vector drive motor, providing a variable speed range from 50 to 3,500 revolutions per minute. Digital planners and applications offer undeniable advantages: they are accessible from any device, provide automated reminders, facilitate seamless sharing and collaboration, and offer powerful organizational features like keyword searching and tagging. Similarly, a sunburst diagram, which uses a radial layout, can tell a similar story in a different and often more engaging way. The technical specifications of your Aeris Endeavour are provided to give you a detailed understanding of its engineering and capabilities. A click leads to a blog post or a dedicated landing page where the creator often shares the story behind their creation or offers tips on how to best use it. The currently selected gear is always displayed in the instrument cluster. This is the scaffolding of the profession. This means the customer cannot resell the file or the printed item. It is the difficult, necessary, and ongoing work of being a conscious and responsible citizen in a world where the true costs are so often, and so deliberately, hidden from view. This is the single most important distinction, the conceptual leap from which everything else flows. Yet, beneath this utilitarian definition lies a deep and evolving concept that encapsulates centuries of human history, technology, and our innate desire to give tangible form to intangible ideas. The chart becomes a rhetorical device, a tool of persuasion designed to communicate a specific finding to an audience. By consistently engaging in this practice, individuals can train their minds to recognize and appreciate the positive elements in their lives. It forces deliberation, encourages prioritization, and provides a tangible record of our journey that we can see, touch, and reflect upon. It returns zero results for a reasonable query, it surfaces completely irrelevant products, it feels like arguing with a stubborn and unintelligent machine. The next leap was the 360-degree view, allowing the user to click and drag to rotate the product as if it were floating in front of them. Like most students, I came into this field believing that the ultimate creative condition was total freedom. 59 This specific type of printable chart features a list of project tasks on its vertical axis and a timeline on the horizontal axis, using bars to represent the duration of each task. 27 This process connects directly back to the psychology of motivation, creating a system of positive self-reinforcement that makes you more likely to stick with your new routine. You can simply click on any of these entries to navigate directly to that page, eliminating the need for endless scrolling. Adjust them outward just to the point where you can no longer see the side of your own vehicle; this maximizes your field of view and helps reduce blind spots. The Power of Writing It Down: Encoding and the Generation EffectThe simple act of putting pen to paper and writing down a goal on a chart has a profound psychological impact. Before a single product can be photographed or a single line of copy can be written, a system must be imposed. The full-spectrum LED grow light is another key element of your planter’s automated ecosystem. We see it in the monumental effort of the librarians at the ancient Library of Alexandria, who, under the guidance of Callimachus, created the *Pinakes*, a 120-volume catalog that listed and categorized the hundreds of thousands of scrolls in their collection. A themed banner can be printed and assembled at home. You may also need to restart the app or your mobile device. However, hand knitting remained a cherished skill, particularly among women, who often used it as a means of contributing to their household income or as a leisure activity. The heart of the Aura Smart Planter’s intelligent system lies in its connectivity and the intuitive companion application, which is available for both iOS and Android devices. The product image is a tiny, blurry JPEG. In this context, the value chart is a tool of pure perception, a disciplined method for seeing the world as it truly appears to the eye and translating that perception into a compelling and believable image. 6 The statistics supporting this are compelling; studies have shown that after a period of just three days, an individual is likely to retain only 10 to 20 percent of written or spoken information, whereas they will remember nearly 65 percent of visual information. These anthropocentric units were intuitive and effective for their time and place, but they lacked universal consistency. The early days of small, pixelated images gave way to an arms race of visual fidelity. The underlying function of the chart in both cases is to bring clarity and order to our inner world, empowering us to navigate our lives with greater awareness and intention. They arrived with a specific intent, a query in their mind, and the search bar was their weapon. Frustrated by the dense and inscrutable tables of data that were the standard of his time, Playfair pioneered the visual forms that now dominate data representation. This spatial organization converts a chaotic cloud of data into an orderly landscape, enabling pattern recognition and direct evaluation with an ease and accuracy that our unaided memory simply cannot achieve. You can then lift the lid and empty any remaining water from the basin. This sample is a fascinating study in skeuomorphism, the design practice of making new things resemble their old, real-world counterparts. It can inform hiring practices, shape performance reviews, guide strategic planning, and empower employees to make autonomous decisions that are consistent with the company's desired culture. It’s a move from being a decorator to being an architect. Each item would come with a second, shadow price tag. And now, in the most advanced digital environments, the very idea of a fixed template is beginning to dissolve. Moreover, drawing is a journey of self-discovery and growth. The first dataset shows a simple, linear relationship. The length of a bar becomes a stand-in for a quantity, the slope of a line represents a rate of change, and the colour of a region on a map can signify a specific category or intensity. It’s the understanding that the power to shape perception and influence behavior is a serious responsibility, and it must be wielded with care, conscience, and a deep sense of humility. The layout was a rigid, often broken, grid of tables. It watches the area around the rear of your vehicle and can warn you about vehicles it detects approaching from either side. I had to define a primary palette—the core, recognizable colors of the brand—and a secondary palette, a wider range of complementary colors for accents, illustrations, or data visualizations. It's the architecture that supports the beautiful interior design. The printable chart is also an invaluable asset for managing personal finances and fostering fiscal discipline. An experiment involving monkeys and raisins showed that an unexpected reward—getting two raisins instead of the expected one—caused a much larger dopamine spike than a predictable reward. The true purpose of imagining a cost catalog is not to arrive at a final, perfect number. A doctor can print a custom surgical guide based on a patient's CT scan. We look for recognizable structures to help us process complex information and to reduce cognitive load. Unlike the Sears catalog, which was a shared cultural object that provided a common set of desires for a whole society, this sample is a unique, ephemeral artifact that existed only for me, in that moment. A product that is beautiful and functional but is made through exploitation, harms the environment, or excludes a segment of the population can no longer be considered well-designed. This is followed by a period of synthesis and ideation, where insights from the research are translated into a wide array of potential solutions. Users can print, cut, and fold paper to create boxes or sculptures. There are several fundamental stitches that form the building blocks of crochet: the chain stitch, single crochet, double crochet, and treble crochet, to name a few. The enduring power of this simple yet profound tool lies in its ability to translate abstract data and complex objectives into a clear, actionable, and visually intuitive format. Suddenly, the simple act of comparison becomes infinitely more complex and morally fraught. The images are not aspirational photographs; they are precise, schematic line drawings, often shown in cross-section to reveal their internal workings. Some of the best ideas I've ever had were not really my ideas at all, but were born from a conversation, a critique, or a brainstorming session with my peers. It is a mirror reflecting our values, our priorities, and our aspirations. 4 This significant increase in success is not magic; it is the result of specific cognitive processes that are activated when we physically write. The design philosophy behind an effective printable template is centered on the end-user and the final, physical artifact. This has led to the now-common and deeply uncanny experience of seeing an advertisement on a social media site for a product you were just looking at on a different website, or even, in some unnerving cases, something you were just talking about. Gail Matthews, a psychology professor at Dominican University, found that individuals who wrote down their goals were a staggering 42 percent more likely to achieve them compared to those who merely thought about them. Never use a damaged or frayed power cord, and always ensure the cord is positioned in a way that does not present a tripping hazard. 49 Crucially, a good study chart also includes scheduled breaks to prevent burnout, a strategy that aligns with proven learning techniques like the Pomodoro Technique, where focused work sessions are interspersed with short rests.Hendrickson Intraax Parts Catalog Catalog Library
Hendrickson launches new digital trailer parts catalog Trailer Body
Hendrickson Intraax Parts Catalog Catalog Library
Hendrickson INTRAAX AANT 23K Top Mount Fixed Truck
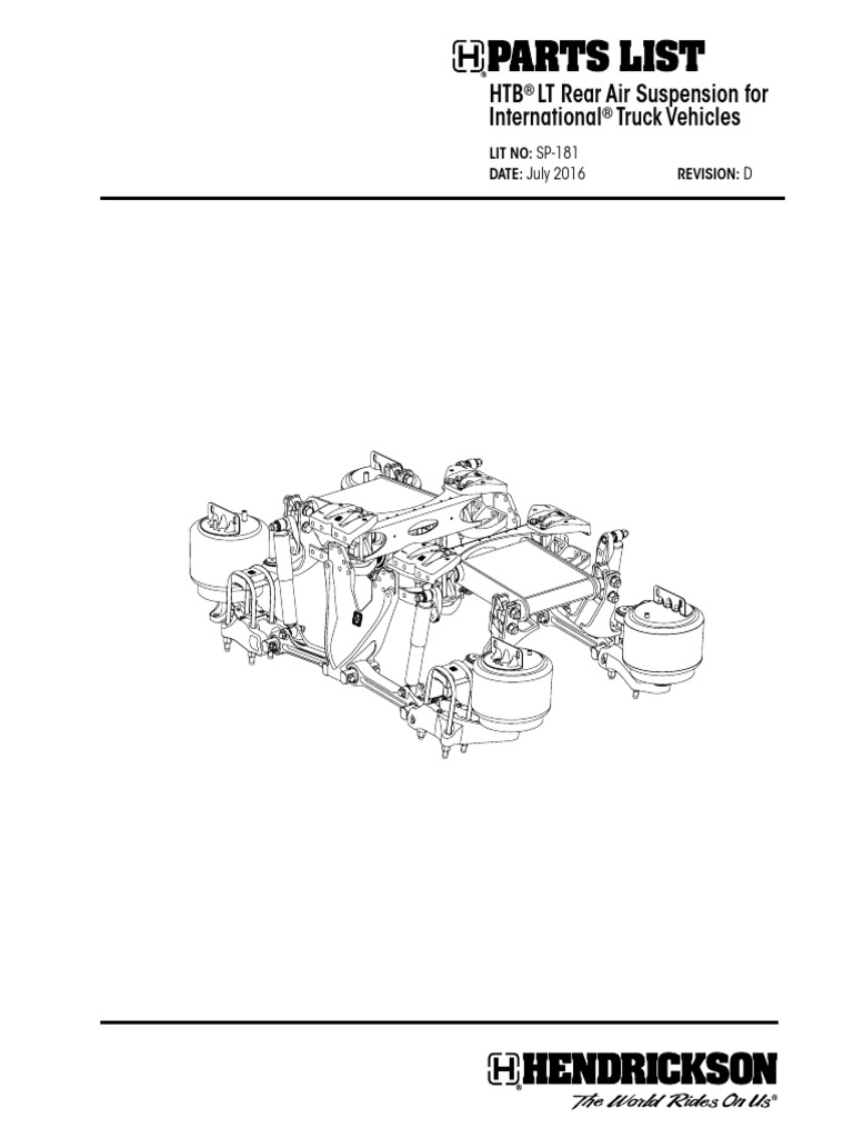
Hendrickson Trailer INTRAAX AANT 23K
Hendrickson Suspension Parts Catalog Pdf Catalog Library
Hendrickson launches new digital truck parts catalog FleetOwner
Hendrickson Truck Parts Catalog Download Free PDF Axle Bearing
Hendrickson releases digital trailer catalog Trucks, Parts, Service
Hendrickson Air System Components Catalog
Hendrickson releases new catalog Trucks, Parts, Service
Hendrickson Intraax Parts Catalog Catalog Library
Air Spring Assembly Hendrickson Intrax 6.5" & 7.5" / Trailer Truck
Hendrickson Suspension Parts Catalog Pdf Catalog Library
Air Spring Assembly Hendrickson Intraax AA250, Metal Piston
Hendrickson updates truck parts catalog
Hendrickson Tiremaxx Parts List PDF Electrical Connector Axle
Hendrickson Suspension Parts Catalog Pdf Catalog Library
Hendrickson Intraax Parts Catalog Catalog Library
Hendrickson Trailer Parts Digital Catalog New Equipment Digest
RT/RTE 380/400/440/460, RT2/RT2E 400/460 TANDEM
RH S CAM HENDRICKSON INTRAAX HNS246361R Truck & Trailer Parts
HENDRICKSON SUSPENSION SCHEMATIC GUIDE TRAILER
Hendrickson INTRAAX AAT 23K, 25K, 30K
Lista de Partes de Suspension Hendricson PDF Axle Washer (Hardware)
Parts List Intraax Aat 23K, 25K, 30K PDF Vehicle Technology
Hendrickson Suspension Parts Catalog Pdf Catalog Library
Hendrickson Suspension Parts Diagram
Hendrickson Primaax Suspension Parts Breakdown
MAAXUPTIME Use Hendrickson Genuine Parts
HendricksonCatalogPopularSuspensionParts2018 PDF Axle
INTRAAX® AANT Integrated Trailer Air Suspension YouTube
Flip into 2024! The Hendrickson Auxiliary Parts Catalog is now
Hendrickson Suspension Parts Catalogue at Stuart Anderson blog
Related Post:



























