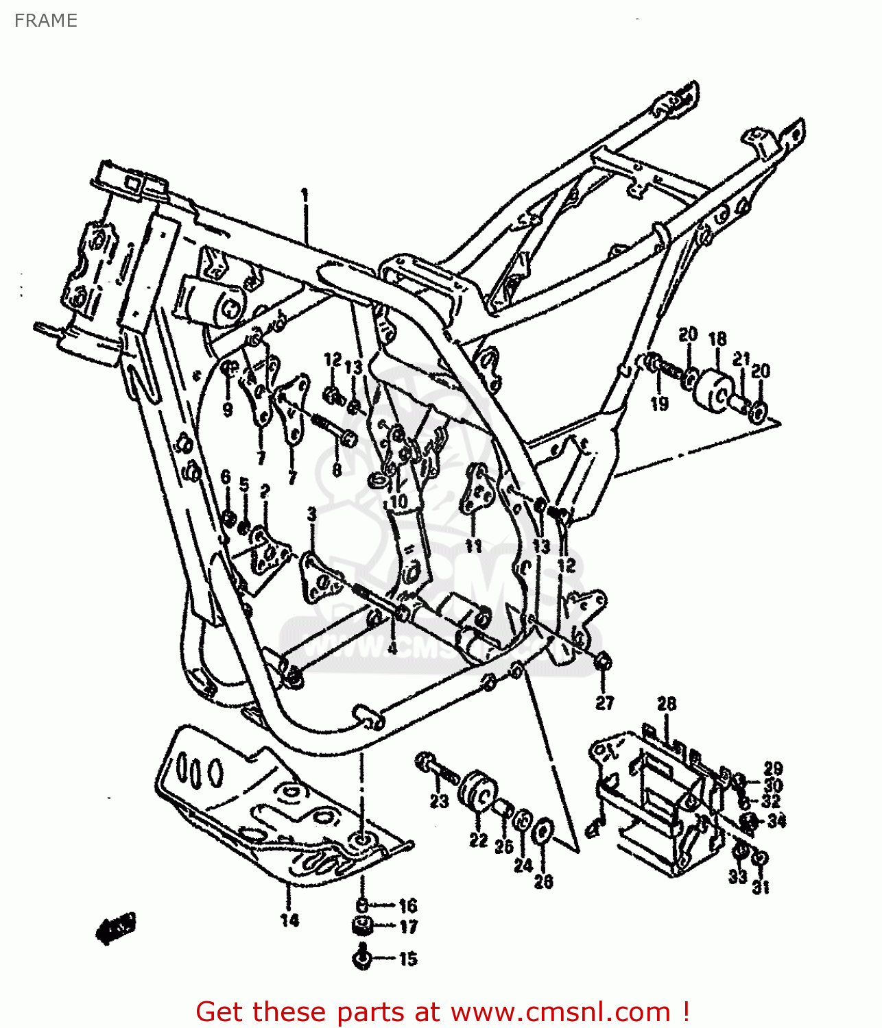
Dr650 Parts Catalog
Dr650 Parts Catalog - Once the seat and steering wheel are set, you must adjust your mirrors. It is a piece of furniture in our mental landscape, a seemingly simple and unassuming tool for presenting numbers. It can be placed in a frame, tucked into a wallet, or held in the hand, becoming a physical totem of a memory. It solves an immediate problem with a simple download. Over-reliance on AI without a critical human eye could lead to the proliferation of meaningless or even biased visualizations. Thus, the printable chart makes our goals more memorable through its visual nature, more personal through the act of writing, and more motivating through the tangible reward of tracking progress. I crammed it with trendy icons, used about fifteen different colors, chose a cool but barely legible font, and arranged a few random bar charts and a particularly egregious pie chart in what I thought was a dynamic and exciting layout. The intended audience for this sample was not the general public, but a sophisticated group of architects, interior designers, and tastemakers. You may notice a slight smell, which is normal as coatings on the new parts burn off. 76 Cognitive load is generally broken down into three types. It means using annotations and callouts to highlight the most important parts of the chart. Its greatest strengths are found in its simplicity and its physicality. It was a tool for education, subtly teaching a generation about Scandinavian design principles: light woods, simple forms, bright colors, and clever solutions for small-space living. The soaring ceilings of a cathedral are designed to inspire awe and draw the eye heavenward, communicating a sense of the divine. 25 This makes the KPI dashboard chart a vital navigational tool for modern leadership, enabling rapid, informed strategic adjustments. A truly consumer-centric cost catalog would feature a "repairability score" for every item, listing its expected lifespan and providing clear information on the availability and cost of spare parts. 20 This small "win" provides a satisfying burst of dopamine, which biochemically reinforces the behavior, making you more likely to complete the next task to experience that rewarding feeling again. Drawing is a fundamental form of expression and creativity, serving as the foundation for many other art forms. It is to cultivate a new way of seeing, a new set of questions to ask when we are confronted with the simple, seductive price tag. This perspective champions a kind of rational elegance, a beauty of pure utility. 51 The chart compensates for this by providing a rigid external structure and relying on the promise of immediate, tangible rewards like stickers to drive behavior, a clear application of incentive theory. This enduring psychological appeal is why the printable continues to thrive alongside its digital counterparts. If not, complete typing the full number and then press the "Enter" key on your keyboard or click the "Search" button next to the search bar. To me, it represented the very antithesis of creativity. The cognitive cost of sifting through thousands of products, of comparing dozens of slightly different variations, of reading hundreds of reviews, is a significant mental burden. In an age of seemingly endless digital solutions, the printable chart has carved out an indispensable role. It was the "no" document, the instruction booklet for how to be boring and uniform. 14 Furthermore, a printable progress chart capitalizes on the "Endowed Progress Effect," a psychological phenomenon where individuals are more motivated to complete a goal if they perceive that some progress has already been made. Beyond enhancing memory and personal connection, the interactive nature of a printable chart taps directly into the brain's motivational engine. The Industrial Revolution shattered this paradigm. In most cases, this will lead you directly to the product support page for your specific model. You have to anticipate all the different ways the template might be used, all the different types of content it might need to accommodate, and build a system that is both robust enough to ensure consistency and flexible enough to allow for creative expression. Challenge yourself to step out of your comfort zone and try something different. This "good enough" revolution has dramatically raised the baseline of visual literacy and quality in our everyday lives. The effectiveness of any printable chart, regardless of its purpose, is fundamentally tied to its design. A powerful explanatory chart often starts with a clear, declarative title that states the main takeaway, rather than a generic, descriptive title like "Sales Over Time. It begins with a problem, a need, a message, or a goal that belongs to someone else. 48 An ethical chart is also transparent; it should include clear labels, a descriptive title, and proper attribution of data sources to ensure credibility and allow for verification. Use a white background, and keep essential elements like axes and tick marks thin and styled in a neutral gray or black. Up until that point, my design process, if I could even call it that, was a chaotic and intuitive dance with the blank page. It is printed in a bold, clear typeface, a statement of fact in a sea of persuasive adjectives. The soaring ceilings of a cathedral are designed to inspire awe and draw the eye heavenward, communicating a sense of the divine. Working on any vehicle, including the OmniDrive, carries inherent risks, and your personal safety is the absolute, non-negotiable priority. We had to define the brand's approach to imagery. The seatback should be adjusted to an upright position that provides full support to your back, allowing you to sit comfortably without leaning forward. The adjustable light-support arm allows you to raise the LED light hood as your plants grow taller, ensuring that they always receive the proper amount of light without the risk of being scorched. Having to design a beautiful and functional website for a small non-profit with almost no budget forces you to be clever, to prioritize features ruthlessly, and to come up with solutions you would never have considered if you had unlimited resources. Let us examine a sample page from a digital "lookbook" for a luxury fashion brand, or a product page from a highly curated e-commerce site. The engine will start, and the instrument panel will illuminate. Realism: Realistic drawing aims to represent subjects as they appear in real life. Ultimately, design is an act of profound optimism. The "disadvantages" of a paper chart are often its greatest features in disguise. The process of achieving goals, even the smallest of micro-tasks, is biochemically linked to the release of dopamine, a powerful neurotransmitter associated with feelings of pleasure, reward, and motivation. We are pattern-matching creatures. They are the first clues, the starting points that narrow the infinite universe of possibilities down to a manageable and fertile creative territory. Artists, designers, and content creators benefit greatly from online templates. For the longest time, this was the entirety of my own understanding. Before a single product can be photographed or a single line of copy can be written, a system must be imposed. Spreadsheet templates streamline financial management, enabling accurate budgeting, forecasting, and data analysis. They are a powerful reminder that data can be a medium for self-expression, for connection, and for telling small, intimate stories. These historical journals offer a window into the past, revealing the thoughts, emotions, and daily activities of individuals from different eras. It can use dark patterns in its interface to trick users into signing up for subscriptions or buying more than they intended. For most of human existence, design was synonymous with craft. A certain "template aesthetic" emerges, a look that is professional and clean but also generic and lacking in any real personality or point of view. Start by ensuring all internal components are properly seated and all connectors are securely fastened. A well-placed family chore chart can eliminate ambiguity and arguments over who is supposed to do what, providing a clear, visual reference for everyone. 17The Psychology of Progress: Motivation, Dopamine, and Tangible RewardsThe simple satisfaction of checking a box, coloring in a square, or placing a sticker on a printable chart is a surprisingly powerful motivator. This approach is incredibly efficient, as it saves designers and developers from reinventing the wheel on every new project. Finally, it’s crucial to understand that a "design idea" in its initial form is rarely the final solution. " This principle, supported by Allan Paivio's dual-coding theory, posits that our brains process and store visual and verbal information in separate but related systems. These kits include vintage-style images, tags, and note papers. I see it as a craft, a discipline, and a profession that can be learned and honed. The app will automatically detect your Aura Smart Planter and prompt you to establish a connection. Thank you for choosing Ford. Some of the best ideas I've ever had were not really my ideas at all, but were born from a conversation, a critique, or a brainstorming session with my peers. This guide is built on shared experience, trial and error, and a collective passion for keeping these incredible vehicles on the road without breaking the bank. It transformed the text from a simple block of information into a thoughtfully guided reading experience. It is a negative space that, when filled with raw material, produces a perfectly formed, identical object every single time.Dr650 Parts Diagram and Components Breakdown
!!EXCLUSIVE!! Dr650 Manual
Suzuki DR650 onderdelen diagram uitleg
Two Brother Racing DR650 199805 Suzuki Instruction Manual
Suzuki DR650RSE 1991 (M) (2 4 15 16 E17 E18 E21 E22 E24 E25 E34 E39 E53
Catálogo de Piezas Suzuki DR650 PDF
Diagramme des pièces du Dr650 pour une meilleure réparation
SUZUKI DR650 CARBURETOR REPAIR KIT 19962013
Suzuki DR650SE 1998 (W) USA (E03) REAR WHEEL buy original REAR WHEEL
Suzuki DR650 Parts, Accessories & Best Modifications ProCycle.us
DR650SE PRODUCTS SUZUKI MOTORCYCLE GLOBAL SALON MOTORCYCLE
Carburetor (Dr650Sel7 E03) for 2017 Suzuki DR650 USA/ Canada sales
Visual Guide Understanding the Dr650 Carburetor
Visual Guide Understanding the Dr650 Carburetor
Mikuni BST40 DR650 Rebuild Kit MKBST40233 Genuine Genuine Mikuni
Suzuki DR650R 1990 (L) (E2 E4 E15 E16 E17 E18 E21 E22 E24 E25 E34 E39 E
Suzuki Dr650 Se (usa) Carburetor schematic partsfiche
Suzuki DR650 onderdelen diagram uitleg
Suzuki Dr650se 1997 (v) (e02 E04 E17 E18 E22 E24 E34) Carburetor
Suzuki DR650 Carburetor Rebuild Kit
Dr650 Parts Diagram and Components Breakdown
Diagramme des pièces du Dr650 pour une meilleure réparation
Suzuki OEM ORing Oil Filter and more Multi Fit DR650 DR LS650 DL650 0
Suzuki DR650 onderdelen diagram uitleg
Suzuki DR650SE 2000 (Y) CLUTCH buy original CLUTCH spares online
Understanding the Carburetor of the Dr650 A Helpful Diagram
Suzuki DR650SE 1996 (T) (E02 E04 E17 E18 E22 E24 E34 E37) P37 GRIP
FICHA TECNICA DR 650 Compressed PDF
Suzuki DR650 Parts Xitomer
Buy 20012003 Suzuki Motorcycle DR650SE K1 K2 K3 Microfiche Parts
Suzuki DR650RS 1991 (M) (2 4 15 E16 E17 E18 E21 E22 E24 E25 E34 E39 E53
Vtg 1997 Suzuki DR650 SE DR350 SE DR200 SE DS80 JR50 Motorcycle Dealer
Vtg 1997 Suzuki DR650 SE DR350 SE DR200 SE DS80 JR50 Motorcycle Dealer
DR650 Rear Rack Suzuki Canada Inc.
Related Post:




























