Cirrus Sr20 Illustrated Parts Catalog
Cirrus Sr20 Illustrated Parts Catalog - People tend to trust charts more than they trust text. The impact of the educational printable is profoundly significant, representing one of the most beneficial applications of this technology. Drive slowly at first in a safe area like an empty parking lot. For situations requiring enhanced engine braking, such as driving down a long, steep hill, you can select the 'B' (Braking) position. " The "catalog" would be the AI's curated response, a series of spoken suggestions, each with a brief description and a justification for why it was chosen. The ancient Egyptians used the cubit, the length of a forearm, while the Romans paced out miles with their marching legions. They were acts of incredible foresight, designed to last for decades and to bring a sense of calm and clarity to a visually noisy world. Furthermore, they are often designed to be difficult, if not impossible, to repair. The Professional's Chart: Achieving Academic and Career GoalsIn the structured, goal-oriented environments of the workplace and academia, the printable chart proves to be an essential tool for creating clarity, managing complexity, and driving success. This has led to the now-common and deeply uncanny experience of seeing an advertisement on a social media site for a product you were just looking at on a different website, or even, in some unnerving cases, something you were just talking about. It’s not a linear path from A to B but a cyclical loop of creating, testing, and refining. 27 Beyond chores, a printable chart can serve as a central hub for family organization, such as a weekly meal plan chart that simplifies grocery shopping or a family schedule chart that coordinates appointments and activities. The freedom of the blank canvas was what I craved, and the design manual seemed determined to fill that canvas with lines and boxes before I even had a chance to make my first mark. Remove the bolts securing the top plate, and using a soft mallet, gently tap the sides to break the seal. It allows creators to build a business from their own homes. Sometimes you may need to use a wrench to hold the guide pin's nut while you turn the bolt. Your Aeris Endeavour is designed with features to help you manage emergencies safely. Reserve bright, contrasting colors for the most important data points you want to highlight, and use softer, muted colors for less critical information. We are sincerely pleased you have selected the Toyota Ascentia, a vehicle that represents our unwavering commitment to quality, durability, and reliability. It ensures absolute consistency in the user interface, drastically speeds up the design and development process, and creates a shared language between designers and engineers. From the intricate designs on a butterfly's wings to the repetitive motifs in Islamic art, patterns captivate and engage us, reflecting the interplay of order and chaos, randomness and regularity. The designed world is the world we have collectively chosen to build for ourselves. It is the visible peak of a massive, submerged iceberg, and we have spent our time exploring the vast and dangerous mass that lies beneath the surface. 11 This is further strengthened by the "generation effect," a principle stating that we remember information we create ourselves far better than information we passively consume. This predictability can be comforting, providing a sense of stability in a chaotic world. I can draw over it, modify it, and it becomes a dialogue. 49 Crucially, a good study chart also includes scheduled breaks to prevent burnout, a strategy that aligns with proven learning techniques like the Pomodoro Technique, where focused work sessions are interspersed with short rests. It’s not just a single, curated view of the data; it’s an explorable landscape. The resulting idea might not be a flashy new feature, but a radical simplification of the interface, with a focus on clarity and reassurance. A student might be tasked with designing a single poster. A 3D printer reads this specialized printable file and constructs the object layer by layer from materials such as plastic, resin, or even metal. This visual power is a critical weapon against a phenomenon known as the Ebbinghaus Forgetting Curve. You don’t notice the small, daily deposits, but over time, you build a wealth of creative capital that you can draw upon when you most need it. It is also a profound historical document. In the event of an emergency, being prepared and knowing what to do can make a significant difference. This modernist dream, initially the domain of a cultural elite, was eventually democratized and brought to the masses, and the primary vehicle for this was another, now legendary, type of catalog sample. A website theme is a template for a dynamic, interactive, and fluid medium that will be viewed on a dizzying array of screen sizes, from a tiny watch face to a massive desktop monitor. The first step in any internal repair of the ChronoMark is the disassembly of the main chassis. The tools we use also have a profound, and often subtle, influence on the kinds of ideas we can have. Digital tools are dependent on battery life and internet connectivity, they can pose privacy and security risks, and, most importantly, they are a primary source of distraction through a constant barrage of notifications and the temptation of multitasking. Adjust the seat so that you can comfortably operate the accelerator and brake pedals with a slight bend in your knees, ensuring you do not have to stretch to reach them. To engage it, simply pull the switch up. It uses annotations—text labels placed directly on the chart—to explain key points, to add context, or to call out a specific event that caused a spike or a dip. Take note of how they were installed and where any retaining clips are positioned. It has transformed our shared cultural experiences into isolated, individual ones. The most literal and foundational incarnation of this concept is the artist's value chart. Ultimately, the design of a superior printable template is an exercise in user-centered design, always mindful of the journey from the screen to the printer and finally to the user's hands. The vehicle's electric power steering provides a light feel at low speeds for easy maneuvering and a firmer, more confident feel at higher speeds. I just start sketching, doodling, and making marks. Drawing is also a form of communication, allowing artists to convey complex ideas, emotions, and stories through visual imagery. I see it now for what it is: not an accusation, but an invitation. Amidst a sophisticated suite of digital productivity tools, a fundamentally analog instrument has not only persisted but has demonstrated renewed relevance: the printable chart. The goal is to create a clear and powerful fit between the two sides, ensuring that the business is creating something that customers actually value. " It was so obvious, yet so profound. The screen assembly's ribbon cables are the next to be disconnected. 13 A printable chart visually represents the starting point and every subsequent step, creating a powerful sense of momentum that makes the journey toward a goal feel more achievable and compelling. Fiber artists use knitting as a medium to create stunning sculptures, installations, and wearable art pieces that challenge our perceptions of what knitting can be. The educational sphere is another massive domain, providing a lifeline for teachers, homeschoolers, and parents. It is a device for focusing attention, for framing a narrative, and for turning raw information into actionable knowledge. I've learned that this is a field that sits at the perfect intersection of art and science, of logic and emotion, of precision and storytelling. Knitting played a crucial role in the economies and daily lives of many societies. In digital animation, an animator might use the faint ghost template of the previous frame, a technique known as onion-skinning, to create smooth and believable motion, ensuring each new drawing is a logical progression from the last. These small details make an event feel well-planned. The technological constraint of designing for a small mobile screen forces you to be ruthless in your prioritization of content. 24 By successfully implementing an organizational chart for chores, families can reduce the environmental stress and conflict that often trigger anxiety, creating a calmer atmosphere that is more conducive to personal growth for every member of the household. The implications of this technology are staggering. More importantly, the act of writing triggers a process called "encoding," where the brain analyzes and decides what information is important enough to be stored in long-term memory. The principles they established for print layout in the 1950s are the direct ancestors of the responsive grid systems we use to design websites today. This digital medium has also radically democratized the tools of creation. " While we might think that more choice is always better, research shows that an overabundance of options can lead to decision paralysis, anxiety, and, even when a choice is made, a lower level of satisfaction because of the nagging fear that a better option might have been missed. Offering images under Creative Commons licenses can allow creators to share their work while retaining some control over how it is used. 39 This type of chart provides a visual vocabulary for emotions, helping individuals to identify, communicate, and ultimately regulate their feelings more effectively. The modernist maxim, "form follows function," became a powerful mantra for a generation of designers seeking to strip away the ornate and unnecessary baggage of historical styles. This practice can also promote a sense of calm and groundedness, making it easier to navigate life’s challenges. Similarly, African textiles, such as kente cloth from Ghana, feature patterns that symbolize historical narratives and social status. The template wasn't just telling me *where* to put the text; it was telling me *how* that text should behave to maintain a consistent visual hierarchy and brand voice. The first online catalogs, by contrast, were clumsy and insubstantial. The very act of creating or engaging with a comparison chart is an exercise in critical thinking.2000 Cirrus SR20 6 Pack £139,900 CK Aviation
Cirrus Archives Air 2 Manuals
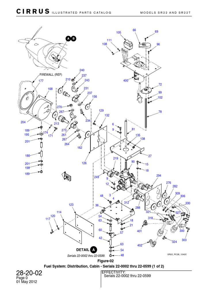
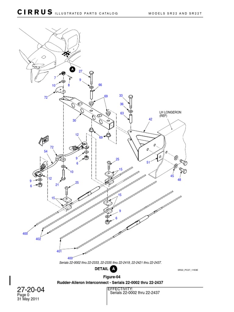
Cirrus Illustrated Parts Catalog Models Sr22 and Sr22T PDF
Cirrus Illustrated Parts Catalog Models Sr22 and Sr22T PDF
Cirrus Illustrated Parts Catalog Models Sr22 and Sr22T PDF
Cirrus SR20 Airplane Wiring Diagram PN12129002
2023 SR20 Cirrus Aircraft Instruction Manual
Exploring the Cirrus SR20 A Beginner's Essential Guide
Cirrus Sr20 Ipl Aircraft Aviation
Cirrus Illustrated Parts Catalog Models Sr22 and Sr22T PDF
Cirrus Illustrated Parts Catalog Models Sr22 and Sr22T PDF Washer
Cirrus Illustrated Parts Catalog Models Sr22 and Sr22T PDF
Cirrus Sr22 Parts Catalog Catalog Library
2023 SR20 Cirrus Aircraft Instruction Manual
Cirrus Illustrated Parts Catalog Models Sr22 and Sr22T PDF
Cirrus Illustrated Parts Catalog Models Sr22 and Sr22T PDF
Cirrus SR20 Wiring Diagram Manual Download Pius Parts
Manuel Cirrus Sr20 PDF Altimeter Sea Level
Cirrus SR20 Wire Diagram Manual (WDM) Download Air 2 Manuals
Cirrus sr20 Guide and Specs The Light Aircraft with a Parachute
Cirrus SR20 Fuel System Schematic Diagram Quizlet
Cirrus Parts Catalog Catalog Library
Cirrus Illustrated Parts Catalog Models Sr22 and Sr22T PDF
Hartzell STC Cirrus Design SR20 with IO360ES Engine (3Blade
Cirrus SR20 Perspective MultiPage Qref ChecklistCISR20PE
2023 SR20 Cirrus Aircraft Instruction Manual
QRef Cirrus SR20 G1G2 Checklist Book Fallon Pilot Shop
飞机图解零件手册IPC
Cirrus SR20 Specs and Features Cirrus sr20, Aircraft, Aviation world
Cirrus sr20 Guide and Specs The Light Aircraft with a Parachute
Cirrus Illustrated Parts Catalog Models Sr22 and Sr22T PDF Nut
Cirrus SR20G2 Exhaust System Itemized Parts List
Cirrus Sr22 Parts Catalog Catalog Library
Guide et spécifications du Cirrus SR20 Prix, Problèmes
Related Post:




















