Case 1816 Parts Online Catalog
Case 1816 Parts Online Catalog - This number, the price, is the anchor of the entire experience. We don't have to consciously think about how to read the page; the template has done the work for us, allowing us to focus our mental energy on evaluating the content itself. I thought my ideas had to be mine and mine alone, a product of my solitary brilliance. The main real estate is taken up by rows of products under headings like "Inspired by your browsing history," "Recommendations for you in Home & Kitchen," and "Customers who viewed this item also viewed. However, hand knitting remained a cherished skill, particularly among women, who often used it as a means of contributing to their household income or as a leisure activity. But once they have found a story, their task changes. By the 14th century, knitting had become established in Europe, where it was primarily a male-dominated craft. Our problem wasn't a lack of creativity; it was a lack of coherence. Watermarking and using metadata can help safeguard against unauthorized use. As you type, the system may begin to suggest matching model numbers in a dropdown list. 32 The strategic use of a visual chart in teaching has been shown to improve learning outcomes by a remarkable 400%, demonstrating its profound impact on comprehension and retention. A well-designed poster must capture attention from a distance, convey its core message in seconds, and provide detailed information upon closer inspection, all through the silent orchestration of typography, imagery, and layout. We know that choosing it means forgoing a thousand other possibilities. That leap is largely credited to a Scottish political economist and engineer named William Playfair, a fascinating and somewhat roguish character of the late 18th century Enlightenment. One can find printable worksheets for every conceivable subject and age level, from basic alphabet tracing for preschoolers to complex periodic tables for high school chemistry students. A heat gun or a specialized electronics heating pad will be needed for procedures that involve loosening adhesive, such as removing the screen assembly. The low ceilings and warm materials of a cozy café are designed to foster intimacy and comfort. With the caliper out of the way, you can now remove the old brake pads. The job of the designer, as I now understand it, is to build the bridges between the two. It was a tool designed for creating static images, and so much of early web design looked like a static print layout that had been put online. Flipping through its pages is like walking through the hallways of a half-forgotten dream. The neat, multi-column grid of a desktop view must be able to gracefully collapse into a single, scrollable column on a mobile phone. I quickly learned that this is a fantasy, and a counter-productive one at that. She used her "coxcomb" diagrams, a variation of the pie chart, to show that the vast majority of soldier deaths were not from wounds sustained in battle but from preventable diseases contracted in the unsanitary hospitals. We look for recognizable structures to help us process complex information and to reduce cognitive load. You could see the sofa in a real living room, the dress on a person with a similar body type, the hiking boots covered in actual mud. I still have so much to learn, and the sheer complexity of it all is daunting at times. What I failed to grasp at the time, in my frustration with the slow-loading JPEGs and broken links, was that I wasn't looking at a degraded version of an old thing. This new frontier redefines what a printable can be. Innovation and the Future of Crochet Time constraints can be addressed by setting aside a specific time each day for journaling, even if it is only for a few minutes. Digital tools are dependent on battery life and internet connectivity, they can pose privacy and security risks, and, most importantly, they are a primary source of distraction through a constant barrage of notifications and the temptation of multitasking. This constant state of flux requires a different mindset from the designer—one that is adaptable, data-informed, and comfortable with perpetual beta. Once the homepage loads, look for a menu option labeled "Support" or "Service & Support. If you are certain the number is correct and it still yields no results, the product may be an older or regional model. An object was made by a single person or a small group, from start to finish. Typically, it consists of a set of three to five powerful keywords or phrases, such as "Innovation," "Integrity," "Customer-Centricity," "Teamwork," and "Accountability. From fashion and home decor to art installations and even crochet graffiti, the scope of what can be created with a hook and yarn is limited only by the imagination. The third shows a perfect linear relationship with one extreme outlier. And this idea finds its ultimate expression in the concept of the Design System. I saw the visible structure—the boxes, the columns—but I was blind to the invisible intelligence that lay beneath. The template provides a beginning, a framework, and a path forward. A designer could create a master page template containing the elements that would appear on every page—the page numbers, the headers, the footers, the underlying grid—and then apply it to the entire document. From the humble table that forces intellectual honesty to the dynamic bar and line graphs that tell stories of relative performance, these charts provide a language for evaluation. Unlike its more common cousins—the bar chart measuring quantity or the line chart tracking time—the value chart does not typically concern itself with empirical data harvested from the external world. It might be a weekly planner tacked to a refrigerator, a fitness log tucked into a gym bag, or a project timeline spread across a conference room table. 1 It is within this complex landscape that a surprisingly simple tool has not only endured but has proven to be more relevant than ever: the printable chart. Carefully align the top edge of the screen assembly with the rear casing and reconnect the three ribbon cables to the main logic board, pressing them firmly into their sockets. For the first time, I understood that rules weren't just about restriction. There is a growing recognition that design is not a neutral act. We just have to be curious enough to look. If a warning light, such as the Malfunction Indicator Lamp (Check Engine Light) or the Brake System Warning Light, illuminates and stays on, it indicates a problem that may require professional attention. A comprehensive student planner chart can integrate not only study times but also assignment due dates, exam schedules, and extracurricular activities, acting as a central command center for a student's entire academic life. The digital age has shattered this model. Abstract ambitions like "becoming more mindful" or "learning a new skill" can be made concrete and measurable with a simple habit tracker chart. A simple search on a platform like Pinterest or a targeted blog search unleashes a visual cascade of options. Unlike a conventional gasoline vehicle, the gasoline engine may not start immediately; this is normal for the Toyota Hybrid System, which prioritizes electric-only operation at startup and low speeds to maximize fuel efficiency. 9 For tasks that require deep focus, behavioral change, and genuine commitment, the perceived inefficiency of a physical chart is precisely what makes it so effective. Furthermore, in these contexts, the chart often transcends its role as a personal tool to become a social one, acting as a communication catalyst that aligns teams, facilitates understanding, and serves as a single source of truth for everyone involved. Then, press the "ENGINE START/STOP" button located on the dashboard. 39 This empowers them to become active participants in their own health management. This includes the cost of shipping containers, of fuel for the cargo ships and delivery trucks, of the labor of dockworkers and drivers, of the vast, automated warehouses that store the item until it is summoned by a click. Without the constraints of color, artists can focus on refining their drawing techniques and exploring new approaches to mark-making and texture. The goal is to provide power and flexibility without overwhelming the user with too many choices. The template, I began to realize, wasn't about limiting my choices; it was about providing a rational framework within which I could make more intelligent and purposeful choices. It is the silent partner in countless endeavors, a structural framework that provides a starting point, ensures consistency, and dramatically accelerates the journey from idea to execution. 27 Beyond chores, a printable chart can serve as a central hub for family organization, such as a weekly meal plan chart that simplifies grocery shopping or a family schedule chart that coordinates appointments and activities. I wanted to be a creator, an artist even, and this thing, this "manual," felt like a rulebook designed to turn me into a machine, a pixel-pusher executing a pre-approved formula. For millennia, systems of measure were intimately tied to human experience and the natural world. This includes the cost of research and development, the salaries of the engineers who designed the product's function, the fees paid to the designers who shaped its form, and the immense investment in branding and marketing that gives the object a place in our cultural consciousness. The low ceilings and warm materials of a cozy café are designed to foster intimacy and comfort. It had to be invented. These motivations exist on a spectrum, ranging from pure altruism to calculated business strategy. Perhaps the most popular category is organizational printables. The vehicle is fitted with a comprehensive airbag system, including front, side, and curtain airbags, which deploy in the event of a significant impact. 1 Whether it's a child's sticker chart designed to encourage good behavior or a sophisticated Gantt chart guiding a multi-million dollar project, every printable chart functions as a powerful interface between our intentions and our actions. The third shows a perfect linear relationship with one extreme outlier. While these examples are still the exception rather than the rule, they represent a powerful idea: that consumers are hungry for more information and that transparency can be a competitive advantage. Creating original designs is the safest and most ethical path.J I Case 1816 UniLoader Skid Steer Parts Catalog Manual Book Tecumesh
CASE 1816B Skid Steer Loader Parts Catalog Manual
Case 1816B UniLoaders Service Manual Parts Catalog Repair Shop Book
Case 1816C SkidSteer Parts Catalog Farm Manuals Fast
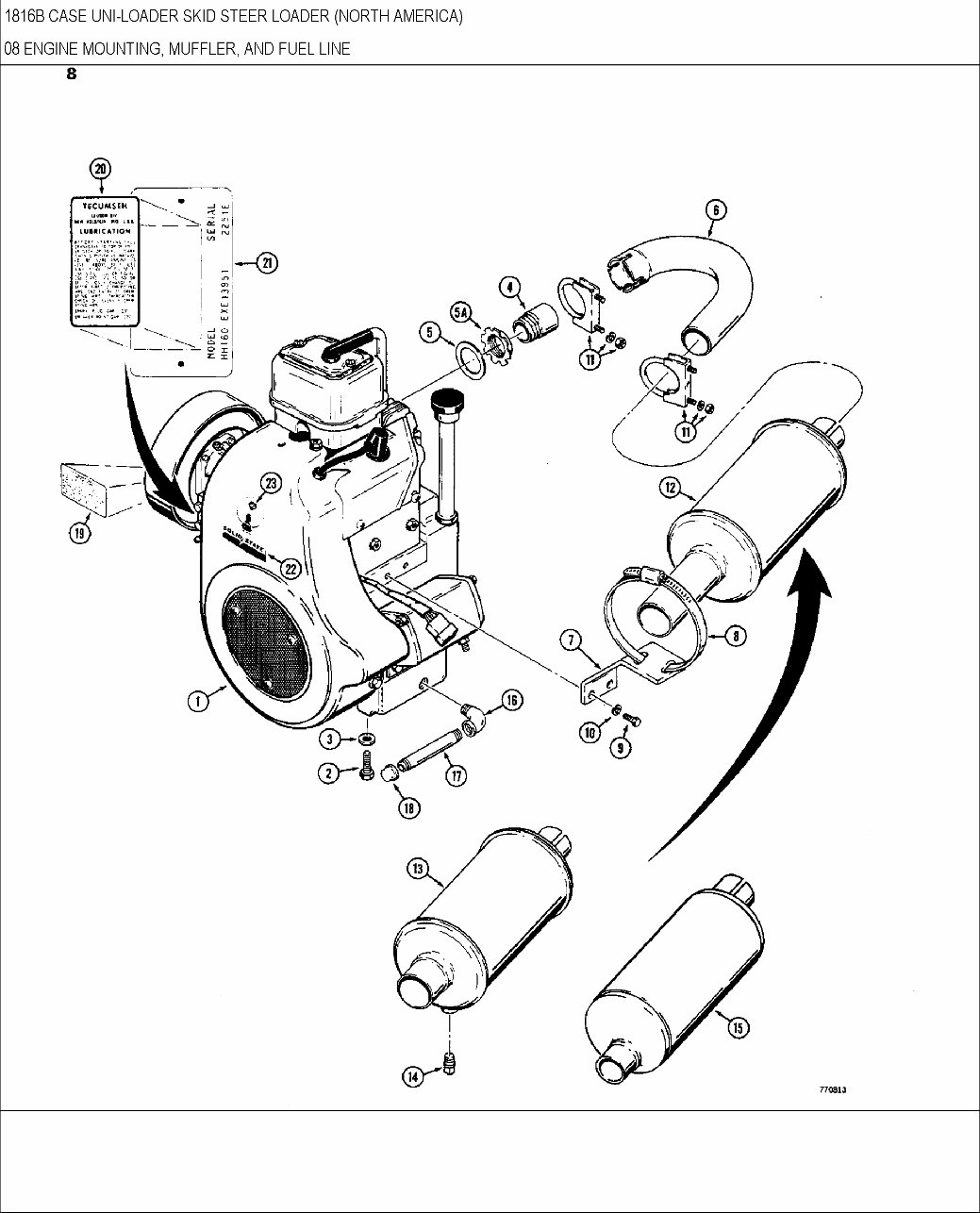
Case 1816 Parts Diagram and Breakdown
J I Case 1816C Uni Loader Parts Manual Catalog Skid Steer Assembly
CASE 1816C Skid Steer Loader Parts Catalog Manual
CASE 1816C SKID STEER LOADER PARTS CATALOG MANUAL PDF Download
CASE 1816B Skid Steer Loader Parts Catalog Manual
(1816) CASE UNILOADER SKID STEER LOADER (1/7312/84) (63A) D58910
CASE 1816B Skid Steer Loader Parts Catalog Manual
CASE 1816B Skid Steer Loader Parts Catalog Manual
CASE 1816C Skid Steer Loader Parts Catalog Manual
Case 1816 Uniloader Parts Manual J I Case Patio, Lawn
Case 1816 UniLoader Parts Catalog Manual 81352 PDF DOWNLOAD
Case 1816 UniLoader Parts Catalog Manual D1228 PDF DOWNLOAD
CASE 1816B Skid Steer Loader Parts Catalog Manual
Case 1816 UniLoader Parts Catalog Manual D1228 PDF DOWNLOAD
CASE 1816B Skid Steer Loader Parts Catalog Manual
Case 1816 UniLoader Parts Catalog Manual D1228 PDF DOWNLOAD
Case 1816 SkidSteer Parts Catalog Farm Manuals Fast
CASE 1816B Skid Steer Loader Parts Catalog Manual
Case 1816C Case UniLoader Skid Steer Loader (1/8312/87) Parts
Parts Catalog Manual for J I Case 1816 UniLoader Skid
Case Skid Steer Parts Catalog Catalog Library
J I Case 1816 UniLoader Skid Steer Parts Catalog Manual Book Tecumesh
(1816) CASE UNILOADER SKID STEER LOADER (1/7312/84) (34) AXLES
(1816) CASE UNILOADER SKID STEER LOADER (1/7312/84) (01) 1816
AXLES AND DRIVE CHAINS SKID STEER LOADERS Case 1816 CASE UNILOADER
CASE 1816C Skid Steer Loader Parts Catalog Manual
CASE 1816B UNI LOADER SKID STEER PARTS MANUAL PDF Download Service
CASE 1816 UniLoader Parts Catalog eBay
D69368 CLUTCH, ELECTRIC SKID STEER LOADERS Case 1816 (CASE UNILOADER
Case 1816B Uni Loader Parts Catalog Manual Service Repair Manuals PDF
Related Post:


































