Bobcat 753 Parts Catalog
Bobcat 753 Parts Catalog - After the machine is locked out, open the main cabinet door. This has empowered a new generation of creators and has blurred the lines between professional and amateur. This concept represents far more than just a "freebie"; it is a cornerstone of a burgeoning digital gift economy, a tangible output of online community, and a sophisticated tool of modern marketing. The wages of the farmer, the logger, the factory worker, the person who packs the final product into a box. It is a discipline that demands clarity of thought, integrity of purpose, and a deep empathy for the audience. The very design of the catalog—its order, its clarity, its rejection of ornamentation—was a demonstration of the philosophy embodied in the products it contained. In such a world, the chart is not a mere convenience; it is a vital tool for navigation, a lighthouse that can help us find meaning in the overwhelming tide. Printable wall art has revolutionized interior decorating. We are, however, surprisingly bad at judging things like angle and area. It empowers individuals by providing access to resources for organization, education, and creativity that were once exclusively available through commercial, mass-produced products. The walls between different parts of our digital lives have become porous, and the catalog is an active participant in this vast, interconnected web of data tracking. 36 The daily act of coloring in a square or making a checkmark on the chart provides a small, motivating visual win that reinforces the new behavior, creating a system of positive self-reinforcement. This brings us to the future, a future where the very concept of the online catalog is likely to transform once again. It's an active, conscious effort to consume not just more, but more widely. Once the software is chosen, the next step is designing the image. Let us consider a sample from a catalog of heirloom seeds. 29 This type of chart might include sections for self-coaching tips, prompting you to reflect on your behavioral patterns and devise strategies for improvement. It is important to follow these instructions carefully to avoid injury. This shirt: twelve dollars, plus three thousand liters of water, plus fifty grams of pesticide, plus a carbon footprint of five kilograms. The neat, multi-column grid of a desktop view must be able to gracefully collapse into a single, scrollable column on a mobile phone. "Customers who bought this also bought. It was the catalog dematerialized, and in the process, it seemed to have lost its soul. This ability to directly manipulate the representation gives the user a powerful sense of agency and can lead to personal, serendipitous discoveries. The blank page wasn't a land of opportunity; it was a glaring, white, accusatory void, a mirror reflecting my own imaginative bankruptcy. The designer is not the hero of the story; they are the facilitator, the translator, the problem-solver. These coloring sheets range from simple shapes to intricate mandalas for adults. Our professor framed it not as a list of "don'ts," but as the creation of a brand's "voice and DNA. Are we willing to pay a higher price to ensure that the person who made our product was treated with dignity and fairness? This raises uncomfortable questions about our own complicity in systems of exploitation. Comparing two slices of a pie chart is difficult, and comparing slices across two different pie charts is nearly impossible. Is this system helping me discover things I will love, or is it trapping me in a filter bubble, endlessly reinforcing my existing tastes? This sample is a window into the complex and often invisible workings of the modern, personalized, and data-driven world. Understanding this grammar gave me a new kind of power. It’s a human document at its core, an agreement between a team of people to uphold a certain standard of quality and to work together towards a shared vision. Start by gathering information from the machine operator regarding the nature of the failure and the conditions under which it occurred. Let us examine a sample from a different tradition entirely: a page from a Herman Miller furniture catalog from the 1950s. 10 The underlying mechanism for this is explained by Allan Paivio's dual-coding theory, which posits that our memory operates on two distinct channels: one for verbal information and one for visual information. Data, after all, is not just a collection of abstract numbers. In an academic setting, critiques can be nerve-wracking, but in a professional environment, feedback is constant, and it comes from all directions—from creative directors, project managers, developers, and clients. Its effectiveness is not based on nostalgia but is firmly grounded in the fundamental principles of human cognition, from the brain's innate preference for visual information to the memory-enhancing power of handwriting. These templates help maintain brand consistency across all marketing channels, enhancing brand recognition and trust. Things like the length of a bar, the position of a point, the angle of a slice, the intensity of a color, or the size of a circle are not arbitrary aesthetic choices. The cargo capacity is 550 liters with the rear seats up and expands to 1,600 liters when the rear seats are folded down. Professional design is a business. 64 This deliberate friction inherent in an analog chart is precisely what makes it such an effective tool for personal productivity. If you are certain the number is correct and it still yields no results, the product may be an older or regional model. It allows the user to move beyond being a passive consumer of a pre-packaged story and to become an active explorer of the data. It is the fundamental unit of information in the universe of the catalog, the distillation of a thousand complex realities into a single, digestible, and deceptively simple figure. The initial spark, that exciting little "what if," is just a seed. Indian textiles, particularly those produced in regions like Rajasthan and Gujarat, are renowned for their vibrant patterns and rich symbolism. Finally, a magnetic screw mat or a series of small, labeled containers will prove invaluable for keeping track of the numerous small screws and components during disassembly, ensuring a smooth reassembly process. I came into this field thinking charts were the most boring part of design. Your vehicle is equipped with a temporary-use spare tire and the necessary tools for changing a tire. It’s taken me a few years of intense study, countless frustrating projects, and more than a few humbling critiques to understand just how profoundly naive that initial vision was. This data is the raw material that fuels the multi-trillion-dollar industry of targeted advertising. The template is a servant to the message, not the other way around. But a great user experience goes further. Many products today are designed with a limited lifespan, built to fail after a certain period of time to encourage the consumer to purchase the latest model. 36 This detailed record-keeping is not just for posterity; it is the key to progressive overload and continuous improvement, as the chart makes it easy to see progress over time and plan future challenges. In the event of a collision, if you are able, switch on the hazard lights and, if equipped, your vehicle’s SOS Post-Crash Alert System will automatically activate, honking the horn and flashing the lights to attract attention. In ancient Egypt, patterns adorned tombs, temples, and everyday objects. While sometimes criticized for its superficiality, this movement was crucial in breaking the dogmatic hold of modernism and opening up the field to a wider range of expressive possibilities. Once the pedal feels firm, you can lower the vehicle off the jack stands. By mastering the interplay of light and dark, artists can create dynamic and engaging compositions that draw viewers in and hold their attention. The typography is minimalist and elegant. The product must solve a problem or be visually appealing. Activate your hazard warning flashers immediately. The low price tag on a piece of clothing is often a direct result of poverty-level wages, unsafe working conditions, and the suppression of workers' rights in a distant factory. 58 A key feature of this chart is its ability to show dependencies—that is, which tasks must be completed before others can begin. A high data-ink ratio is a hallmark of a professionally designed chart. We just have to be curious enough to look. Every search query, every click, every abandoned cart was a piece of data, a breadcrumb of desire. This was the moment the scales fell from my eyes regarding the pie chart. An incredible 90% of all information transmitted to the brain is visual, and it is processed up to 60,000 times faster than text. Professionalism means replacing "I like it" with "I chose it because. 13 This mechanism effectively "gamifies" progress, creating a series of small, rewarding wins that reinforce desired behaviors, whether it's a child completing tasks on a chore chart or an executive tracking milestones on a project chart. The walls between different parts of our digital lives have become porous, and the catalog is an active participant in this vast, interconnected web of data tracking. At the same time, visually inspect your tires for any embedded objects, cuts, or unusual wear patterns. We had to design a series of three posters for a film festival, but we were only allowed to use one typeface in one weight, two colors (black and one spot color), and only geometric shapes. It begins with defining the overall objective and then identifying all the individual tasks and subtasks required to achieve it.Bobcat 753 Skid Loader with Bobcat Bucket L0797 11,600 YouTube
Bobcat 753 Service Manual Pdf Free
Bobcat 753 skid steer loader parts catalogue manual (sn 516211001
Bobcat 753 skid steer loader parts catalogue manual (sn 516211001
Bobcat 753 Skid Steer
Bobcat 753 g series skid steer loader parts catalogue manual (gseries
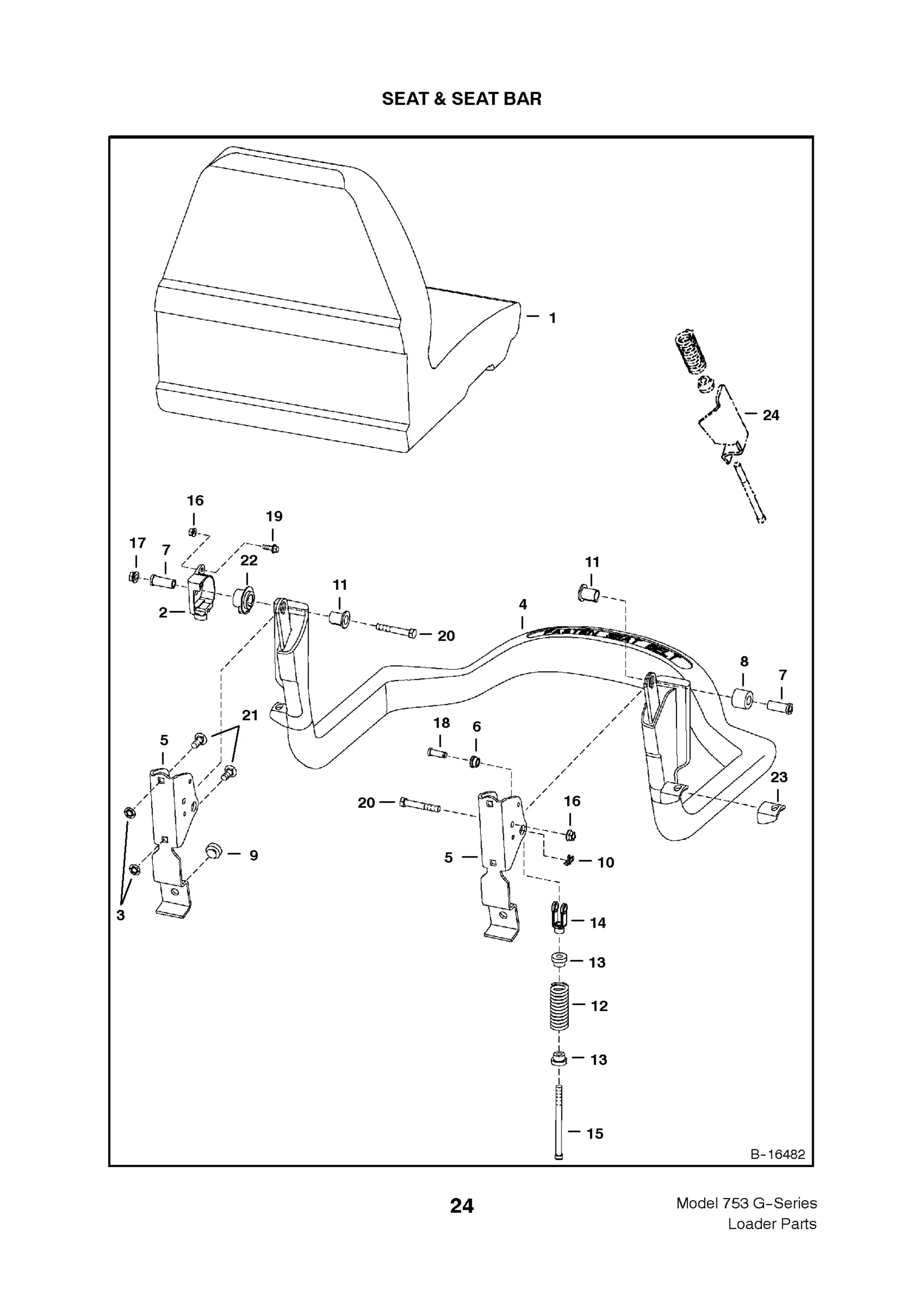
Bobcat Model 753 Parts Diagram
Bobcat 753 Skid Steer Loader Parts, Specs & Common Fixes
Bobcat 753 Parts List Diagram
Bobcat 753 Skid Steer Loader Parts Catalog Manual INSTANT DOWNLOAD─影片
Exploring the Inner Workings of the Bobcat 753 A Parts Diagram
Bobcat 753 GSeries Skid Steer Loader Parts Catalogue Manual (GSeries
Bobcat 753 Specs Skid Steer Features and Design Construction Catalogs
BOBCAT 753 Skid Steer Loaders Service Repair Manual Pdf Download Etsy
BOBCAT 753 Auctions EquipmentFacts
Bobcat 753h Parts Manual Skid Steer Loader ESSENTIAL Skid Steer Parts!
Bobcat 753 Skid Steer
Bobcat 753 skid steer loader parts catalogue manual (sn 516211001
753 Bobcat Parts Diagram and Components Overview
Exploring the Inner Workings of the Bobcat 753 A Parts Diagram
Bobcat 753 skid steer loader parts catalogue manual (sn 511476001 and
Bobcat 753 Skid Steer Loader Parts Catalogue Manual (SN 508611001
753 Bobcat Parts Diagram and Components Overview
Bobcat 753 g series skid steer loader parts catalogue manual (gserie…
PPT Bobcat 753L Skid Steer Loader Parts Catalogue Manual (SN
Bobcat 753 G Series Skid Steer Loader Service Manual PDF
Bobcat 753 skid steer loader parts catalogue manual (sn 508611001
Bobcat 753 Parts Catalog Skid Steer Loader 6570944
Bobcat 753, loader KrutilVertel
Bobcat 753 Skid Steer Loader With 709 Backhoe Attachment
Exploring the Inner Workings of the Bobcat 753 A Parts Diagram
Bobcat 753 Hydraulic Parts Diagram and Maintenance Guide
Bobcat 753 skid steer loader parts catalogue manual (sn 508611001
753 Bobcat Parts Diagram and Components Overview
Related Post:





























