Bobcat 325 Parts Catalog
Bobcat 325 Parts Catalog - You should also regularly check the engine coolant level in the translucent reservoir located in the engine compartment. The Tufte-an philosophy of stripping everything down to its bare essentials is incredibly powerful, but it can sometimes feel like it strips the humanity out of the data as well. The simple printable chart is thus a psychological chameleon, adapting its function to meet the user's most pressing need: providing external motivation, reducing anxiety, fostering self-accountability, or enabling shared understanding. These schematics are the definitive guide for tracing circuits and diagnosing connectivity issues. This exploration will delve into the science that makes a printable chart so effective, journey through the vast landscape of its applications in every facet of life, uncover the art of designing a truly impactful chart, and ultimately, understand its unique and vital role as a sanctuary for focus in our increasingly distracted world. It's the NASA manual reborn as an interactive, collaborative tool for the 21st century. To make it effective, it must be embedded within a narrative. Moreover, drawing in black and white encourages artists to explore the full range of values, from the darkest shadows to the brightest highlights. It is, perhaps, the most optimistic of all the catalog forms. Suddenly, the simple act of comparison becomes infinitely more complex and morally fraught. The legendary presentations of Hans Rosling, using his Gapminder software, are a masterclass in this. The layout is a marvel of information design, a testament to the power of a rigid grid and a ruthlessly consistent typographic hierarchy to bring order to an incredible amount of complexity. In a CMS, the actual content of the website—the text of an article, the product description, the price, the image files—is not stored in the visual layout. It was a thick, spiral-bound book that I was immensely proud of. We are not the customers of the "free" platform; we are the product that is being sold to the real customers, the advertisers. Creating high-quality printable images involves several key steps. 32 The strategic use of a visual chart in teaching has been shown to improve learning outcomes by a remarkable 400%, demonstrating its profound impact on comprehension and retention. This was a catalog for a largely rural and isolated America, a population connected by the newly laid tracks of the railroad but often miles away from the nearest town or general store. The role of crochet in art and design is also expanding. His stem-and-leaf plot was a clever, hand-drawable method that showed the shape of a distribution while still retaining the actual numerical values. Users can download daily, weekly, and monthly planner pages. To look at Minard's chart is to understand the entire tragedy of the campaign in a single, devastating glance. A printable chart, therefore, becomes more than just a reference document; it becomes a personalized artifact, a tangible record of your own thoughts and commitments, strengthening your connection to your goals in a way that the ephemeral, uniform characters on a screen cannot. The engine will start, and the vehicle systems will initialize. Similarly, a sunburst diagram, which uses a radial layout, can tell a similar story in a different and often more engaging way. Research has shown that exposure to patterns can enhance children's cognitive abilities, including spatial reasoning and problem-solving skills. 30 Even a simple water tracker chart can encourage proper hydration. The artist is their own client, and the success of the work is measured by its ability to faithfully convey the artist’s personal vision or evoke a certain emotion. A powerful explanatory chart often starts with a clear, declarative title that states the main takeaway, rather than a generic, descriptive title like "Sales Over Time. This focus on the final printable output is what separates a truly great template from a mediocre one. Following Playfair's innovations, the 19th century became a veritable "golden age" of statistical graphics, a period of explosive creativity and innovation in the field. This includes the time spent learning how to use a complex new device, the time spent on regular maintenance and cleaning, and, most critically, the time spent dealing with a product when it breaks. 25 The strategic power of this chart lies in its ability to create a continuous feedback loop; by visually comparing actual performance to established benchmarks, the chart immediately signals areas that are on track, require attention, or are underperforming. This form of journaling offers a framework for exploring specific topics and addressing particular challenges, making it easier for individuals to engage in meaningful reflection. I see it as a craft, a discipline, and a profession that can be learned and honed. He used animated scatter plots to show the relationship between variables like life expectancy and income for every country in the world over 200 years. There’s this pervasive myth of the "eureka" moment, the apple falling on the head, the sudden bolt from the blue that delivers a fully-formed, brilliant concept into the mind of a waiting genius. This same principle is evident in the world of crafts and manufacturing. It forces one to confront contradictions in their own behavior and to make conscious choices about what truly matters. The logo at the top is pixelated, compressed to within an inch of its life to save on bandwidth. It is a digital fossil, a snapshot of a medium in its awkward infancy. It’s about learning to hold your ideas loosely, to see them not as precious, fragile possessions, but as starting points for a conversation. 21Charting Your World: From Household Harmony to Personal GrowthThe applications of the printable chart are as varied as the challenges of daily life. 1This is where the printable chart reveals its unique strength. Even with the most diligent care, unexpected situations can arise. 13 Finally, the act of physically marking progress—checking a box, adding a sticker, coloring in a square—adds a third layer, creating a more potent and tangible dopamine feedback loop. This makes them a potent weapon for those who wish to mislead. It’s a pact against chaos. It takes the subjective, the implicit, and the complex, and it renders them in a structured, visible, and analyzable form. The vehicle is equipped with an SOS button connected to our emergency response center. I would sit there, trying to visualize the perfect solution, and only when I had it would I move to the computer. The blank artboard in Adobe InDesign was a symbol of infinite possibility, a terrifying but thrilling expanse where anything could happen. Look for a sub-section or a prominent link labeled "Owner's Manuals," "Product Manuals," or "Downloads. I now believe they might just be the most important. It is an instrument so foundational to our daily transactions and grand ambitions that its presence is often as overlooked as the air we breathe. This is perfect for last-minute party planning. The single most useful feature is the search function. The world around us, both physical and digital, is filled with these samples, these fragments of a larger story. Platforms like Adobe Express, Visme, and Miro offer free chart maker services that empower even non-designers to produce professional-quality visuals. 49 This guiding purpose will inform all subsequent design choices, from the type of chart selected to the way data is presented. It would need to include a measure of the well-being of the people who made the product. The same is true for a music service like Spotify. It was the catalog dematerialized, and in the process, it seemed to have lost its soul. The product image is a tiny, blurry JPEG. It presents proportions as slices of a circle, providing an immediate, intuitive sense of relative contribution. A daily food log chart, for instance, can be a game-changer for anyone trying to lose weight or simply eat more mindfully. They feature editorial sections, gift guides curated by real people, and blog posts that tell the stories behind the products. The process begins in the digital realm, with a perfectly designed, infinitely replicable file. These aren't just theories; they are powerful tools for creating interfaces that are intuitive and feel effortless to use. " Then there are the more overtly deceptive visual tricks, like using the area or volume of a shape to represent a one-dimensional value. An organizational chart, or org chart, provides a graphical representation of a company's internal structure, clearly delineating the chain of command, reporting relationships, and the functional divisions within the enterprise. Creating Printable Images The Islamic world brought pattern design to new heights, developing complex geometric patterns and arabesques that adorned mosques, palaces, and manuscripts. His stem-and-leaf plot was a clever, hand-drawable method that showed the shape of a distribution while still retaining the actual numerical values. It uses a drag-and-drop interface that is easy to learn. A chart idea wasn't just about the chart type; it was about the entire communicative package—the title, the annotations, the colors, the surrounding text—all working in harmony to tell a clear and compelling story. The advantages of using online templates are manifold. The t-shirt design looked like it belonged to a heavy metal band. This do-it-yourself approach resonates with people who enjoy crafting. There is an ethical dimension to our work that we have a responsibility to consider. Psychological Benefits of Journaling One of the most rewarding aspects of knitting is the ability to create personalized gifts for loved ones.Bobcat 325, 328 Excavator G Series Service Manual PDF
Bobcat 325 excavator parts catalogue manual sn 514011001 514012999 PDF
Bobcat X 325 Excavator Service Manual PDF
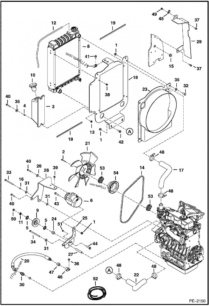
Bobcat 325 Parts Breakdown
Bobcat 325 Parts Breakdown
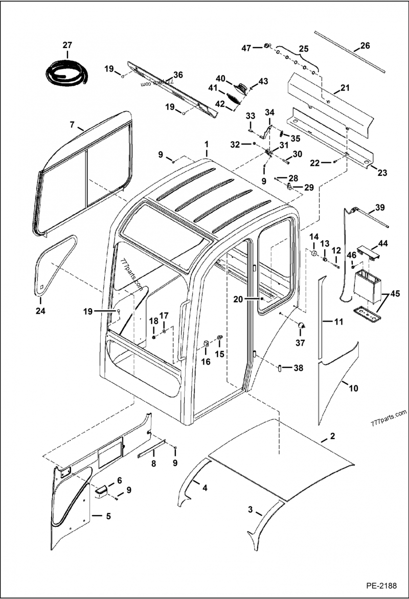
Bobcat 325 Excavator Manual
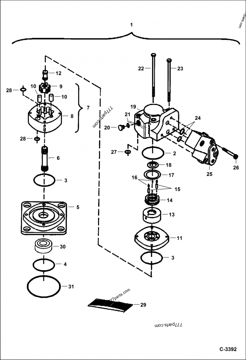
Bobcat 325 Parts Breakdown New Travel Motor Final Drive Assembly Fits
Bobcat 325 Excavator Manual
Bobcat 325 Excavator Parts Catalog Manual INSTANT DOWNLOAD─影片 Dailymotion
Bobcat 325 Excavator Manual
Bobcat 325, 328 Excavator G Series Service Manual PDF
Bobcat Parts & Service Bobcat Company
Bobcat 325 Parts Breakdown
autorepairpdf Bobcat 325 Parts Catalog 511820001 and Above1
Bobcat Parts Catalog Diagram and Breakdown
Bobcat Excavator Parts Diagram
Bobcat 325 Service Manual
Bobcat 325 328 DSeries Excavator Parts Manual Preliminary
Bobcat 325 Parts Breakdown
Bobcat 325 Parts Breakdown
Bobcat 325 Excavator Manual
Bobcat 325 Parts Breakdown
Bobcat 325 Parts Breakdown
Bobcat Heavy Equipment PDF 2025 Spare Parts Catalog Collection
BOBCAT EPC [2025] Online Parts Catalog
Bobcat 325 328 DSeries Excavator Parts Manual Preliminary
Bobcat 325, 328 Excavator G Series Service Manual PDF
Bobcat 325 Parts Breakdown New Travel Motor Final Drive Assembly Fits
Bobcat 325 Equipment Parts Unit for Sale
Bobcat 325, 328 Excavator G Series Service Manual PDF
Bobcat 325 328 G Series Parts Catalog Manual Part Number 6902788
Bobcat 325 328 DSeries Excavator Parts Manual Preliminary
Bobcat 325/328 Compact Excavator Service Manual PDF
BOBCAT EPC [2025] Online Parts Catalog
Bobcat 325 328 DSeries Excavator Parts Manual Preliminary
Related Post:























![BOBCAT EPC [2025] Online Parts Catalog](https://autopartscatalogue.net/wp-content/uploads/BOBCAT-EPC-Online-Parts-Catalog-5.jpg)








![BOBCAT EPC [2025] Online Parts Catalog](https://autopartscatalogue.net/wp-content/uploads/BOBCAT-EPC-Online-Parts-Catalog-6.jpg)
