Amphenol Rf Catalog
Amphenol Rf Catalog - Beyond these fundamental forms, the definition of a chart expands to encompass a vast array of specialized visual structures. To replace the battery, which is a common repair for devices with diminished battery life, you must first remove the old one. The underlying function of the chart in both cases is to bring clarity and order to our inner world, empowering us to navigate our lives with greater awareness and intention. Things like the length of a bar, the position of a point, the angle of a slice, the intensity of a color, or the size of a circle are not arbitrary aesthetic choices. The Health and Fitness Chart: Your Tangible Guide to a Better YouIn the pursuit of physical health and wellness, a printable chart serves as an indispensable ally. This process helps to exhaust the obvious, cliché ideas quickly so you can get to the more interesting, second and third-level connections. The social media graphics were a riot of neon colors and bubbly illustrations. The resulting idea might not be a flashy new feature, but a radical simplification of the interface, with a focus on clarity and reassurance. This makes the chart a simple yet sophisticated tool for behavioral engineering. The chart is one of humanity’s most elegant and powerful intellectual inventions, a silent narrator of complex stories. The system records all fault codes, which often provide the most direct path to identifying the root cause of a malfunction. The most common and egregious sin is the truncated y-axis. The Industrial Revolution was producing vast new quantities of data about populations, public health, trade, and weather, and a new generation of thinkers was inventing visual forms to make sense of it all. The satisfaction derived from checking a box, coloring a square, or placing a sticker on a progress chart is directly linked to the release of dopamine, a neurotransmitter associated with pleasure and motivation. The catalog is no longer a static map of a store's inventory; it has become a dynamic, intelligent, and deeply personal mirror, reflecting your own past behavior back at you. It’s fragile and incomplete. From the deep-seated psychological principles that make it work to its vast array of applications in every domain of life, the printable chart has proven to be a remarkably resilient and powerful tool. The modernist maxim, "form follows function," became a powerful mantra for a generation of designers seeking to strip away the ornate and unnecessary baggage of historical styles. 34 The process of creating and maintaining this chart forces an individual to confront their spending habits and make conscious decisions about financial priorities. Then came video. The adjustable light-support arm allows you to raise the LED light hood as your plants grow taller, ensuring that they always receive the proper amount of light without the risk of being scorched. The principles they established for print layout in the 1950s are the direct ancestors of the responsive grid systems we use to design websites today. They are organized into categories and sub-genres, which function as the aisles of the store. By representing quantities as the length of bars, it allows for instant judgment of which category is larger, smaller, or by how much. For example, the patterns formed by cellular structures in microscopy images can provide insights into biological processes and diseases. I was proud of it. When you press the accelerator, the brake hold function automatically disengages. catalog, which for decades was a monolithic and surprisingly consistent piece of design, was not produced by thousands of designers each following their own whim. Carefully align the top edge of the screen assembly with the rear casing and reconnect the three ribbon cables to the main logic board, pressing them firmly into their sockets. Creativity is stifled when the template is treated as a rigid set of rules to be obeyed rather than a flexible framework to be adapted, challenged, or even broken when necessary. In conclusion, the comparison chart, in all its varied forms, stands as a triumph of structured thinking. After reassembly and reconnection of the hydraulic lines, the system must be bled of air before restoring full operational pressure. Digital notifications, endless emails, and the persistent hum of connectivity create a state of information overload that can leave us feeling drained and unfocused. The free printable is a quiet revolution on paper, a simple file that, once printed, becomes a personalized tool, a piece of art, a child's lesson, or a plan for a better week, embodying the very best of the internet's promise to share knowledge and creativity with the entire world. For a child using a chore chart, the brain is still developing crucial executive functions like long-term planning and intrinsic motivation. Her most famous project, "Dear Data," which she created with Stefanie Posavec, is a perfect embodiment of this idea. Thus, the printable chart makes our goals more memorable through its visual nature, more personal through the act of writing, and more motivating through the tangible reward of tracking progress. It has introduced new and complex ethical dilemmas around privacy, manipulation, and the nature of choice itself. Consumers were no longer just passive recipients of a company's marketing message; they were active participants, co-creating the reputation of a product. When a data scientist first gets a dataset, they use charts in an exploratory way. It makes the user feel empowered and efficient. A wide, panoramic box suggested a landscape or an environmental shot. The electronic parking brake is operated by a switch on the center console. The second, and more obvious, cost is privacy. The catalog is no longer a static map of a store's inventory; it has become a dynamic, intelligent, and deeply personal mirror, reflecting your own past behavior back at you. Reading his book, "The Visual Display of Quantitative Information," was like a religious experience for a budding designer. Your planter came with a set of our specially formulated smart-soil pods, which are designed to provide the perfect balance of nutrients, aeration, and moisture retention for a wide variety of plants. I curated my life, my clothes, my playlists, and I thought this refined sensibility would naturally translate into my work. Before beginning any journey, it is good practice to perform a few simple checks to ensure your vehicle is ready for the road. Leading Lines: Use lines to direct the viewer's eye through the drawing. I had to research their histories, their personalities, and their technical performance. The instrument panel of your Aeris Endeavour is your primary source of information about the vehicle's status and performance. The proper use of the seats and safety restraint systems is a critical first step on every trip. The tactile and handmade quality of crochet pieces adds a unique element to fashion, contrasting with the mass-produced garments that dominate the industry. Constant exposure to screens can lead to eye strain, mental exhaustion, and a state of continuous partial attention fueled by a barrage of notifications. My own journey with this object has taken me from a state of uncritical dismissal to one of deep and abiding fascination. I had to define its clear space, the mandatory zone of exclusion around it to ensure it always had room to breathe and was never crowded by other elements. Then, using a plastic prying tool, carefully pry straight up on the edge of the connector to pop it off its socket on the logic board. I've learned that this is a field that sits at the perfect intersection of art and science, of logic and emotion, of precision and storytelling. A skilled creator considers the end-user's experience at every stage. Remove the engine oil dipstick, wipe it clean, reinsert it fully, and then check that the level is between the two marks. Here, the conversion chart is a shield against human error, a simple tool that upholds the highest standards of care by ensuring the language of measurement is applied without fault. This wasn't just about picking pretty colors; it was about building a functional, robust, and inclusive color system. They are the cognitive equivalent of using a crowbar to pry open a stuck door. This focus on the final printable output is what separates a truly great template from a mediocre one. 102 In the context of our hyper-connected world, the most significant strategic advantage of a printable chart is no longer just its ability to organize information, but its power to create a sanctuary for focus. 24The true, unique power of a printable chart is not found in any single one of these psychological principles, but in their synergistic combination. The template, by contrast, felt like an admission of failure. For exploring the relationship between two different variables, the scatter plot is the indispensable tool of the scientist and the statistician. This machine operates under high-torque and high-voltage conditions, presenting significant risks if proper safety protocols are not strictly observed. It’s an iterative, investigative process that prioritizes discovery over presentation. During the crit, a classmate casually remarked, "It's interesting how the negative space between those two elements looks like a face. By plotting the locations of cholera deaths on a map, he was able to see a clear cluster around a single water pump on Broad Street, proving that the disease was being spread through contaminated water, not through the air as was commonly believed. Similarly, a sunburst diagram, which uses a radial layout, can tell a similar story in a different and often more engaging way. So, when we look at a sample of a simple toy catalog, we are seeing the distant echo of this ancient intellectual tradition, the application of the principles of classification and order not to the world of knowledge, but to the world of things. The layout was a rigid, often broken, grid of tables. The world of these tangible, paper-based samples, with all their nuance and specificity, was irrevocably altered by the arrival of the internet. Drawing in black and white also offers artists a sense of freedom and experimentation. This was the direct digital precursor to the template file as I knew it. The servo drives and the main spindle drive are equipped with their own diagnostic LEDs; familiarize yourself with the error codes detailed in the drive's specific manual, which is supplied as a supplement to this document.Amphenol
Amphenol RF Amphenol RF 2007 FAKRA Catalog Page 67 Created with
Amphenol RF Amphenol RF 2007 FAKRA Catalog Page 89 Created with
Amphenol RF Amphenol RF 2007 FAKRA Catalog Page 24 Created with
Amphenol Rf Connector Catalog at Faith Lomax blog
Amphenol RF Amphenol Connex 2001 Full Line Catalog Page 1 Created
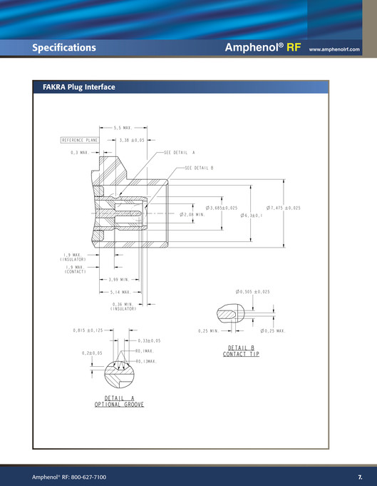
Amphenol RF Amphenol RF 2007 FAKRA Catalog Page 2223 Created
Amphenol Rf Connector Catalog at Faith Lomax blog
Amphenol RF 831SP Amphenol RF 831SP PL259 Coaxial Connectors DX
RF Series Catalogue · Amphenol LTW BCE SRL Importation & Distribution
Amphenol RF Amphenol RF 2007 FAKRA Catalog Page 23 Created with
Amphenol RF Amphenol RF 2007 FAKRA Catalog Page 1011 Created
Amphenol RF Amphenol RF 2007 FAKRA Catalog Page 1415 Created
Amphenol RF Amphenol RF 2007 FAKRA Catalog Page 67 Created with
Amphenol RF Amphenol RF 2006 Full Line Catalog Page 1 Created
Amphenol Rf Connector Catalog at Faith Lomax blog
Amphenol Rf Connector Catalog at Faith Lomax blog
Amphenol RF Amphenol RF 2007 FAKRA Catalog Page 24 Created with
MCX Connector Catalog Datasheet by Amphenol RF DigiKey Electronics
Amphenol RF 831SP6 Amphenol RF 831SP6 PL259 Coaxial Connectors
Amphenol RF 314427 Amphenol RF 314427 BNC Male Coaxial Connectors
Amphenol RF Amphenol RF 2007 FAKRA Catalog Page 45 Created with
Amphenol RF Amphenol RF 2007 FAKRA Catalog Page 1617 Created
Amphenol RF Amphenol RF 2003 Full Line Catalog Page 1 Created
Amphenol Rf Connector Catalog at Faith Lomax blog
Amphenol RF Amphenol RF 2007 FAKRA Catalog Page 45 Created with
Amphenol RF Amphenol RF 2007 FAKRA Catalog Page 1617 Created
Amphenol Rf Connector Catalog at Faith Lomax blog
Amphenol Rf Connector Catalog at Faith Lomax blog
Amphenol RF Amphenol RF 2007 FAKRA Catalog Page 2021 Created
Amphenol RF Amphenol RF 2007 FAKRA Catalog Page 2021 Created
Amphenol RF Amphenol RF 2007 FAKRA Catalog Page 1415 Created
Amphenol RF Distributor DigiKey Electronics
Amphenol RF Amphenol RF 2007 FAKRA Catalog Page 1213 Created
Amphenol Catalog Digital PDF Electrical Connector Ac Power Plugs
Related Post:































