Ametek Motor Catalog
Ametek Motor Catalog - " These are attempts to build a new kind of relationship with the consumer, one based on honesty and shared values rather than on the relentless stoking of desire. It is a testament to the internet's capacity for both widespread generosity and sophisticated, consent-based marketing. You can find their contact information in the Aura Grow app and on our website. It’s about building a case, providing evidence, and demonstrating that your solution is not an arbitrary act of decoration but a calculated and strategic response to the problem at hand. From the quiet solitude of a painter’s studio to the bustling strategy sessions of a corporate boardroom, the value chart serves as a compass, a device for navigating the complex terrain of judgment, priority, and meaning. It is the difficult, necessary, and ongoing work of being a conscious and responsible citizen in a world where the true costs are so often, and so deliberately, hidden from view. The interaction must be conversational. The product can then be sold infinitely without new manufacturing. They conducted experiments to determine a hierarchy of these visual encodings, ranking them by how accurately humans can perceive the data they represent. Pinterest is, quite literally, a platform for users to create and share their own visual catalogs of ideas, products, and aspirations. This is followed by a period of synthesis and ideation, where insights from the research are translated into a wide array of potential solutions. This experience taught me to see constraints not as limitations but as a gift. Seeking Feedback and Learning from Others Developing Observation Skills The aesthetic appeal of pattern images lies in their ability to create visual harmony and rhythm. The temptation is to simply pour your content into the placeholders and call it a day, without critically thinking about whether the pre-defined structure is actually the best way to communicate your specific message. This versatile and creative art form, which involves using a hook to interlock loops of yarn or thread, is not just a hobby but a form of self-expression and a means of preserving cultural heritage. This awareness has given rise to critical new branches of the discipline, including sustainable design, inclusive design, and ethical design. We see it in the development of carbon footprint labels on some products, an effort to begin cataloging the environmental cost of an item's production and transport. A simple family chore chart, for instance, can eliminate ambiguity and reduce domestic friction by providing a clear, visual reference of responsibilities for all members of the household. The project forced me to move beyond the surface-level aesthetics and engage with the strategic thinking that underpins professional design. This profile is then used to reconfigure the catalog itself. There are only the objects themselves, presented with a kind of scientific precision. One of the primary mechanisms through which journaling exerts its positive effects is by providing a structured outlet for self-expression. It is an idea that has existed for as long as there has been a need to produce consistent visual communication at scale. It is the generous act of solving a problem once so that others don't have to solve it again and again. I started reading outside of my comfort zone—history, psychology, science fiction, poetry—realizing that every new piece of information, every new perspective, was another potential "old thing" that could be connected to something else later on. The third shows a perfect linear relationship with one extreme outlier. Do not open the radiator cap when the engine is hot, as pressurized steam and scalding fluid can cause serious injury. This sample is a document of its technological constraints. From a simple plastic bottle to a complex engine block, countless objects in our world owe their existence to this type of industrial template. Keeping an inspiration journal or mood board can help you collect ideas and references. In the domain of project management, the Gantt chart is an indispensable tool for visualizing and managing timelines, resources, and dependencies. Here, you can view the digital speedometer, fuel gauge, hybrid system indicator, and outside temperature. So, we are left to live with the price, the simple number in the familiar catalog. 54 Many student planner charts also include sections for monthly goal-setting and reflection, encouraging students to develop accountability and long-term planning skills. Bridal shower and baby shower games are very common printables. We recommend using filtered or distilled water to prevent mineral buildup over time. The multi-information display, a color screen located in the center of the instrument cluster, serves as your main information hub. His philosophy is a form of design minimalism, a relentless pursuit of stripping away everything that is not essential until only the clear, beautiful truth of the data remains. They established the publication's core DNA. In the final analysis, the free printable represents a remarkable and multifaceted cultural artifact of our time. A separate Warranty Information & Maintenance Log booklet provides you with details about the warranties covering your vehicle and the specific maintenance required to keep it in optimal condition. This document constitutes the official Service and Repair Manual for the Titan Industrial Lathe, Model T-800. To monitor performance and facilitate data-driven decision-making at a strategic level, the Key Performance Indicator (KPI) dashboard chart is an essential executive tool. They wanted to understand its scale, so photos started including common objects or models for comparison. 49 This type of chart visually tracks key milestones—such as pounds lost, workouts completed, or miles run—and links them to pre-determined rewards, providing a powerful incentive to stay committed to the journey. It’s not just about making one beautiful thing; it’s about creating a set of rules, guidelines, and reusable components that allow a brand to communicate with a consistent voice and appearance over time. The "master file" was a painstakingly assembled bed of metal type, and from this physical template, identical copies could be generated, unleashing a flood of information across Europe. 26 A weekly family schedule chart can coordinate appointments, extracurricular activities, and social events, ensuring everyone is on the same page. The website we see, the grid of products, is not the catalog itself; it is merely one possible view of the information stored within that database, a temporary manifestation generated in response to a user's request. Even with the most diligent care, unexpected situations can arise. It is a professional instrument for clarifying complexity, a personal tool for building better habits, and a timeless method for turning abstract intentions into concrete reality. High-quality brochures, flyers, business cards, and posters are essential for promoting products and services. And now, in the most advanced digital environments, the very idea of a fixed template is beginning to dissolve. The chart is no longer just a static image of a conclusion; it has become a dynamic workshop for building one. 53 By providing a single, visible location to track appointments, school events, extracurricular activities, and other commitments for every member of the household, this type of chart dramatically improves communication, reduces scheduling conflicts, and lowers the overall stress level of managing a busy family. A multimeter is another essential diagnostic tool that allows you to troubleshoot electrical problems, from a dead battery to a faulty sensor, and basic models are very affordable. A professional doesn’t guess what these users need; they do the work to find out. An educational chart, such as a multiplication table, an alphabet chart, or a diagram of a frog's life cycle, leverages the principles of visual learning to make complex information more memorable and easier to understand for young learners. 71 The guiding philosophy is one of minimalism and efficiency: erase non-data ink and erase redundant data-ink to allow the data to speak for itself. You can monitor the progress of the download in your browser's download manager, which is typically accessible via an icon at the top corner of the browser window. But this "free" is a carefully constructed illusion. Every choice I make—the chart type, the colors, the scale, the title—is a rhetorical act that shapes how the viewer interprets the information. This comprehensive guide explores the myriad aspects of printable images, their applications, and their impact on modern life. This resilience, this ability to hold ideas loosely and to see the entire process as a journey of refinement rather than a single moment of genius, is what separates the amateur from the professional. The myth of the lone genius is perhaps the most damaging in the entire creative world, and it was another one I had to unlearn. In the opening pages of the document, you will see a detailed list of chapters and sections. This increases the regenerative braking effect, which helps to control your speed and simultaneously recharges the hybrid battery. The binder system is often used with these printable pages. By mastering the interplay of light and dark, artists can create dynamic and engaging compositions that draw viewers in and hold their attention. It is a catalog that sells a story, a process, and a deep sense of hope. The aesthetic that emerged—clean lines, geometric forms, unadorned surfaces, and an honest use of modern materials like steel and glass—was a radical departure from the past, and its influence on everything from architecture to graphic design and furniture is still profoundly felt today. There is the cost of the raw materials, the cotton harvested from a field, the timber felled from a forest, the crude oil extracted from the earth and refined into plastic. The satisfaction of finding the perfect printable is significant. Pressing this button will connect you with an operator who can dispatch emergency services to your location. In the event of a collision, if you are able, switch on the hazard lights and, if equipped, your vehicle’s SOS Post-Crash Alert System will automatically activate, honking the horn and flashing the lights to attract attention. From that day on, my entire approach changed. And then, when you least expect it, the idea arrives. The goal is to provide power and flexibility without overwhelming the user with too many choices. These digital patterns can be printed or used in digital layouts. Celebrations and life events are also catered for, with free printable invitations, party banners, gift tags, and games allowing people to host personalized and festive gatherings on a minimal budget.Ametek Motor Repair and Rewind Motor Repair & Rewinds Eurton Electric
Ametek Lamb motor 119710 PDF
Página inicial da loja Produtos Avaliação
AMETEK Prestolite Motors Electric Motor
Ametek Motor for Industrial Vacuum Vantage Products Inc.
AMETEK Catalog Front Page May2012 PDF PDF
AMETEK Motor QbpP 3 Stage 1200W Innoway
Ametek Lamb 115684 4M887 Vacuum Motor, Tangential, 7.2 Inch Body
Ametek 3482MAC5114 Brushless DC Motor 120 VAC 1750 RPM 1/5 HP with 0.5
Ametek Lamb Vacuum Motors Italia
Ametek Lamb 11621200 2Stage 5.7" 110V 1050W CZ Motor 5053197007104
AMETEK Brookfield Product Catalog PDF
250 W Ametek Motor 11955900 at ₹ 4250 in New Delhi ID 2852227740873
Ametek Lamb 2 stage High Suction Vacuum Motor Amtech UK
Ametek Vacuum Motors EU Distributor Raptor Supplies Worldwide
Ametek Lamb Vacuum Electric Motors & Blowers Distributor Raptor
Ametek Lamb Vacuum Motors Italia
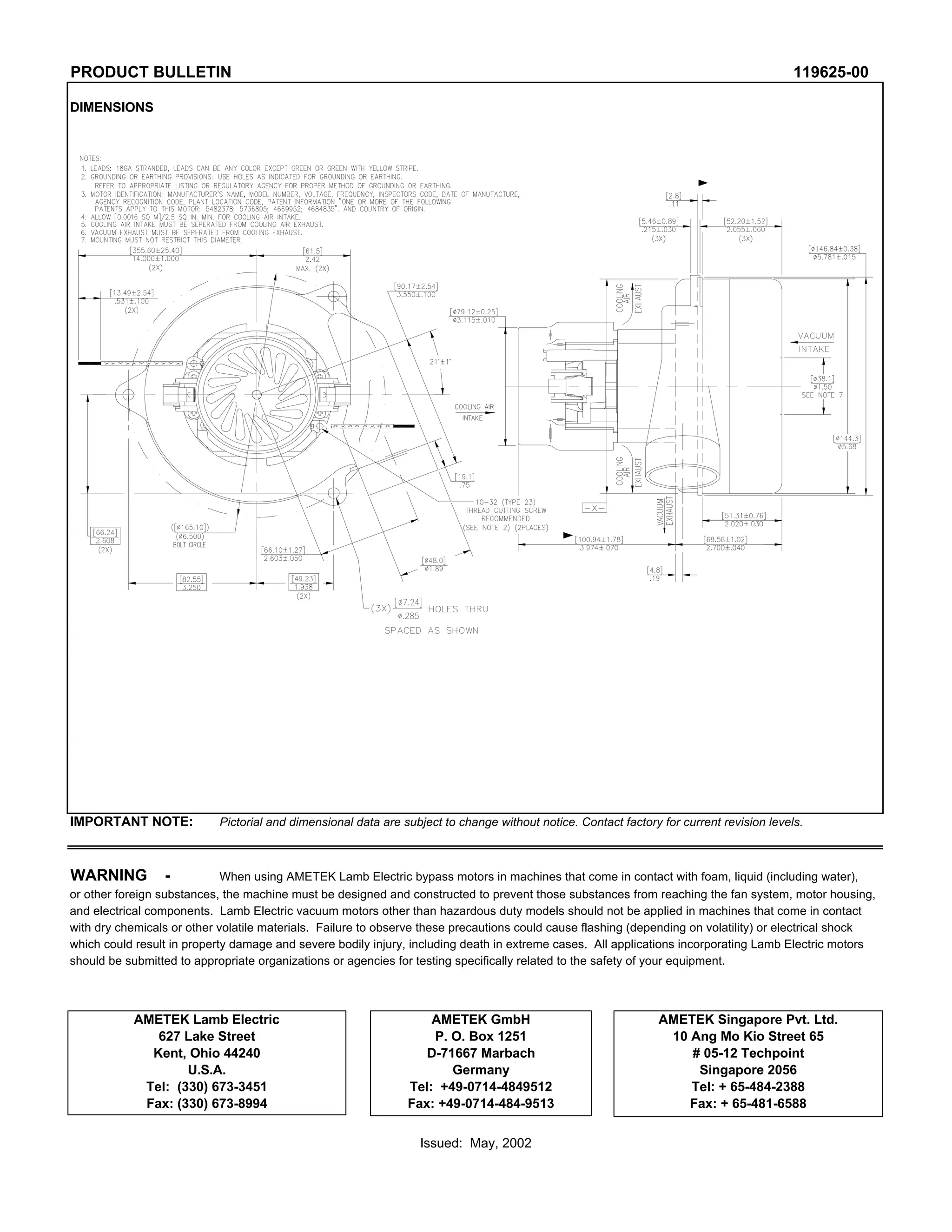
Product bulletin ametek 119625 00 PDF
Ametek Lamb Vacuum Motors Italia
AMETEK Motor for Industrial Vacuum Cleaner (for SKU 202021)
AMETEK MOTOR BPT 3 STAGE 1700W Filta
AMETEK LAMB, 2 1/2 HP, CWSE, DC Wound Field Motor 44ZU55MUE6306A
AMETEK Motor BpT 2 Stage 24V/330W Innoway
Vacuum Motor Ametek 115923 AA Electric Surplus
アメテック ラム真空モーター 日本
Vacuum Motor Ametek 115923 AA Electric Surplus
Ametek Motor Repair and Rewinding 2 Motor Repair & Rewinds Eurton
Ametek Motor for Industrial Vacuum Vantage Products Inc.
Product Bulletin Ametek 11659813 PDF
Ametek Lamb Vacuum Motors Italia
Ametek Rotron 510502 MOTOR 3/4 HP 3 PH 230/460 VAC TEFC
ห้ามพลาดดด‼️AMETEK MOTOR รุ่น 11965500💥💥💥 . มอเตอร์สำหรับเครื่องเก็บ
Ametek 3482MAC5114 Brushless DC Motor 120 VAC 1750 RPM 1/5 HP with 0.5
Ametek Lamb 2Stage 5.7" 240V 400W Motor 11615500 Vacuum Genie
Ametek 114560 2stage 7.5 inch Vacuum Motor, 120 volt IMS Supply
Related Post:





















