Allison Transmission Mt 643 Parts Catalog
Allison Transmission Mt 643 Parts Catalog - And the recommendation engine, which determines the order of those rows and the specific titles that appear within them, is the all-powerful algorithmic store manager, personalizing the entire experience for each user. Place the old pad against the piston and slowly tighten the C-clamp to retract the piston until it is flush with the caliper body. The very act of creating or engaging with a comparison chart is an exercise in critical thinking. In reality, much of creativity involves working within, or cleverly subverting, established structures. After the logo, we moved onto the color palette, and a whole new world of professional complexity opened up. These early records were often kept by scholars, travelers, and leaders, serving as both personal reflections and historical documents. It can even suggest appropriate chart types for the data we are trying to visualize. This specialized horizontal bar chart maps project tasks against a calendar, clearly illustrating start dates, end dates, and the duration of each activity. Take photographs as you go to remember the precise routing of all cables. They discovered, for instance, that we are incredibly good at judging the position of a point along a common scale, which is why a simple scatter plot is so effective. An interactive chart is a fundamentally different entity from a static one. The designed world is the world we have collectively chosen to build for ourselves. It depletes our finite reserves of willpower and mental energy. PDFs, on the other hand, are versatile documents that can contain both text and images, making them a preferred choice for print-ready materials like posters and brochures. It is the weekly planner downloaded from a productivity blog, the whimsical coloring page discovered on Pinterest for a restless child, the budget worksheet shared in a community of aspiring savers, and the inspirational wall art that transforms a blank space. But a great user experience goes further. A printable habit tracker offers a visually satisfying way to build new routines, while a printable budget template provides a clear framework for managing personal finances. It might be a weekly planner tacked to a refrigerator, a fitness log tucked into a gym bag, or a project timeline spread across a conference room table. To look at Minard's chart is to understand the entire tragedy of the campaign in a single, devastating glance. You have to anticipate all the different ways the template might be used, all the different types of content it might need to accommodate, and build a system that is both robust enough to ensure consistency and flexible enough to allow for creative expression. " It is, on the surface, a simple sales tool, a brightly coloured piece of commercial ephemera designed to be obsolete by the first week of the new year. Practice drawing from photographs or live models to hone your skills. When a vehicle is detected in your blind spot area, an indicator light will illuminate in the corresponding side mirror. Knitting is a versatile and accessible craft that can be enjoyed by people of all ages and skill levels. Through trial and error, artists learn to embrace imperfection as a source of beauty and authenticity, celebrating the unique quirks and idiosyncrasies that make each artwork one-of-a-kind. " Chart junk, he argues, is not just ugly; it's disrespectful to the viewer because it clutters the graphic and distracts from the data. Attempting repairs without the proper knowledge and tools can result in permanent damage to the device and may void any existing warranty. Keep a Sketchbook: Maintain a sketchbook to document your progress, experiment with ideas, and practice new techniques. While you can create art with just a pencil and paper, exploring various tools can enhance your skills and add diversity to your work. The layout was a rigid, often broken, grid of tables. I would sit there, trying to visualize the perfect solution, and only when I had it would I move to the computer. To make it effective, it must be embedded within a narrative. These tools range from minimalist black-and-white designs that conserve printer ink to vibrant, elaborately decorated pages that turn organization into an act of creative expression. You should check the pressure in all four tires, including the compact spare, at least once a month using a quality pressure gauge. Was the body font legible at small sizes on a screen? Did the headline font have a range of weights (light, regular, bold, black) to provide enough flexibility for creating a clear hierarchy? The manual required me to formalize this hierarchy. The next leap was the 360-degree view, allowing the user to click and drag to rotate the product as if it were floating in front of them. Using techniques like collaborative filtering, the system can identify other users with similar tastes and recommend products that they have purchased. The infamous "Norman Door"—a door that suggests you should pull when you need to push—is a simple but perfect example of a failure in this dialogue between object and user. Alongside this broad consumption of culture is the practice of active observation, which is something entirely different from just looking. Follow the detailed, step-by-step instructions provided in the "In Case of Emergency" chapter of this manual to perform this procedure safely. If the ChronoMark fails to power on, the first step is to connect it to a known-good charger and cable for at least one hour. The Power of Writing It Down: Encoding and the Generation EffectThe simple act of putting pen to paper and writing down a goal on a chart has a profound psychological impact. But once they have found a story, their task changes. The cover, once glossy, is now a muted tapestry of scuffs and creases, a cartography of past enthusiasms. It is the story of our relationship with objects, and our use of them to construct our identities and shape our lives. The beauty of Minard’s Napoleon map is not decorative; it is the breathtaking elegance with which it presents a complex, multivariate story with absolute clarity. The vehicle's electric power steering provides a light feel at low speeds for easy maneuvering and a firmer, more confident feel at higher speeds. A design system is essentially a dynamic, interactive, and code-based version of a brand manual. The user of this catalog is not a casual browser looking for inspiration. By providing a tangible record of your efforts and progress, a health and fitness chart acts as a powerful data collection tool and a source of motivation, creating a positive feedback loop where logging your achievements directly fuels your desire to continue. Suddenly, the catalog could be interrogated. The Sears catalog could tell you its products were reliable, but it could not provide you with the unfiltered, and often brutally honest, opinions of a thousand people who had already bought them. It stands as a testament to the idea that sometimes, the most profoundly effective solutions are the ones we can hold in our own hands. The user's behavior shifted from that of a browser to that of a hunter. Within these paragraphs, you will find practical, real-world advice on troubleshooting, diagnosing, and repairing the most common issues that affect the OmniDrive. Set up still lifes, draw from nature, or sketch people in various settings. The X-axis travel is 300 millimeters, and the Z-axis travel is 1,200 millimeters, both driven by high-precision, ground ball screws coupled directly to AC servo motors. Join art communities, take classes, and seek constructive criticism to grow as an artist. Before InDesign, there were physical paste-up boards, with blue lines printed on them that wouldn't show up on camera, marking out the columns and margins for the paste-up artist. This was the direct digital precursor to the template file as I knew it. In the domain of project management, the Gantt chart is an indispensable tool for visualizing and managing timelines, resources, and dependencies. It does not plead or persuade; it declares. You can find their contact information in the Aura Grow app and on our website. By allowing yourself the freedom to play, experiment, and make mistakes, you can tap into your innate creativity and unleash your imagination onto the page. 31 In more structured therapeutic contexts, a printable chart can be used to track progress through a cognitive behavioral therapy (CBT) workbook or to practice mindfulness exercises. Furthermore, drawing has therapeutic benefits, offering individuals a means of relaxation, stress relief, and self-expression. This includes the time spent learning how to use a complex new device, the time spent on regular maintenance and cleaning, and, most critically, the time spent dealing with a product when it breaks. Art, in its purest form, is about self-expression. A cream separator, a piece of farm machinery utterly alien to the modern eye, is depicted with callouts and diagrams explaining its function. The very act of creating or engaging with a comparison chart is an exercise in critical thinking. The goal isn't just to make things pretty; it's to make things work better, to make them clearer, easier, and more meaningful for people. The genius of a good chart is its ability to translate abstract numbers into a visual vocabulary that our brains are naturally wired to understand. It is printed in a bold, clear typeface, a statement of fact in a sea of persuasive adjectives. Whether through sketches, illustrations, or portraits, artists harness the power of drawing to evoke feelings, provoke thoughts, and inspire contemplation. The invention of knitting machines allowed for mass production of knitted goods, making them more accessible to the general population. " I hadn't seen it at all, but once she pointed it out, it was all I could see. An honest cost catalog would need a final, profound line item for every product: the opportunity cost, the piece of an alternative life that you are giving up with every purchase. A meal planning chart is a simple yet profoundly effective tool for fostering healthier eating habits, saving money on groceries, and reducing food waste. Suddenly, the simple act of comparison becomes infinitely more complex and morally fraught. The Pre-Collision System with Pedestrian Detection is designed to help detect a vehicle or a pedestrian in front of you.Allison Transmission MT640 MTB(B)643 MT650 MT(B)653 Service Manual_SM1317EN
Detroit Diesel Allison Transmissions MT 640 643 650 653 Parts Catalog
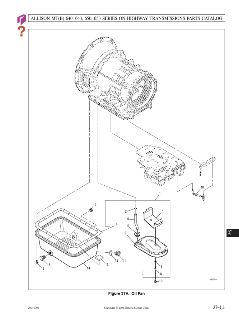
Allison MT (B) 640, 643, 650, 653 Series OnHighway Transmissions Parts
Allison Transmission parts catalog KrutilVertel
Allison Transmission MT643 29505316 Catalyst Powertrain
Allison MT (B) 640, 643, 650, 653 Series OnHighway Transmissions Parts
The Ultimate Guide Understanding the Allison Transmission MT643 Parts
ALLISON MT 643 TRANSMISSION JTFD4101720 JUST PARTS
Allison MT (B) 640, 643, 650, 653 Series OnHighway Transmissions Parts
Allison Mt643 Transmission Specs In Sale
ALLISON MT643/644/653/654 Xcalliber
Allison Transmission Mt643 Parts Diagram
Allison Transmission MT643 29505316 Catalyst Powertrain
The Ultimate Guide Understanding the Allison Transmission MT643 Parts
Allison Transmission MT643 29505316 Catalyst Powertrain
Allison MT (B) 640, 643, 650, 653 Series OnHighway Transmissions Parts
Supplemental Parts Information Index Allison MT (B) 640, 643, 650, 653
Allison MT 643 PDF PDF
Allison MT643 Transmission Parts Diagram and Component Breakdown All
Allison MT (B) 640, 643, 650, 653 Series OnHighway Transmissions Parts
Allison Transmission Mt643 Parts Diagram
Allison Transmission MT 640, 643, 650, 653 Series Parts Catalog SA
Allison Transmissions Automatic Models MT643, MT653DR Up To, 51 OFF
1996 Allison MT643 Transmission For Sale Miami, FL 190503062014
Allison Transmission MT640 MTB(B)643 MT650 MT(B)653 Service Manual_SM1317EN
Allison Transmission Mt643 Parts Diagram Allison Transmissio
Allison Transmissions MT 643/MT 653DR Brochure, 4 Page eBay
Allison Transmission
Allison MT (B) 640, 643, 650, 653 Series OnHighway Transmissions Parts
The Ultimate Guide Understanding the Allison Transmission MT643 Parts
Allison MT643 Transmission Parts Diagram and Component Breakdown All
Allison Transmission Parts Catalog PDF Clutch Transmission
The Ultimate Guide Understanding the Allison Transmission MT643 Parts
The Ultimate Guide Understanding the Allison Transmission MT643 Parts
CONTENTdm
Related Post:
























