Alfa Romeo 166 Parts Catalog
Alfa Romeo 166 Parts Catalog - I journeyed through its history, its anatomy, and its evolution, and I have arrived at a place of deep respect and fascination. The correct inflation pressures are listed on the tire and loading information label located on the driver's side doorjamb. This surveillance economy is the engine that powers the personalized, algorithmic catalog, a system that knows us so well it can anticipate our desires and subtly nudge our behavior in ways we may not even notice. The process of achieving goals, even the smallest of micro-tasks, is biochemically linked to the release of dopamine, a powerful neurotransmitter associated with feelings of pleasure, reward, and motivation. The printable template facilitates a unique and powerful hybrid experience, seamlessly blending the digital and analog worlds. If you were to calculate the standard summary statistics for each of the four sets—the mean of X, the mean of Y, the variance, the correlation coefficient, the linear regression line—you would find that they are all virtually identical. Some of the best ideas I've ever had were not really my ideas at all, but were born from a conversation, a critique, or a brainstorming session with my peers. But this infinite expansion has come at a cost. This preservation not only honors the past but also inspires future generations to continue the craft, ensuring that the rich tapestry of crochet remains vibrant and diverse. The lap belt should be worn low and snug across your hips, not your stomach, and the shoulder belt should cross your chest and shoulder. Open your preferred web browser and type our company's web address into the navigation bar. A well-designed poster must capture attention from a distance, convey its core message in seconds, and provide detailed information upon closer inspection, all through the silent orchestration of typography, imagery, and layout. Your Voyager is also equipped with selectable drive modes, which you can change using the drive mode controller. The Enduring Relevance of the Printable ChartIn our journey through the world of the printable chart, we have seen that it is far more than a simple organizational aid. A scientist could listen to the rhythm of a dataset to detect anomalies, or a blind person could feel the shape of a statistical distribution. The fundamental shift, the revolutionary idea that would ultimately allow the online catalog to not just imitate but completely transcend its predecessor, was not visible on the screen. Whether it's through doodling in a notebook or creating intricate works of art, drawing has the power to soothe the soul and nourish the spirit. In a CMS, the actual content of the website—the text of an article, the product description, the price, the image files—is not stored in the visual layout. The object itself is often beautiful, printed on thick, matte paper with a tactile quality. The physical act of writing by hand on a paper chart stimulates the brain more actively than typing, a process that has been shown to improve memory encoding, information retention, and conceptual understanding. In the event of a collision, your vehicle is designed to protect you, but your first priority should be to assess for injuries and call for emergency assistance if needed. When we came back together a week later to present our pieces, the result was a complete and utter mess. Amidst a sophisticated suite of digital productivity tools, a fundamentally analog instrument has not only persisted but has demonstrated renewed relevance: the printable chart. Leading Lines: Use lines to direct the viewer's eye through the drawing. The way we communicate in a relationship, our attitude toward authority, our intrinsic definition of success—these are rarely conscious choices made in a vacuum. We have also uncovered the principles of effective and ethical chart design, understanding that clarity, simplicity, and honesty are paramount. 23 A key strategic function of the Gantt chart is its ability to represent task dependencies, showing which tasks must be completed before others can begin and thereby identifying the project's critical path. A headline might be twice as long as the template allows for, a crucial photograph might be vertically oriented when the placeholder is horizontal. Perhaps the most important process for me, however, has been learning to think with my hands. 64 This is because handwriting is a more complex motor and cognitive task, forcing a slower and more deliberate engagement with the information being recorded. It can be placed in a frame, tucked into a wallet, or held in the hand, becoming a physical totem of a memory. A comprehensive student planner chart can integrate not only study times but also assignment due dates, exam schedules, and extracurricular activities, acting as a central command center for a student's entire academic life. The first of these is "external storage," where the printable chart itself becomes a tangible, physical reminder of our intentions. But I now understand that they are the outcome of a well-executed process, not the starting point. Overtightening or undertightening bolts, especially on critical components like wheels, suspension, and engine parts, can lead to catastrophic failure. The fields to be filled in must be clearly delineated and appropriately sized. It's about building a fictional, but research-based, character who represents your target audience. It’s an iterative, investigative process that prioritizes discovery over presentation. And through that process of collaborative pressure, they are forged into something stronger. For times when you're truly stuck, there are more formulaic approaches, like the SCAMPER method. The power this unlocked was immense. How do you design a catalog for a voice-based interface? You can't show a grid of twenty products. A printable chart can effectively "gamify" progress by creating a system of small, consistent rewards that trigger these dopamine releases. The ideas are not just about finding new formats to display numbers. This statement can be a declaration of efficiency, a whisper of comfort, a shout of identity, or a complex argument about our relationship with technology and with each other. Where a modernist building might be a severe glass and steel box, a postmodernist one might incorporate classical columns in bright pink plastic. While you can create art with just a pencil and paper, exploring various tools can enhance your skills and add diversity to your work. 28The Nutrition and Wellness Chart: Fueling Your BodyPhysical fitness is about more than just exercise; it encompasses nutrition, hydration, and overall wellness. There is a specific and safe sequence for connecting and disconnecting the jumper cables that must be followed precisely to avoid sparks, which could cause an explosion, and to prevent damage to the vehicle's sensitive electrical systems. It is a journey from uncertainty to clarity. This involves making a conscious choice in the ongoing debate between analog and digital tools, mastering the basic principles of good design, and knowing where to find the resources to bring your chart to life. Be mindful of residual hydraulic or pneumatic pressure within the system, even after power down. If you then activate your turn signal, the light will flash and a warning chime will sound. It’s an iterative, investigative process that prioritizes discovery over presentation. The genius lies in how the properties of these marks—their position, their length, their size, their colour, their shape—are systematically mapped to the values in the dataset. The catalog you see is created for you, and you alone. The ghost template is the unseen blueprint, the inherited pattern, the residual memory that shapes our cities, our habits, our stories, and our societies. I pictured my classmates as these conduits for divine inspiration, effortlessly plucking incredible ideas from the ether while I sat there staring at a blank artboard, my mind a staticky, empty canvas. It’s about having a point of view, a code of ethics, and the courage to advocate for the user and for a better outcome, even when it’s difficult. After you've done all the research, all the brainstorming, all the sketching, and you've filled your head with the problem, there often comes a point where you hit a wall. Similarly, the analysis of patterns in astronomical data can help identify celestial objects and phenomena. Users can purchase high-resolution art files for a very low price. In such a world, the chart is not a mere convenience; it is a vital tool for navigation, a lighthouse that can help us find meaning in the overwhelming tide. The classic "shower thought" is a real neurological phenomenon. Consistency is more important than duration, and short, regular journaling sessions can still be highly effective. You can find printable coloring books on virtually any theme. An image intended as a printable graphic for a poster or photograph must have a high resolution, typically measured in dots per inch (DPI), to avoid a blurry or pixelated result in its final printable form. The next is learning how to create a chart that is not only functional but also effective and visually appealing. Another potential issue is receiving an error message when you try to open the downloaded file, such as "The file is corrupted" or "There was an error opening this document. It was produced by a team working within a strict set of rules, a shared mental template for how a page should be constructed—the size of the illustrations, the style of the typography, the way the price was always presented. Automatic Emergency Braking with Pedestrian Detection monitors your speed and distance to the vehicle ahead and can also detect pedestrians in your path. For many applications, especially when creating a data visualization in a program like Microsoft Excel, you may want the chart to fill an entire page for maximum visibility. Platforms like Etsy provided a robust marketplace for these digital goods. A meal planning chart is a simple yet profoundly effective tool for fostering healthier eating habits, saving money on groceries, and reducing food waste. This is explanatory analysis, and it requires a different mindset and a different set of skills. This new awareness of the human element in data also led me to confront the darker side of the practice: the ethics of visualization. 22 This shared visual reference provided by the chart facilitates collaborative problem-solving, allowing teams to pinpoint areas of inefficiency and collectively design a more streamlined future-state process. To select a gear, turn the dial to the desired position: P for Park, R for Reverse, N for Neutral, or D for Drive.Alfa Romeo Giulia 20162022 spare parts catalogue
Alfa Romeo Replacement Parts By Diagram — Miller Motorcars Boutique
AlfaRomeo 166 technical details, history, photos on Better Parts LTD
Catalogo de Partes Alfa Romeo 166 2015 AutoPartes y Refacciones
Fiat, Lancia, Alfa Romeo, Abarth, Fiat Commercial Spare Parts Catalogs
ALFA ROMEO replacement parts catalog for Alfa Romeo
help with 166 parts Alfa Romeo Forum
Fiat, Lancia, Alfa Romeo, Abarth, Fiat Commercial Spare Parts Catalogs
Fiat, Lancia, Alfa Romeo, Abarth, Fiat Commercial Spare Parts Catalogs
Alfa Romeo Owners Club Parts
Tuning the Alfa Romeo 166 and best 166 performance parts.
Alfa Romeo 166 Repair Manual 19982007 Download
Alfa Romeo Parts Catalog Romeo 145 2007 AutoParts and Spare Parts
Identifying the Parts of an Alfa Romeo GTV Y. K. Kunkels
Speedometer/Instrument Cluster Alfa Romeo 166 156022592 58993
Rim ALFA ROMEO 166 (936_) 2.4 JTD (936AXC00, 936AXD01) 8908804 BParts
ALFA ROMEO 166 auto parts shop for OE original parts
Alfa Romeo 166 service manual (19982007) (Multilang)
Engine Components 166 PartsworldUK
Spare Parts Catalogue
Home Alfa 166 Parts
Fiat, Lancia, Alfa Romeo, Abarth, Fiat Commercial Spare Parts Catalogs
Alfa Romeo 166 Parts Alfa Romeo Shop
Alfa Romeo 166 Parts Alfa Romeo Shop
Alfa Romeo 166 Repair Manual Download Repair Manuals Co
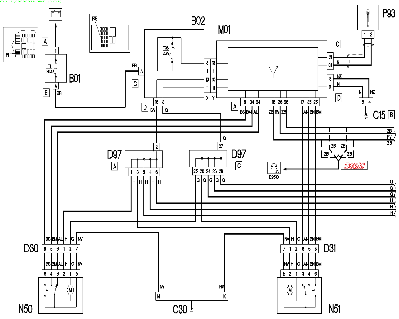
Werkstatthandbuch Elektrische Schaltpläne Alfa Romeo 166 Stand 06/1998
Ремонт кондиционера и номера запчастей — Alfa Romeo 166, 2 л, 2001 года
Alfa Romeo 164 USA 19901992 spare parts catalogue
Alfa Romeo 166 PartsworldUK
Parts Catalog Alfa Romeo 166 2000 AutoParts and Spare Parts
AUX IN и мультимедиа в 166 — Alfa Romeo 166, 2,5 л, 1999 года
Alfa Romeo 166, The description of technology of repair and service
Fuse box diagram Alfa Romeo 166 and relay with assignment and location
Alfa Romeo 166 Buyer's Guide 1999 to 2007 Garage Dreams
Related Post:

















-117-p.png?w=500&h=500&v=43edad87-9df7-49fc-bf0f-ef70d002df9a)














