Agco Parts Catalog
Agco Parts Catalog - Form and function are two sides of the same coin, locked in an inseparable and dynamic dance. Things like naming your files logically, organizing your layers in a design file so a developer can easily use them, and writing a clear and concise email are not trivial administrative tasks. It reduces friction and eliminates confusion. Numerous USB ports are located throughout the cabin to ensure all passengers can keep their devices charged. Professional design is a business. But it was the Swiss Style of the mid-20th century that truly elevated the grid to a philosophical principle. The very essence of its utility is captured in its name; it is the "printable" quality that transforms it from an abstract digital file into a physical workspace, a tactile starting point upon which ideas, plans, and projects can be built. The printable chart is also an invaluable asset for managing personal finances and fostering fiscal discipline. 39 This type of chart provides a visual vocabulary for emotions, helping individuals to identify, communicate, and ultimately regulate their feelings more effectively. It rarely, if ever, presents the alternative vision of a good life as one that is rich in time, relationships, and meaning, but perhaps simpler in its material possessions. 71 The guiding philosophy is one of minimalism and efficiency: erase non-data ink and erase redundant data-ink to allow the data to speak for itself. The website was bright, clean, and minimalist, using a completely different, elegant sans-serif. Follow the detailed, step-by-step instructions provided in the "In Case of Emergency" chapter of this manual to perform this procedure safely. Communication with stakeholders is a critical skill. This sample is not about instant gratification; it is about a slow, patient, and rewarding collaboration with nature. Take note of how they were installed and where any retaining clips are positioned. But spending a day simply observing people trying to manage their finances might reveal that their biggest problem is not a lack of features, but a deep-seated anxiety about understanding where their money is going. By recommending a small selection of their "favorite things," they act as trusted guides for their followers, creating a mini-catalog that cuts through the noise of the larger platform. 61 Another critical professional chart is the flowchart, which is used for business process mapping. This modernist dream, initially the domain of a cultural elite, was eventually democratized and brought to the masses, and the primary vehicle for this was another, now legendary, type of catalog sample. Therefore, a critical and routine task in hospitals is the conversion of a patient's weight from pounds to kilograms, as many drug dosages are prescribed on a per-kilogram basis. The website was bright, clean, and minimalist, using a completely different, elegant sans-serif. The free printable acts as a demonstration of expertise and a gesture of goodwill, building trust and showcasing the quality of the creator's work. 51 By externalizing their schedule onto a physical chart, students can avoid the ineffective and stressful habit of cramming, instead adopting a more consistent and productive routine. To mitigate these issues, individuals can establish dedicated journaling times and use apps with robust security features. Charting Your Inner World: The Feelings and Mental Wellness ChartPerhaps the most nuanced and powerful application of the printable chart is in the realm of emotional intelligence and mental wellness. The adjustable light-support arm allows you to raise the LED light hood as your plants grow taller, ensuring that they always receive the proper amount of light without the risk of being scorched. Function provides the problem, the skeleton, the set of constraints that must be met. Form is the embodiment of the solution, the skin, the voice that communicates the function and elevates the experience. My toolbox was growing, and with it, my ability to tell more nuanced and sophisticated stories with data. What if a chart wasn't visual at all, but auditory? The field of data sonification explores how to turn data into sound, using pitch, volume, and rhythm to represent trends and patterns. Mastering Shading and Lighting In digital art and graphic design, software tools enable artists to experiment with patterns in ways that were previously unimaginable. catalog, circa 1897. Presentation templates help in crafting compelling pitches and reports, ensuring that all visual materials are on-brand and polished. They are a reminder that the core task is not to make a bar chart or a line chart, but to find the most effective and engaging way to translate data into a form that a human can understand and connect with. They wanted to see the product from every angle, so retailers started offering multiple images. PNG files are ideal for designs with transparency. Anyone with design skills could open a digital shop. This manual is structured to guide the technician logically from general information and safety protocols through to advanced diagnostics and component-level repair and reassembly. So don't be afraid to pick up a pencil, embrace the process of learning, and embark on your own artistic adventure. It is, first and foremost, a tool for communication and coordination. This hybrid of digital and physical products is uniquely modern. Designers like Josef Müller-Brockmann championed the grid as a tool for creating objective, functional, and universally comprehensible communication. Canva has made graphic design accessible to many more people. A user can select which specific products they wish to compare from a larger list. It is the belief that the future can be better than the present, and that we have the power to shape it. Start with understanding the primary elements: line, shape, form, space, texture, value, and color. Alongside this broad consumption of culture is the practice of active observation, which is something entirely different from just looking. And the fourth shows that all the X values are identical except for one extreme outlier. When we look at a catalog and decide to spend one hundred dollars on a new pair of shoes, the cost is not just the one hundred dollars. The printed page, once the end-product of a long manufacturing chain, became just one of many possible outputs, a single tangible instance of an ethereal digital source. Welcome, fellow owner of the "OmniDrive," a workhorse of a machine that has served countless drivers dependably over the years. It reminded us that users are not just cogs in a functional machine, but complex individuals embedded in a rich cultural context. I can feed an AI a concept, and it will generate a dozen weird, unexpected visual interpretations in seconds. The most powerful ideas are not invented; they are discovered. The template is a distillation of experience and best practices, a reusable solution that liberates the user from the paralysis of the blank page and allows them to focus their energy on the unique and substantive aspects of their work. I thought my ideas had to be mine and mine alone, a product of my solitary brilliance. 43 For a new hire, this chart is an invaluable resource, helping them to quickly understand the company's landscape, put names to faces and titles, and figure out who to contact for specific issues. The cargo capacity is 550 liters with the rear seats up and expands to 1,600 liters when the rear seats are folded down. It’s a representation of real things—of lives, of events, of opinions, of struggles. An exercise chart or workout log is one of the most effective tools for tracking progress and maintaining motivation in a fitness journey. But how, he asked, do we come up with the hypotheses in the first place? His answer was to use graphical methods not to present final results, but to explore the data, to play with it, to let it reveal its secrets. Maintaining proper tire pressure is absolutely critical for safe handling and optimal fuel economy. I saw myself as an artist, a creator who wrestled with the void and, through sheer force of will and inspiration, conjured a unique and expressive layout. The reaction was inevitable. The braking system consists of ventilated disc brakes at the front and solid disc brakes at the rear, supplemented by the ABS and ESC systems. As discussed, charts leverage pre-attentive attributes that our brains can process in parallel, without conscious effort. A truly effective printable is designed with its physical manifestation in mind from the very first step, making the journey from digital file to tangible printable as seamless as possible. From the dog-eared pages of a childhood toy book to the ghostly simulations of augmented reality, the journey through these various catalog samples reveals a profound and continuous story. A single smartphone is a node in a global network that touches upon geology, chemistry, engineering, economics, politics, sociology, and environmental science. Use a white background, and keep essential elements like axes and tick marks thin and styled in a neutral gray or black. A personal value chart is an introspective tool, a self-created map of one’s own moral and ethical landscape. This approach transforms the chart from a static piece of evidence into a dynamic and persuasive character in a larger story. There is the immense and often invisible cost of logistics, the intricate dance of the global supply chain that brings the product from the factory to a warehouse and finally to your door. Apply a new, pre-cut adhesive gasket designed for the ChronoMark to ensure a proper seal and water resistance. Moreover, drawing serves as a form of meditation, offering artists a reprieve from the chaos of everyday life. 93 However, these benefits come with significant downsides. 98 The tactile experience of writing on paper has been shown to enhance memory and provides a sense of mindfulness and control that can be a welcome respite from screen fatigue. A hobbyist can download a 3D printable file for a broken part on an appliance and print a replacement at home, challenging traditional models of manufacturing and repair. This surveillance economy is the engine that powers the personalized, algorithmic catalog, a system that knows us so well it can anticipate our desires and subtly nudge our behavior in ways we may not even notice.AGCO Allis Tractor 5220 HST Parts Catalog 79009487
AGCO Allis Tractor 9630 9650 Parts Catalog 79015820
AGCO Allis Tractor Implements 5200 Series Parts Catalog 79008071
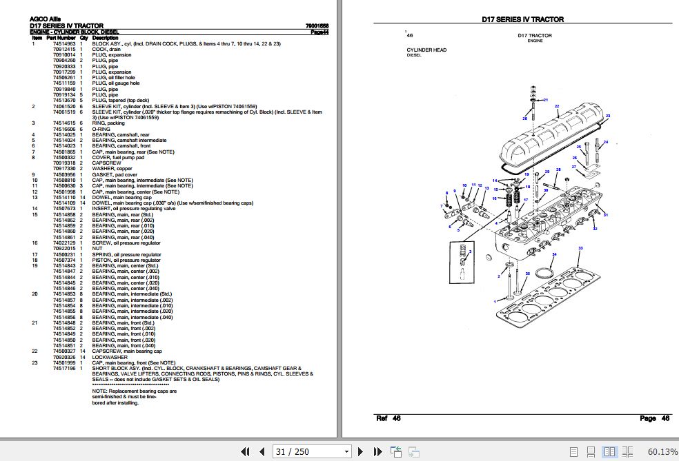
AGCO Allis Tractor D17 Series IV Parts Catalog 79001558
AGCO Allis Tractor 7060 Parts Catalog 79003882
AGCO Allis Tractor 7000 Parts Catalog 79003886
AGCO Allis Tractors 19972001 Parts Catalog AG332568
AGCO Allis Tractor 7050 Parts Catalog 79001614
AGCO Allis Tractor 9635 9655 Parts Catalog 79016355
AGCO Allis Tractor 6690 Parts Catalog 79013783
AGCO Allis Tractor 9735 Parts Catalog 79017499
AGCO Allis Tractor 6690 Parts Catalog 79013783
AGCO Allis Tractor 7010 Parts Catalog 79005649
AGCO Allis Tractor 9775 9785 Parts Catalog 79019269
AGCO Allis Tractor D17 Series IV Parts Catalog 79001558
AGCO Allis Tractor 5220 HST Parts Catalog 79009487
AGCO Allis Unit Type Planter 600 Series Parts Catalog 79001645
AGCO Allis Tractor 7630 Parts Catalog 79013787
AGCO Allis Tractor 7030 Parts Catalog 79001650
AGCO Allis Tractor 6690 Parts Catalog 79013783
AGCO Allis 600 Series Unit Type Planter Parts Catalog 79001645 PDF
AGCO Allis Tractor 5680 Parts Catalog 79017019
AGCO Allis Tractor 5660 5650 Parts Catalog 79016723
AGCO Allis Tractor 185 Parts Catalog 79005580
AGCO Allis Tractor Implements 5200 Series Parts Catalog 79008071
How to use the Agco Tractor, online Electronic Parts Catalog, EPC YouTube
AGCO Allis Tractor 5020 5020 FWD 5030 Parts Catalog 79005174
AGCO Allis Tractor D17 Series IV Parts Catalog 79001558
AGCO Allis Tractor 7600 Parts Catalog 79013785
AGCO Allis Tractor 5670 Parts Catalog 79016595
AGCO Allis Tractor D10 D12 Parts Catalog 79001551
AGCO Allis Unit Type Planter 600 Series Parts Catalog 79001645
AGCO 2021, Epsilon, original spare parts catalog for AGCO technics and
AGCO Allis Tractor 9755 Parts Catalog 79017623
Agco Allis spare parts catalog
Related Post:


































