5440 Catalog
5440 Catalog - This guide has provided a detailed, step-by-step walkthrough of the entire owner's manual download process. I was proud of it. Each of us carries a vast collection of these unseen blueprints, inherited from our upbringing, our culture, and our formative experiences. The construction of a meaningful comparison chart is a craft that extends beyond mere data entry; it is an exercise in both art and ethics. It is the belief that the future can be better than the present, and that we have the power to shape it. Moreover, the social aspect of knitting should not be underestimated. This accessibility makes drawing a democratic art form, empowering anyone with the desire to create to pick up a pencil and let their imagination soar. They represent countless hours of workshops, debates, research, and meticulous refinement. It is imperative that this manual be read in its entirety and fully understood before any service or repair action is undertaken. Practice by drawing cubes, spheres, and cylinders. There’s a wonderful book by Austin Kleon called "Steal Like an Artist," which argues that no idea is truly original. This is the single most important distinction, the conceptual leap from which everything else flows. Whether it's through doodling, sketching from imagination, or engaging in creative exercises and prompts, nurturing your creativity is essential for artistic growth and innovation. This friction forces you to be more deliberate and mindful in your planning. Learning to embrace, analyze, and even find joy in the constraints of a brief is a huge marker of professional maturity. The t-shirt design looked like it belonged to a heavy metal band. These fragments are rarely useful in the moment, but they get stored away in the library in my head, waiting for a future project where they might just be the missing piece, the "old thing" that connects with another to create something entirely new. The pursuit of the impossible catalog is what matters. Printable recipe cards can be used to create a personal cookbook. During both World Wars, knitting became a patriotic duty, with civilians knitting socks, scarves, and other items for soldiers on the front lines. Unauthorized modifications or deviations from these instructions can result in severe equipment damage, operational failure, and potential safety hazards. These simple functions, now utterly commonplace, were revolutionary. We can perhaps hold a few attributes about two or three options in our mind at once, but as the number of items or the complexity of their features increases, our mental workspace becomes hopelessly cluttered. It is an archetype. This had nothing to do with visuals, but everything to do with the personality of the brand as communicated through language. Journaling in the Digital Age Feedback from other artists and viewers can provide valuable insights and help you improve your work. The transformation is immediate and profound. In his 1786 work, "The Commercial and Political Atlas," he single-handedly invented or popularised three of the four horsemen of the modern chart apocalypse: the line chart, the bar chart, and later, the pie chart. Any good physical template is a guide for the hand. An effective org chart clearly shows the chain of command, illustrating who reports to whom and outlining the relationships between different departments and divisions. Yet, to suggest that form is merely a servant to function is to ignore the profound psychological and emotional dimensions of our interaction with the world. In this case, try Browse the product categories as an alternative search method. There will never be another Sears "Wish Book" that an entire generation of children can remember with collective nostalgia, because each child is now looking at their own unique, algorithmically generated feed of toys. Printable flashcards are a classic and effective tool for memorization, from learning the alphabet to mastering scientific vocabulary. 94 This strategy involves using digital tools for what they excel at: long-term planning, managing collaborative projects, storing large amounts of reference information, and setting automated alerts. Never use a metal tool for this step, as it could short the battery terminals or damage the socket. A well-designed chair is not beautiful because of carved embellishments, but because its curves perfectly support the human spine, its legs provide unwavering stability, and its materials express their inherent qualities without deception. 81 A bar chart is excellent for comparing values across different categories, a line chart is ideal for showing trends over time, and a pie chart should be used sparingly, only for representing simple part-to-whole relationships with a few categories. This feature activates once you press the "AUTO HOLD" button and bring the vehicle to a complete stop. He created the bar chart not to show change over time, but to compare discrete quantities between different nations, freeing data from the temporal sequence it was often locked into. This system, this unwritten but universally understood template, was what allowed them to produce hundreds of pages of dense, complex information with such remarkable consistency, year after year. There is always a user, a client, a business, an audience. The freedom of the blank canvas was what I craved, and the design manual seemed determined to fill that canvas with lines and boxes before I even had a chance to make my first mark. Reserve bright, contrasting colors for the most important data points you want to highlight, and use softer, muted colors for less critical information. " Clicking this will direct you to the manual search interface. This is the ultimate evolution of the template, from a rigid grid on a printed page to a fluid, personalized, and invisible system that shapes our digital lives in ways we are only just beginning to understand. Are we creating work that is accessible to people with disabilities? Are we designing interfaces that are inclusive and respectful of diverse identities? Are we using our skills to promote products or services that are harmful to individuals or society? Are we creating "dark patterns" that trick users into giving up their data or making purchases they didn't intend to? These are not easy questions, and there are no simple answers. CMYK stands for Cyan, Magenta, Yellow, and Key (black), the four inks used in color printing. Once all peripherals are disconnected, remove the series of Phillips screws that secure the logic board to the rear casing. Before you start disassembling half the engine bay, it is important to follow a logical diagnostic process. The layout was a rigid, often broken, grid of tables. The VDC system monitors your steering and braking actions and compares them to the vehicle’s actual motion. In this case, try Browse the product categories as an alternative search method. And crucially, these rooms are often inhabited by people. In conclusion, drawing is more than just a hobby or pastime; it is a profound form of artistic expression that has the ability to transform lives and enrich the human experience. The light cycle is preset to provide sixteen hours of light and eight hours of darkness, which is optimal for most common houseplants, herbs, and vegetables. Every one of these printable resources empowers the user, turning their printer into a small-scale production facility for personalized, useful, and beautiful printable goods. This includes the cost of shipping containers, of fuel for the cargo ships and delivery trucks, of the labor of dockworkers and drivers, of the vast, automated warehouses that store the item until it is summoned by a click. " is not a helpful tip from a store clerk; it's the output of a powerful algorithm analyzing millions of data points. The challenge is no longer just to create a perfect, static object, but to steward a living system that evolves over time. It lives on a shared server and is accessible to the entire product team—designers, developers, product managers, and marketers. Artists might use data about climate change to create a beautiful but unsettling sculpture, or data about urban traffic to compose a piece of music. To make it effective, it must be embedded within a narrative. They are talking to themselves, using a wide variety of chart types to explore the data, to find the patterns, the outliers, the interesting stories that might be hiding within. They were a call to action. To hold this sample is to feel the cool, confident optimism of the post-war era, a time when it seemed possible to redesign the entire world along more rational and beautiful lines. Similarly, the "verse-chorus-verse" structure is a fundamental songwriting template, a proven framework for building a compelling and memorable song. It is a chart of human systems, clarifying who reports to whom and how the enterprise is structured. These criteria are the soul of the chart; their selection is the most critical intellectual act in its construction. 41 It also serves as a critical tool for strategic initiatives like succession planning and talent management, providing a clear overview of the hierarchy and potential career paths within the organization. These heirloom pieces carry the history and identity of a family or community, making crochet a living link to the past. When you use a printable chart, you are engaging in a series of cognitive processes that fundamentally change your relationship with your goals and tasks. The rigid, linear path of turning pages was replaced by a multi-dimensional, user-driven exploration. Users can simply select a template, customize it with their own data, and use drag-and-drop functionality to adjust colors, fonts, and other design elements to fit their specific needs. Every design choice we make has an impact, however small, on the world. In these future scenarios, the very idea of a static "sample," a fixed page or a captured screenshot, begins to dissolve. Sometimes it might be an immersive, interactive virtual reality environment. 74 Common examples of chart junk include unnecessary 3D effects that distort perspective, heavy or dark gridlines that compete with the data, decorative background images, and redundant labels or legends. In most cases, this will lead you directly to the product support page for your specific model. From a simple blank grid on a piece of paper to a sophisticated reward system for motivating children, the variety of the printable chart is vast, hinting at its incredible versatility.PC Portable DELL latitude 5440 i51335U 14"FHD 8 Go 512 Go SSD Win 11
KV Models 1/43 Maz5440 Double Sided Masking for Avd Models 1455/7069
Dell Latitude 5440 5000 Business Laptop (14" FHD AntiGlare
Braun Series 5 MGK5440 Grey AllinOne Style Kit • cosmetino.hu
Dell Latitude 5440 Review (Intel Core i51335U)
Parts Catalog Volvo P 5440 series, 1960 Frenky Autodokumentatie
Katalog Produk Indojaya DELL LATITUDE 5440 Rp.2,300,000 (STOK TANYA
Dell Latitude 14 5440 N006L544014EMEA4G Laptop — Core i51335U / 14
Parts Catalog Volvo P 5440 series, 1960 Frenky Autodokumentatie
Parts Catalog Volvo P 5440 series, 1960 Frenky Autodokumentatie
Dell Inspiron 5440 Core7 150U GeForce MX570A 2GB Graphics Price in BD
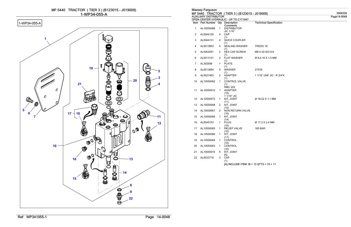
Massey Ferguson MF 5440 Tractor Parts Catalog 3906339
Parts Catalog Volvo P 5440 series, 1960 Frenky Autodokumentatie
Massey Ferguson MF 5440 Tractor Parts Catalog 3906339
PC Portable DELL latitude 5440 i51335U 14"FHD 8 Go 512 Go SSD Win 11
John Deere 5440 AND 5460 SELFPROPELLED FORAGE HARVESTERS Parts Catalog
CKC Catalogue
Dell Latitude 5340, 5440 und 5540 Launch BusinessLaptops mit Intel
Dell Latitude NEW 5440 14 (2023) Intel Core i5 vPro 13Gen 10Core
Dell Latitude 5440 Laptop Intel Core i7 5.2GHz / 32GB RAM/ 256GB SSD
NTE5440 SCR Silicon Controlled Rectifier 12A 800V TO220 Isol, Grieder
Promo Dell Inspiron 5440 Notebook Carbon Black ( I51334u / 8gb
Dell Inspiron 5440 Core7 150U GeForce MX570A 2GB Graphics Price in BD
DELL LATITUDE 5440 CORE I5 4TH GENERATION 4GB/500GB/14″ Hibco
Katalog Produk Indojaya DELL LATITUDE 5440 Rp.2,300,000 (STOK TANYA
John Deere 5440 AND 5460 SELFPROPELLED FORAGE HARVESTERS Parts Catalog
54403502070 Барабан тормозной задний МАЗ 5440, 6430 АМ02014 (10
Dell Latitude 5440 (2023) 14" FHD IPS, 13th Gen Intel Core i51345U
PC Portable DELL latitude 5440 i51335U 14"FHD 8 Go 512 Go SSD Win 11
خرید لپ تاپ Dell Latitude 5440A
Dell Latitude 5440 vs 5430 Worth the upgrade?
Dell Latitude 5440 vs 5430 Worth the upgrade?
Promo Dell Inspiron 5440 Notebook Carbon Black ( I51334u / 8gb
Dell Latitude NEW 5440 14 (2023) Intel Core i5 vPro 13Gen 10Core
Dell Latitude 5440 Review (Intel Core i51335U)
Related Post:































