2005 Acura Tl Parts Catalog
2005 Acura Tl Parts Catalog - Furthermore, the printable offers a focused, tactile experience that a screen cannot replicate. It provides the framework, the boundaries, and the definition of success. This user-generated imagery brought a level of trust and social proof that no professionally shot photograph could ever achieve. These templates include page layouts, navigation structures, and design elements that can be customized to fit the user's brand and content. These include everything from daily planners and budget trackers to children’s educational worksheets and coloring pages. Furthermore, this hyper-personalization has led to a loss of shared cultural experience. It uses evocative, sensory language to describe the flavor and texture of the fruit. The grid is the template's skeleton, the invisible architecture that brings coherence and harmony to a page. It’s not just about making one beautiful thing; it’s about creating a set of rules, guidelines, and reusable components that allow a brand to communicate with a consistent voice and appearance over time. 27 This process connects directly back to the psychology of motivation, creating a system of positive self-reinforcement that makes you more likely to stick with your new routine. This renewed appreciation for the human touch suggests that the future of the online catalog is not a battle between human and algorithm, but a synthesis of the two. The project forced me to move beyond the surface-level aesthetics and engage with the strategic thinking that underpins professional design. It is a testament to the fact that even in an age of infinite choice and algorithmic recommendation, the power of a strong, human-driven editorial vision is still immensely potent. A well-designed chart communicates its message with clarity and precision, while a poorly designed one can create confusion and obscure insights. Let us consider a typical spread from an IKEA catalog from, say, 1985. Time, like attention, is another crucial and often unlisted cost that a comprehensive catalog would need to address. Principles like proximity (we group things that are close together), similarity (we group things that look alike), and connection (we group things that are physically connected) are the reasons why we can perceive clusters in a scatter plot or follow the path of a line in a line chart. It presents an almost infinite menu of things to buy, and in doing so, it implicitly de-emphasizes the non-material alternatives. By providing a comprehensive, at-a-glance overview of the entire project lifecycle, the Gantt chart serves as a central communication and control instrument, enabling effective resource allocation, risk management, and stakeholder alignment. Next, connect a pressure gauge to the system's test ports to verify that the pump is generating the correct operating pressure. This isn't a license for plagiarism, but a call to understand and engage with your influences. However, the early 21st century witnessed a remarkable resurgence of interest in knitting, driven by a desire for handmade, sustainable, and personalized items. 58 Ethical chart design requires avoiding any form of visual distortion that could mislead the audience. This sample is a fascinating study in skeuomorphism, the design practice of making new things resemble their old, real-world counterparts. That intelligence is embodied in one of the most powerful and foundational concepts in all of layout design: the grid. As you type, the system may begin to suggest matching model numbers in a dropdown list. Allowing oneself the freedom to write without concern for grammar, spelling, or coherence can reduce self-imposed pressure and facilitate a more authentic expression. This could be incredibly valuable for accessibility, or for monitoring complex, real-time data streams. This creates an illusion of superiority by presenting an incomplete and skewed picture of reality. It’s a simple formula: the amount of ink used to display the data divided by the total amount of ink in the graphic. This vehicle is a testament to our commitment to forward-thinking design, exceptional safety, and an exhilarating driving experience. There are even specialized charts like a babysitter information chart, which provides a single, organized sheet with all the essential contact numbers and instructions needed in an emergency. The chart is a quiet and ubiquitous object, so deeply woven into the fabric of our modern lives that it has become almost invisible. Printable flashcards are a classic and effective tool for memorization, from learning the alphabet to mastering scientific vocabulary. The sample would be a piece of a dialogue, the catalog becoming an intelligent conversational partner. It feels less like a tool that I'm operating, and more like a strange, alien brain that I can bounce ideas off of. Every effective template is a package of distilled knowledge. It is in this vast spectrum of choice and consequence that the discipline finds its depth and its power. We are entering the era of the algorithmic template. Using images without permission can lead to legal consequences. A chart is a form of visual argumentation, and as such, it carries a responsibility to represent data with accuracy and honesty. 19 A printable reward chart capitalizes on this by making the path to the reward visible and tangible, building anticipation with each completed step. A chart can be an invaluable tool for making the intangible world of our feelings tangible, providing a structure for understanding and managing our inner states. Customers began uploading their own photos in their reviews, showing the product not in a sterile photo studio, but in their own messy, authentic lives. For management, the chart helps to identify potential gaps or overlaps in responsibilities, allowing them to optimize the structure for greater efficiency. This renewed appreciation for the human touch suggests that the future of the online catalog is not a battle between human and algorithm, but a synthesis of the two. The printable planner is a quintessential example. The true artistry of this sample, however, lies in its copy. Knitting is also an environmentally friendly and sustainable craft. Adjust the seat so that you can comfortably operate the accelerator and brake pedals with a slight bend in your knees, ensuring you do not have to stretch to reach them. It’s the visual equivalent of elevator music. These methods felt a bit mechanical and silly at first, but I've come to appreciate them as tools for deliberately breaking a creative block. Every action you take on a modern online catalog is recorded: every product you click on, every search you perform, how long you linger on an image, what you add to your cart, what you eventually buy. There are several types of symmetry, including reflectional (mirror), rotational, and translational symmetry. It uses evocative, sensory language to describe the flavor and texture of the fruit. Before you start disassembling half the engine bay, it is important to follow a logical diagnostic process. 37 This type of chart can be adapted to track any desired behavior, from health and wellness habits to professional development tasks. They see the project through to completion, ensuring that the final, implemented product is a faithful and high-quality execution of the design vision. The PDF's ability to encapsulate fonts, images, and layout into a single, stable file ensures that the creator's design remains intact, appearing on the user's screen and, crucially, on the final printed page exactly as intended, regardless of the user's device or operating system. The reaction was inevitable. This is not to say that the template is without its dark side. This gives you an idea of how long the download might take. Customers began uploading their own photos in their reviews, showing the product not in a sterile photo studio, but in their own messy, authentic lives. The act of looking at a price in a catalog can no longer be a passive act of acceptance. In the event of an emergency, being prepared and knowing what to do can make a significant difference. Our visual system is a pattern-finding machine that has evolved over millions of years. The very design of the catalog—its order, its clarity, its rejection of ornamentation—was a demonstration of the philosophy embodied in the products it contained. I had treated the numbers as props for a visual performance, not as the protagonists of a story. An elegant software interface does more than just allow a user to complete a task; its layout, typography, and responsiveness guide the user intuitively, reduce cognitive load, and can even create a sense of pleasure and mastery. Tufte taught me that excellence in data visualization is not about flashy graphics; it’s about intellectual honesty, clarity of thought, and a deep respect for both the data and the audience. The main costs are platform fees and marketing expenses. First studied in the 19th century, the Forgetting Curve demonstrates that we forget a startling amount of new information very quickly—up to 50 percent within an hour and as much as 90 percent within a week. They were directly responsible for reforms that saved countless lives. The corporate or organizational value chart is a ubiquitous feature of the business world, often displayed prominently on office walls, in annual reports, and during employee onboarding sessions. Communication with stakeholders is a critical skill. Why that typeface? It's not because I find it aesthetically pleasing, but because its x-height and clear letterforms ensure legibility for an older audience on a mobile screen. 1 It is within this complex landscape that a surprisingly simple tool has not only endured but has proven to be more relevant than ever: the printable chart. The printable chart is not just a passive record; it is an active cognitive tool that helps to sear your goals and plans into your memory, making you fundamentally more likely to follow through. This hybrid of digital and physical products is uniquely modern. Effective troubleshooting of the Titan T-800 begins with a systematic approach to diagnostics.2005 Acura TL Aspec with 18x10.5 Work Emotion CR Kiwami and Lexani
Acura Tl Parts Diagram
2005 Acura Tl Aftermarket Parts 2005 Acura TL Javier Alcazar
2005 Acura Tl Body Kits
Acura warehouse parts
Understanding the 2005 Acura TL Motor Mount Diagram A Comprehensive Guide
2005 Acura TL Transit Auto Wheel Bearing And Hub Assembly K7S100560
28610RAY003 Genuine Acura Parts
Headlight HID Driver Left Assembly Fits 20042005 Acura TL
2005 Acura Tl Transmission Diagram
Acura Tl 2005 Timing Belt
2005 Acura TL Serpentine Belt Routing and Timing Belt Diagrams
2005 Acura TL Upgrades, Body Kits and Accessories Driven By Style LLC
Explore the 2005 Acura TL Parts Diagram for Optimal Understanding
Acura Tl 2005 Parts
Catálogo de Partes Acura TL 2009 AutoManuales.MX
Explore the 2005 Acura TL Parts Diagram for Optimal Understanding
2005 Acura TL Parts Diagram and Breakdown
Understanding the Acura TL parts diagram of 2008
Understanding the Acura TL parts diagram of 2008
Explore the 2005 Acura TL Parts Diagram for Optimal Understanding
Exploring the 2005 Acura MDX Parts A Detailed Diagram
Acura Tl 2005 Parts
2005 Acura TL Upgrades, Body Kits and Accessories Driven By Style LLC
2005 Acura TL Base Parts Autoplicity
2005 Acura TL 3.2 Parts Photos
Cam Seals Acura Tl at Irene Kelly blog
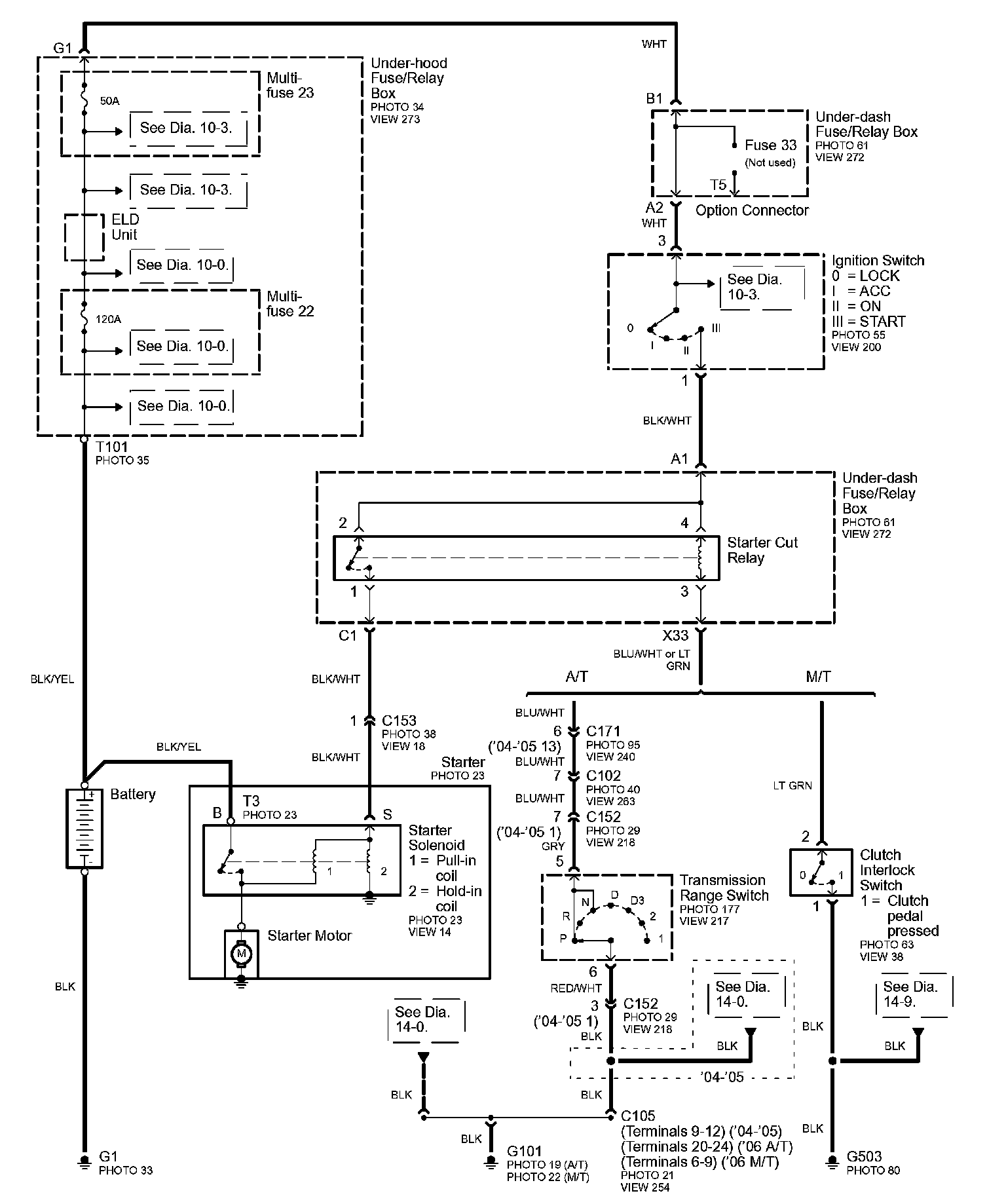
Diagram Set 21 (Starting System) — 2005 Acura TL V63.2L Service Manual
2005 Parts acura Tl engine 3.2 fwd
2005 Acura TL Parts Diagram and Breakdown
HOME Acura TL Spare Parts
Acura TL Parts Car Parting Out Extreme Auto Parts
Explore the 2005 Acura TL Parts Diagram for Optimal Understanding
Explore the 2005 Acura TL Parts Diagram for Optimal Understanding
2005 Acura Tl Owners Manual 2004 Acura Tsx Service Repair Manual By
Related Post:






























