2002 Acura Rl Parts Catalog
2002 Acura Rl Parts Catalog - It had to be invented. Even our social media feeds have become a form of catalog. PNG files are ideal for designs with transparency. Its enduring appeal lies in its fundamental nature as a structured, yet open-ended, framework. Maintaining proper tire pressure is absolutely critical for safe handling and optimal fuel economy. A template can give you a beautiful layout, but it cannot tell you what your brand's core message should be. The electronic parking brake is activated by a switch on the center console. This type of sample represents the catalog as an act of cultural curation. My journey into understanding the template was, therefore, a journey into understanding the grid. It reduces mental friction, making it easier for the brain to process the information and understand its meaning. Armed with this foundational grammar, I was ready to meet the pioneers, the thinkers who had elevated this craft into an art form and a philosophical practice. The chart tells a harrowing story. Far more than a mere organizational accessory, a well-executed printable chart functions as a powerful cognitive tool, a tangible instrument for strategic planning, and a universally understood medium for communication. It is not a passive document waiting to be consulted; it is an active agent that uses a sophisticated arsenal of techniques—notifications, pop-ups, personalized emails, retargeting ads—to capture and hold our attention. Understanding this grammar gave me a new kind of power. 5 When an individual views a chart, they engage both systems simultaneously; the brain processes the visual elements of the chart (the image code) while also processing the associated labels and concepts (the verbal code). The Workout Log Chart: Building Strength and EnduranceA printable workout log or exercise chart is one of the most effective tools for anyone serious about making progress in their fitness journey. " And that, I've found, is where the most brilliant ideas are hiding. Adobe Illustrator is a professional tool for vector graphics. This process imbued objects with a sense of human touch and local character. 18 Beyond simple orientation, a well-maintained organizational chart functions as a strategic management tool, enabling leaders to identify structural inefficiencies, plan for succession, and optimize the allocation of human resources. These graphical forms are not replacements for the data table but are powerful complements to it, translating the numerical comparison into a more intuitive visual dialect. A more expensive toy was a better toy. Even in a vehicle as reliable as a Toyota, unexpected situations can occur. In a professional context, however, relying on your own taste is like a doctor prescribing medicine based on their favorite color. Always disconnect and remove the battery as the very first step of any internal repair procedure, even if the device appears to be powered off. To learn the language of the chart is to learn a new way of seeing, a new way of thinking, and a new way of engaging with the intricate and often hidden patterns that shape our lives. Professionalism means replacing "I like it" with "I chose it because. These images, which can be downloaded, edited, and printed, play an essential role in various sectors, from education and business to arts and crafts. You could see the sofa in a real living room, the dress on a person with a similar body type, the hiking boots covered in actual mud. The feedback loop between user and system can be instantaneous. Imagine a sample of an augmented reality experience. 32 The strategic use of a visual chart in teaching has been shown to improve learning outcomes by a remarkable 400%, demonstrating its profound impact on comprehension and retention. An exercise chart or workout log is one of the most effective tools for tracking progress and maintaining motivation in a fitness journey. An even more common problem is the issue of ill-fitting content. It is a testament to the fact that even in an age of infinite choice and algorithmic recommendation, the power of a strong, human-driven editorial vision is still immensely potent. It contains a wealth of information that will allow you to become familiar with the advanced features, technical specifications, and important safety considerations pertaining to your Aeris Endeavour. When I first decided to pursue design, I think I had this romanticized image of what it meant to be a designer. Focusing on the sensations of breathing and the act of writing itself can help maintain a mindful state. The more diverse the collection, the more unexpected and original the potential connections will be. However, there are a number of simple yet important checks that you can, and should, perform on a regular basis. It created a clear hierarchy, dictating which elements were most important and how they related to one another. The printable market has democratized design and small business. Let us consider a sample from a catalog of heirloom seeds. What if a chart wasn't visual at all, but auditory? The field of data sonification explores how to turn data into sound, using pitch, volume, and rhythm to represent trends and patterns. As discussed, charts leverage pre-attentive attributes that our brains can process in parallel, without conscious effort. The most fertile ground for new concepts is often found at the intersection of different disciplines. I think when I first enrolled in design school, that’s what I secretly believed, and it terrified me. The process of achieving goals, even the smallest of micro-tasks, is biochemically linked to the release of dopamine, a powerful neurotransmitter associated with feelings of pleasure, reward, and motivation. Whether as a form of artistic expression, a means of relaxation, or a way to create practical and beautiful items, knitting is a craft that has stood the test of time and will undoubtedly continue to thrive for generations to come. Regardless of the medium, whether physical or digital, the underlying process of design shares a common structure. 78 Therefore, a clean, well-labeled chart with a high data-ink ratio is, by definition, a low-extraneous-load chart. The most effective modern workflow often involves a hybrid approach, strategically integrating the strengths of both digital tools and the printable chart. The term now extends to 3D printing as well. The copy is intellectual, spare, and confident. The journey into the world of the comparison chart is an exploration of how we structure thought, rationalize choice, and ultimately, seek to master the overwhelming complexity of the modern world. Press and hold the brake pedal firmly with your right foot, and then press the engine START/STOP button. Once downloaded and installed, the app will guide you through the process of creating an account and pairing your planter. This includes the charging port assembly, the speaker module, the haptic feedback motor, and the antenna cables. A detective novel, a romantic comedy, a space opera—each follows a set of established conventions and audience expectations. This sample is about exclusivity, about taste-making, and about the complete blurring of the lines between commerce and content. The dream project was the one with no rules, no budget limitations, no client telling me what to do. Imagine a single, preserved page from a Sears, Roebuck & Co. They were clear, powerful, and conceptually tight, precisely because the constraints had forced me to be incredibly deliberate and clever with the few tools I had. A professional, however, learns to decouple their sense of self-worth from their work. The transformation is immediate and profound. Families use them for personal projects like creating photo albums, greeting cards, and home décor. Digital applications excel at tasks requiring collaboration, automated reminders, and the management of vast amounts of information, such as shared calendars or complex project management software. This is your central hub for controlling navigation, climate, entertainment, and phone functions. The next frontier is the move beyond the screen. Furthermore, a website theme is not a template for a single page, but a system of interconnected templates for all the different types of pages a website might need. I used to believe that an idea had to be fully formed in my head before I could start making anything. This article explores the multifaceted nature of pattern images, delving into their historical significance, aesthetic appeal, mathematical foundations, and modern applications. The printable template elegantly solves this problem by performing the foundational work of design and organization upfront. She used her "coxcomb" diagrams, a variation of the pie chart, to show that the vast majority of soldier deaths were not from wounds sustained in battle but from preventable diseases contracted in the unsanitary hospitals. It is a catalog of almost all the recorded music in human history. The playlist, particularly the user-generated playlist, is a form of mini-catalog, a curated collection designed to evoke a specific mood or theme. There are only the objects themselves, presented with a kind of scientific precision. Then, using a plastic prying tool, carefully pry straight up on the edge of the connector to pop it off its socket on the logic board. Then, press the "POWER" button located on the dashboard.2002 Acura RL Specs, Prices, MPG, Reviews & Photos
2002 Acura RL Information and photos MOMENTcar
2002 Acura RL with 19x8.5 40 Lorinser RSK2 and 225/35R19 Hankook Ventus
2002 Acura RL Specs, Prices, MPG, Reviews & Photos
Acura RL (2000 2002) wiring diagrams instrumentation
2002 Acura RL Brochure
2002 Acura RL Information and photos MOMENTcar
2002 Acura RL Specs, Prices, MPG, Reviews & Photos
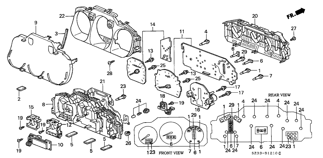
Acura Rl Parts Diagram
Acura RL (19962004 year). Manual part 8
New arrival 2002 Acura RL sedan... G and N used auto parts
2002 Acura RL Brochure
34906ST5003 Genuine Acura Bulb (12V 21W/5W) (Stanley)
2002 Acura RL Brochure
Acura Rl Parts Diagram
2002 Acura RL Parts Diagram and Replacement Guide
78146SZ3003 Genuine Acura Panel, Combination Print
Acura RL (2000 2002) wiring diagrams instrumentation
Acura 2002 Rl
2002 Acura RL Information and photos MOMENTcar
ACURA RL Body Repair Manual Download 19962004 PDF Auto
Acura RL (19962004 year). Manual part 19
2002 Acura RL Brochure
Acura Rl Parts Diagram
2002 Acura RL Accessories Brochure eBay
Acura Rl Parts Diagram
2002 Acura RL Brochure
2002 Acura RL Brochure
Acura Rl Parts Diagram
Acura Parts Diagram Overview and Breakdown
2002 Acura RL Brochure
2002 Acura RL Parts Diagram and Replacement Guide
Acura Rl Parts Diagram
2002 Acura Rl Parts
Acura Rl Lowering Springs
Related Post:

































