1998 Ford Windstar Parts Catalog
1998 Ford Windstar Parts Catalog - That intelligence is embodied in one of the most powerful and foundational concepts in all of layout design: the grid. However, another school of thought, championed by contemporary designers like Giorgia Lupi and the "data humanism" movement, argues for a different kind of beauty. They were acts of incredible foresight, designed to last for decades and to bring a sense of calm and clarity to a visually noisy world. We are confident that your Endeavour will exceed your expectations. A printable template is, in essence, a downloadable blueprint, a pre-designed layout that is brought into the tangible world through the act of printing, intended not for passive consumption but for active user engagement. It is the quiet, humble, and essential work that makes the beautiful, expressive, and celebrated work of design possible. Every action you take on a modern online catalog is recorded: every product you click on, every search you perform, how long you linger on an image, what you add to your cart, what you eventually buy. If your vehicle's battery is discharged, you may need to jump-start it using a booster battery and jumper cables. Perhaps most powerfully, some tools allow users to sort the table based on a specific column, instantly reordering the options from best to worst on that single metric. Mindful journaling involves bringing a non-judgmental awareness to one’s thoughts and emotions as they are recorded on paper. A strong composition guides the viewer's eye and creates a balanced, engaging artwork. It allows for easy organization and searchability of entries, enabling individuals to quickly locate past reflections and track their progress over time. This article delves into various aspects of drawing, providing comprehensive guidance to enhance your artistic journey. Consistent, professional servicing is the key to unlocking the full productive lifespan of the Titan T-800, ensuring it remains a precise and reliable asset for years to come. Every design choice we make has an impact, however small, on the world. To make a warranty claim, you will need to provide proof of purchase and contact our customer support team to obtain a return authorization. He was the first to systematically use a line on a Cartesian grid to show economic data over time, allowing a reader to see the narrative of a nation's imports and exports at a single glance. Now, I understand that the blank canvas is actually terrifying and often leads to directionless, self-indulgent work. 10 Research has shown that the brain processes visual information up to 60,000 times faster than text, and that using visual aids can improve learning by as much as 400 percent. " On its surface, the term is a simple adjective, a technical descriptor for a file or document deemed suitable for rendering onto paper. The ghost of the template haunted the print shops and publishing houses long before the advent of the personal computer. In the sprawling, interconnected landscape of the digital world, a unique and quietly revolutionary phenomenon has taken root: the free printable. Even in a vehicle as reliable as a Toyota, unexpected situations can occur. You can print as many copies of a specific page as you need. This has led to the rise of iterative design methodologies, where the process is a continuous cycle of prototyping, testing, and learning. Platforms like Adobe Express, Visme, and Miro offer free chart maker services that empower even non-designers to produce professional-quality visuals. The information presented here is accurate at the time of printing, but as we are constantly working to improve our vehicles through continuous development, we reserve the right to change specifications, design, or equipment at any time without notice or obligation. By recommending a small selection of their "favorite things," they act as trusted guides for their followers, creating a mini-catalog that cuts through the noise of the larger platform. In conclusion, the simple adjective "printable" contains a universe of meaning. Your vehicle is equipped with a temporary spare tire and the necessary tools, including a jack and a lug wrench, stored in the underfloor compartment in the cargo area. A poorly designed chart, on the other hand, can increase cognitive load, forcing the viewer to expend significant mental energy just to decode the visual representation, leaving little capacity left to actually understand the information. A significant portion of our brain is dedicated to processing visual information. The first transformation occurs when the user clicks "Print," converting this ethereal data into a physical object. These are the cognitive and psychological costs, the price of navigating the modern world of infinite choice. This interactivity changes the user from a passive observer into an active explorer, able to probe the data and ask their own questions. For any student of drawing or painting, this is one of the first and most fundamental exercises they undertake. Clean the interior windows with a quality glass cleaner to ensure clear visibility. Their work is a seamless blend of data, visuals, and text. If it powers on, power it back down, disconnect everything again, and proceed with full reassembly. People display these quotes in their homes and offices for motivation. The gear selector is a rotary dial located in the center console. Leading lines can be actual lines, like a road or a path, or implied lines, like the direction of a person's gaze. Yet, beneath this utilitarian definition lies a deep and evolving concept that encapsulates centuries of human history, technology, and our innate desire to give tangible form to intangible ideas. Experimenting with different styles and techniques can help you discover your artistic voice. What are their goals? What are their pain points? What does a typical day look like for them? Designing for this persona, instead of for yourself, ensures that the solution is relevant and effective. This realization led me to see that the concept of the template is far older than the digital files I was working with. We are culturally conditioned to trust charts, to see them as unmediated representations of fact. The enduring power of this simple yet profound tool lies in its ability to translate abstract data and complex objectives into a clear, actionable, and visually intuitive format. Knitting is also an environmentally friendly and sustainable craft. To understand the transition, we must examine an ephemeral and now almost alien artifact: a digital sample, a screenshot of a product page from an e-commerce website circa 1999. 26 By creating a visual plan, a student can balance focused study sessions with necessary breaks, which is crucial for preventing burnout and facilitating effective learning. A low-resolution image may look acceptable on a screen but will fail as a quality printable artifact. 61 Another critical professional chart is the flowchart, which is used for business process mapping. It is to cultivate a new way of seeing, a new set of questions to ask when we are confronted with the simple, seductive price tag. " He invented several new types of charts specifically for this purpose. Focusing on the sensations of breathing and the act of writing itself can help maintain a mindful state. Design, in contrast, is fundamentally teleological; it is aimed at an end. Now, it is time for a test drive. It is a way for individuals to externalize their thoughts, emotions, and observations onto a blank canvas, paper, or digital screen. At its most basic level, it contains the direct costs of production. At the same time, it is a communal activity, bringing people together to share knowledge, inspiration, and support. Lupi argues that data is not objective; it is always collected by someone, with a certain purpose, and it always has a context. A study schedule chart is a powerful tool for taming the academic calendar and reducing the anxiety that comes with looming deadlines. A Gantt chart is a specific type of bar chart that is widely used by professionals to illustrate a project schedule from start to finish. My earliest understanding of the world of things was built upon this number. These systems use a combination of radar and camera technologies to monitor your surroundings and can take action to help keep you safe. It shows when you are driving in the eco-friendly 'ECO' zone, when the gasoline engine is operating in the 'POWER' zone, and when the system is recharging the battery in the 'CHG' (Charge) zone. 64 The very "disadvantage" of a paper chart—its lack of digital connectivity—becomes its greatest strength in fostering a focused state of mind. For a file to be considered genuinely printable in a professional or even a practical sense, it must possess certain technical attributes. Whether it's experimenting with different drawing tools like pencils, pens, charcoal, or pastels, or exploring different styles and approaches to drawing, embracing diversity in your artistic practice can lead to unexpected breakthroughs and discoveries. We look for recognizable structures to help us process complex information and to reduce cognitive load. The beauty of Minard’s Napoleon map is not decorative; it is the breathtaking elegance with which it presents a complex, multivariate story with absolute clarity. Here are some key benefits: Continuing Your Artistic Journey Spreadsheet Templates: Utilized in programs like Microsoft Excel and Google Sheets, these templates are perfect for financial planning, budgeting, project management, and data analysis. The rise of voice assistants like Alexa and Google Assistant presents a fascinating design challenge. They can then print the file using their own home printer. The opportunity cost of a life spent pursuing the endless desires stoked by the catalog is a life that could have been focused on other values: on experiences, on community, on learning, on creative expression, on civic engagement. Services like one-click ordering and same-day delivery are designed to make the process of buying as frictionless and instantaneous as possible. The second principle is to prioritize functionality and clarity over unnecessary complexity.Understanding the Inner Workings of a 1998 Ford Windstar Engine
Exploring the Rear Wheel Parts Diagram of a 1998 Ford Windstar
Understanding the Inner Workings of a 1998 Ford Windstar Engine
Ford Windstar Parts
Exploring the Ford Windstar Parts Diagram
Ford Windstar Parts
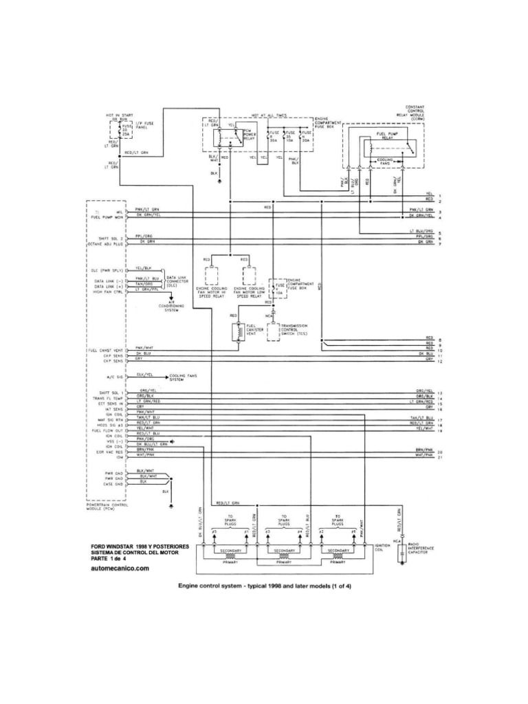
Understanding the Inner Workings of a 1998 Ford Windstar Engine
Exploring the Detailed Ford Windstar Parts Diagram
Visual Guide to Diagramming 1998 Ford Windstar Parts
The Ultimate Ford Parts Catalog Everything You Need to Know About Ford
Fuse Box Diagrams Ford Windstar (1998)
Ford Windstar Parts
Visual Guide to 1998 Ford Windstar Parts
Ford Windstar Parts Diagram and Replacement Guide
1998 Ford Windstar Parts Diagram and Breakdown
Exploring the Rear Wheel Parts Diagram of a 1998 Ford Windstar
1998 Ford Windstar Parts Diagram and Breakdown
Exploring the Detailed Ford Windstar Parts Diagram
A Visual Guide to the 1998 Ford Windstar Serpentine Belt Diagram
Exploring the Rear Wheel Parts Diagram of a 1998 Ford Windstar
Understanding the Inner Workings of a 1998 Ford Windstar Engine
Ford Windstar 19951998, Interior Dash Kit, 9 Pcs.
Visual Guide to 1998 Ford Windstar Parts
Visual Guide to 1998 Ford Windstar Parts
Visual Guide to 1998 Ford Windstar Parts
Exploring the Rear Wheel Parts Diagram of a 1998 Ford Windstar
Exploring the Detailed Ford Windstar Parts Diagram
Visual Guide to 1998 Ford Windstar Parts
1998 Ford Windstar Parts Diagram and Breakdown
Catalogo de Partes FORD WINDSTAR 1998 AutoPartes y Refacciones
Exploring the Rear Wheel Parts Diagram of a 1998 Ford Windstar
1998 Ford Windstar Parts Diagram and Breakdown
1998 Ford Windstar PDF
Haynes Other Ford Windstar Repair Manual 9951998 All Model Poshmark
Related Post:

































