1995 Chrysler Lebaron Parts Catalog
1995 Chrysler Lebaron Parts Catalog - It was an InDesign file, pre-populated with a rigid grid, placeholder boxes marked with a stark 'X' where images should go, and columns filled with the nonsensical Lorem Ipsum text that felt like a placeholder for creativity itself. Form is the embodiment of the solution, the skin, the voice that communicates the function and elevates the experience. This profile is then used to reconfigure the catalog itself. These simple functions, now utterly commonplace, were revolutionary. Its primary function is to provide a clear, structured plan that helps you use your time at the gym more efficiently and effectively. But perhaps its value lies not in its potential for existence, but in the very act of striving for it. Studying the Swiss Modernist movement of the mid-20th century, with its obsession with grid systems, clean sans-serif typography, and objective communication, felt incredibly relevant to the UI design work I was doing. More subtly, but perhaps more significantly, is the frequent transactional cost of personal data. It does not plead or persuade; it declares. Tangible, non-cash rewards, like a sticker on a chart or a small prize, are often more effective than monetary ones because they are not mentally lumped in with salary or allowances and feel more personal and meaningful, making the printable chart a masterfully simple application of complex behavioral psychology. Finally, connect the power adapter to the port on the rear of the planter basin and plug it into a suitable electrical outlet. This meticulous process was a lesson in the technical realities of design. In reality, much of creativity involves working within, or cleverly subverting, established structures. We encourage you to read this manual thoroughly before you begin, as a complete understanding of your planter’s functionalities will ensure a rewarding and successful growing experience for years to come. 25 The strategic power of this chart lies in its ability to create a continuous feedback loop; by visually comparing actual performance to established benchmarks, the chart immediately signals areas that are on track, require attention, or are underperforming. However, you can easily customize the light schedule through the app to accommodate the specific needs of more exotic or light-sensitive plants. This was a profound lesson for me. The instrument cluster and controls of your Ascentia are engineered for clarity and ease of use, placing vital information and frequently used functions within your immediate line of sight and reach. This involves making a conscious choice in the ongoing debate between analog and digital tools, mastering the basic principles of good design, and knowing where to find the resources to bring your chart to life. 43 Such a chart allows for the detailed tracking of strength training variables like specific exercises, weight lifted, and the number of sets and reps performed, as well as cardiovascular metrics like the type of activity, its duration, distance covered, and perceived intensity. We can never see the entire iceberg at once, but we now know it is there. It created a clear hierarchy, dictating which elements were most important and how they related to one another. Creating a high-quality printable template requires more than just artistic skill; it requires empathy and foresight. The starting and driving experience in your NISSAN is engineered to be smooth, efficient, and responsive. If not, complete typing the full number and then press the "Enter" key on your keyboard or click the "Search" button next to the search bar. A weekly cleaning schedule breaks down chores into manageable steps. This brought unprecedented affordability and access to goods, but often at the cost of soulfulness and quality. Your vehicle is equipped with a manual tilt and telescoping steering column. Florence Nightingale’s work in the military hospitals of the Crimean War is a testament to this. 72 Before printing, it is important to check the page setup options. A low or contaminated fluid level is a common cause of performance degradation. While your conscious mind is occupied with something else, your subconscious is still working on the problem in the background, churning through all the information you've gathered, making those strange, lateral connections that the logical, conscious mind is too rigid to see. The cargo capacity is 550 liters with the rear seats up and expands to 1,600 liters when the rear seats are folded down. Clicking on this link will take you to our central support hub. This "good enough" revolution has dramatically raised the baseline of visual literacy and quality in our everyday lives. The template represented everything I thought I was trying to escape: conformity, repetition, and a soulless, cookie-cutter approach to design. Each of these had its font, size, leading, and color already defined. It’s about building a vast internal library of concepts, images, textures, patterns, and stories. 68 Here, the chart is a tool for external reinforcement. The art and science of creating a better chart are grounded in principles that prioritize clarity and respect the cognitive limits of the human brain. However, the organizational value chart is also fraught with peril and is often the subject of deep cynicism. The manual empowered non-designers, too. After design, the image must be saved in a format that preserves its quality. Things like the length of a bar, the position of a point, the angle of a slice, the intensity of a color, or the size of a circle are not arbitrary aesthetic choices. The principles they established for print layout in the 1950s are the direct ancestors of the responsive grid systems we use to design websites today. This is a type of flowchart that documents every single step in a process, from raw material to finished product. The world is saturated with data, an ever-expanding ocean of numbers. It’s to see your work through a dozen different pairs of eyes. There’s a wonderful book by Austin Kleon called "Steal Like an Artist," which argues that no idea is truly original. " The chart becomes a tool for self-accountability. In this context, the value chart is a tool of pure perception, a disciplined method for seeing the world as it truly appears to the eye and translating that perception into a compelling and believable image. A designer could create a master page template containing the elements that would appear on every page—the page numbers, the headers, the footers, the underlying grid—and then apply it to the entire document. The second principle is to prioritize functionality and clarity over unnecessary complexity. Exploring the Japanese concept of wabi-sabi—the appreciation of imperfection, transience, and the beauty of natural materials—offered a powerful antidote to the pixel-perfect, often sterile aesthetic of digital design. The modern, professional approach is to start with the user's problem. This multidisciplinary approach can be especially beneficial for individuals who find traditional writing limiting or who seek to explore their creativity in new ways. The scientific method, with its cycle of hypothesis, experiment, and conclusion, is a template for discovery. After both sides are complete and you have reinstalled the wheels, it is time for the final, crucial steps. In the vast and ever-expanding universe of digital resources, there exists a uniquely potent and practical tool: the printable template. This model imposes a tremendous long-term cost on the consumer, not just in money, but in the time and frustration of dealing with broken products and the environmental cost of a throwaway culture. Gail Matthews, a psychology professor at Dominican University, found that individuals who wrote down their goals were a staggering 42 percent more likely to achieve them compared to those who merely thought about them. 3 A chart is a masterful application of this principle, converting lists of tasks, abstract numbers, or future goals into a coherent visual pattern that our brains can process with astonishing speed and efficiency. You should also regularly check the engine coolant level in the translucent reservoir located in the engine compartment. This blend of tradition and innovation is what keeps knitting vibrant and relevant in the modern world. The placeholder boxes and text frames of the template were not the essence of the system; they were merely the surface-level expression of a deeper, rational order. This number, the price, is the anchor of the entire experience. There’s this pervasive myth of the "eureka" moment, the apple falling on the head, the sudden bolt from the blue that delivers a fully-formed, brilliant concept into the mind of a waiting genius. 98 The "friction" of having to manually write and rewrite tasks on a physical chart is a cognitive feature, not a bug; it forces a moment of deliberate reflection and prioritization that is often bypassed in the frictionless digital world. A weekly meal plan chart, for example, can simplify grocery shopping and answer the daily question of "what's for dinner?". Then, meticulously reconnect all the peripheral components, referring to your photographs to ensure correct cable routing. Turn on your emergency flashers immediately. The first time I was handed a catalog template, I felt a quiet sense of defeat. In the midst of the Crimean War, she wasn't just tending to soldiers; she was collecting data. This Owner's Manual has been meticulously prepared to be an essential companion on your journey, designed to familiarize you with the operational aspects and advanced features of your new automobile. The corporate or organizational value chart is a ubiquitous feature of the business world, often displayed prominently on office walls, in annual reports, and during employee onboarding sessions. Digital notifications, endless emails, and the persistent hum of connectivity create a state of information overload that can leave us feeling drained and unfocused. The Science of the Chart: Why a Piece of Paper Can Transform Your MindThe remarkable effectiveness of a printable chart is not a matter of opinion or anecdotal evidence; it is grounded in well-documented principles of psychology and neuroscience. It is the silent architecture of the past that provides the foundational grid upon which the present is constructed, a force that we trace, follow, and sometimes struggle against, often without ever fully perceiving its presence. Smooth paper is suitable for fine details, while rougher paper holds more graphite and is better for shading. In such a world, the chart is not a mere convenience; it is a vital tool for navigation, a lighthouse that can help us find meaning in the overwhelming tide.1995 Chrysler LeBaron Window Motor Only Contains Gear w/o Regulator
Chrysler LeBaron Repair Manual 19901994 Download PDF
Chrysler LeBaron PistonS MD119671 Mopar Parts Webstores,
Exploring the Intricate Anatomy of Chrysler LeBaron Parts
Litens Replacement Belt Tensioner Fits 1995 Chrysler LeBaron Part Numb
19871995 Chrysler LeBaron Convertible Top Cylinder Autopart Premium
1995 Chrysler LeBaron Window Motor Only Contains Gear w/o Regulator
Exploring the Intricate Anatomy of Chrysler LeBaron Parts
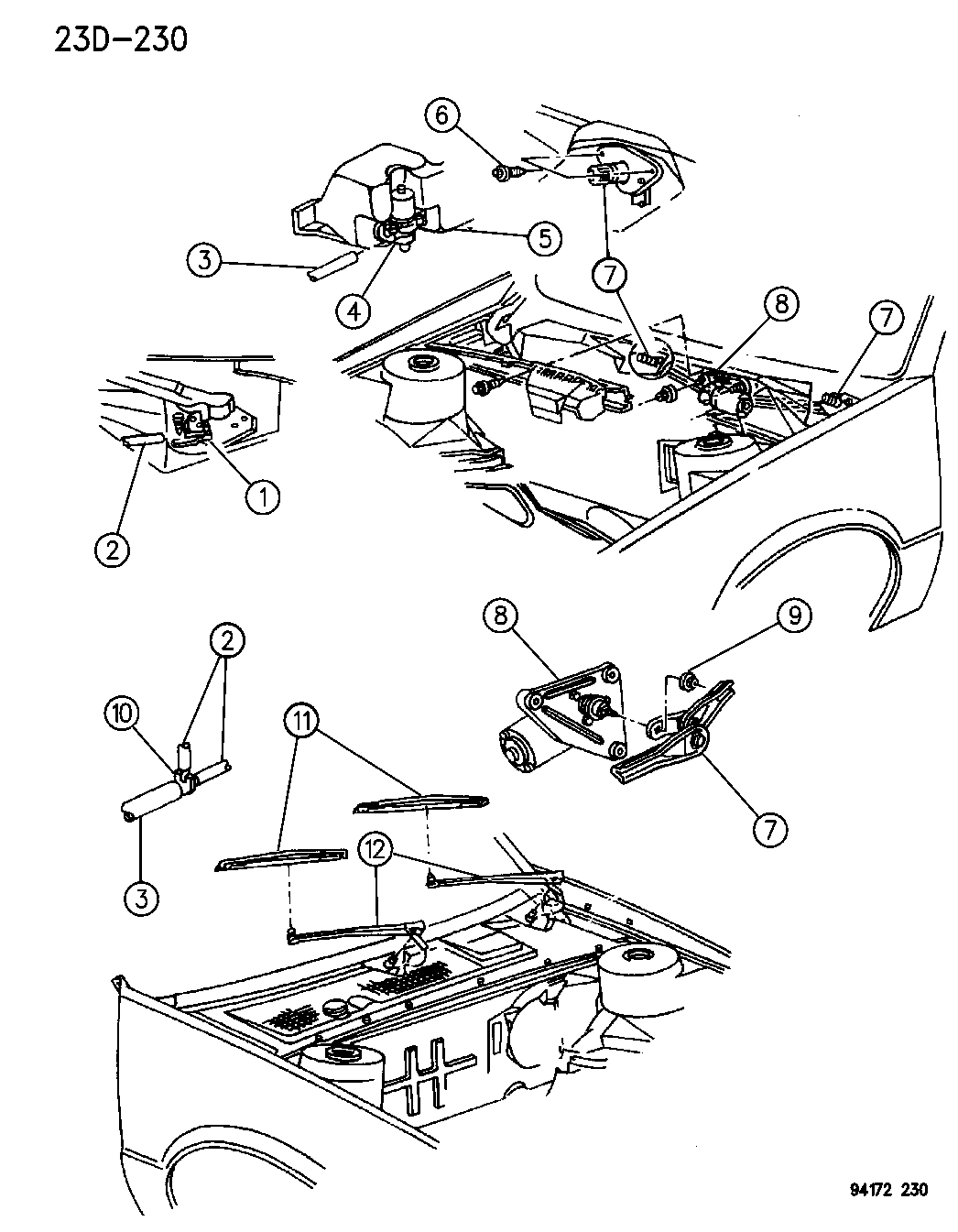
1995 Chrysler LeBaron Windshield Wiper & Washer System
19821995 Chrysler LeBaron Window Regulator Repair Kit DIY Solutions
Caliper Repair Kit Front for 19821995 Chrysler LeBaron
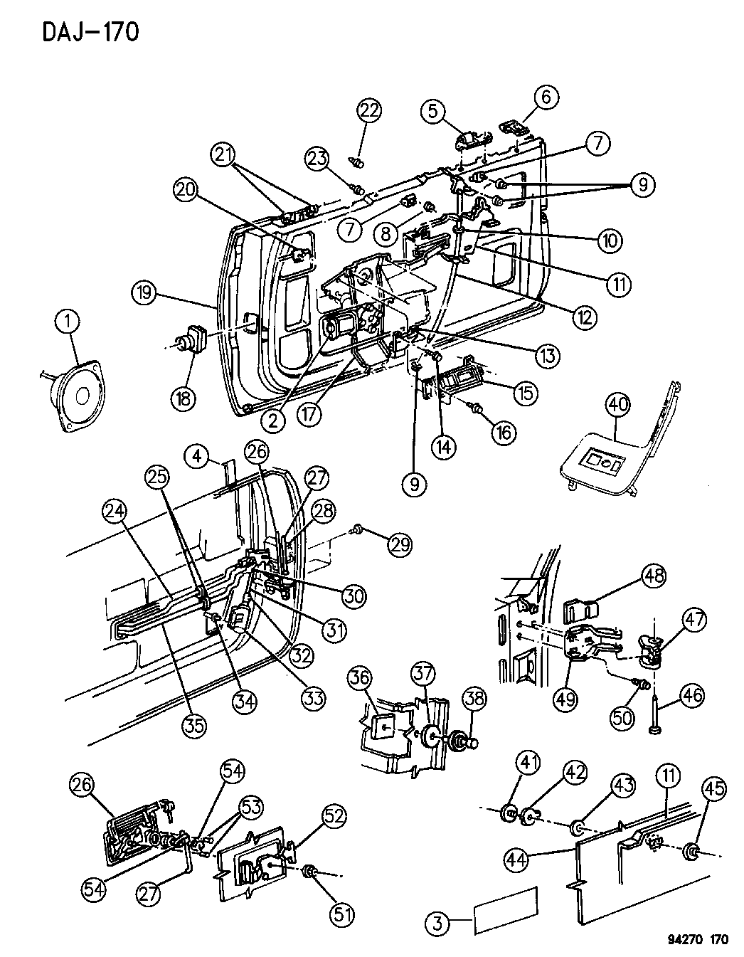
1995 Chrysler LeBaron Door, Front Complete Less Weatherstrip And Runs
Chrysler Service Repair Manuals, Parts catalog & Operator Maintenance
19821995 Chrysler Lebaron/Lebaron GTS Power Steering Rack and Pinion
1995 Chrysler LeBaron Convertible Top Mopar Parts Giant
Repair Guides
1995 Chrysler LeBaron Frame Rear Mopar Parts Giant
19941995 Chrysler LeBaron Module Pkg Passengr Airbag 4864408
Exploring the Intricate Anatomy of Chrysler LeBaron Parts
Diagram Of 1995 Chrysler Lebaron Motor Chrysler Lebaron Swit
Exploring the Intricate Anatomy of Chrysler LeBaron Parts
1995 Chrysler Lebaron Convertible at Kissimmee 2022 as J270 Mecum
Chrysler LeBaron Parts & Accessories Aftermarket Catalog
Exploring the Intricate Anatomy of Chrysler LeBaron Parts
1995 Chrysler LeBaron Suspension Rear Mopar Parts Giant
1995 Chrysler LeBaron Brakes, Rear Disc Mopar Parts Giant
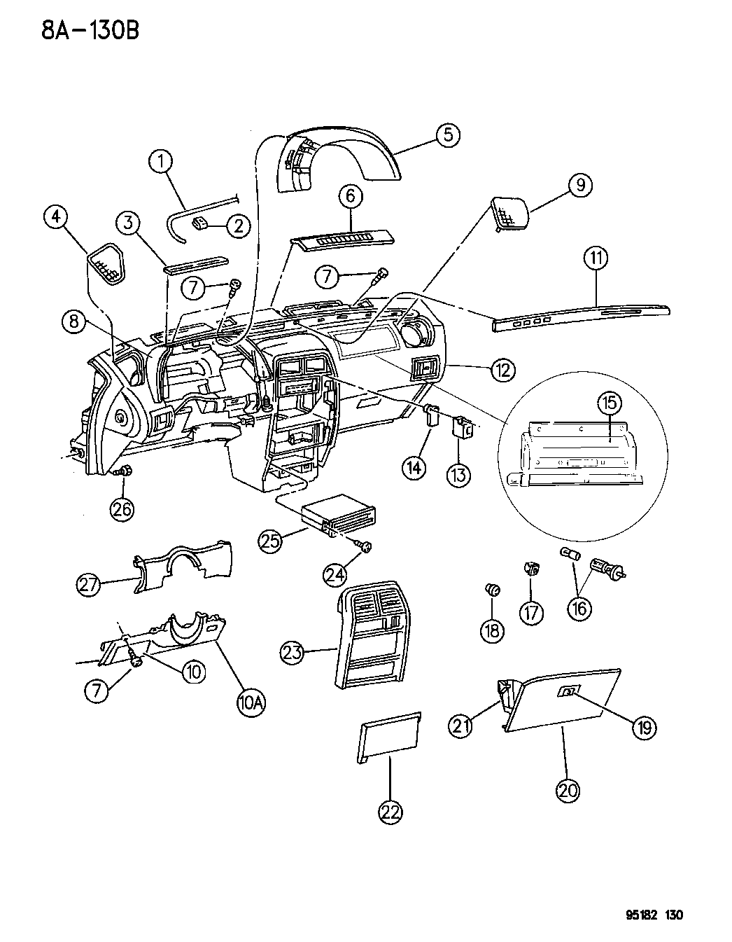
1995 Chrysler LeBaron Instrument Panel Bezels Mopar Parts Giant
19891995 Chrysler LeBaron Steering Rack Detroit Axle 230 Front
1995 Chrysler LeBaron · Convertible 2D Car Exterior Parts Schofield
Diagram Of 1995 Chryler Leboron Motor [diagram] 1995 Chrysle
Engine Timing Belt Kit with Water Pump Fits select 19901995 CHRYSLER
1995 Chrysler LeBaron Headliner & Visor Mopar Parts Giant
1995 Chrysler LeBaron Motor. Adjuster. Track. Seat. Power, tracks
19861995 Chrysler LeBaron Strut Mount Autopart Premium APSM156
1995 Chrysler LeBaron Door Front Weatherstrips & Runs
Related Post:




























![Diagram Of 1995 Chryler Leboron Motor [diagram] 1995 Chrysle](http://repairguide.autozone.com/znetrgs/repair_guide_content/en_us/images/0900c152/80/26/88/8f/large/0900c1528026888f.gif)




