1989 Ford F150 Parts Catalog
1989 Ford F150 Parts Catalog - 42The Student's Chart: Mastering Time and Taming DeadlinesFor a student navigating the pressures of classes, assignments, and exams, a printable chart is not just helpful—it is often essential for survival and success. Today, the spirit of these classic print manuals is more alive than ever, but it has evolved to meet the demands of the digital age. It uses a drag-and-drop interface that is easy to learn. What is this number not telling me? Who, or what, paid the costs that are not included here? What is the story behind this simple figure? The real cost catalog, in the end, is not a document that a company can provide for us. It was, in essence, an attempt to replicate the familiar metaphor of the page in a medium that had no pages. Many times, you'll fall in love with an idea, pour hours into developing it, only to discover through testing or feedback that it has a fundamental flaw. How do you design a catalog for a voice-based interface? You can't show a grid of twenty products. The steering wheel itself houses a number of integrated controls for your convenience and safety, allowing you to operate various systems without taking your hands off the wheel. It’s a simple trick, but it’s a deliberate lie. There are no smiling children, no aspirational lifestyle scenes. It brings order to chaos, transforming daunting challenges into clear, actionable plans. The template wasn't just telling me *where* to put the text; it was telling me *how* that text should behave to maintain a consistent visual hierarchy and brand voice. But I'm learning that this is often the worst thing you can do. The myth of the lone genius who disappears for a month and emerges with a perfect, fully-formed masterpiece is just that—a myth. Why that typeface? It's not because I find it aesthetically pleasing, but because its x-height and clear letterforms ensure legibility for an older audience on a mobile screen. In our digital age, the physical act of putting pen to paper has become less common, yet it engages our brains in a profoundly different and more robust way than typing. This perspective suggests that data is not cold and objective, but is inherently human, a collection of stories about our lives and our world. It allows for easy organization and searchability of entries, enabling individuals to quickly locate past reflections and track their progress over time. It solves an immediate problem with a simple download. This is probably the part of the process that was most invisible to me as a novice. This could provide a new level of intuitive understanding for complex spatial data. The most literal and foundational incarnation of this concept is the artist's value chart. The Project Manager's Chart: Visualizing the Path to CompletionWhile many of the charts discussed are simple in their design, the principles of visual organization can be applied to more complex challenges, such as project management. This process helps to exhaust the obvious, cliché ideas quickly so you can get to the more interesting, second and third-level connections. To address issues like indexing errors or leaks, the turret's top plate must be removed. A heat gun or a specialized electronics heating pad will be needed for procedures that involve loosening adhesive, such as removing the screen assembly. The principles they established for print layout in the 1950s are the direct ancestors of the responsive grid systems we use to design websites today. Then, press the "ENGINE START/STOP" button located on the dashboard. While major services should be left to a qualified Ford technician, there are several important checks you can and should perform yourself. If a tab breaks, you may need to gently pry the battery up using a plastic card, being extremely careful not to bend or puncture the battery cell. Gail Matthews, a psychology professor at Dominican University, revealed that individuals who wrote down their goals were 42 percent more likely to achieve them than those who merely formulated them mentally. An honest cost catalog would have to account for these subtle but significant losses, the cost to the richness and diversity of human culture. This forced me to think about practical applications I'd never considered, like a tiny favicon in a browser tab or embroidered on a polo shirt. Typically, it consists of a set of three to five powerful keywords or phrases, such as "Innovation," "Integrity," "Customer-Centricity," "Teamwork," and "Accountability. It was an idea for how to visualize flow and magnitude simultaneously. The screen assembly's ribbon cables are the next to be disconnected. What is this number not telling me? Who, or what, paid the costs that are not included here? What is the story behind this simple figure? The real cost catalog, in the end, is not a document that a company can provide for us. The first and probably most brutal lesson was the fundamental distinction between art and design. Emerging technologies such as artificial intelligence (AI) and machine learning are poised to revolutionize the creation and analysis of patterns. We now have tools that can automatically analyze a dataset and suggest appropriate chart types, or even generate visualizations based on a natural language query like "show me the sales trend for our top three products in the last quarter. Journaling kits with printable ephemera are sold on many platforms. Once your seat is correctly positioned, adjust the steering wheel. They can convey cultural identity, express artistic innovation, and influence emotional responses. This brings us to the future, a future where the very concept of the online catalog is likely to transform once again. The online catalog, in its early days, tried to replicate this with hierarchical menus and category pages. A product with hundreds of positive reviews felt like a safe bet, a community-endorsed choice. It is the act of looking at a simple object and trying to see the vast, invisible network of relationships and consequences that it embodies. I curated my life, my clothes, my playlists, and I thought this refined sensibility would naturally translate into my work. Turn on your hazard warning flashers to alert other drivers. The printable chart, in turn, is used for what it does best: focused, daily planning, brainstorming and creative ideation, and tracking a small number of high-priority personal goals. This is the catalog as an environmental layer, an interactive and contextual part of our physical reality. Alternatively, it may open a "Save As" dialog box, prompting you to choose a specific location on your computer to save the file. They represent countless hours of workshops, debates, research, and meticulous refinement. The paper is rough and thin, the page is dense with text set in small, sober typefaces, and the products are rendered not in photographs, but in intricate, detailed woodcut illustrations. This sample is a powerful reminder that the principles of good catalog design—clarity, consistency, and a deep understanding of the user's needs—are universal, even when the goal is not to create desire, but simply to provide an answer. Before you begin your journey, there are several fundamental adjustments you should make to ensure your comfort and safety. It shows when you are driving in the eco-friendly 'ECO' zone, when the gasoline engine is operating in the 'POWER' zone, and when the system is recharging the battery in the 'CHG' (Charge) zone. From the ancient star maps that guided the first explorers to the complex, interactive dashboards that guide modern corporations, the fundamental purpose of the chart has remained unchanged: to illuminate, to clarify, and to reveal the hidden order within the apparent chaos. You are not the user. 60 The Gantt chart's purpose is to create a shared mental model of the project's timeline, dependencies, and resource allocation. The democratization of design through online tools means that anyone, regardless of their artistic skill, can create a professional-quality, psychologically potent printable chart tailored perfectly to their needs. The Professional's Chart: Achieving Academic and Career GoalsIn the structured, goal-oriented environments of the workplace and academia, the printable chart proves to be an essential tool for creating clarity, managing complexity, and driving success. The powerful model of the online catalog—a vast, searchable database fronted by a personalized, algorithmic interface—has proven to be so effective that it has expanded far beyond the world of retail. This was the moment the scales fell from my eyes regarding the pie chart. Learning about concepts like cognitive load (the amount of mental effort required to use a product), Hick's Law (the more choices you give someone, the longer it takes them to decide), and the Gestalt principles of visual perception (how our brains instinctively group elements together) has given me a scientific basis for my design decisions. The toolbox is vast and ever-growing, the ethical responsibilities are significant, and the potential to make a meaningful impact is enormous. The origins of the chart are deeply entwined with the earliest human efforts to navigate and record their environment. In manufacturing, the concept of the template is scaled up dramatically in the form of the mold. The classic example is the nose of the Japanese bullet train, which was redesigned based on the shape of a kingfisher's beak to reduce sonic booms when exiting tunnels. At the other end of the spectrum is the powerful engine of content marketing. That one comment, that external perspective, sparked a whole new direction and led to a final design that was ten times stronger and more conceptually interesting. If possible, move the vehicle to a safe location. Tufte is a kind of high priest of clarity, elegance, and integrity in data visualization. This is not necessarily a nefarious bargain—many users are happy to make this trade for a high-quality product—but it is a cost nonetheless. It’s the process of taking that fragile seed and nurturing it, testing it, and iterating on it until it grows into something strong and robust. 1This is where the printable chart reveals its unique strength. No idea is too wild. You have to believe that the hard work you put in at the beginning will pay off, even if you can't see the immediate results. And Spotify's "Discover Weekly" playlist is perhaps the purest and most successful example of the personalized catalog, a weekly gift from the algorithm that has an almost supernatural ability to introduce you to new music you will love. The widespread use of a few popular templates can, and often does, lead to a sense of visual homogeneity.Visualizing the Ford F150 Body Parts with an Interactive Diagram
Illustrated Guide to Ford F150 Parts
Explore the Intricate Ford F150 Interior Parts Diagram
Exploring the Components of a 1989 Ford F150 Drive Shaft An
Visualizing the Ford F150 Body Parts with an Interactive Diagram
Exploring the Components of Ford F150 Front Suspension System
1989 Ford F150 Parts Diagram and Replacement Guide
Illustrated Guide to Ford F150 Parts
1989 Ford F150 xlt lariat 4.9l 4x4 manual transmission Classic Ford
Visualizing the Components of a 1989 Ford F150 A Comprehensive Parts
Ford 1989 F150 Parts
1995 Ford F 150 Parts Catalog
1989 Ford F150 Parts Diagram and Replacement Guide
1989 Ford F 150 Used Auto Parts Tampa
Visualizing the Ford F150 Body Parts with an Interactive Diagram
Visualizing the Components of a 1989 Ford F150 A Comprehensive Parts
1989 Ford F150 Catalog and Classic Car Guide, Ratings and Features
Exploring the Components of the 2018 Ford F150 A Detailed Diagram
Ford 1989 F150 Parts
Visualizing the Components of a 1989 Ford F150 A Comprehensive Parts
Exploring the Components of a 1989 Ford F150 Drive Shaft An
Exploring the Intricate Components of the Ford F150 An Illustrated
Unveiling the Fuse Box Diagram for the 1989 F150
Illustrated Guide to Ford F150 Parts
Visualizing the Components of a 1989 Ford F150 A Comprehensive Parts
Ford F150 Body Parts Diagram and Frame Layout
Exploring the Intricate Ford F150 Parts Breakdown
Diagramme des pièces Ford F150 pour réparation
The Ultimate Ford Parts Catalog Everything You Need to Know About Ford
The Ultimate Ford Parts Catalog Everything You Need to Know About Ford
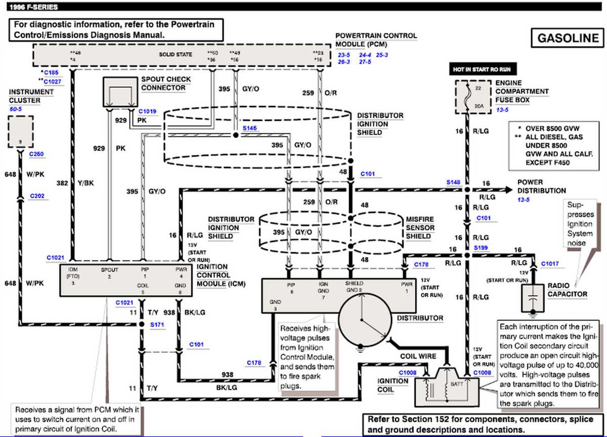
The Ultimate Guide to Understanding the 1989 Ford F150 Distributor Diagram
Ford Parts Catalog Visual Guide in PDF Format
1989 Ford F 150 Used Auto Parts Huntsville
Ford F150 Parts Diagram Comprehensive Guide
A Visual Guide to the 2001 Ford F150 Body Parts
Related Post:


































