1986 Dodge B250 Parts Catalog
1986 Dodge B250 Parts Catalog - We look for recognizable structures to help us process complex information and to reduce cognitive load. The work of creating a design manual is the quiet, behind-the-scenes work that makes all the other, more visible design work possible. Does this opportunity align with my core value of family? Does this action conflict with my primary value of integrity? It acts as an internal compass, providing a stable point of reference in moments of uncertainty and ensuring that one's life choices are not merely reactive, but are deliberate steps in the direction of a self-defined and meaningful existence. I wish I could explain that ideas aren’t out there in the ether, waiting to be found. The typography was not just a block of Lorem Ipsum set in a default font. The process of digital design is also inherently fluid. A mechanical engineer can design a new part, create a 3D printable file, and produce a functional prototype in a matter of hours, drastically accelerating the innovation cycle. It allows for immediate creative expression or organization. For smaller electronics, it may be on the bottom of the device. For a consumer choosing a new laptop, these criteria might include price, processor speed, RAM, storage capacity, screen resolution, and weight. Place the old pad against the piston and slowly tighten the C-clamp to retract the piston until it is flush with the caliper body. Understanding this grammar gave me a new kind of power. 56 This means using bright, contrasting colors to highlight the most important data points and muted tones to push less critical information to the background, thereby guiding the viewer's eye to the key insights without conscious effort. For times when you're truly stuck, there are more formulaic approaches, like the SCAMPER method. It’s the disciplined practice of setting aside your own assumptions and biases to understand the world from someone else’s perspective. Modern Applications of Pattern Images The origins of knitting are shrouded in mystery, with historical evidence suggesting that the craft may have begun as early as the 11th century. Through knitting, we can slow down, appreciate the process of creation, and connect with others in meaningful ways. A hand-knitted item carries a special significance, as it represents time, effort, and thoughtfulness. 5 When an individual views a chart, they engage both systems simultaneously; the brain processes the visual elements of the chart (the image code) while also processing the associated labels and concepts (the verbal code). The manual was not a prison for creativity. And crucially, these rooms are often inhabited by people. The sheer visual area of the blue wedges representing "preventable causes" dwarfed the red wedges for "wounds. The starting and driving experience in your NISSAN is engineered to be smooth, efficient, and responsive. I used to believe that an idea had to be fully formed in my head before I could start making anything. The new drive must be configured with the exact same parameters to ensure proper communication with the CNC controller and the motor. Intrinsic load is the inherent difficulty of the information itself; a chart cannot change the complexity of the data, but it can present it in a digestible way. I spent weeks sketching, refining, and digitizing, agonizing over every curve and point. " He invented several new types of charts specifically for this purpose. Your Ford Voyager is equipped with features and equipment to help you manage these situations safely. It’s the visual equivalent of elevator music. Any change made to the master page would automatically ripple through all the pages it was applied to. The length of a bar becomes a stand-in for a quantity, the slope of a line represents a rate of change, and the colour of a region on a map can signify a specific category or intensity. The height of the seat should be set to provide a clear view of the road and the instrument panel. A signed physical contract often feels more solemn and binding than an email with a digital signature. The interaction must be conversational. Before you begin, ask yourself what specific story you want to tell or what single point of contrast you want to highlight. This exploration will delve into the science that makes a printable chart so effective, journey through the vast landscape of its applications in every facet of life, uncover the art of designing a truly impactful chart, and ultimately, understand its unique and vital role as a sanctuary for focus in our increasingly distracted world. This collaborative spirit extends to the whole history of design. The budget constraint forces you to be innovative with materials. There are even specialized charts like a babysitter information chart, which provides a single, organized sheet with all the essential contact numbers and instructions needed in an emergency. Algorithms can generate intricate patterns with precise control over variables such as color, scale, and repetition. The online catalog is no longer just a place we go to buy things; it is the primary interface through which we access culture, information, and entertainment. The infamous "Norman Door"—a door that suggests you should pull when you need to push—is a simple but perfect example of a failure in this dialogue between object and user. It is an emotional and psychological landscape. This isn't a license for plagiarism, but a call to understand and engage with your influences. The focus is not on providing exhaustive information, but on creating a feeling, an aura, an invitation into a specific cultural world. Press and hold the brake pedal firmly with your right foot, and then press the engine START/STOP button. " It is a sample of a possible future, a powerful tool for turning abstract desire into a concrete shopping list. Do not ignore these warnings. Our goal is to provide you with a device that brings you joy and a bountiful harvest for years to come. Please read through these instructions carefully to ensure a smooth and successful download experience. The variety of online templates is vast, catering to numerous applications. The true power of the workout chart emerges through its consistent use over time. The future is, in many exciting ways, printable. The goal is not just to sell a product, but to sell a sense of belonging to a certain tribe, a certain aesthetic sensibility. 44 These types of visual aids are particularly effective for young learners, as they help to build foundational knowledge in subjects like math, science, and language arts. In free drawing, mistakes are not viewed as failures but rather as opportunities for discovery and growth. It is an act of generosity, a gift to future designers and collaborators, providing them with a solid foundation upon which to build. It’s about understanding that a chart doesn't speak for itself. The materials chosen for a piece of packaging contribute to a global waste crisis. A printable chart can become the hub for all household information. This system is the single source of truth for an entire product team. When you press the accelerator, the brake hold function automatically disengages. The fuel tank has a capacity of 55 liters, and the vehicle is designed to run on unleaded gasoline with an octane rating of 87 or higher. Is it a threat to our jobs? A crutch for uninspired designers? Or is it a new kind of collaborative partner? I've been experimenting with them, using them not to generate final designs, but as brainstorming partners. For smaller electronics, it may be on the bottom of the device. Proper positioning within the vehicle is the first step to confident and safe driving. The goal then becomes to see gradual improvement on the chart—either by lifting a little more weight, completing one more rep, or finishing a run a few seconds faster. In manufacturing, the concept of the template is scaled up dramatically in the form of the mold. With the caliper out of the way, you can now remove the old brake pads. Individuals can use a printable chart to create a blood pressure log or a blood sugar log, providing a clear and accurate record to share with their healthcare providers. The ghost template is the unseen blueprint, the inherited pattern, the residual memory that shapes our cities, our habits, our stories, and our societies. Her charts were not just informative; they were persuasive. 28The Nutrition and Wellness Chart: Fueling Your BodyPhysical fitness is about more than just exercise; it encompasses nutrition, hydration, and overall wellness. 62 This chart visually represents every step in a workflow, allowing businesses to analyze, standardize, and improve their operations by identifying bottlenecks, redundancies, and inefficiencies. The goal is not just to sell a product, but to sell a sense of belonging to a certain tribe, a certain aesthetic sensibility. It provides the framework, the boundaries, and the definition of success. I thought you just picked a few colors that looked nice together.Exploring the Inner Workings of Dodge B250 Front Suspension A
1986 Dodge Ram Van B250
1986 Dodge B250 Catalog and Classic Car Guide, Ratings and Features
1986 Dodge Ram Van Factory Service Manual B150 B250 B350 Original Shop
1986 dodge ram van b250 wd PDF
1986 Dodge B250 Drum Adjuster Kit
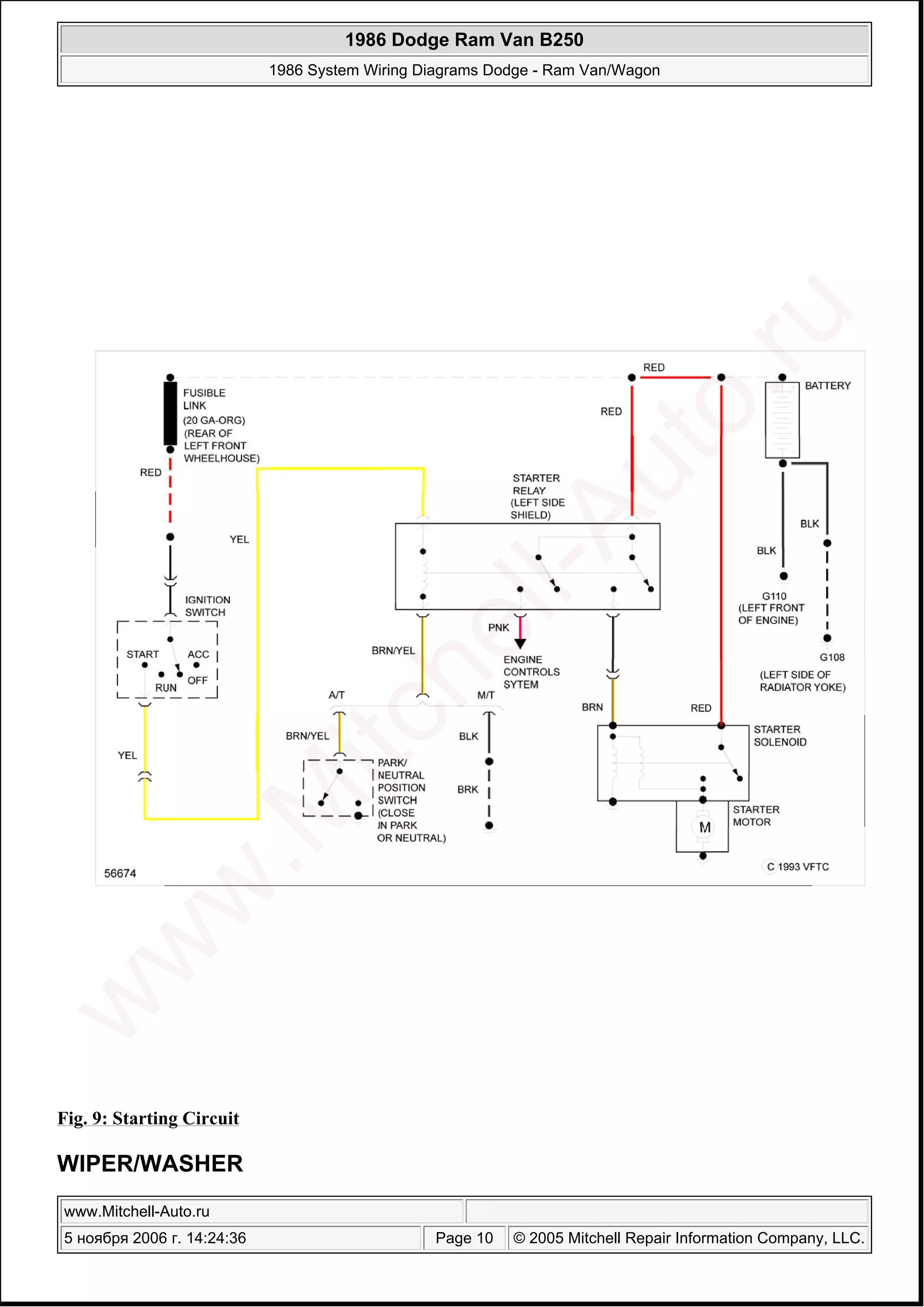
Q&A 1986 Dodge Ram Van B250 Interior, Wiring Diagram & More
Dodge B250 Rocker arms. All models; left. Full size 4100775 Mopar
Dodge B250 Main bearings. Includes standard upper 4049249 Mopar
A Visual Guide to the Suspension Parts Diagram of the 86 Dodge Ram
1986 B250 Wiring Diagram
19811994 Dodge B250 Idler Arm API 164307914600
1986 dodge ram van b250 wd PDF Pickup Trucks Auto Body Styles
1986 dodge ram van b250 wd PDF
1986 Dodge B250 Ram Van Sierra Auction Management Inc
1986 Dodge Ram Van Factory Service Manual B150 B250 B350 Original Shop
Dodge B250 Front Frame Parts Diagram
Biddergy Worldwide Online Auction and Liquidation Services (1986
Dodge Ram B250 Van 1986
1986 Dodge B250 Extended Van Ford Truck Enthusiasts Forums
1986 dodge ram van b250 wd PDF
1986 Dodge Ram Van B250 · Van
1986 Dodge Ram Van B250 NEEDS Engine work Not Running Commercial
VAN TOUR Step Inside Our Fully Restored 1986 Dodge B250 Class B
A Visual Guide to the Suspension Parts Diagram of the 86 Dodge Ram
1986 Dodge Ram Van B250
Dodge B250 Cylinder Head. 4 BBL. All Models. Full Size 4343965
1986 Dodge B250 Van Blue RWD Automatic B250 for sale
Exploring the Front Frame Parts Diagram of Dodge B250
Exploring the Inner Workings of Dodge B250 Front Suspension A
Case B250 Tractor Parts Catalog Machine Catalogic
Exploring the Inner Workings of Dodge B250 Front Suspension A
Dodge B250 Front Suspension Parts Diagram Overview
1986 Dodge Ram Van B250 NEEDS Engine work Not Running Commercial
Related Post:



























