1985 Dodge D150 Parts Catalog
1985 Dodge D150 Parts Catalog - At the same time, augmented reality is continuing to mature, promising a future where the catalog is not something we look at on a device, but something we see integrated into the world around us. The currency of the modern internet is data. But Tufte’s rational, almost severe minimalism is only one side of the story. 89 Designers must actively avoid deceptive practices like manipulating the Y-axis scale by not starting it at zero, which can exaggerate differences, or using 3D effects that distort perspective and make values difficult to compare accurately. The origins of the chart are deeply entwined with the earliest human efforts to navigate and record their environment. It’s unprofessional and irresponsible. They give you a problem to push against, a puzzle to solve. Adjust the seat forward or backward so that you can fully depress the pedals with a slight bend in your knees. This is your central hub for controlling navigation, climate, entertainment, and phone functions. It was its greatest enabler. At its most basic level, it contains the direct costs of production. I can feed an AI a concept, and it will generate a dozen weird, unexpected visual interpretations in seconds. Unlike its more common cousins—the bar chart measuring quantity or the line chart tracking time—the value chart does not typically concern itself with empirical data harvested from the external world. These bolts are high-torque and will require a calibrated torque multiplier for removal. The Health and Fitness Chart: Your Tangible Guide to a Better YouIn the pursuit of physical health and wellness, a printable chart serves as an indispensable ally. This focus on the user experience is what separates a truly valuable template from a poorly constructed one. " Clicking this will direct you to the manual search interface. A hobbyist can download a 3D printable file for a broken part on an appliance and print a replacement at home, challenging traditional models of manufacturing and repair. A Mesopotamian clay tablet depicting the constellations or an Egyptian papyrus mapping a parcel of land along the Nile are, in function, charts. This is a messy, iterative process of discovery. 8 This significant increase is attributable to two key mechanisms: external storage and encoding. It’s about using your creative skills to achieve an external objective. 26The versatility of the printable health chart extends to managing specific health conditions and monitoring vital signs. So whether you're a seasoned artist or a curious beginner, why not pick up a pencil or a pen and explore the beauty of black and white drawing for yourself? Another essential aspect of learning to draw is experimentation and exploration. It means you can completely change the visual appearance of your entire website simply by applying a new template, and all of your content will automatically flow into the new design. They can build a custom curriculum from various online sources. Building Better Habits: The Personal Development ChartWhile a chart is excellent for organizing external tasks, its true potential is often realized when it is turned inward to focus on personal growth and habit formation. 2 By using a printable chart for these purposes, you are creating a valuable dataset of your own health, enabling you to make more informed decisions and engage in proactive health management rather than simply reacting to problems as they arise. It was a tool for creating freedom, not for taking it away. It creates a quiet, single-tasking environment free from the pings, pop-ups, and temptations of a digital device, allowing for the kind of deep, uninterrupted concentration that is essential for complex problem-solving and meaningful work. It teaches us that we are not entirely self-made, that we are all shaped by forces and patterns laid down long before us. When objective data is used, it must be accurate and sourced reliably. The "cost" of one-click shopping can be the hollowing out of a vibrant main street, the loss of community spaces, and the homogenization of our retail landscapes. Innovations in materials and technology are opening up new possibilities for the craft. It is an archetype. A budget chart can be designed with columns for fixed expenses, such as rent and insurance, and variable expenses, like groceries and entertainment, allowing for a comprehensive overview of where money is allocated each month. A separate Warranty Information & Maintenance Log booklet provides you with details about the warranties covering your vehicle and the specific maintenance required to keep it in optimal condition. Each card, with its neatly typed information and its Dewey Decimal or Library of Congress classification number, was a pointer, a key to a specific piece of information within the larger system. Here, you can view the digital speedometer, fuel gauge, hybrid system indicator, and outside temperature. The chart becomes a rhetorical device, a tool of persuasion designed to communicate a specific finding to an audience. Software that once required immense capital investment and specialized training is now accessible to almost anyone with a computer. Effective troubleshooting of the Titan T-800 begins with a systematic approach to diagnostics. The full-spectrum LED grow light is another key element of your planter’s automated ecosystem. The page is cluttered with bright blue hyperlinks and flashing "buy now" gifs. The complex interplay of mechanical, hydraulic, and electrical systems in the Titan T-800 demands a careful and knowledgeable approach. catalog, which for decades was a monolithic and surprisingly consistent piece of design, was not produced by thousands of designers each following their own whim. Unlike the Sears catalog, which was a shared cultural object that provided a common set of desires for a whole society, this sample is a unique, ephemeral artifact that existed only for me, in that moment. It is a mindset that we must build for ourselves. By representing quantities as the length of bars, it allows for instant judgment of which category is larger, smaller, or by how much. When it is necessary to test the machine under power for diagnostic purposes, all safety guards must be securely in place. My brother and I would spend hours with a sample like this, poring over its pages with the intensity of Talmudic scholars, carefully circling our chosen treasures with a red ballpoint pen, creating our own personalized sub-catalog of desire. It’s the understanding that the best ideas rarely emerge from a single mind but are forged in the fires of constructive debate and diverse perspectives. The Portable Document Format (PDF) has become the global standard for printable documents, precisely because it is engineered to preserve the layout, fonts, and images of the source file, ensuring that the printable appears consistent across any device or printer. " Then there are the more overtly deceptive visual tricks, like using the area or volume of a shape to represent a one-dimensional value. These pages help people organize their complex schedules and lives. These considerations are no longer peripheral; they are becoming central to the definition of what constitutes "good" design. Each of these chart types was a new idea, a new solution to a specific communicative problem. Creativity thrives under constraints. She used her "coxcomb" diagrams, a variation of the pie chart, to show that the vast majority of soldier deaths were not from wounds sustained in battle but from preventable diseases contracted in the unsanitary hospitals. This comprehensive guide explores the myriad aspects of printable images, their applications, and their impact on modern life. Furthermore, the finite space on a paper chart encourages more mindful prioritization. 12 When you fill out a printable chart, you are actively generating and structuring information, which forges stronger neural pathways and makes the content of that chart deeply meaningful and memorable. It is a process that transforms passive acceptance into active understanding. By planning your workout in advance on the chart, you eliminate the mental guesswork and can focus entirely on your performance. There was a "Headline" style, a "Subheading" style, a "Body Copy" style, a "Product Spec" style, and a "Price" style. The term now extends to 3D printing as well. The chart is a quiet and ubiquitous object, so deeply woven into the fabric of our modern lives that it has become almost invisible. It excels at answering questions like which of two job candidates has a more well-rounded skill set across five required competencies. It is the catalog as a form of art direction, a sample of a carefully constructed dream. You will also find the engine coolant temperature gauge, which should remain within the normal operating range during driving. You could see the vacuum cleaner in action, you could watch the dress move on a walking model, you could see the tent being assembled. In an academic setting, critiques can be nerve-wracking, but in a professional environment, feedback is constant, and it comes from all directions—from creative directors, project managers, developers, and clients. For showing how the composition of a whole has changed over time—for example, the market share of different music formats from vinyl to streaming—a standard stacked bar chart can work, but a streamgraph, with its flowing, organic shapes, can often tell the story in a more beautiful and compelling way. The electronic parking brake is operated by a switch on the center console. The natural human reaction to criticism of something you’ve poured hours into is to become defensive. Diligent study of these materials prior to and during any service operation is strongly recommended. One theory suggests that crochet evolved from earlier practices like tambour embroidery, which was popular in the 18th century. The template wasn't just telling me *where* to put the text; it was telling me *how* that text should behave to maintain a consistent visual hierarchy and brand voice.1985 Dodge/Ram Truck D150 1/2 ton P/U 2WD 5.2L 2BL OHV 8cyl Repair
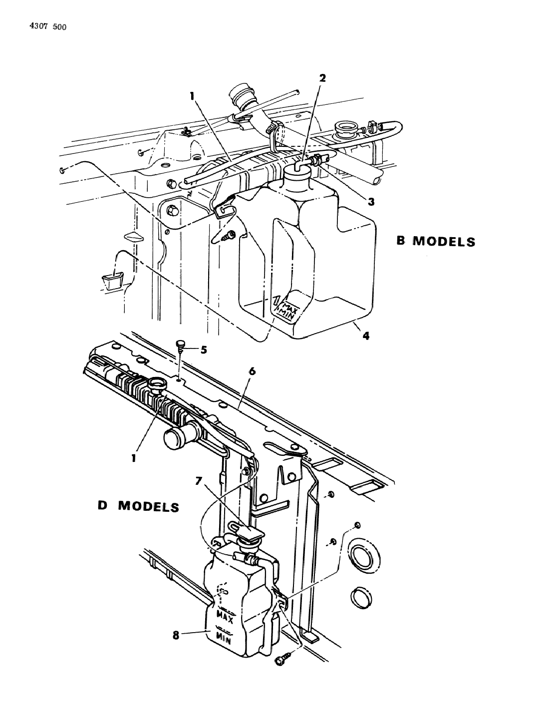
1985 Dodge D150 Coolant Reserve Tank Mopar Parts Giant
Exploring the Inner Workings of a 1985 Dodge D150 Tailgate Latch Assembly
1985 Dodge D150 for Sale CC1605350
1985 Dodge Ram D150 Lifted VIN 7846 Other Equipment For Sale with
1985 Dodge D150 Parts Classic Industries
1985 Dodge D150 Wiring Body & Accessories Mopar Parts Giant
1985 Dodge Ram
Dodge D150 Parts
1985 Dodge Ram D150 Survivor Classic Cars Services
1985 Dodge D150 Gear Saginaw Power Steering Mopar Parts Giant
1985 Dodge D150 Wiring Diagram
1985 Dodge D150 Transmission Dodge RamCharger Central
1985 Dodge D150 318 DodgeTalk Forum
How To Lower a 1985 Dodge D150 YouTube
Exploring the Inner Workings of a 1985 Dodge D150 Tailgate Latch Assembly
1985 Dodge D150 Transmission Mopar Parts Giant
No Reserve 1985 Dodge Ram D150 Prospector for sale on BaT Auctions
Exploring the Inner Workings of a 1985 Dodge D150 Tailgate Latch Assembly
Jay's 1985 Dodge D150 Holley My Garage
1985 Dodge D150 Parts Holley
1985 Dodge D150 Plugs & Connectors Mopar Parts Giant
1985 Dodge D150 for Sale CC1271401
Dodge D150 Knuckle arm. Steering arm. Lb, gas, axle 3638172 Mopar
1985 DODGE D150 DSERIES D100 1B7FD14T1FS644435
1985 Dodge D150 available for Auction 22101644
27kMile 1985 Dodge Ram D150 Utiline for sale on BaT Auctions sold
1985 Dodge D150 for Sale CC1716922
Exploring the Inner Workings of a 1985 Dodge D150 Tailgate Latch Assembly
1985 Dodge D150 Parts Classic Industries
1985 Dodge D150 Switches Relays Solenoids Sensors
Exploring the Inner Workings of a 1985 Dodge D150 Tailgate Latch Assembly
Thomas's 1985 Dodge D150 Holley My Garage
1985 Dodge D150 Mountings Air Conditioner Compressor
Related Post:



























