1984 Ford Bronco Parts Catalog
1984 Ford Bronco Parts Catalog - It invites a different kind of interaction, one that is often more deliberate and focused than its digital counterparts. A strong composition guides the viewer's eye and creates a balanced, engaging artwork. And the fourth shows that all the X values are identical except for one extreme outlier. The manual empowered non-designers, too. If you had asked me in my first year what a design manual was, I probably would have described a dusty binder full of rules, a corporate document thick with jargon and prohibitions, printed in a soulless sans-serif font. The accompanying text is not a short, punchy bit of marketing copy; it is a long, dense, and deeply persuasive paragraph, explaining the economic benefits of the machine, providing testimonials from satisfied customers, and, most importantly, offering an ironclad money-back guarantee. Design became a profession, a specialized role focused on creating a single blueprint that could be replicated thousands or millions of times. The 12-volt battery is located in the trunk, but there are dedicated jump-starting terminals under the hood for easy access. This type of sample represents the catalog as an act of cultural curation. Sellers can show behind-the-scenes content or product tutorials. The catalog becomes a fluid, contextual, and multi-sensory service, a layer of information and possibility that is seamlessly integrated into our lives. In simple terms, CLT states that our working memory has a very limited capacity for processing new information, and effective instructional design—including the design of a chart—must minimize the extraneous mental effort required to understand it. Studying Masters: Study the work of master artists to learn their techniques and understand their approach. This style requires a strong grasp of observation, proportions, and shading. The hand-drawn, personal visualizations from the "Dear Data" project are beautiful because they are imperfect, because they reveal the hand of the creator, and because they communicate a sense of vulnerability and personal experience that a clean, computer-generated chart might lack. They are visual thoughts. The remarkable efficacy of a printable chart begins with a core principle of human cognition known as the Picture Superiority Effect. An architect designing a hospital must consider not only the efficient flow of doctors and equipment but also the anxiety of a patient waiting for a diagnosis, the exhaustion of a family member holding vigil, and the need for natural light to promote healing. Next, reinstall the caliper mounting bracket, making sure to tighten its two large bolts to the manufacturer's specified torque value using your torque wrench. The process of digital design is also inherently fluid. This is probably the part of the process that was most invisible to me as a novice. A well-designed printable is a work of thoughtful information design. I’m learning that being a brilliant creative is not enough if you can’t manage your time, present your work clearly, or collaborate effectively with a team of developers, marketers, and project managers. We were tasked with creating a campaign for a local music festival—a fictional one, thankfully. You should always bring the vehicle to a complete stop before moving the lever between 'R' and 'D'. Data, after all, is not just a collection of abstract numbers. These digital patterns can be printed or used in digital layouts. 37 The reward is no longer a sticker but the internal satisfaction derived from seeing a visually unbroken chain of success, which reinforces a positive self-identity—"I am the kind of person who exercises daily. These capabilities have applications in fields ranging from fashion design to environmental monitoring. We are experiencing a form of choice fatigue, a weariness with the endless task of sifting through millions of options. A wide, panoramic box suggested a landscape or an environmental shot. Patterns are not merely visual phenomena; they also have profound cultural and psychological impacts. I now believe they might just be the most important. 2 However, its true power extends far beyond simple organization. In our digital age, the physical act of putting pen to paper has become less common, yet it engages our brains in a profoundly different and more robust way than typing. Complementing the principle of minimalism is the audience-centric design philosophy championed by expert Stephen Few, which emphasizes creating a chart that is optimized for the cognitive processes of the viewer. A template is designed with an idealized set of content in mind—headlines of a certain length, photos of a certain orientation. My journey into the world of chart ideas has been one of constant discovery. The vehicle’s Vehicle Dynamic Control (VDC) system with Traction Control System (TCS) is always active while you drive. The creative brief, that document from a client outlining their goals, audience, budget, and constraints, is not a cage. The catalog, in this naive view, was a simple ledger of these values, a transparent menu from which one could choose, with the price acting as a reliable guide to the quality and desirability of the goods on offer. For so long, I believed that having "good taste" was the key qualification for a designer. This isn't a license for plagiarism, but a call to understand and engage with your influences. The electronic parking brake is activated by a switch on the center console. If you are unable to find your model number using the search bar, the first step is to meticulously re-check the number on your product. Here, the imagery is paramount. These are technically printables, but used in a digital format. 14 Furthermore, a printable progress chart capitalizes on the "Endowed Progress Effect," a psychological phenomenon where individuals are more motivated to complete a goal if they perceive that some progress has already been made. A river carves a canyon, a tree reaches for the sun, a crystal forms in the deep earth—these are processes, not projects. 54 In this context, the printable chart is not just an organizational tool but a communication hub that fosters harmony and shared responsibility. " "Do not rotate. The template has become a dynamic, probabilistic framework, a set of potential layouts that are personalized in real-time based on your past behavior. While the download process is generally straightforward, you may occasionally encounter an issue. To engage with it, to steal from it, and to build upon it, is to participate in a conversation that spans generations. The humble catalog, in all its forms, is a far more complex and revealing document than we often give it credit for. The electrical cabinet of the T-800 houses the brain of the machine and requires meticulous care during service. In an era dominated by digital tools, the question of the relevance of a physical, printable chart is a valid one. They will use the template as a guide but will modify it as needed to properly honor the content. Check that the lights, including headlights, taillights, and turn signals, are clean and operational. Why this grid structure? Because it creates a clear visual hierarchy that guides the user's eye to the call-to-action, which is the primary business goal of the page. But I no longer think of design as a mystical talent. A print template is designed for a static, finite medium with a fixed page size. We can see that one bar is longer than another almost instantaneously, without conscious thought. The printable chart is not a monolithic, one-size-fits-all solution but rather a flexible framework for externalizing and structuring thought, which morphs to meet the primary psychological challenge of its user. These materials make learning more engaging for young children. But how, he asked, do we come up with the hypotheses in the first place? His answer was to use graphical methods not to present final results, but to explore the data, to play with it, to let it reveal its secrets. This accessibility democratizes the art form, allowing people of all ages and backgrounds to engage in the creative process and express themselves visually. By respecting these fundamental safety protocols, you mitigate the risk of personal injury and prevent unintentional damage to the device. The blank page wasn't a land of opportunity; it was a glaring, white, accusatory void, a mirror reflecting my own imaginative bankruptcy. Artists, designers, and content creators benefit greatly from online templates. A printable chart, therefore, becomes more than just a reference document; it becomes a personalized artifact, a tangible record of your own thoughts and commitments, strengthening your connection to your goals in a way that the ephemeral, uniform characters on a screen cannot. My problem wasn't that I was incapable of generating ideas; my problem was that my well was dry. A thin, black band then shows the catastrophic retreat, its width dwindling to almost nothing as it crosses the same path in reverse. When you visit the homepage of a modern online catalog like Amazon or a streaming service like Netflix, the page you see is not based on a single, pre-defined template. An effective org chart clearly shows the chain of command, illustrating who reports to whom and outlining the relationships between different departments and divisions. An interactive chart is a fundamentally different entity from a static one. Beyond the realm of internal culture and personal philosophy, the concept of the value chart extends into the very core of a business's external strategy and its relationship with the market. This is the process of mapping data values onto visual attributes. Do not attempt to disassemble or modify any part of the Aura Smart Planter, as this can lead to electrical shock or malfunction and will invalidate the warranty. It is a form of passive income, though it requires significant upfront work.1984 Ford Bronco Ii Specifications Here's Every Generation Of Ford
19661996 Ford Bronco Part and Accessories
1984 Ford Bronco Worldwide Vintage Autos
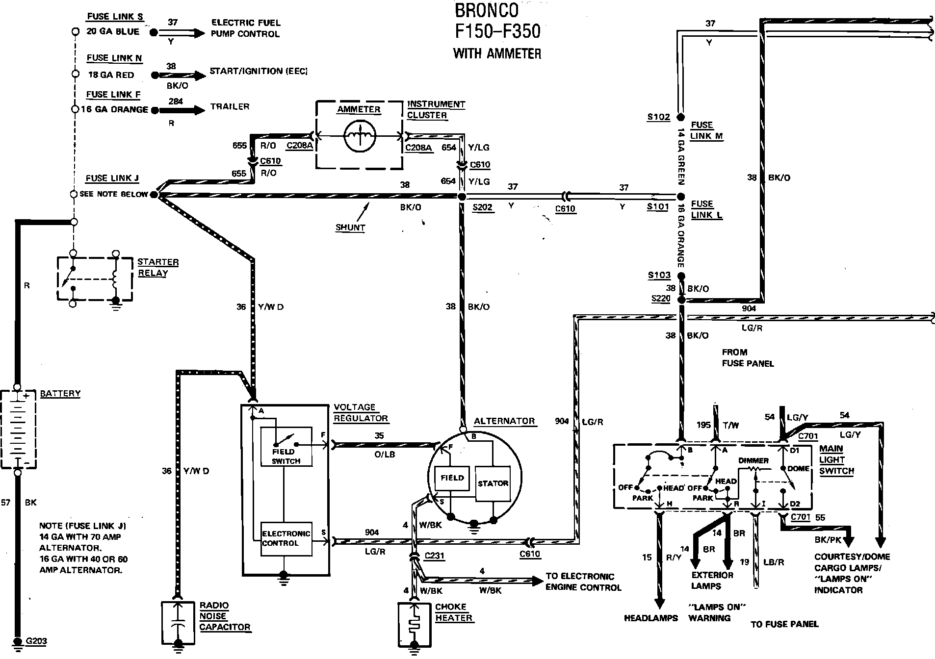
Electrical Diagrams — 1984 Ford Bronco V8351 5.8L VIN H 4bbl HP
89 Ford Bronco Parts Catalog
Ford Bronco 1984 Vintage 1984 Ford Bronco Original Color Ad F067
Ford Bronco 1984
1984 Ford Bronco Interior
Ford Bronco Parts Diagram and Breakdown
1984 Ford Bronco Worldwide Vintage Autos
Ford Bronco Accessories Catalog w/ Part Numbers and Retail Pricing
Ford Bronco 1984
1984 Ford Bronco 2 4 Speed Manual Transmission 1984 Ford Bronco II
1979 Ford F250 4x4 Parts
Ford Bronco 1984
1984 Ford Bronco Interior
Restoring a Classic 1984 Ford Bronco Rebuild Texoma Classics
1984 Ford F250 Truck Parts Catalog Text
Ford Bronco 1984 Albums convertis Forum Auto
Ford Bronco Accessories Catalog w/ Part Numbers and Retail Pricing
1984 Ford Bronco Classic Cars for Sale Streetside Classics
The Ultimate Ford Parts Catalog Everything You Need to Know About Ford
Ford Bronco 1984 Vintage 1984 Ford Bronco Original Color Ad F067
Exploring the Inner Workings of Ford Bronco Unveiling Its Parts Diagram
1984 Ford Bronco II
Inner Steel Body Parts for 198096 Ford Trucks & Bronco LMC Truck
1984 Ford Bronco XLT 5.8L for sale on BaT Auctions closed on
Ford Bronco XLT 1984 Albums convertis Forum Auto
Ford Bronco Parts Diagram and Breakdown
Ford Bronco Ii 1984
1984 Ford BRONCO II Worldwide Vintage Autos
Original 1984 Ford Bronco Sales Brochure Catalog XLT 3926561674
19801984 ford bronco
Ford Pickup 19481979 Ford Bronco Parts Catalog (1996) Obsolete Ford
Steel Outer Body Parts LMC Truck
Related Post:






















