1982 Suzuki Gs550M Parts Catalog
1982 Suzuki Gs550M Parts Catalog - In Europe, particularly in the early 19th century, crochet began to gain popularity. It has transformed our shared cultural experiences into isolated, individual ones. Before a single product can be photographed or a single line of copy can be written, a system must be imposed. The grid ensured a consistent rhythm and visual structure across multiple pages, making the document easier for a reader to navigate. Reading his book, "The Visual Display of Quantitative Information," was like a religious experience for a budding designer. Perhaps the sample is a transcript of a conversation with a voice-based AI assistant. 26The versatility of the printable health chart extends to managing specific health conditions and monitoring vital signs. You could see the sofa in a real living room, the dress on a person with a similar body type, the hiking boots covered in actual mud. The goal is not to come up with a cool idea out of thin air, but to deeply understand a person's needs, frustrations, and goals, and then to design a solution that addresses them. Every element on the chart should serve this central purpose. 49 This type of chart visually tracks key milestones—such as pounds lost, workouts completed, or miles run—and links them to pre-determined rewards, providing a powerful incentive to stay committed to the journey. The utility of a printable chart extends across a vast spectrum of applications, from structuring complex corporate initiatives to managing personal development goals. The faint, sweet smell of the aging paper and ink is a form of time travel. Education In architecture, patterns are used to enhance both the aesthetic and functional aspects of buildings. The standard file format for printables is the PDF. The master pages, as I've noted, were the foundation, the template for the templates themselves. The maker had an intimate knowledge of their materials and the person for whom the object was intended. The price we pay is not monetary; it is personal. In the 21st century, crochet has experienced a renaissance. In manufacturing, the concept of the template is scaled up dramatically in the form of the mold. Instead, it is shown in fully realized, fully accessorized room settings—the "environmental shot. Budget planners and financial trackers are also extremely popular. This has led to the rise of curated subscription boxes, where a stylist or an expert in a field like coffee or books will hand-pick a selection of items for you each month. 6 The statistics supporting this are compelling; studies have shown that after a period of just three days, an individual is likely to retain only 10 to 20 percent of written or spoken information, whereas they will remember nearly 65 percent of visual information. When you create a new document, you are often presented with a choice: a blank page or a selection from a template gallery. However, the organizational value chart is also fraught with peril and is often the subject of deep cynicism. In his 1786 work, "The Commercial and Political Atlas," he single-handedly invented or popularised three of the four horsemen of the modern chart apocalypse: the line chart, the bar chart, and later, the pie chart. The professional design process is messy, collaborative, and, most importantly, iterative. Maybe, just maybe, they were about clarity. This process imbued objects with a sense of human touch and local character. I had been trying to create something from nothing, expecting my mind to be a generator when it's actually a synthesizer. We now have tools that can automatically analyze a dataset and suggest appropriate chart types, or even generate visualizations based on a natural language query like "show me the sales trend for our top three products in the last quarter. A true professional doesn't fight the brief; they interrogate it. This type of sample represents the catalog as an act of cultural curation. The Gestalt principles of psychology, which describe how our brains instinctively group visual elements, are also fundamental to chart design. These resources often include prompts tailored to various themes, such as gratitude, mindfulness, and personal growth. They can offer a free printable to attract subscribers. But once they have found a story, their task changes. Creating a high-quality printable template requires more than just artistic skill; it requires empathy and foresight. The printed page, once the end-product of a long manufacturing chain, became just one of many possible outputs, a single tangible instance of an ethereal digital source. By providing a comprehensive, at-a-glance overview of the entire project lifecycle, the Gantt chart serves as a central communication and control instrument, enabling effective resource allocation, risk management, and stakeholder alignment. Conversely, someone from a family where vigorous debate was the norm may follow a template that seeks out intellectual sparring in their personal and professional relationships. In the digital age, the concept of online templates has revolutionized how individuals and businesses approach content creation, design, and productivity. " This became a guiding principle for interactive chart design. Moreover, visual journaling, which combines writing with drawing, collage, and other forms of visual art, can further enhance creativity. Website Templates: Website builders like Wix, Squarespace, and WordPress offer templates that simplify the process of creating a professional website. One of the most frustrating but necessary parts of the idea generation process is learning to trust in the power of incubation. They are fundamental aspects of professional practice. This is incredibly empowering, as it allows for a much deeper and more personalized engagement with the data. The page is constructed from a series of modules or components—a module for "Products Recommended for You," a module for "New Arrivals," a module for "Because you watched. We are, however, surprisingly bad at judging things like angle and area. From a simple blank grid on a piece of paper to a sophisticated reward system for motivating children, the variety of the printable chart is vast, hinting at its incredible versatility. The template contained a complete set of pre-designed and named typographic styles. It is a guide, not a prescription. PNGs, with their support for transparency, are perfect for graphics and illustrations. By recommending a small selection of their "favorite things," they act as trusted guides for their followers, creating a mini-catalog that cuts through the noise of the larger platform. An invoice template in a spreadsheet application is an essential tool for freelancers and small businesses, providing a ready-made, professional document for billing clients. In the event of a discharged 12-volt battery, you may need to jump-start the vehicle. This system is designed to automatically maintain your desired cabin temperature, with physical knobs for temperature adjustment and buttons for fan speed and mode selection, ensuring easy operation while driving. It is a mirror reflecting our values, our priorities, and our aspirations. 62 This chart visually represents every step in a workflow, allowing businesses to analyze, standardize, and improve their operations by identifying bottlenecks, redundancies, and inefficiencies. It was the start of my journey to understand that a chart isn't just a container for numbers; it's an idea. 39 Even complex decision-making can be simplified with a printable chart. Moreover, drawing is a journey of self-discovery and growth. 96 The printable chart has thus evolved from a simple organizational aid into a strategic tool for managing our most valuable resource: our attention. This simple tool can be adapted to bring order to nearly any situation, progressing from managing the external world of family schedules and household tasks to navigating the internal world of personal habits and emotional well-being. Modern-Day Crochet: A Renaissance In recent years, the knitting community has become more inclusive and diverse, welcoming people of all backgrounds, genders, and identities. A true cost catalog would need to list a "cognitive cost" for each item, perhaps a measure of the time and mental effort required to make an informed decision. We see this trend within large e-commerce sites as well. If you make a mistake, you can simply print another copy. Whether you are changing your oil, replacing a serpentine belt, or swapping out a faulty alternator, the same core philosophy holds true. The second and third-row seats can be folded flat to create a vast, continuous cargo area for transporting larger items. This resurgence in popularity has also spurred a demand for high-quality, artisan yarns and bespoke crochet pieces, supporting small businesses and independent makers. For example, the patterns formed by cellular structures in microscopy images can provide insights into biological processes and diseases. 24The true, unique power of a printable chart is not found in any single one of these psychological principles, but in their synergistic combination. This impulse is one of the oldest and most essential functions of human intellect. 59 A Gantt chart provides a comprehensive visual overview of a project's entire lifecycle, clearly showing task dependencies, critical milestones, and overall progress, making it essential for managing scope, resources, and deadlines. A powerful explanatory chart often starts with a clear, declarative title that states the main takeaway, rather than a generic, descriptive title like "Sales Over Time. It is a minimalist aesthetic, a beauty of reason and precision. The cost of the advertising campaign, the photographers, the models, and, recursively, the cost of designing, printing, and distributing the very catalog in which the product appears, are all folded into that final price.145 Miles 1982 Suzuki GS550M Katana Bikeurious
Suzuki GS550 & 750 '76'82 (Haynes Repair Manuals) Haynes
Suzuki GS550M Z (1982) 70 REAR WHEEL exploded drawing > oemparts.hu
Suzuki GS550M 1982 (Z) USA (E03) FUEL TANK buy original FUEL TANK
Suzuki GS550 Gallery Classic Motorbikes
Suzuki Motorcycle 1982 OEM Parts Diagram for Electrical
Suzuki GS550M 1982 (Z) (E02 E04 E06 E22 E24 E25 E34) CYLINDER HEAD
1982 SUZUKI GS550M KATANA ROAD JBW5301435 JUST BIKES
Suzuki GS550M 1982 (Z) (E02 E04 E06 E22 E24 E25 E34) OPTIONAL buy
Suzuki GS550M 1982 (Z) USA (E03) CYLINDER buy original CYLINDER
Suzuki Gs550 M Katana Cycle World MARCH 1982
Suzuki Motorcycle 1982 OEM Parts Diagram for REAR BRAKE
Suzuki GS550M 1982 (Z) USA (E03) CAM SHAFT VALVE buy original CAM
Fuel tank Suzuki GS 550 M Katana 19801982
Suzuki GS550M 1982 (Z) USA (E03) SEAT buy original SEAT spares online
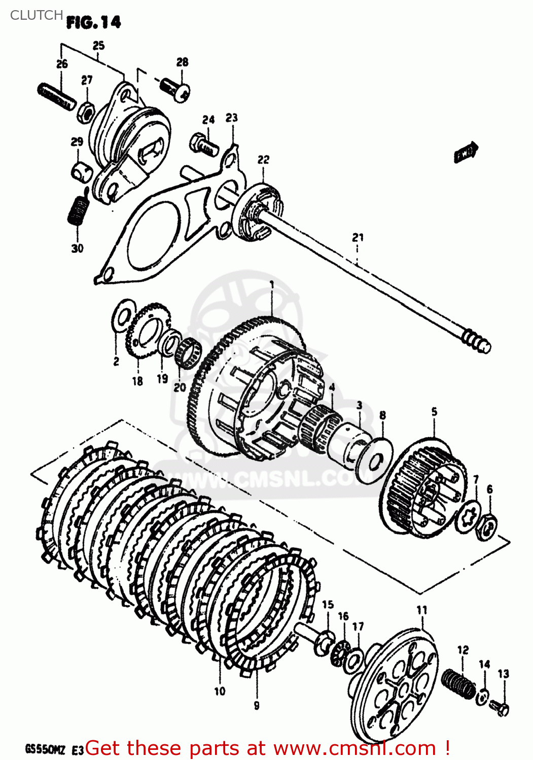
Suzuki GS550M 1982 (Z) USA (E03) CLUTCH buy original CLUTCH spares online
19821984 Suzuki GS550X GS 550X Manual retro
Carburetor Rebuild Repair Parts Kit Fits Suzuki 80 GS550E, 81 GS550T
Suzuki Motorcycle 1982 OEM Parts Diagram for CRANKCASE
Suzuki GS550M 1982 (Z) USA (E03) OIL PUMP OIL FILTER buy original
Suzuki GS550M 1982 (Z) (E02 E04 E06 E22 E24 E25 E34) SPEEDOMETER
Suzuki GS550M 1982 (Z) (E02 E04 E06 E22 E24 E25 E34) CYLINDER buy
Suzuki Motorcycle 1982 OEM Parts Diagram for CARBURETOR
Suzuki GS550M 1982 (Z) (E02 E04 E06 E22 E24 E25 E34) CAM SHAFTVALVE
Mick Hone GS550M 1982 FRONT WHEEL
Suzuki GS550M 1982 (Z) (E02 E04 E06 E22 E24 E25 E34) REAR MASTER
1982 Suzuki GS550M Katana at Las Vegas Motorcycles 2023 as T22 Mecum
Suzuki GS550M 1982 (Z) (E02 E04 E06 E22 E24 E25 E34) FRAME buy
Suzuki GS550M 1982 (Z) (E02 E04 E06 E22 E24 E25 E34) SEAT buy
Suzuki GS550M XZ KATANA (8182) 19811982 CARBURETOR (MODEL X
Mick Hone GS550M 1982 CARBURETOR
Suzuki GS550M 1982 (Z) (E02 E04 E06 E22 E24 E25 E34) CRANKSHAFT buy
Suzuki GS550M 1982 (Z) USA (E03) MASTER CYLINDER buy original MASTER
1982 Suzuki GS 550 M Katana
Suzuki Motorcycle 1982 OEM Parts Diagram for FUEL COCK
Related Post:

































