1980 Honda Civic Parts Catalog
1980 Honda Civic Parts Catalog - In an age where digital fatigue is a common affliction, the focused, distraction-free space offered by a physical chart is more valuable than ever. It's a way to make the idea real enough to interact with. Fractals exhibit a repeating pattern at every scale, creating an infinite complexity from simple recursive processes. This includes the cost of shipping containers, of fuel for the cargo ships and delivery trucks, of the labor of dockworkers and drivers, of the vast, automated warehouses that store the item until it is summoned by a click. Whether it's a child scribbling with crayons or a seasoned artist sketching with charcoal, drawing serves as a medium through which we can communicate our ideas, beliefs, and experiences without the constraints of words or language. I was being asked to be a factory worker, to pour pre-existing content into a pre-defined mould. 73 To save on ink, especially for draft versions of your chart, you can often select a "draft quality" or "print in black and white" option. The first of these is "external storage," where the printable chart itself becomes a tangible, physical reminder of our intentions. For personal growth and habit formation, the personal development chart serves as a powerful tool for self-mastery. The catalog is no longer a shared space with a common architecture. The template, I began to realize, wasn't about limiting my choices; it was about providing a rational framework within which I could make more intelligent and purposeful choices. That leap is largely credited to a Scottish political economist and engineer named William Playfair, a fascinating and somewhat roguish character of the late 18th century Enlightenment. By drawing a simple line for each item between two parallel axes, it provides a crystal-clear picture of which items have risen, which have fallen, and which have crossed over. There are even specialized charts like a babysitter information chart, which provides a single, organized sheet with all the essential contact numbers and instructions needed in an emergency. Tukey’s philosophy was to treat charting as a conversation with the data. The amateur will often try to cram the content in, resulting in awkwardly cropped photos, overflowing text boxes, and a layout that feels broken and unbalanced. Familiarize yourself with the location of the seatbelt and ensure it is worn correctly, with the lap belt fitting snugly across your hips and the shoulder belt across your chest. The act of writing can stimulate creative thinking, allowing individuals to explore new ideas and perspectives. A 3D bar chart is a common offender; the perspective distorts the tops of the bars, making it difficult to compare their true heights. 91 An ethical chart presents a fair and complete picture of the data, fostering trust and enabling informed understanding. The organizational chart, or "org chart," is a cornerstone of business strategy. This would transform the act of shopping from a simple economic transaction into a profound ethical choice. The very essence of its utility is captured in its name; it is the "printable" quality that transforms it from an abstract digital file into a physical workspace, a tactile starting point upon which ideas, plans, and projects can be built. The Command Center of the Home: Chore Charts and Family PlannersIn the busy ecosystem of a modern household, a printable chart can serve as the central command center, reducing domestic friction and fostering a sense of shared responsibility. An incredible 90% of all information transmitted to the brain is visual, and it is processed up to 60,000 times faster than text. These simple checks take only a few minutes but play a significant role in your vehicle's overall health and your safety on the road. 16 By translating the complex architecture of a company into an easily digestible visual format, the organizational chart reduces ambiguity, fosters effective collaboration, and ensures that the entire organization operates with a shared understanding of its structure. In the corporate world, the organizational chart maps the structure of a company, defining roles, responsibilities, and the flow of authority. A completely depleted battery can sometimes prevent the device from showing any signs of life. It is crucial to familiarize yourself with the meaning of each symbol, as detailed in the "Warning and Indicator Lights" section of this guide. " The role of the human designer in this future will be less about the mechanical task of creating the chart and more about the critical tasks of asking the right questions, interpreting the results, and weaving them into a meaningful human narrative. A low-resolution image may look acceptable on a screen but will fail as a quality printable artifact. They are pushed, pulled, questioned, and broken. Printable maps and diagrams are useful for geography and science. This hamburger: three dollars, plus the degradation of two square meters of grazing land, plus the emission of one hundred kilograms of methane. It proves, in a single, unforgettable demonstration, that a chart can reveal truths—patterns, outliers, and relationships—that are completely invisible in the underlying statistics. The origins of crochet are somewhat murky, with various theories and historical references pointing to different parts of the world. These prompts can focus on a wide range of topics, including coping strategies, relationship dynamics, and self-esteem. But it is never a direct perception; it is always a constructed one, a carefully curated representation whose effectiveness and honesty depend entirely on the skill and integrity of its creator. This concept of hidden costs extends deeply into the social and ethical fabric of our world. This perspective champions a kind of rational elegance, a beauty of pure utility. 45 This immediate clarity can significantly reduce the anxiety and uncertainty that often accompany starting a new job. To release it, press down on the switch while your foot is on the brake pedal. The effectiveness of any printable chart, whether for professional or personal use, is contingent upon its design. This wasn't just about picking pretty colors; it was about building a functional, robust, and inclusive color system. It is a masterpiece of information density and narrative power, a chart that functions as history, as data analysis, and as a profound anti-war statement. When replacing a component like a servo drive, it is critical to first back up all parameters from the old drive using the control interface, if possible. It comes with an unearned aura of objectivity and scientific rigor. Its core genius was its ability to sell not just a piece of furniture, but an entire, achievable vision of a modern home. Regardless of the medium, whether physical or digital, the underlying process of design shares a common structure. This collaborative spirit extends to the whole history of design. The act of drawing allows us to escape from the pressures of daily life and enter into a state of flow, where time seems to stand still and the worries of the world fade away. Therefore, you may find information in this manual that does not apply to your specific vehicle. It is selling not just a chair, but an entire philosophy of living: a life that is rational, functional, honest in its use of materials, and free from the sentimental clutter of the past. Instead, it is shown in fully realized, fully accessorized room settings—the "environmental shot. 30This type of chart directly supports mental health by promoting self-awareness. The professional designer's role is shifting away from being a maker of simple layouts and towards being a strategic thinker, a problem-solver, and a creator of the very systems and templates that others will use. It was the moment that the invisible rules of the print shop became a tangible and manipulable feature of the software. Master practitioners of this, like the graphics desks at major news organizations, can weave a series of charts together to build a complex and compelling argument about a social or economic issue. The principles you learned in the brake job—safety first, logical disassembly, cleanliness, and proper reassembly with correct torque values—apply to nearly every other repair you might attempt on your OmniDrive. They offer consistent formatting, fonts, and layouts, ensuring a professional appearance. One of the most breathtaking examples from this era, and perhaps of all time, is Charles Joseph Minard's 1869 chart depicting the fate of Napoleon's army during its disastrous Russian campaign of 1812. When applied to personal health and fitness, a printable chart becomes a tangible guide for achieving wellness goals. The user can then filter the data to focus on a subset they are interested in, or zoom into a specific area of the chart. The most enduring of these creative blueprints are the archetypal stories that resonate across cultures and millennia. You can control the audio system, make hands-free calls, and access various vehicle settings through this intuitive display. The feedback loop between user and system can be instantaneous. It must become an active act of inquiry. The idea of being handed a guide that dictated the exact hexadecimal code for blue I had to use, or the precise amount of white space to leave around a logo, felt like a creative straitjacket. The utility of a printable chart in wellness is not limited to exercise. It starts with choosing the right software. The social media graphics were a riot of neon colors and bubbly illustrations. The first dataset shows a simple, linear relationship. From coloring pages and scrapbooking elements to stencils and decoupage designs, printable images provide a wealth of resources for artistic projects. His concept of "sparklines"—small, intense, word-sized graphics that can be embedded directly into a line of text—was a mind-bending idea that challenged the very notion of a chart as a large, separate illustration. The key at every stage is to get the ideas out of your head and into a form that can be tested with real users. A good printable is one that understands its final purpose. Tools like a "Feelings Thermometer" allow an individual to gauge the intensity of their emotions on a scale, helping them to recognize triggers and develop constructive coping mechanisms before feelings like anger or anxiety become uncontrollable.198081 Honda Civic brochure
1. ENGINE Honda CIVIC General 17S0301 Parts Catalogs PartSouq
1980 Honda Civic Hatchback
1980 Honda Civic Repair Manual Original
1980 Honda Civic Hatchback Owner's Manual Original
Honda Civic Parts Diagram
DISTRIBUTOR (HITACHI) Honda CIVIC Europe 18SR401 Parts Catalogs
6. BODY PARTS Honda CIVIC Europe 17SH301 Parts Catalogs PartSouq
6. BODY PARTS Honda CIVIC General 18TV0C01 Parts Catalogs PartSouq
Anatomy of a Honda Civic A Guide to its Body Parts
1980 Honda Civic 1300 1500 Original Owner's Manual Hatchback
The Complete Guide to Understanding Honda Civic Front End Parts Diagram
Honda Civic Aftermarket Parts Catalog
A/C Bracket Compressor for 1980 Honda Civic Honda Parts Online
198081 Honda Civic brochure
February 1980 Mechanix Illustrated UrbaSport 3 Wheeler 1980 Honda civic
4. STEERING,BRAKE,SUSPENSION Honda CIVIC General 18SNLAT1 Parts
1980 Honda Civic Hatchback & 1500GL Brochure Excellent Original 80
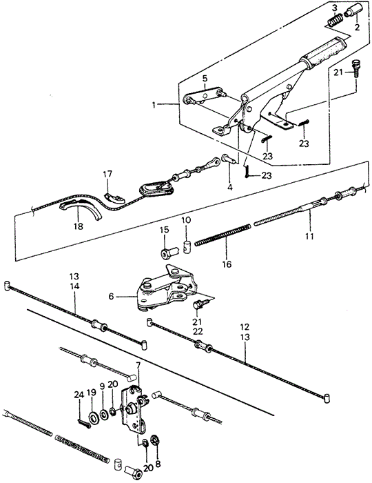
Parking Brake for 1980 Honda Civic Honda Parts Online
Oem Honda Civic Parts Catalog
1980 Honda Civic Service Manual First Edition Automotive Repair Shop Book
Find Haynes Honda Civic CVCC Owners Manual 19801983 in
The Complete Guide to Understanding Honda Civic Front End Parts Diagram
Service Manual Honda Civic Service & Spare Parts Catalog
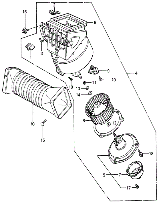
Heater Blower for 1980 Honda Civic Honda Parts Online
Honda CIVIC 5D 1300 1980 HMT E15 WATER PUMP buy E15 WATER PUMP
Haynes Repair Manual Honda Civic CVCC 1980 1983, 42021 Supercheap
Honda Civic Aftermarket Parts Catalog
1. ENGINE Honda CIVIC Europe 18SR401 Parts Catalogs PartSouq
2 TRANSMISSION Honda CIVIC 3DR\WAGON USA 19801983 Parts Catalogs
6. BODY PARTS Honda CIVIC General 18SNLA01 Parts Catalogs PartSouq
Honda Civic Spare Parts Manual Reviewmotors.co
Purchase 1980 Honda Civic Service Manual Book Original Factory Manual
1980 Honda Civic Repair Manual Original
Related Post:
































