1964 Honda 305 Parts Catalog
1964 Honda 305 Parts Catalog - Reinstall the two caliper guide pin bolts and tighten them to their specified torque. 55 This involves, first and foremost, selecting the appropriate type of chart for the data and the intended message; for example, a line chart is ideal for showing trends over time, while a bar chart excels at comparing discrete categories. It offers a quiet, focused space away from the constant noise of digital distractions, allowing for the deep, mindful work that is so often necessary for meaningful progress. The digital age has shattered this model. It is an act of respect for the brand, protecting its value and integrity. The Cross-Traffic Alert feature uses the same sensors to warn you of traffic approaching from the sides when you are slowly backing out of a parking space or driveway. 19 A printable reward chart capitalizes on this by making the path to the reward visible and tangible, building anticipation with each completed step. " To fulfill this request, the system must access and synthesize all the structured data of the catalog—brand, color, style, price, user ratings—and present a handful of curated options in a natural, conversational way. In the business world, templates are indispensable for a wide range of functions. For another project, I was faced with the challenge of showing the flow of energy from different sources (coal, gas, renewables) to different sectors of consumption (residential, industrial, transportation). The idea of "professional design" was, in my mind, simply doing that but getting paid for it. This is especially popular within the planner community. It is selling a promise of a future harvest. In this broader context, the catalog template is not just a tool for graphic designers; it is a manifestation of a deep and ancient human cognitive need. The creation and analysis of patterns are deeply intertwined with mathematics. Structured learning environments offer guidance, techniques, and feedback that can accelerate your growth. In a world saturated with more data than ever before, the chart is not just a useful tool; it is an indispensable guide, a compass that helps us navigate the vast and ever-expanding sea of information. It is still connected to the main logic board by several fragile ribbon cables. The budget constraint forces you to be innovative with materials. It was an InDesign file, pre-populated with a rigid grid, placeholder boxes marked with a stark 'X' where images should go, and columns filled with the nonsensical Lorem Ipsum text that felt like a placeholder for creativity itself. But a professional brand palette is a strategic tool. My initial fear of conformity was not entirely unfounded. Of course, there was the primary, full-color version. " "Do not rotate. They can also contain multiple pages in a single file. While your conscious mind is occupied with something else, your subconscious is still working on the problem in the background, churning through all the information you've gathered, making those strange, lateral connections that the logical, conscious mind is too rigid to see. A successful repair is as much about having the correct equipment as it is about having the correct knowledge. For exploring the relationship between two different variables, the scatter plot is the indispensable tool of the scientist and the statistician. I remember working on a poster that I was convinced was finished and perfect. An architect designing a hospital must consider not only the efficient flow of doctors and equipment but also the anxiety of a patient waiting for a diagnosis, the exhaustion of a family member holding vigil, and the need for natural light to promote healing. The user provides the raw materials and the machine. A high data-ink ratio is a hallmark of a professionally designed chart. It does not plead or persuade; it declares. A multimeter is another essential diagnostic tool that allows you to troubleshoot electrical problems, from a dead battery to a faulty sensor, and basic models are very affordable. A pictogram where a taller icon is also made wider is another; our brains perceive the change in area, not just height, thus exaggerating the difference. The logo at the top is pixelated, compressed to within an inch of its life to save on bandwidth. 10 Ultimately, a chart is a tool of persuasion, and this brings with it an ethical responsibility to be truthful and accurate. This is the danger of using the template as a destination rather than a starting point. The Cross-Traffic Alert feature uses the same sensors to warn you of traffic approaching from the sides when you are slowly backing out of a parking space or driveway. This is the magic of what designers call pre-attentive attributes—the visual properties that we can process in a fraction of a second, before we even have time to think. This new awareness of the human element in data also led me to confront the darker side of the practice: the ethics of visualization. This data can also be used for active manipulation. To achieve this seamless interaction, design employs a rich and complex language of communication. The layout is a marvel of information design, a testament to the power of a rigid grid and a ruthlessly consistent typographic hierarchy to bring order to an incredible amount of complexity. Some of the best ideas I've ever had were not really my ideas at all, but were born from a conversation, a critique, or a brainstorming session with my peers. Once the software is chosen, the next step is designing the image. We are drawn to symmetry, captivated by color, and comforted by texture. The full-spectrum LED grow light can be bright, and while it is safe for your plants, you should avoid staring directly into the light for extended periods. 16 For any employee, particularly a new hire, this type of chart is an indispensable tool for navigating the corporate landscape, helping them to quickly understand roles, responsibilities, and the appropriate channels for communication. These new forms challenge our very definition of what a chart is, pushing it beyond a purely visual medium into a multisensory experience. The true relationship is not a hierarchy but a synthesis. 87 This requires several essential components: a clear and descriptive title that summarizes the chart's main point, clearly labeled axes that include units of measurement, and a legend if necessary, although directly labeling data series on the chart is often a more effective approach. The design of an urban infrastructure can either perpetuate or alleviate social inequality. The old way was for a designer to have a "cool idea" and then create a product based on that idea, hoping people would like it. It’s the understanding that the power to shape perception and influence behavior is a serious responsibility, and it must be wielded with care, conscience, and a deep sense of humility. It has become the dominant organizational paradigm for almost all large collections of digital content. The animation transformed a complex dataset into a breathtaking and emotional story of global development. The dots, each one a country, moved across the screen in a kind of data-driven ballet. 18 A printable chart is a perfect mechanism for creating and sustaining a positive dopamine feedback loop. This resilience, this ability to hold ideas loosely and to see the entire process as a journey of refinement rather than a single moment of genius, is what separates the amateur from the professional. We have explored the diverse world of the printable chart, from a student's study schedule and a family's chore chart to a professional's complex Gantt chart. 6 Unlike a fleeting thought, a chart exists in the real world, serving as a constant visual cue. The pursuit of the impossible catalog is what matters. An interactive chart is a fundamentally different entity from a static one. If you don't have enough old things in your head, you can't make any new connections. By the end of the semester, after weeks of meticulous labor, I held my finished design manual. It's spreadsheets, interview transcripts, and data analysis. A satisfying "click" sound when a lid closes communicates that it is securely sealed. The user was no longer a passive recipient of a curated collection; they were an active participant, able to manipulate and reconfigure the catalog to suit their specific needs. Understanding and setting the correct resolution ensures that images look sharp and professional. The truly radical and unsettling idea of a "cost catalog" would be one that includes the external costs, the vast and often devastating expenses that are not paid by the producer or the consumer, but are externalized, pushed onto the community, onto the environment, and onto future generations. Stay Inspired: Surround yourself with inspiration by visiting museums, galleries, and exhibitions. They feature editorial sections, gift guides curated by real people, and blog posts that tell the stories behind the products. They wanted to see the details, so zoom functionality became essential. By seeking out feedback from peers, mentors, and instructors, and continually challenging yourself to push beyond your limits, you can continue to grow and improve as an artist. Abstract goals like "be more productive" or "live a healthier lifestyle" can feel overwhelming and difficult to track. 60 The Gantt chart's purpose is to create a shared mental model of the project's timeline, dependencies, and resource allocation. Intricate printable box templates allow hobbyists to create custom packaging, and printable stencils are used for everything from cake decorating to wall painting. In Asia, patterns played a crucial role in the art and architecture of cultures such as China, Japan, and India. This wasn't just about picking pretty colors; it was about building a functional, robust, and inclusive color system.Honda CL77 SCRAMBLER 1965 USA / 305 parts lists and schematics
USED Honda CL77 Scrambler 305 Parts Manual
Honda Parts Catalogue
Honda Dream 305 (CA77) CLUTCH Honda Twins
1964 Honda Motorcycle Parts Reviewmotors.co
Honda 250305cc Dream Hawk Super Hawk Motorcycle Engine Repair Guide by
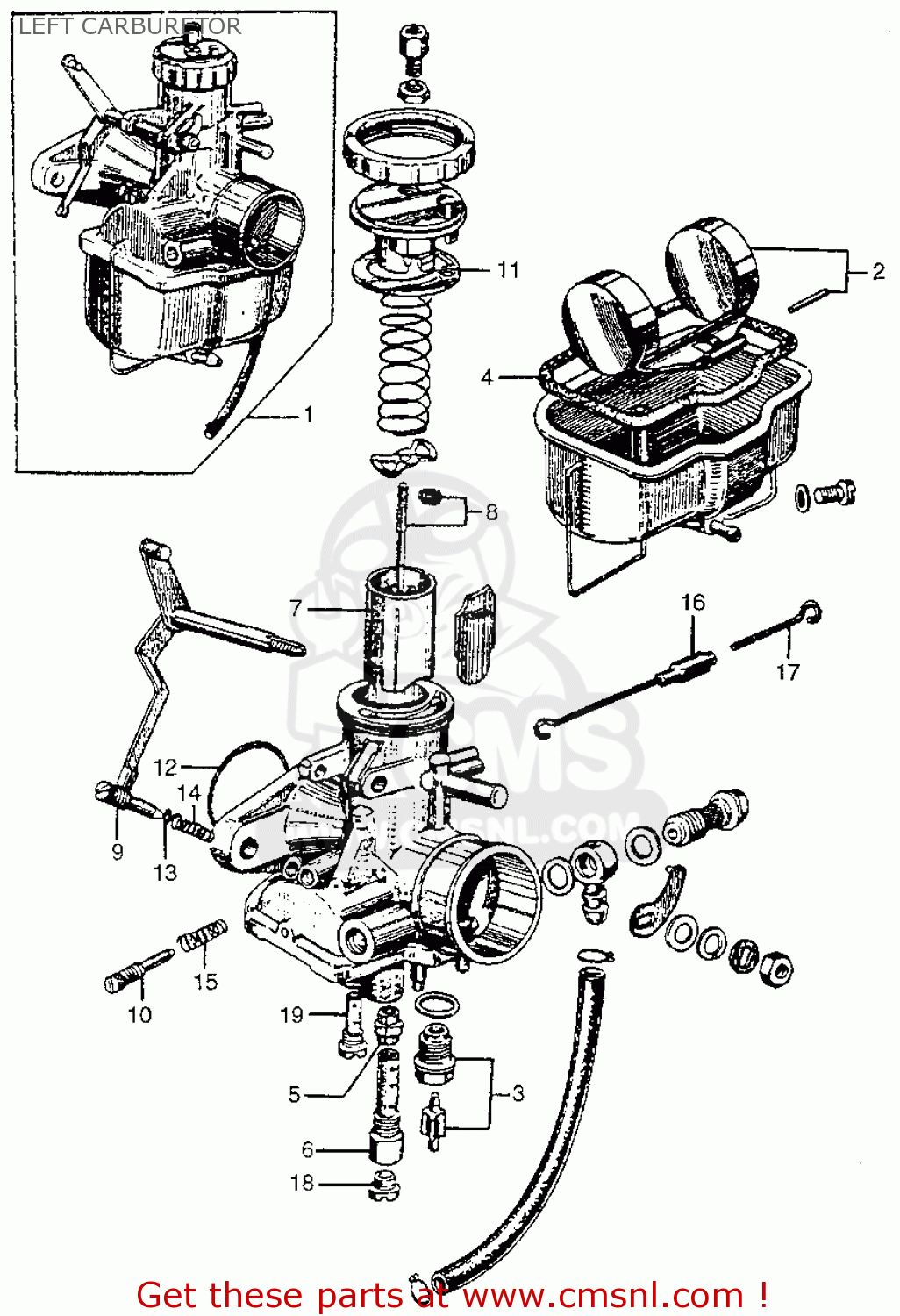
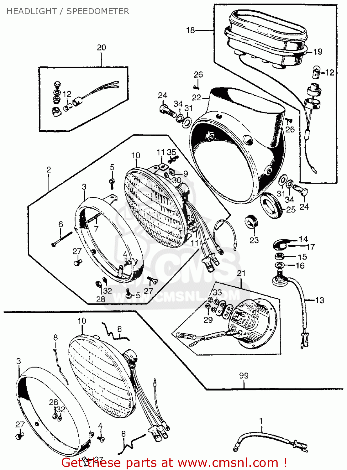
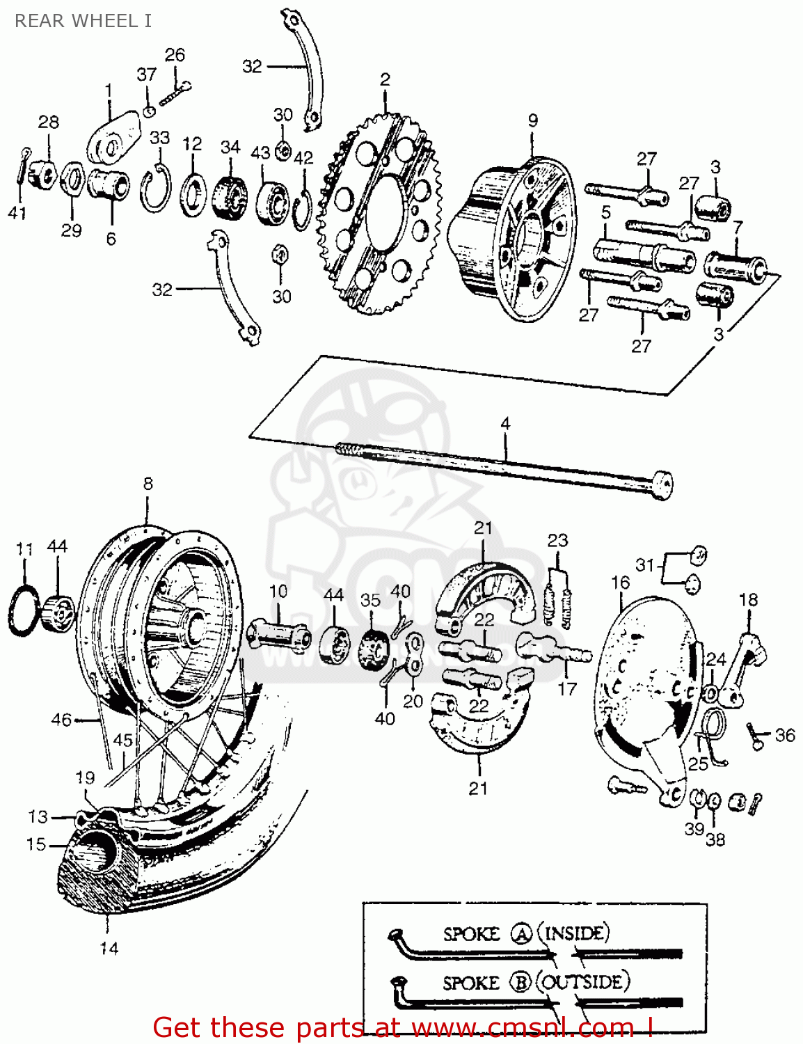
Honda CL77 SCRAMBLER 1965 USA / 305 parts lists and schematics
1964 Honda 305 dream
Honda S90 SUPER 1964 USA parts lists and schematics
USED Honda CL77 Scrambler 305 Parts Manual
Honda CL77 SCRAMBLER 1965 USA / 305 parts lists and schematics
1964 HONDA DREAM 305 LOW MILES RUNS GREAT WITH TITLE.
Got my dream bike. 1964 Honda Dream CA77 305. HondaCB
Honda CA77 Dream 305 Illustrated Parts List Diagram Manual PDF
Honda 1964ca CA78 Dream 305cc 2cyl OHC 3310 Yesterdays
1964 Early CA77 Honda Dream 305 (Vintage Original Rare Type 1
1964 Honda 305 Dream VIN CA781026974
1964 HONDA DREAM 305 LOW MILES RUNS GREAT WITH TITLE.
Honda CL77 SCRAMBLER 1965 USA / 305 parts lists and schematics
Honda CL77 SCRAMBLER 1965 USA / 305 parts lists and schematics
1964 Honda 305 Dream F336 Las Vegas Motorcycle 2018
Honda CL77 SCRAMBLER 1965 USA / 305 parts lists and schematics
1964 Honda 305 dream
1964 Honda 305 dream
1964 Honda 305 Dream at Las Vegas Motorcycles 2021 as S1 Mecum Auctions
Honda CL77 SCRAMBLER 1965 USA / 305 parts lists and schematics
1964 Honda 305 Dream F336 Las Vegas Motorcycle 2018
USED Honda CL77 Scrambler 305 Parts Manual
Honda 250 305 Parts List Book Manual 1960s CB72 CB77 CP77, Reproduction
Honda CL77 SCRAMBLER 1965 USA / 305 parts lists and schematics
1964 Honda 305 Dream VIN CA77E102141
Buy >honda cb77 superhawk for sale OFF 65 Big sale
Honda CL77 SCRAMBLER 1965 USA / 305 parts lists and schematics
1964 Honda Motorcycle
Honda CL77 SCRAMBLER 1965 USA / 305 parts lists and schematics
Related Post:



























